Fórum témák
» Több friss téma |
Fórum » Kapcsolási rajzot keresek
Témaindító: Kallai Csaba, idő: Márc 11, 2006
Témakörök:
Szerintem azért még több dolgot nem értesz.
De ez nem is baj, mindenki így kezdi. A panelon található egy komplett hangfrekvenciás végerősítő (ez a TBA 800-810), mely a TBA 120S IC-ről közvetlenül kapja a hangfrekis jelet (a 8-as lábára 100nF -os kondin.). A 120-as "csinál" a KF "bádogdobozból" érkező FM modulált 5,5-6,5MHz-es jelből HF jelet. A szintszabályzás is ennek az IC-nek a dolga. Ezt egy test felé menő poti értékének változtatásával állítjuk (hangerő).
Tehát a TBA120-at a PCL-nél nem is kell használni? KF jel ott nincs. A hangerőt meg könnyen megoldom
Kevés! Nem működik, alapállásban van. Beteszem elé (PCL elé) ezt az erősítőt, hátha jobb lesz! Hagyok mindent, ahogy van, adok neki tápot és megpróbálom ezzel. JZoli mondta, hogy ha tényleg kevés neki a bemenő jel, akkor ad ECC82-t, vagy 83-at.
Még nincs! Kevés a bemenet!
Ezek a kollégák, már itt is csak csöveznek....
No, amiért beugrottam, van nálam javításon egy Dragster DB 210-es autógyengélkedő, a gazdája megpirította, full kétoldalas SMD, a telj. félvezetőket kivéve! Nos, eszem ágában sincs végig-követgetni a vezetősávokat, mert egy-két oldalváltás után belehülyülök! Nincs meg valakinek véletlenül a kapcsrajza? Merthogy ezt az erősítőt, még a net-en sem találtam meg...
Sziasztok.
Nyestriasztóhoz keresek kapcsolási rajzot. Köszönöm
Varázsszem elé TBA-s végfok?! Hogy lehet az, hogy nincs elég (hangfrekis?) jel a szemnek egy PCL-es erősítőben? Ha a kimenőtrafó szekundere nem vezérli ki az ernyőt, akkor veheted a jelet az anódról is egy 10nF-os kondival, fesz-osztóval.
Te Márk, ha a PCL anódján lévő 100 V tételű váltófesz nem elég, akkor miről gondolod, hogy a TBA 800 kimenetén lévő 3 voltocska meg elég lesz.
Gyere vissza a csöves topikba ezzel a problémával, mert vagy elkötöttél valamit, vagy rossz a varázsszem.
Megyek a "hazámba" vissza, JZoli-val megnézzük holnap!
[OFF]Ha milliomos volnék, holnap elmennék hozzád, és "gatyába ráznám" azt a varázsszemet. De sajna nem vagyok....
Majd holnap megoldjuk Zolival!
zoltan_30: 30-35$-ért adják :no: .
Koszi, eddig en is eljutottam.
Remeltem, hogy valakinek megvan.
Sziasztok!
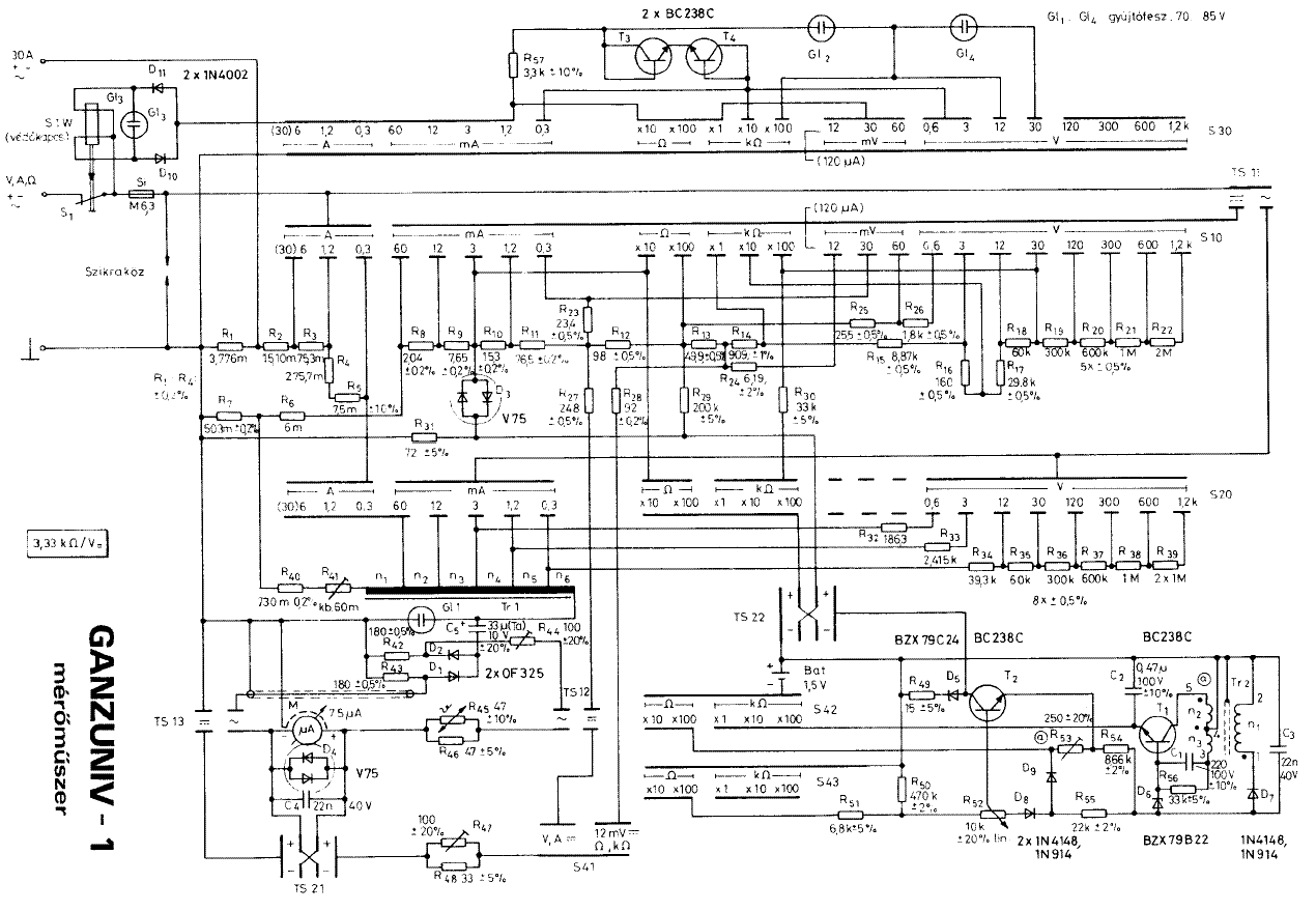
Keresem a GANZUNIV1 típusú műszer kapcsolásirajzát. Ha valakinek megvan,kérem töltse fel. Köszönöm! Stefo
Azért ennyire nem kellene kényelmesnek lenni!
Ezt második találatként dobta ki a :google:
Azért nem kellene ennyire kényelmesnek lenni ?
Már letöltöttem, de használhatatlan! Te megnézted? ![]() A GANZUNIV3 sem túl jó. Sajnos!
Persze, megnéztem. Messzebbről nézve nem annyira homályos.
Szerintem javításhoz több a semminél, utánépítéshez bizony kevés.
Castone CPA1200B kapcsolási rajzát keresem. akinek megvan kérem ossza meg velem.
köszi
Sziasztok!
Egy lehetőleg egyszerű kapcsolást keresek erősítőhöz! Egy 400Watt-os mélynyomóhoz kéne, tehát a legjobb egy 300W-os SUBerősítő lenne! Tudtok ilyet mutatni/linkelni/küldeni? Nagyon megköszönném! Üdv: Gábor
Egyik sem felel meg az ittlévő gyüjteményből?
Igazad van, bocsi, az oldal ezen részlét még nem találtam meg!
Köszi a segítséget!
Sziasztok!
Keresem a TDA 1077 telefon ic adatlapját, a neten nem találom pedig már régóta keresem. Ha tudtok segitsetek,köszi Gerenk
Sziasztok!
Én Makita Dc1470 tipusú töltőhöz keresek kapcsolási rajzot. Egy dióda tönkrement benne, jó lenne megtudni a tipusát. Esetleg ha valakinek lenne, akkor megköszönném
Sziasztok!
Egy Pioneer GM-1000-es autóerősítőről kéne valami infó, konkrétan a bekötése érdekelne. A jel bemenet-kimenet,és a táp az világos ,de van még egy csati rajta amit nem tudok,és be sem kapcsol a végfok,szerintem arra kell kötni valamit hogy bekapcsoljon.
Köszi szétnéztem, sajna ez az ic nem található, arab írás annál több
|
Bejelentkezés
Hirdetés |




De ez nem is baj, mindenki így kezdi. A panelon található egy komplett hangfrekvenciás végerősítő (ez a TBA 800-810), mely a TBA 120S IC-ről közvetlenül kapja a hangfrekis jelet (a 8-as lábára 100nF -os kondin.). A 120-as "csinál" a KF "bádogdobozból" érkező FM modulált 5,5-6,5MHz-es jelből HF jelet. A szintszabályzás is ennek az IC-nek a dolga. Ezt egy test felé menő poti értékének változtatásával állítjuk (hangerő). 


