Fórum témák
» Több friss téma |
Fórum » Labortápegység készítése
A műveleti erősítő, a füstölő ellenállás, és talán a kisebb tranyók, diódák.
üdv
Megnézem, mit mutat, aztán írok. Kössz: uli
A műveleti erősítőről hogy tudom megállapítani hogy halott e? ÉS melyik potival mit szabályzok?
Megnéztem:
Az IC 4 és 11 lábai közt 29V van. Az picit sok szerintem. Ha az áramkorlát be van kapcsolva: 250mV DC a LEDen. Ha ki van kapcsolva 610mV AC(!) a LEDen. De amúgy működik uli
Bővebben: Link Innen megérted mi a lényege a műveleti erősítőnek és hogy hogyan működik. Egyébiránt adatlap szerint adsz neki tápot, a bemeneteit összekötöd a linken megjelölt ábra szerint és a kimenetet méred.
Kössz a segítséget. A diódák nem lettek zárlatosak akkor azok nem haltak meg?
Ezt így nem lehet kijelenteni, legegyszerűbb, ha kiveszed az egyik lábát és multival megméred dióda vizsgálóval, egyik irányba szakadást kell mérned ha jó, a másik irányba 6-700 körül kell mutatnia a multinak normál szilicium dióda esetén. Ebben az esetbe jó esélyed van arra hogy él a dióda Ha valamelyik irányba 000 körül mutat a multi vagy mindkét irányba teljes szakadást akkor kuka a dióda.
Átrajzoltam ennek a tápegységnek a kapcsolási rajzát, hogy áttekinthetőbb legyen.
Hello!
Hagyd már azt a szerencsétlen led-et! A kutyát nem érdekli, mekkora feszültség van rajta. Nincs információ tartalma. A lényeg, hogy mi van az IC ki és bememneti lábain. Tehát a 14-es, 12-es 13-as és az 1-es lábak feszültségeit kell megmérni, áramkorlátos és mentes üzemmód mellett. Ha 12-láb (+) feszültsége magasabb, mint a 13-as (-) akkor a Lednek égni kell, ha fordított a helyzet, akkos sötét lesz. üdv! proli007
Hello!
Ügyes! De akkor már fordítsd meg azOP4-et, hogy látványosabb legyen az áramszabályozás. A D2-őt, meg függőlegesen lehet betenni az R11 mellé, mert az úgy is annak áramát szívja le, ha az áramkorlát belép. Ja, és mivel rajzoltad? mert szép kulturált lett. üdv! proli007
Írom:
Ha az áramkorlát (ák) be van kapcsolódva: 1es láb: ák-tól függ, egyenesen arányosan nő vele a fesz. 12-es láb:21,5V 13-as láb: mint az 1es 14: 28V Ha ák off: 1: 28V 12: 0V 13-as: 28V 14: 0V A 27Vos zéneren 29 V esik. Nagyjából ennyi. Kössz: uli
Hello!
Hát a kulcsszó: 14: 28V / 14: 0V hát akkor itt mi a gond? Az IC vezérli a Led-et! Hol nulla, hol magas szint van a kimenetén. Az nem ég, ha - R5 szakadt, vagy nagy értékű. - Led zárlatos, vagy nem a GND-re van kötve, tehát szakadt a 15-ös és az 1-es nyákpont közötti vezetősáv. (az 1-es biztos földön van, mert akkor nem működne a táp.) - Szakadt a Led, de akkor nem millivoltokat mértél volna rajta. üdv! proli007
Akkor kibontom az ellenállást, és megnézem biztos azt az értéket adták-e amit kértem. Volt, hogy mást kaptam sajnos, lehet most is ez van. De beültetésnél jónak tűnt. Megnézem. Köszi: uli
Valahogy így gondoltad?
![]() Az "sPlan 6.0" -val készítettem.
Hello!
Hát nem sokkal szebb, de talán érthetőbb. Köszi!
Hát, a 12 -es lábon nem lehet nulla a feszültség soha, de szerintem csak felremérted. De ha minden igaz, akkor a műv. erősítő működik, és addja is a kimenetén a feszültséget, de akkor az ellenállásal lesz gond.
Egyébként én nem értem hogy működhet egyáltalán az a LED, szerintem mindig kellene világitania, mivel a műv. erősitő + bemenetén mindig nagyobb a feszültség, ezért a kimeneten meg kellene jelennie az ominozus 27V nak, amitol meg vilagitana a LED, de biztos én vagyok a hülye, mert már biztosan megépitették páran.
Hello!
Idézet: „erősitő + bemenetén mindig nagyobb a feszültség” Nem egészen. Mert ha nincs áramkorlát, akkor az áramérzékelő IC kimenete "tápon van" és ez a Led-meghajtó erősítő "-" bemenete, míg a "+" bemenete egy leosztott feszültségű ponton van. Nem túl korrekt, de működhet. üdv! proli007
A P2 és P4 potenciométerrel a feszültséget szabályzod, a P4 minden bizonnyal a max. feszültség beállítására szolgál. P1 el pedig az áramkorlátot szabályozod, P3 pedig a max. áram beállítására szolgál.
Hát még mindig nem értem hogy kerül oda a teljes tápfeszültség a - bemenetre, de biztos ott van.
Már nem tudtam megváltoztatni, de a P3 nem a max áram beállítására szolgál, nem tudom mi értelme van, hacsak nem az hogy az áramot érzékenyebben is be tudjuk állítani.
A P3 a legkisebb áramkorlát beállítására szolgál.
Hát ezt láttam én is, de valahogy nem látom értelmét. Az én tápforrásomon a maximális áram értékét lehet állítani, de hát annak van is értelme.
Ennél a kapcsolásnál a D2 dióda nyitófeszültsége, vagy az Rx értéke határozza meg a maximális áramkorlátot.
Nekem kb. 570mV a dióda nyitófeszültsége és két 0,39ohm -os ellenállás van párhuzamosan kötve Rx-nek, így a maximális áramkorlát kb. 3,2A.
Na én ezen is gondolkoztam, és akkor mégiscsak igazam van, hogy így nem elérhető az 5A, legfeljebb úgy ha betennék egy 1V -os Zenert, ha egyáltalán létezik ilyen.
Vagy olyan diódát kell válogatni, ami 700-800mV nyitófeszültségű. A legkisebb értékű zener 2,4V ha jól tudom.
Sziasztok!
Vettem 4db PM438 mérőt, ami HEstore-nál is van. Fesz méréssel nincs gondom, de az árammal igen. 2A-es méréshatárhoz 0,1ohm sönt kell, de a Spafi féle táp 4A-t tud. 20A-hez 10db 0,1ohm kellene párhuzamosan. Csak ez a megoldás van? Vagy tud valaki jobb megoldást? Köszönöm!
Üdv.!
Köss párhuzamosan csak mondjuk 2db 0,1Ohm-ot, és ezekkel párhuzamosan egy legalább két-három nagyságrenddel nagyobb eredő ellenállású feszültség-osztót.
Mivel a műszerrel a söntön eső feszültséget méred áram mérés esetén, így nem a sönt értékét kell módosítani, hanem egy előtét ellenállást kell a műszer elé kötni.
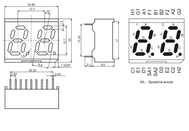
Most, hogy végigolvastam a topikot, láttam, hogy érdeklődtél a VQE14 kijelzővel kapcsolatban. Ezért csatoltam a bekötését. A 7107 és a VQE14 igen sűrűn szerepelt a renszerváltás körüli időben együtt különböző műszerekben. Tehát nyugodtan használhatod erre a célra, jobb mintha a fiók alján végzi! Ja mint az adatlapból látszik közös anódos.
Van Schottky dióda 0,95V -ra
|
Bejelentkezés
Hirdetés |












