Fórum témák
» Több friss téma |
Fórum » Csöves erősítő készítése
Ne feledd betartani a fórum viselkedési szabályait, és a topik megmaradásának feltételeit. [link]
A téma átmenetileg fagyasztva lett, hozzászólni nem tudsz!
Danaman kolléga, restellem, de nem volt se időm, se energiám kibontani a stab változtatható áteresztőcsöves tápot neked, a rajzát meg nem lelem, de az előbb linkeltből lehet készíteni okosabbat is!
Stabtáp csővel
Danaman kolléga, restellem, de nem volt se időm, se energiám kibontani a stab változtatható áteresztőcsöves tápot neked, a rajzát meg nem lelem, de az előbb linkeltből lehet készíteni okosabbat is!
Stabtáp csővel
Nagyobb teljesítményű asztali erősítőkben, mint p.l. a TECHNICS, a hangerő növelésével kezd el forogni, és annak mértékétől függ a fordulatszáma...
Annó én is tettem egy 2x100w-osba, egyenirányítottam a kimenőfeszt, kapott egy 100µF-os kondit, és rá a ventire...
Divix-es csöves előfok...
Ugye , mire nem jó egy rossz DVD...
Vagy:
Ha van mikrofon előerősítőd, akkor egy miki-vel /dinamikus/ körbe"kérdezed" a trafót, hogy mi a véleménye a medvékről... Én is így csináltam! brummmm
Nekem is van valahol egy ilyen UNIVEKA-m, csak rossz benne az alapműszer, érdemes azzal foglalakozni?
Srácok!
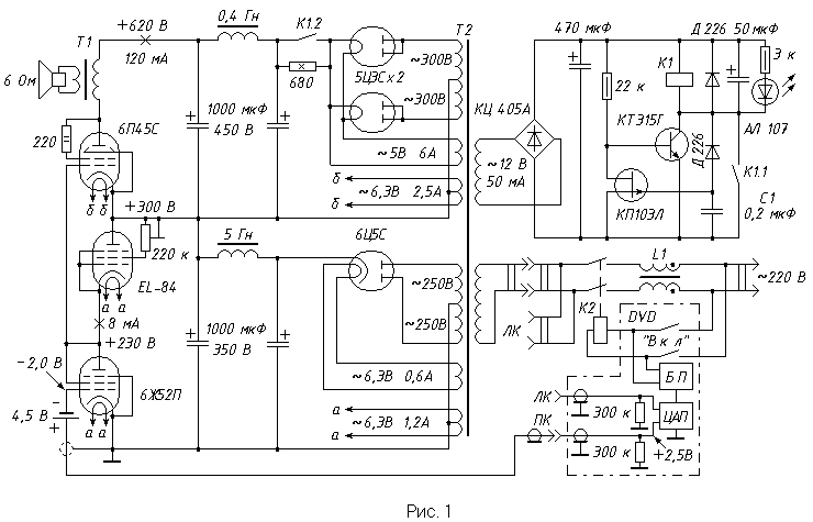
Nem kell valakinek a 6P45SzPP régi doboza, benne a 250w-os táppal, egyenirányítás, stabilizálás 100v-ra, relés/tranyás/ késleltetés, 4x220µF-os szűrés a 400v-ra, 900µF-a 150v-ra.../amiből BU508-al lesz a 100v/ A trafón 6,3v 10A, 45v/300mA, 180v+110v 600mA...ja, és 12v/300mA.. Piviben is megtaláltok! U.I.: amit nem írtam, alátekerős retro banánaljzatok a hátulján, műszertápcsati, zöld világítós kétáramkörös billenőkapcs az elején, MÁV-os potitekerők/ /, és kapcsolható katódárammérő deprez műszerek ...EcoPityu csöves multjában is benne van, de készíthetek újabb belezett képeket is!
Örülj neki mert ritka darab (nekem meg hasonló sincs
)... Bővebben: Link
A 6P45SZ ről jut eszembe találtam egy számomra érdekes kapcsolást ezzel a csővel !
Az egy un "fényerősítős cső". Távcsövekben, orvosi műszerekben használnak ilyeneket.
Itt sok minden megtudható róla.Bővebben: Link
Ez egy fotoelektron sokszorozó cső (PMT) alapvetően nagyon kis fénykvantumok mérésére lehet használni. Vannak olyan fajták amit nitrogénnel hűtve és megfelelően dobozolva 1-1 fotont is képesek érzékelni.
Scintillációs detektort lehet pl. csinálni belőle, van olyan szűrő ami pl. gamma részecskék becsapódására ilyen cső által mérhető fényt bocsájt ki, ezt elérakva egy egész pontos és jó gamma sugárzásmérőt lehet csinálni, jobbat mint a GM csöves. De ugyanígy béta, alfa részecskékhez is jó lehet. Vagy ilyesmik, de ha van köztünk részecskefizikus, majd kijavít. Bővebben: Link Alkalmazás Van egy ilyenem nekem is, csak ruszki, és máshogy néz ki.
Ez egy "valódi" direktcsatolt SE, én már építettem ilyet. Szinte járulékos alkatrészek nélkül igen jó hangú erősítő építhető így, a brumm kiszűrése viszont keményebb feladat, mint a hagyományos felépítésnél, de megéri a fáradozást.
Köszi már én is nézegettem a kapcsolást van is hozzá minden csövem, ahoz hogy a kimenet 0-400-ig állítható legyen elég egy poti a PL500 rácsára? nem találtam visza oda ahol erről beszéltünk ott írtál egy elméleti leírást és valami ilyesmire emlékszem.
Szia Barna!
Tegnap elkészült "fű alatt" a két kimenő , SM74 vasra . Minimálisan ennyi kell szerintem , ha lesz időm jön a próba .
Dana, ez tól-ig állítható, de semmiképpen sem nullától. Érdekel a működése?
Szia CHZ,
Izgatottan várom a "fékpad" eredményeit! Cserébe küldenék néhány kémfotót az elkészült PCL86 SE dobozomról, de priviben nem lehetséges, közszemlére meg nem szeretném tenni csak a végeredményt ami úgy sejtem két hetet várat még magára (nyákterv, maratás stb...) :yes:
Csak a kimenőket kell bekötnöm és jöhet a próba .
Az R magos tafóval már próbáltam ... Valójában már csak a kimenő fog vizsgázni .
Azt tudom hogy nem 0-tól csak a 0 "közeléből" gondoltam, de igen érdekel a működése.
Lehet hogy most nem leszek sűrűn fent mert a netem haldoklik és mindenféle jelszóproblematikája van
Akkor essünk neki. Először is, van egy 550V-os stabilizálatlan feszültségünk. Ez rá van kötve a PL500 anódjára, és a segédrácsára is. Valamint a vezérlőrácsára is egy + (nyitó) feszültséget juttatunk a 330k-s ellenálláson keresztül (a 10k a szokásos gerjedésgátló). A 330k "alsó" felére csatlakozik még az EF86-os pentóda anódja, ami tulajdonképpen a PL500 vezérlőrácsával azonos potenciálon van. A 3 db 12k-s soros ellenállás a stabilizátorcsövet táplálja, feladata az 550V, és a stabilizátoron fellelhető 150V különbségének (400V) "elfűtése". Az itt létrejött áram kb 11mA, a feszültségkülönbséget három felé osztja, melyből 1/3 (133V) jut az EF86 segédrácsára (a katódjához képest). A vezérlőrácsra a leosztott kimeneti feszültség jut. Ez az osztó a kimenő feszültséget szintén 3 részre osztja, ami tulajdonképpen a potméter végpontjain, és a kimeneten mérhetők. Az eredő ellenállás 270k, ezen a beállítandó 400V 1,481mA áramot hoz létre. Ez az "alsó" 100k-n 148V-ot, míg a poti felső pontján 222V-ot eredményez. Mivel az EF86 katódján 150V van, a vezérlőrácsra ettől valamivel kisebb feszültséget kapcsolunk, ez a poti alsó állásának közelében jön létre, az osztó számítása nem túl szerencsés, jobb lenne az alsó tagnak 82k. Ha a kimeneti feszültség alacsony, akkor az EF rácsára is alacsony fesz kapcsolódik, ami a csövet zárásba vezérli. Ekkor a 330k-n keresztül akadálytalanul emelkedhet a PL rácsa + irányba, az EF ezt nem korlátozza. Mikor eléri a 400V-ot, akkor a kimenet beállított osztóján az EF rácsfeszültsége eléri a nyitáshoz szükséges értéket, akkor az "megterheli" a 330k-t, és csökkenti a PL rácsán a + (nyitó) feszültséget, addig, míg a feszültség már tovább nem emelkedik a kimeneten. Ha jól állítottuk be a potit, ez 400V környékén következik be. A kapcsolás tehát a kimenő jelből leosztott, és a stabilizátor által előállított referenciafeszültséget hasonítja össze (ez az EF vezérlőfeszültsége). A nagy erősítésű pentóda ezt vezérlőfeszültséggé alakítja a PL számára, amely változó belső ellenállásával mindig a beállított feszültséget szállítja a fogyasztó felé. A kimenetről a 100nF-os kondi a búgófeszültséget, esetleges zavarokat közvetlenül a rácsra csatolja, hogy az ellenfázisban, és felerősítve, kioltsa a kimeneten, ezáltal jobb zavarelnyomást biztosítva a kapcsolásnak.
Tehát akkor a kimeneti feszültséget az 50k-s potival lehet szabályozni bizonyos feszültségek közt?
Köszönöm a kimerítő vállasz Még nemtudom mikor de biztos meg fogom építeni csak nincs trafóm hozzá (350V-os van csak) Idézet: Tehát ugyan olyan csak teljesen más (szerintem PY8x ) „hosszú mint a pl504 de keskenyebb meg egy centivel rövidebb”
És még egy kérdés: Mivel ezt már nem tanítják így nem tudom hogy melyik ellenállás hány wattos a cikcakkos azthiszem 10 de a többit nem tudom.
Átnéztem megint az egészet. semmi hibát nem találtam. Kipróbáltam több csővel, de semmi. Csináltam elé egy előerősítőt ecc85-el, meg a végcsöveket kicseréltem ecl86-osra. Ahogy bekapcsoltam és megszólalt a zene a hangszóró elkezdett ki-be járkálni és el-elnémult a zene is.
Gondolom valahogy gerjed, de mitől? Az ecc 9-es lábát testre kötöttem, ahogy kell. Amúgy sima discman kimenetéről próbálom zenével, ami elég nagy jelet szolgáltat, de így is halk és a ha hangosabbra veszem torzít is. A mérésnél viszont laptopról néztem jelgenerátorral előállított szinuszhullámmal.
A Williamsonnal kapcsolatban lenne egy kérdésem. Vettem múlthéten ellenállásokat, de csak 0,5W-osak voltak. Kell valahova nagyobb teljesítményű is?
Akkor kb. felét tudom használni.
-Hát, nagyon sajnálom. A kapcsolás bombabiztos, el sem lehet rontani.
Ha a szerelésről tudnál betenni éles, kiértékelhető képet, előbbre juthatnánk talán, mert valahol csak van valami bibi, én is ugyanerről a rajzról építettem, és semmi gond nem volt vele (pontosabban a BEAG-os könvből, mindjárt összehasonlítom az alkatrészértékeket, mert mégsem egyforma a két rajz, az enyémről hiányzik egy ellenállás, ami persze kell bele, ezen meg rajt van ugyanaz).
Ezt miért mondod, mindenhova jó a fél wattos is, vagy nem ?
Mégis ugyanaz a rajz, erről is hiányzik az R23, az alsó pentóda rácsáról, gondolom betettél oda is egy 10 K-st, mint a felsőhöz.
|
Bejelentkezés
Hirdetés |


)... 

Gondolom valahogy gerjed, de mitől? Az ecc 9-es lábát testre kötöttem, ahogy kell. Amúgy sima discman kimenetéről próbálom zenével, ami elég nagy jelet szolgáltat, de így is halk és a ha hangosabbra veszem torzít is. A mérésnél viszont laptopról néztem jelgenerátorral előállított szinuszhullámmal. 
