Fórum témák
» Több friss téma |
Fórum » Csöves erősítő készítése
Ne feledd betartani a fórum viselkedési szabályait, és a topik megmaradásának feltételeit. [link]
A téma átmenetileg fagyasztva lett, hozzászólni nem tudsz!
DE! Most, hogy mondod. Mindig összekeverem ...
Meghívtam egy zenész barátomat, hogy végezzünk
egy vak tesztet /az illető nem vak, mielött még..../.Az alanyok:EL84PPP,JLH,EL84SE. Zene:Bach,Vivaldi,Shanghai chinese tradicional orchestra. Minden erősítő kb 1-2 wattos hangerőnél/mivel az SE kb ennyit tud max/ Az eredmény:JLH és EL84PPP nagyon hasonlóak. De az EL84SE-t különösen nagy terűnek ítélte. Úgy mondta, "hogy olyan mint ha ott lennék abban a teremben ahol a zene szól". Hmm....
Volt már, hogy nem abban voltam, és nem hallottam semmit.
Na, akkor mégiscsak kedvet kaptam az EL84SE-hez
. Lehet, hogy még gondolkodok rajta, mert megvan a 4 PL500 is, meg még a GU-50 jöhetne szóba, de ilyenem nincs, ezért az EL84, vagy a PL500PP, vagy PSE.
Hát irogathatok én...
Nem kell mégsem EL41? Csak neked kerestem elő, mert itt irkáltátok, hogy sehol nem lelni.
Nekem kerested elő? Azt hittem, hogy csak megnézni vetted elő. Abból nem lenne rossz a PP
. Dehát a 2 végfok még nem zárja ki egymást. A rádiók nem szólnak, amiről a múltkor beszélgettünk, hiába tettem másik csövet.
"Én soha nem hallottam OTL-t,de ngyzoli szerint nem valami fergeteges"
Ezt annyival egészíteném ki,h nekem ott és akkor,abban a berendezésben nem tetszett az OTL hangja a "trafós" géphez képest,viszont ehhez hozzá kell tenni,h az ellenfél nagyon "erős" volt...a 2A3-as az egyik legjobb hangú cső a palettán.Esetleg más környezetben/berendezésben jobban szerepelhetett volna,ezt nem vitatom.Tehát senkit nem beszélek le az OTL-építésről,ha van hozzá anyaga,tudása,ambíciója,stb,de műszakilag sztem valamivel keményebb dió.(én sem építettem ilyet soha)S végül:jelen álláspontom szerint a "klasszikus,csöves hangzást"jórészt,úgy kb.80%-ban épp a kimenőtrafó műveli! S ez nemcsak az én véleményem... (Hiroyasu Kondo "bácsi" pedig már tud valamit a csöves erősítőkről...)
A hangsugárzónak(általában)többe is kell kerülnie,mint bármelyik más komponensnek,mivel a legfontosabb"szem"a hangátviteli láncban,és az egész berendezés minőségét és karakterét DÖNTŐEN meghatározza.Egy gyatra hangdobozzal értelmetlenné válik bármiféle hasonlítgatás.
Ez szerintem is fontos. Érdekesség: osztálytársam együttesének énekese elektroszaki. Minden hangszerrel kapcsolatos dologban jártas (csöves végfokok, effektek). A lényeg, hogy haverom csöves végfokához régi TV-k ovál hangszóróit használták fel
. Elmondása szerint teljes a hangkép, szóval basszus is van rendesen. Szerintem érdekes, hogy guberálásból ezt is meg lehet úszni
Akkor jobb, ha én is a TV-ből bontott hangszórókkal hallgatom az erősítőt?
Azért én annyira nem vagyok megelégedve azokkal. Persze, szélessávúak, de azért egy háromutas hangfal jóval szebben tud szólni. Az ének, gitár hangsávjának valószínűleg megfelelnek, de agy timpani mélyeit nemnagyon tudják visszaadni, ugyanúgy mint a többi más hangszer felharmónikusait, vagy egyszerűen a csörgő magasait.
Akkor rákötöm a 3utasra.
Nem is azt akartam ezzel mondani, hogy pl. komolyzenére jók, de hangszerhez úgy tűnik kiváló! Vélemény szerint a régi német hangszóróitól is jobb.... Persze a hangzás szubjektív, én se hallottam.
Sziasztok,
Ha az ECH21 trióda részét elhasználom EBL21 előfoknak, a heptóda része alkalmas lehet varázsszem előfoknak? Mivel a heptóda rész anódjához legközelebb eső rács (gondolom fékező rács) búrán belűl közösítve van a triódával közös katóddal gondolom be sem lehetne kötni a heptódát triódának az egyszerűség kedvéért?!
Edgar is eltűnt, akárcsak a másik fórumról .. Mondjuk én sejtem miért ....
nekem is van pár, már én is gondolkodtam , hogy valami kis "gitárkombót" összedobok ... Az a baj, hogy mélyük bár tényleg van megfelelő dobozban, gitárhoz túl magasan van az felső "frekihatár", bár valami aluláteresztőszűrővel lehetne kísérletezni. Basszushoz viszont egyrészt kicsi a membránfelület, másrészt a lengő "lökete" (nem tudom mi a szakszerű kifejezés rá). Nem is hiszem, hogy valami "gyors" hangszórók lennének. Persze az egészet csak ilyen "sufnitunning" szinten, unaloműzőnek gondoltam anno
KÉT KÉRDÉS :
1. , A Pacsirta rádió hangszóróit ki ismeri? Milyen hangminőséget produkálnak? Érdemes lenne nekik egy kisebb Karlson ládát összetákolni ( persze low cost project lenne az egész ), vagy felejtős? (PD 256, 301-et szeretnék igazából .... ) 2. ,Loktál csövekből az ismert két kisjelű erősítőcsövön mik vannak még, amik beszerezhetők, és erősítőben meghajtó fokozatként felhazsnálhatóak?( Én csak az ECH, EF, EBL, és AZ csöveket ismerem, illetve ezeknek soros (univerzális) fűtésű változatatait ) Válaszokat előre is köszönöm!
Én csináltam el84-el végfokot, ecc 83 hajtotta. Marshall ládán nagyon szólt, de pacsirta hangszóró nem tetszett., Halkabb is volt jóval, én is kis kombót akartam kreálni belőle.
Szia CIROKL,
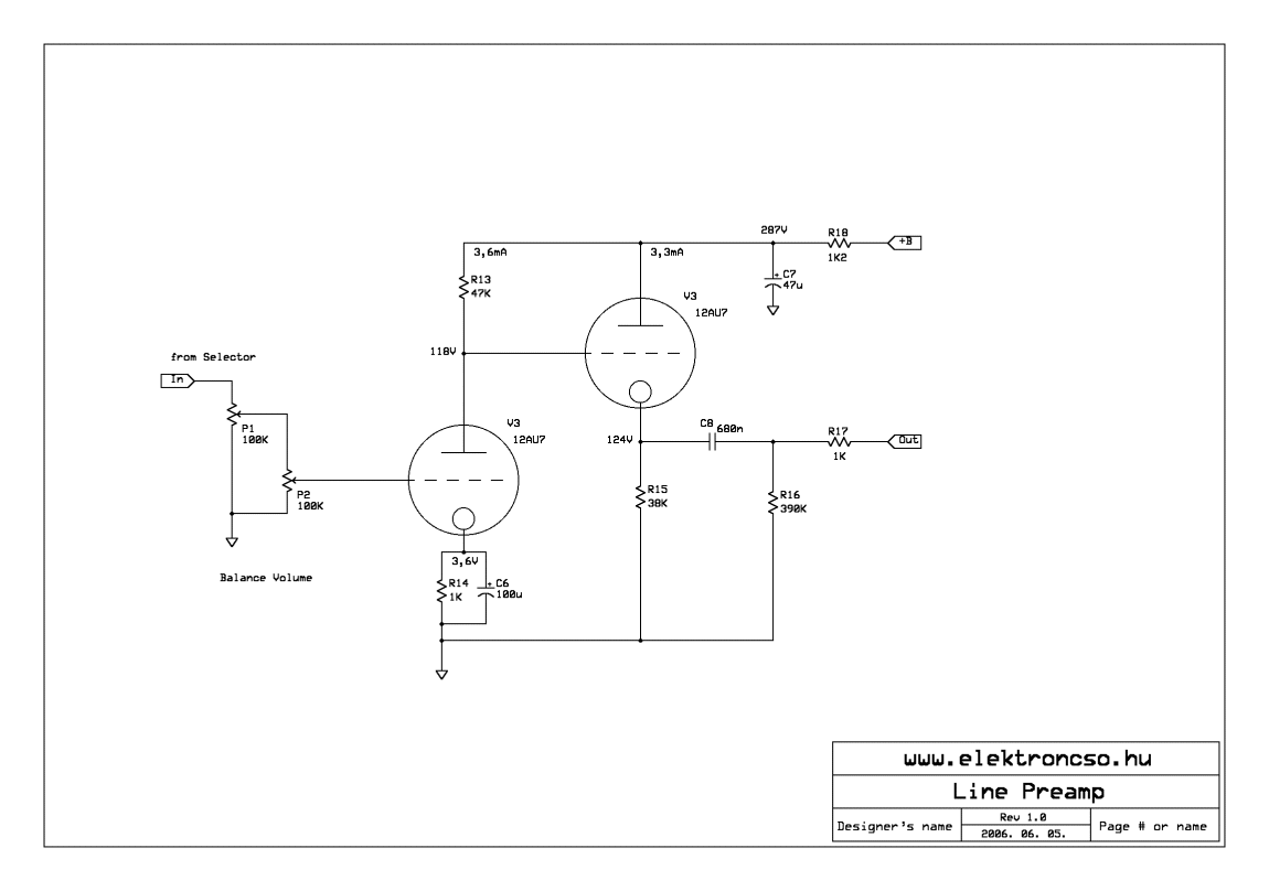
ezt találtam neked hamar kiderül a rajzról, hogy honnan A "nagyok" esetleg rápillanthatnak nehogy pórul járjál! Ja, a rajzon szereplő 12AU7 az ECC82 soros fűtésű verziója! Az ehez "járó" csöves táp 295V-ról járatja a kapcsolást!
inkább a hexódát pentódának kösd, g2-3-4 segéd-rácsnak kötve
Huu, nekem van sok PD256, nincs valami jo dobozterved hozza?
A 12AU7 az "egyazegyben" ECC82! egymással teljesen csereszabatosak, csak az ECC az európai megnevezés, a másik az amerikai
12AT7 = ECC81 12AU7 = ECC82 12AX7 = ECC83
Karlson az 1969-es, vagy 68-as RT-évkönyben, és az 1968 as RT évfolyamok valamelyik számában. Bocs, hogy most nem tudom jobban behatárolni, de nincsenek a kezem ügyében a könyvek.
Esetleg egy pártól nem válnál meg?
köszi! Gondolom az EBF21, az az EF22-re hasonlít, csak két demodulátor diodát is tartamaz, az UL21-gyel viszont nem tudok mit kezdeni a soros fűtés miatt (UBL21-em is van, de az marad tartaléknak a néprádióba, számomra nincs értelme annak, hogy ötvenakárhány volttal fűtsem.
|
Bejelentkezés
Hirdetés |


(Hiroyasu Kondo "bácsi" pedig már tud valamit a csöves erősítőkről...)

