Fórum témák

» Több friss téma
Fórum » Erősítő mindig és mindig
Mielőtt kérdezel, a következő két dolgot ellenőrizd! I. A helyes tápfeszültségek megléte. II. A kimeneten van-e egyenfeszültség. Élesztés.
Lapozás: OK   283 / 2566
(#) Flatlander válasza djyuri hozzászólására (») Ápr 20, 2009 /
 
Huhh 10amperes dolog......villanymotor van 380-as de 230-ról megy és így tud 2200w-ot szerintem ez több mint 10amper
(#) Dj TSM válasza honyike hozzászólására (») Ápr 20, 2009 /
 
Hát szerintem,ha a trafót nemszámolom akkor vagy 2500 forint körül.Bár igaz én eurórol számoltam át mert szlovákiábol vagyok.Nemsokminden kell hozzá.Csak egy nagy amperbirásu NPN tranzisztor,egy 13,5 voltos zener dióda,10 000 mikros kondenzátor a stabilizátor elé kb 50 voltra 45 voltos táp fesz esetén,meg egy-két ellenállásra.Megkeresem a bekötést és felteszem azt amit én is épitettem.
(#) honyike válasza Dj TSM hozzászólására (») Ápr 20, 2009 /
 
OK, köszi!

És ha találok 500VA-es, 12Volt-os toroid trafót? Az miben változtatja meg a dolgot?
(#) djyuri válasza honyike hozzászólására (») Ápr 20, 2009 /
 
Nah mint látod versenyképes a stabil táp is!

AMúgy nyugodtan linkelhető a vatera szerintem....de ha kiveszed a képet és azt csatolod az irományodhoz,az is jó...sőt...

Az a lényeg mid van készleten....és mit tudsz beszerezni...

mert,ha analóg (hagyományos) tápnál maradsz,akkor mindenképp le kell tekerned a trafóból....,hogy 14V DC-d legyen.

A stabil táp pedig attól függ milyen drága,hogy mennyi amperre akarod...szerintem 2-4 tranyó mindenképp kell,hisz egy autós erősítő megehet 30-40A-t is.....

Most már várjuk meg azt a kapcsolást
(#) shelby14 hozzászólása Ápr 20, 2009 /
 
Hello! Találtam itthon 2db tda7381 ic-t ill. 2db tda8571j ic-t. Szeretnék belőlük kisebb teljesítményű erősítőket csinálni, de viszont sajnos kapcsolási rajzom nincs hozzá, így nem tudom elkezdeni. Ezért szeretném, ha vmelyikőtök tudna nekem mellékelni egy dokumentumot, mely alapján elkezdhetem az építést. A hozzávalók listája is jó lenne, hogy mindent egyszerre meg tudjak venni. Az ic-k elvileg 12v betápot kapnak, mivel autóba való erősítő ic-k. Előbbinek teljesítménye 4x20w, utóbbinak 4x40w. Ha tudtok vmi biztatót küldeni, annak nagyon örülnék!
(#) Dj TSM válasza Dj TSM hozzászólására (») Ápr 20, 2009 /
 
No itt a rajz,kisérleteztem kétfélével is.Az elsö a legegyszerübb a zeneres megoldással.Amilyen zener feszültsége,olyan fesz lesz a kimeneten is,tehát én elöször alkalmaztam 13 voltosat de a tranzisztoron tapasztalni fogsz kis feszültség esést kb 0,7 voltot,tehát a kimeneten 12,3 volt lessz.Ez viszont nemprobléma ha nagyobb zenert teszel bele,nekem megfelelt a 13,5 voltos,igy majdnem 13 volt a kimenet,ez az autóerösitönek megfelel,mivel ettöl alacsonyabbra ugysem fog csökkenni.A kapcsolásban látható ellenálás 470 töl 560 ohmig választható,a kerámia kondik pedig 100nanofarradosak,az egyik elko pedig 10 000mikro,a másik pedig 2200mikros.Ez már rajtad is mulik milyet rakol oda,minél több annál jobb.A másik bekötés szinte ugyanaz csak ez nem zenerrel hanem stabilizátor ic vel.Itt a középsö lábát megemeltem egy 47 kiloohmos ellenálással,hogy ne 12 voltot hanem 13,5 voltot adjon.Az ellenálás növelésével lehet emelni a kimeneti feszt.Nagyabol ez minden,a többi ugyanaz mint az elsö bekötésnél
(#) Dj TSM válasza honyike hozzászólására (») Ápr 20, 2009 /
 
Szivesen,hát a teljesitménye elég lenne ám ugyis lessz feszültség esés a trafón,ez a rendes házi erösitöknél nemprobléma de az autóeositök nemszeretik,a bennük lévö védelem ki be fog kapcsolgatni ha jol megdöngeted,bár ha jó nagy puffer kondit teszel a tápágra akkor müködhet.
(#) Mayan hozzászólása Ápr 21, 2009 /
 
Hi! Tudtátok hogy az altmann byob és a vibavoice pocket erősítőkben tda1558 v. tda1554 van ( hi gain / lo gain verzió) ? Filléres ic, 750 eurós erősítő. A vibavoice csak 15 eFt. Ez utóbbiban az ic kimenetei és a hangfalcsatik közt egy-egy 0,22 ohmos ellenálló van, a bemeneti kondi pedig 2,2 mikrós smd. Én is megcsináltam már pár változatban és tényleg nagyon kellemes hangja van. Az altmann szerint "a legtranszparensebb hangú erősítő - legalábbis ezen a bolygón" ))
(#) Dj TSM válasza shelby14 hozzászólására (») Ápr 21, 2009 /
 
üdv,a neten megvan minden szügséges adat a két ic hez.Ittvannak az adatlapok,ezekben találsz nyáklap tervet is.
(#) honyike válasza Dj TSM hozzászólására (») Ápr 21, 2009 /
 
Mekkora kondenzátorra giondolsz?
(#) Dj TSM válasza honyike hozzászólására (») Ápr 21, 2009 /
 
Hát ahogy igy gondolkodtam,megéri próbálkozni több kissebb kapacitásu kondenzátor párhuzamos bekötésével.Például 4 darab 4700mikrofarradosra de nemmuszaj pont 4 et,lehet több is.Ennyi kondenzátornak eléggé felkellene töltödenie,ahoz hogy az erösitö kapcsolótápjában lévö védelem ne észlelje a feszültség ingadozást.De én amondó vagyok,hogy ha már van nagy trafód és az autóerösitöt tartósan akarod használni benti eositöként,akkor miért nem iktatod ki a kapcsolótápot és teszel oda egy rendes nagy szimetriku trafót,500wattos trafó szentem megtenné,bár nemtudom,milyen is az az erösitö amit igy szeretnél alkalmazni.
(#) honyike válasza Dj TSM hozzászólására (») Ápr 21, 2009 /
 
Egy RO hl-2.55 -ös erősítő lesz.

Akkor ez a 4 kondi elégnek kell hogy legyen rövid távon a 300wattos PCtáphoz?

Néztem egy nagy torroidot, 500VA, 12V ....

Ha tudnék szerezni egy ilyent, az jó lenne?
(#) honyike válasza honyike hozzászólására (») Ápr 21, 2009 /
 
Bocsi, elírtam az erősítő márkáját...

Egy Hellfire HL-2.55

Itt megtaláljátok...
(#) wir12 hozzászólása Ápr 21, 2009 /
 
Hali All!!

Nekem lenne egy olyan kérdésem hogy:Valaki feltudná-e rakni a 198x-es eletrós újságba lévő 120W-os tranyós erősítő kapcsolási rajzát aszthiszem BDX77-78-as Darlington párral van megcsinálva álítólag egyszerű és nagyszerű a vélaszt előre is köszönöm
(#) szamóca válasza wir12 hozzászólására (») Ápr 21, 2009 /
 
BDX 66-67 pár.
(#) wir12 válasza szamóca hozzászólására (») Ápr 21, 2009 /
 
Köszi szépen. És ezt hogy kell éleszteni? Nagyon kezdő vagyok.
(#) szamóca válasza wir12 hozzászólására (») Ápr 21, 2009 /
 
Nem lebeszélésképpen, de ha ez az első erősítő terved, akkor valami egyszerűbbet nézz. :yes:
(#) wir12 válasza szamóca hozzászólására (») Ápr 21, 2009 /
 
Ez csak az első Tranyós végfokom
(#) kokmate válasza wir12 hozzászólására (») Ápr 21, 2009 /
 
Szia
Ha egy egyszerűbb tranyóssal szeretnéd kezdeni akkor az 563. oldalon van egy elég egyszerű. Én is elég kezdő vagyok ezért kezdtem azzal
(#) Dj TSM válasza honyike hozzászólására (») Ápr 21, 2009 /
 
Szerintem megfelel neki ennyi,de mindenképpen trafóra használd mert a pc táp össz teljesitménye van számolva,maga a 12 voltos kimenet csak valami 90-100 watt körül van
(#) honyike válasza Dj TSM hozzászólására (») Ápr 21, 2009 /
 
Idézet:
„de mindenképpen trafóra használd mert a pc táp...”
ezt a részt nem teljesen értem. Azt akartad írni, hogy rövidtávon elég neki a PCtáp, hosszútávon viszont mindenképpen trafót szerezzek?

Az általad említett kondenzátorok mennyibe kerülnek?
(#) Dj TSM válasza honyike hozzászólására (») Ápr 22, 2009 /
 
Azt irtam,hogy mindenképpen trafóval használd aminek legyen legalább 500watt teljesitménye,azért mert a pc táp gyenge lessz hozzá,ugyanis ha van mondjuk 350wattos pc tápunk az az összes kimeneti teljesitmény egyben számolva,a 12 voltos kimenet legfeljebb 90 vagy 100watt körüli,ezt kilehet számolni a tápforrás oldalán feltüntetett kimenetenkénti amper értékek szerint.Hát a kondenzátorok ha 4 darab 4700 mikrofarrados kondenzátort használsz szerintem az ugy durván 1000forint lehet nálatok,ugyanis én szlovákiában lakom.De a neten meglehet nézni,én már lassan minden alkatrészt onnan rendelek.
(#) wir12 válasza szamóca hozzászólására (») Ápr 22, 2009 /
 
Hali és ez milyen erősítő? Mert találtam róla mindent
(#) bereczk.jans válasza wir12 hozzászólására (») Ápr 22, 2009 /
 
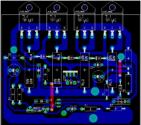
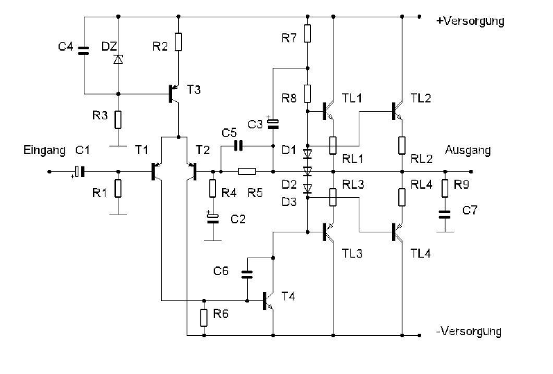
Z diódával stabilizált diff.er. bemeneti fokozata van. A meghajtó középső fokozat is szokásos. A nagyobb teljesítmény miatt a TIP tranzisztorok párhuzamosan vannak kapcsolva. Így első ránézésre probléma mentes jó erősítőnek tünik, de a puding próbája az evés. Nézz utána a TIP végtranzisztorok sima tranzisztorok vagy darlingtonok! Ha ez utóbbiak akkor vigyázni kell az élesztéssel mert könnyen tönkre mehetnek!
A teljesítménye 50 - 80 W lehet.
Megadnád az alkatrészek értékeit is, mert én is kiváncsi lettem?
(#) djgaby hozzászólása Ápr 23, 2009 /
 
Sziasztok.
Az lenne a kérdésem, hogy van egy 60w-os és 2db 40w-os hangfalam... házimozi szettből valók.
Csak nincs ami meghajtsa őket...
Amúgy mind3 hangfal 6ohm-os.
Szerintetek milyen erősítőt építsek hozzá, ami nem túl drága, de jó.
Előre is köszönöm a segítséget.
(#) mark.budai válasza djgaby hozzászólására (») Ápr 23, 2009 /
 
Szia!
TDA, STK, DoZ, JLH. Ezek közül a JLH, és a DoZ szól a legszebben. Minden rajzot, stb-t megtalálsz az oldalon!
(#) djgaby válasza mark.budai hozzászólására (») Ápr 23, 2009 /
 
köszi a gyors választ, utánnanézek.
(#) mark.budai válasza djgaby hozzászólására (») Ápr 23, 2009 /
 
Szívesen!
(#) patexati válasza djgaby hozzászólására (») Ápr 23, 2009 /
 
(#) Action2K válasza mark.budai hozzászólására (») Ápr 23, 2009 /
 
És a csövesek az smafu? Nem szép Tőled kihagyni azokat.
Következő: »»   283 / 2566
Bejelentkezés

Belépés

Hirdetés
XDT.hu
Az oldalon sütiket használunk a helyes működéshez. Bővebb információt az adatvédelmi szabályzatban olvashatsz. Megértettem