Fórum témák
» Több friss téma |
- Ez a felület kizárólag, az elektronikában kezdők kérdéseinek van fenntartva és nem elfelejtve, hogy hobbielektronika a fórumunk!
- Ami tehát azt jelenti, hogy a nagymama bevásárlását nem itt beszéljük meg, ill. ez nem üzenőfal! - Kerülendő az olyan kérdés, amit egy másik meglévő (több mint 17000 van), témában kellene kitárgyalni! - És végül büntetés terhe mellett kerülendő az MSN és egyéb szleng, a magyar helyesírás mellőzése, beleértve a mondateleji nagybetűket is!
Most megmondom..alul van írva, hogy alkatrészek mértékegysége (angolul) ellenállás: ohm. A rajzon meg egy 500-ast látsz=>500ohm
üdv!
Lehet hülyét kérdezek de hátha tudtok valamit mondani rá. Van egy kinézetre masszív trafóm azaz nagy vasmaggal kb2,5 ös húzallal tekerve. És olyat tud hogy 2x9v-2x15v-2x18v 1x19v és 1x25 1x93 1x145. És igazság szerint sok mindenre lehetne használni. Csak gyakorlatilag nekem erősítőbe kellene,amihez 2x40v körüli feszültség kellene. Én a trafó kivezetéseit sorbakötve nem tudnék elérni 40v hoz közeli értéket? és a +- os táp kell. Olyat hogy tekercselni nem szeretnék mert nincs huzalom,és venni keveset meg nem nagyon lehet. Apróhirdetésbe is fönt van ha esetleg valaki cserélne velem.
Helló nem vagyok egy nagy mester de szerintem ha a 93 voltot szétszeded valahol ott kötsz ki amire +- szükséged lenne.
Hello!
Ez attól függ, tényleg az van-e rajta, amit leírtál.. Mert ha az 1x25V-hoz hozzá adod a 2x9V egyik felét, akkor 25+9=34V lesz. Ugyan így a 1x19V-hoz a 2x15 egyik felét, 19+15=34V és az szintén akkora lesz. így már használhatod, mert ez egyenfeszültségben kb. +- 44V-ot fog adni. Feltétele a dolognak, hogy a tekercsek tényleg egyforma huzalvastagsággal vannak tekerve. üdv! proli007
Igen az van rajta lemértem műszerrel. a huzal keresztmetszetek szemre ugyanolyanok. mert a tekercseket nem akarom szétfejteni,de ha oldalról bele nézek úgy nem látszik különbség.
Azért a biztonság kedvért még egyszer leméregetem mielőtt sorba kötném. Ha sikerül akkor már a tda7294 féle erősítőhöz megvan a puffer,a táp,meg a doboz. Így már talán érdemes megépítenem. Azaz megrendelnem a kitet
Hello!
- Ja, azt elfelejtettem írni, hogy fázishelyesen kell összeadni a feszültséget. Tehát ha nő (összeadódik) akkor oké, ha meg csökken (kivonódik), akkor meg kell fordítani valamelyik tekercs kivezetését. (persze lehet ezt tudtad) - Sorba kötni mindenképpen lehet, csak a legvékonyabb drótnak megfelelően lehet terhelni. - Sok szekunder feszültség azért általában nem jó előjel, mert a trafó úgy tekerik általában, hogy a szekunder terhelések összege adja a maximális teljesítményét. (Tehát ha a trafó mondjuk 200VA-es, akkor biztos hogy három szekunder nem úgy van tekerve, hogy akármelyiken levehető a 200VA) Persze vannak extrém esetek is, de ahhoz általában kiugróan nagy ablak keresztmetszetű trafót használnak, mert az általánosan használt vasakra ilyen tekercsek nem férnek rá. üdv! proli007
öhhm..hát nem tudtam hogy kivonódik ha fordítva van a fázis... de elcsodálkoztam volna mikor nem 34 et mutat a multiméter
egyébként freccsentő gépnek volt a betápja a Samsungba valamikor,de kibugáztam a kidobott gépből, egyébként elég nagy vasmagja van: méretei:b=45mm d=65mm c=79mm a=22mm egy program szerint 80w ot tud. amit majdnem elhittem még a 4x80w os erősítőm trafóját meg nem néztem hasonlítás kép és az a fele se volt méretbe és nem kapcs üzemű. Na összekötözgetem amit leírtál és imádkozok egyet.
Sziasztok!
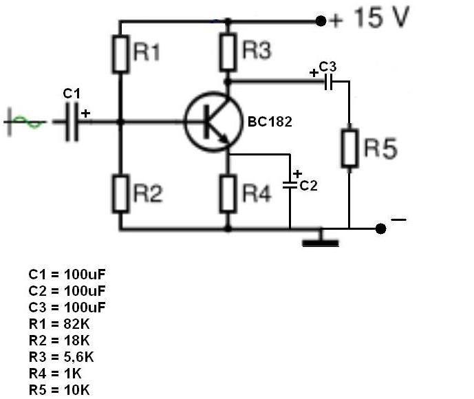
Beszeretnék gerjeszteni a csatolt kapcsolást. Valaki tudna segíteni? Köszönöm
Hello!
Egy olyan kérdéssel fordulok hozzátok hogy pl egy trafót szeretnék 555 ic-vel meghajtani, aztán a trafóval egy kondenzátort feltölteni (fényképezőgép vaku nagyjából ha így könyebb). Az a kérdésem hogy 50%-os kitöltési tényezővel, X Hz-es járatással a trafó ugyanúgy működne mintha csak pl X Hz-es 1%-os kitöltéssel, tűimpulzusokkal járatnám. A hatás ugyaz lenne? Mert fogyasztás szempontjából nem mindegy szerintem. Azért kérdezem mert ugyse szinusz váltóval menne s akkor már a trafók az egyent nem szeretik úgy sem ezért elvégre csak a frekvencia számítana? Nemtudom értitek-e mire gondolok. Magyarul ha egy trafót lüktető egyenárammal hajtok meg akkor csak a frekvencia számit vagy a kitöltséi tényező is? Köszönöm előre is.
Üdv!
Egy hőérzékelőt szeretnék rákötni eg SiemensLogo vezérlőre. A vezérlő 12V egyenfeszültségről üzemel. Az analóg bemeneten 0-10V -ot tud fogadni. Az érzékelő 0 C fokon 27,28K. 20 C fokon 12,09 KOhm. A méréstartománya -30 -tól +100 fok. Hogyan lehet ezt összehozni egyszerűen?
Tiszteletem! Kissé össze vagyok zavarodva, ugyanis olvastam valami rádiótechnikai szakkönyvet, amelyben azt írta, hogy a töltések a pozitív saroktól a negatív sarok fele vándorolnak. Eddig rendben, de egy másik szakkönyvben azt írta, hogy a töltések a negatív saroktól vándorolnak a pozitív fele.
Melyik a valós állítás?
Az elektron ami a negatív töltés, a negatív "sarokból" vándorol a pozitívba.
De az elektronikában inkább úgy fogjuk fel hogy a pozitív oldalról folyik az áram a negatívba.
Régen azt hitték hogy a + tól a - felé mennek.De később rájöttek hogy pont fordítva.A régi megállapítás lett a technikai áramirány az új a fizikai.
Aha... Köszönöm mindkettőtök felvilágosítását! :kalap:
Ha szabályos színuszt használsz, akkor abban csak az alapfrekvencia van.
A négyszög torzított színusz, megjelennek a felharmonikusok. 50 %-osnál sokkal kevesebb van, mint 1%-os kitöltésűnél. Azaz máshogyan kell(ene) méretezni az áramkört.
Hello!
Azt sajnos nem írtam, hogy a 4017-et szinkronizálni kellene, mert különben nem tudod, melyik oszlopba írsz ki. Tehát érdemes lenne a 4017 törlés bemenetét mondjuk a port Strobe lábára kötni. De más módszerrel is meg lehet oldani, pld. ha az órajel hosszabb, egy időnél (vagy kimarad), akkor törli a számlálót... üdv! proli007
A strobe kimenet negált ugye?Mert akkor oda is kell egy inverter.
Szerintem vagy a relé vagy az őt meghajtó tranyó hibás vagy ennek a bázisellenállása szakadt.
Van olyan alkatrész amivel hőmérséklet különbséget lehet mérni? Arra gondolok, hogy két különböző helyre elhelyezve feszültségben meghatározva szeretném a két helység különbségét megkapni.
Vagyis olyan ellenállás vagy bármi ami nagyon érzékeny a hőre, de nem kerül sokba és nem bonyolult. Nincs szükségem arra, hogy hány fok van csak arra, hogy melyik helységben van hidegebb. Az adatot AVR kapja természetesen :yes:
Köszi szépen, megfogom akkor ezeket nézni! Kár lenne kidobni a monitort, érintőképernyős
Két hőelem sorba kötve különbséget mutatna, csak egyáltalán nem érzékeny. Kompenzációs vezeték is kellene hozzá, különben mindig nulla különbséget mutatna. Ahhoz, hogy használható is legyen, a néhány mV-os jelet erősíteni kellene.
Hőelemnek jó lenne a gáztűzhelyek égésbiztosító hőeleme is, az aránylag olcsó.
Sziasztok!
Szereztem egy csomó trafót, és nem tudom eldönteni, hogy melyik a primer, és melyik a szekunder oldala. Esetleg valaki tudna segíteni ebben? Valamint találtam olyat is, aminek több be/kimenete van mint 4. Válaszotokat előre is köszi! Így azért kultúráltabb a kifejezés! Frankye
Itt a megoldás, én is jártam hasonló cipőben: Bővebben: Link
Hello!
Rajzoltam neked egyet. Kb. valahogy így lehet megoldani. Úgy gondolom, hogy neked egy 10kohm-os NTC ellenállásod van. Ennek hőegyütthatója kb. 3,3..3,6%/fokC. Tekintve, hogy az ellenállás változása %-os, a görbe nem lineáris, hanem közelítőleg hiperbola jellegű. Ehhez legjobban egy feszültségosztó alsó tagjának változása felel meg, 1/x függvénye miatt. Így "közel lineáris" átalakítás nyerhető. Persze ez nagy tartományban nem igaz. A szimulátorban +-15V tápfeszültséget adtam neki, de ebben un. féltápfeszes IC-k nincsenek. De lehet, hogy CA3140-el azért korlátozott pontossággal működni fog, 0/12V-ról is. Az áramkörhöz +5V-os referencia szükséges. Egy NTC ellenállással azért nem lehet nyulat lőni, azt tudni kell. A görbe meredekségét R5 ellenállással, eltolását, pedig P1 potival lehet állítani. A poti, most kb. 62%-on áll, de természetesen be lehet szűkíteni az állítási tartományát egy-egy alá-fölé helyezett ellenállással, hogy ne durván szabályozzon. üdv! proli007
Nemigazán értem
Légyszives picit fejtsd ki jobban "konyhanyelven" vagy hanem akkor az én esetemben mi a kérdésemre a legcélszerűbb, számomra is érthető válasz, vagyis mind egy hogy ugyanazzal a frekvenciával lüktető egyenárammal 50% vagy 1%-os kitöltésű tényezővel kapja az áramot? Mi a számomra is kézzelfogható különbség a 2 között, eredmény? Köszi.
Hello!
A Strobe akkor negált, ha a párhuzamos vezérlő használja (pld. LPT esetén). Lévén, hogy a vezérlő vonalak általában negáltak, a jobb zavarvédelem miatt. De Te az IC belső regiszterét oda állítod ahova akarod.. Tekintve, hogy nem szabványosan használod. üdv! proli007
Ellenállás mérővel is kimérheted a dolgokat, a primer nagyobb mint a szekunder, ez nagyjából arányos a trafó méretezésével. Pl mérsz egy olyat hogy 100Ohm és 10Ohm, ekkor ha a primerre 220V kapcsolsz akkor a szekunderen 22V jön ki körülbelül.
Nem írtad hogy mit szándékozol a trafóval tenni ezért csak mondom hogy nem minden trafó van hálózatra tervezve pl sorkimenők, kapcsolóüzemű trafók. Szóval csak körültekintéssel! |
Bejelentkezés
Hirdetés |





Melyik a valós állítás?


Légyszives picit fejtsd ki jobban "konyhanyelven" vagy hanem akkor az én esetemben mi a kérdésemre a legcélszerűbb, számomra is érthető válasz, vagyis mind egy hogy ugyanazzal a frekvenciával lüktető egyenárammal 50% vagy 1%-os kitöltésű tényezővel kapja az áramot? Mi a számomra is kézzelfogható különbség a 2 között, eredmény? Köszi. 




