Fórum témák
» Több friss téma |
Fórum » Csöves erősítő készítése
Ne feledd betartani a fórum viselkedési szabályait, és a topik megmaradásának feltételeit. [link]
A téma átmenetileg fagyasztva lett, hozzászólni nem tudsz!
Üdv! Jól emlékszel,én tervezem a hálózati trafót tőlük rendelni. Nincs semmi infóm velük kapcsolatban,de majd irok mert a napokban tervezem a rendelést.
Háát te egy nap elteltével már be is drótoztad a belét az igen még rajtam is túl teszel !
Hát ha holnap szerencsém lesz akkor el is indítom, remélem minél kevesebb füstjellel
Nem találtam semmi adatot a 6Э6П-E -ről .
Ha valóban hasonló pararaméterekkel rendelkezik , akkor meg lehetne próbálni . Generátor helyett jó CD-ről az 1KHz , sajnos a szimmetrikus vágást nem tudod beállítani .
Ezt találtam erről a csőről.
Az általad ajánlott rajzon is szerepel (igaz ott a sima 6Э6П) figyelmeztetve az eltérő lábbekötésre. A Rotelnek külön van szabályozható előerősítő kimenete, amiről a mérő CD 1KHz 0dB-s jelére 7 Veff-ig torzítatlan színuszt kapok, 8Veff körül már vág. Ennek a töredéke is elég lehet a cső túlvezérlési határának vizsgálatához. De talán mindjárt kiderül...
Épített már valaki ECL86-tal erősítőt?
Találtam egy érdekes kapcsolást
ECL-PCL mindegy. Érdekes, ennél a csőtípusnál nem láttam még katódellenállás nélküli alkalmazást. Elég csúcson járhat a cső.
Szerk: Most látom, 35mA-t ír. Fura.
Sziasztok, ujfent kellene egy kis segítség, sajnos még mindig búg a 807-esem, de ez nem brumm, nem zavar, szerintem, mértem a tápfeszt, ahogy bekapcsolom, az erősítőt, szépen felmegy 370V-ra, majd elkezd búgni és ezzel együtt leesik a feszültség is, kb 340V ra, tettem be C-R-C tagot, ahogy sturbi javasolta, de igazából a +elkó segített egy picit, jelenleg összesen 370µF van rajta és egy 1 ohmost ellenállás, ja és még az is segített hogy a katód ellenállást megnöveltem 150ohm ról 470 ohm ra, de még mindíg búg nagyon, ha a bemenet lóg akkor brummost is, egyenlőre a bemeneten van egy 5k földre huzva, így nincs brumm, csak a búgás, nem lehet hogy kevés a tápfesz, és a terhelésre leesik a fesz és ezért búg?
Köszönök minden építő jellegű javaslatot előre is. Üdv: Doncso
Lacikám, ennek külön kis negatív tápja van, onnan a fix előfesz. Ilyen kis csőnél ez tényleg nem szokványos.
Idézet: „Nagy csalódásomban, hogy nem kaptam 6C33C-t a börzén,” Biznisz?
Ezzel megegyező (90%) kapcsolást én és CIROKL is megépítettünk . Még nem hallgattam , hangját nem ismerem .
Én is használtam /nagyonannó/ negatív rácselőfeszültséggel /mint itt/ , akkor feljebb lehet menni a tápfesszel! És persze nem kell veszteséget termelő Katódellenállás!
Ez így igaz nálam már egy pár hete üzemel , nekem nagyon tetszik a hangzásvilága is ennek a kapcsolásnak ! És ami a lényeg pont a kapcsolás mivolta miatt építettem meg?
Ha van ilyen csöved , próbáld ki .
Sajnos bekötésük eltérő . 7 V már bőven elegendő lesz , akkor jöhet a próba .
Katódellenálláson mekkora feszültség mérhető ?
"jelenleg összesen 370µF van rajta és egy 1 Ωost ellenállás" Ezt hogyan van megvalósítva és miért így ?
Elöbb ezt a csövet találtam meg a börzén, ezért ebből is vettem kettőt.
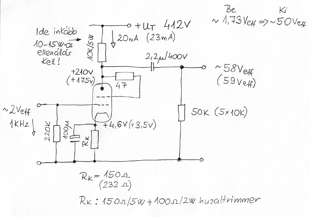
Részben sikerült a próba, a rajzon a mért értékek. A túlvezérlés határán a szimmetrikus vágást mégsem tudtam beállítani, mert a szkópon 20V/DIV a legnagyobb állás, a képernyőn még éppen elférő kb. 58Veff-nél vidáman "mosolygott" a szinusz. Osztós mérőfejem nem volt, hajnali 1 -kor meg már nem volt erőm 1/10-es feszültségosztót csinálni hozzá. Ma este Tarokk, ezért nem tudom megmérni, talán majd holnap. Ezek alapján állíthatjuk, hogy megtaláltuk az ideális meghajtó csövet? (Kérdés persze, milyen lehet a hangja.)
A katlógus szerint akár 250V-ról is működik, csak nagyobb anódárammal, ezért nem hiszem, hogy a feszültség alacsony lenne. Tetróda üzemmódban 350V körül 50mA körüli áramot ír. Az 1 ohmot nem értem, azon nem is esik feszültség, így nincs is hatása a brumira. Nálam az áteresztő tranzisztorok után is csak 300 ohm és 220 µF-on lett érezhető a javulás, pedig 67mA csordogál át rajta.
Ez nagyon biztató , 400V feletti tápnál , kipróbálhatnád kicsit nagyobb ellenállással az anódban . A 100u-t a katódban megnövelném , akár 470-1000u-ig is .
Szerintem így triódába kötve nem lehet rossz hangja . Meg lehetne próbálni egy katódkövetővel kiegészíteni . Az csökkentené a 6E5P terhelését , de 0,7-0,8 szoros erősítése miatt lenne némi hasznos jel csökkenés , bár a terhelés csökkenése miatt ott meg kis kimenőszint növekedés is jelentkezne , nagy veszteséget nem okozna . Biztos más hangja lenne , de nem garantáltan jobb.
Sziasztok!
Vásároltam pár csövet,gondoltam megosztom veletek a kapcsolatot hiszen segitünk egymáson..sok darab van,,ami kellett már lefoglaltam...Vigyétek vegyétek van lista is ill email..(puskapor@freemail.hu)(nem tudtam az email cimet a helyére tenni ezért elnézésetek kérem) További kellemes időtöltést mindenkinek.
Hi-Hi. Ez csak a maradék, a javát már egy hónapja kiválogattam, 50-200 Ft / darabért. No meg sok-sok kimenőtrafót is (EL34-hez, PCL86-hoz) 500Ft/db áron.
Igen tudok róla :yes: mert amit szerettem volna már nem volt,,igazán csak pár darabot pecáztam ki..Gondoltam bedobom ide hogy kifosszák a fórumtársak
CHZ :
Megmérem a katód ellenálást, és írok, az egész cucc fogyasztása 80mA nyugalmi (egy oldal), ezt mértem eddig, a 370µF úgy néz ki hogy AZ4, majd 50uF, 1ohm, majd 220µF és 100uF. Müszi javasolta, hogy az első elkó után tegyek ellenállást, majd utánna mehet több puffer. Köbzoli: Megmérem mennyi az adódáram és írok. Ipcollector: Az egy ohmot csak megpróbáltam, tudod csöviben abszolut nem vagyok otthon, a másik, hogy szerintem más kapcsolásról beszélhetünk, mert nekem nincsenek áteresztő tranzisztorok, müszi GU-50 es kapcsolása alapján épül, lehet hogy változtatni kellene egy két értéket a 807-hez? Üdv.
De hát a GU-50 pentóda és általában triódának kötve használják. A G807 meg tetróda és triódába kötve SE-nek nem igazán használható a magas torzítása és a kis teljesítménye miatt. Ezért javasolta nekem is Sturbi a tetróda üzemmódot, és beváltotta a hozzá fűzött reményeket.
Az áteresztő tranzisztor hasonló feladatot lát el mint egy fojtó (csak nekem azom nem volt). Ezzel csak azt jeleztem, hogy ekkora szűrés után még mindig igényelt egy komolyabb RC tagot, hogy eltünjön a brumi.
Na látod máris okosabb lettem, mit kellene módosítanom ehhez a tetróda üzemmódhoz? Vagy ez egy teljesen más kapcsolás akkor? Most egy az egyben EZ alapján van összerakva. Annyiban más hogy növeltem a katód ellenállást a 807-nek illetve ECC83-van benne, és párhuzamosan kötöttem be Müszi javaslatára.
Jaj bocsánat, nem az a kapcsolás, az a PCL, most vettem észre, nem találom a GU rajzot.
Ez volt az utolsó verzió, de még szeretném megpróbálni Sturbi "szabadalmát" a bedobozolás elött
A rajz
Ezzel is szemezgettem, csak ehhez nem voltak itthon alkatrészeim, ezért is álltam neki annak ami mopst van éppen. Meglátjuk mit tudok kihozni belőle. Megcsinálom a méréseket.
Az 1 ohm az "nudlimókus", 47 ohmot tegyél oda.
![]() A 807-es nem jó triódás kötésben, ha úgy van, át kell alakítani.
A meghajtás biztosan átalakítható a Te csöveidre is, majd megírják a Mesterek hogyan.
A lényeg véleményem szerint a végcső tetróda beállításában rejlik.
A 6Э6П tökéletesen megfelelő ebben a beállításban (akárcsak a 6Э5П). A katódellenállását érdemes a 6C33C negatív előfeszét előállító körre kötni (annyival nagyobb lesz a tápfesze), sokkal könnyebben kivezérli azt. 10 K-nál nagyobb munkaellenállás nem kell, és 15-20 mA közötti nyugalmi áramot érdemes beállítani.
A hangjával biztosan nem lesz gond. |
Bejelentkezés
Hirdetés |




(Kérdés persze, milyen lehet a hangja.) 
