Fórum témák

» Több friss téma
Fórum » Erősítő mindig és mindig
Mielőtt kérdezel, a következő két dolgot ellenőrizd! I. A helyes tápfeszültségek megléte. II. A kimeneten van-e egyenfeszültség. Élesztés.
Lapozás: OK   298 / 2566
(#) Bassmester válasza hapro hozzászólására (») Máj 20, 2009 /
 
Köszi ...igyekeztem
(#) Mayan hozzászólása Máj 20, 2009 /
 
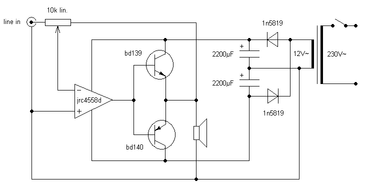
És íme a legújabb és legjobb shaman, a monoblock ! Próbálgattam sokféle opamp-ot, a jrc4558d -nek van a legszebb hangja ebben a kapcsolásban, nagyon szépen szól, a sztereó tér is kitűnő. Régi cd-lejátszóból termeltem ki... Nyugalmi áram 0, melegedés szobahangerőn 0, pedig még hűtőborda sincs a tranyókon, és komolyan nem hallható semmilyen torzítás, tudom ezt páran nem hiszik el. Teljesen dc-csatolt, nincs kondi a jel útjában és ez hallatszik is. Nagyon finom, nyílt hangja van. Ja és a potival soha nem volt semmilyen probléma, nem szakadt fel a visszacsatoló hurok egy pillanatra sem. Ha valaki akar egy igazán különleges kis erősítőt akkor maximálisan ajánlom, nekem nagyon bevált.
(#) varttina válasza Mayan hozzászólására (») Máj 20, 2009 /
 
Idézet:
„Nyugalmi áram 0, melegedés szobahangerőn 0”
Nagyon jó, energiatakarékos megoldás. Akár elemről, vagy akkumlátorról is sokáig működhet.
(#) Mayan válasza varttina hozzászólására (») Máj 20, 2009 /
 
Ja tényleg, és mivel nincs nyugalmi áram, nem is használok hozzá be/ki kapcsolót, mert ha nincs bemenő jel akkor nem ad ki semmi hangot, síri csend van. A kis opamp meg eszik vagy 4mA-t max...
(#) mhatalyak válasza Mayan hozzászólására (») Máj 20, 2009 /
 
Hello! Nagyon tetszik ez a kapcsolás! Szeretném megépíteni szerintem ma neki is látok, és azt szeretném kérdezni hogy ez hány ohm os és hány wattos?
(#) varttina válasza mhatalyak hozzászólására (») Máj 20, 2009 /
 
Kb. 2x16V tápfeszültséggel számolva, az IC max 14V-os kimenőjelet produkál. A tranzisztorokon esik még 1V, így a kimenő jel maximális csúcsértéke 13V körül lesz. 13^2/(2*8)~10. Szerintem 10W-ot ki tudsz csalni belőle 8 ohmon, viszont akkor már hűtened kell a tranzisztorokat.
(#) Mayan válasza mhatalyak hozzászólására (») Máj 20, 2009 /
 
Nem tudom mennyit lehet belőle kihozni, én csak kis teljesítményre csináltam meg, kicsi trafóval. De talán ha a tápfesszel felmegyünk a maxra amit elbír az opamp (+-18V) és a táp is bírja akkor talán 10-20w közt ? Nekem kb. 2*2W-os van. Vagy azt is lehet hogy külön tápot adsz az ic-nek, és akkor lehet nagyobb fesz a tranyóknak. Ja meg persze nagyobb tranyók kellenek akkor. Harry Lythall az oldalán +-20 volttal 20 wattot ír erre a kapcsolásra. A terhelésre totál érzéketlen szerintem, a jellege miatt. Bármilyen hangszórót meghajt.

http://web.telia.com/~u85920178/begin/opamp00.htm
(#) uli válasza Mayan hozzászólására (») Máj 20, 2009 /
 
No pontosan ez az az erősítő amire ránéztem, és első gondolatom az volt, vajon ez mit akar? Eddig nem építettem meg, mert valahogy nem vitt rá a lélek, túlzottan egyszerűnek tűnik. De most, hogy Te már megtetted... lehet nekifogok. Kíváncsi leszek rá.,..
(#) magitor hozzászólása Máj 20, 2009 /
 
Hali urak, lenne egy kérdésem, tudna nekem e adni ehez a kapcsoláshoz egy tápfesz tervrajzot? az tda2003 massal van meghajtva ez a monoblokk, viszont úgy kellene hogy 2 blokkot hajtanék mert ugye úgy stereo . Az adatok ott vannak. már megépítettem működik csak nincs megfelelő tápom hozzá és elég kezdő vagyok erőlködő építésben és abetáp részét abszolút nem ismerem.
(#) Imi65 válasza Mayan hozzászólására (») Máj 20, 2009 /
 
Idézet:
„Vagy azt is lehet hogy külön tápot adsz az ic-nek, és akkor lehet nagyobb fesz a tranyóknak.”

Ez itt nem járható út a teljesítménynövelésre.
(#) Mayan válasza Imi65 hozzászólására (») Máj 20, 2009 /
 
Na akkor jó hogy ilyen verziót nem építettem...
(#) Mayan válasza uli hozzászólására (») Máj 20, 2009 /
 
Én eddig 3 példányt csináltam ebből, mind jól működik. Az első már legalább 1 éve volt...
(#) uli válasza Mayan hozzászólására (») Máj 20, 2009 /
 
A 10k-s potival a hangerőt szabályozzuk?
(#) Mayan válasza uli hozzászólására (») Máj 20, 2009 /
 
Persze, és ez egyúttal az ic erősítése is, ennek vannak előnyei.
(#) CHZ válasza Mayan hozzászólására (») Máj 20, 2009 /
 
Hátránya is sok van .
(#) szamóca válasza uli hozzászólására (») Máj 20, 2009 /
 
P1 (feszültségosztóként)változtatásával tulajdonképpen a kimeneti feszültséget (Au=feszültségerősítési tényező) változtatjuk itt invertáló kapcsolásban R2/R1 szerint. R2 alatt a kimenetről a csuszkáig, míg R1 a csuszka-bemeneti pályaszakasz értendő. A nem épp elegáns (inkább minimalista)megoldással, spórolhatsz két ellenállást.
(#) CHZ válasza szamóca hozzászólására (») Máj 20, 2009 /
 
Igazad van , csak tenném hozzá , hogy ezzel a bemeneti impedancia is folyamatosan változik , egyéb hátrányok mellett.
(#) szamóca válasza CHZ hozzászólására (») Máj 20, 2009 /
 
Én nem is mondtam hogy nem.
(#) DJ Szabcsa válasza Mayan hozzászólására (») Máj 20, 2009 /
 
Csináltam egy nyáktervet a kapcsoláshoz. Nem vagyok egy nyáktervező zseni. Légyszi átnéznéd hogy jó e? Vagy, ha neked van egyszerűbb feltennéd? Sprint Layout 5-tel készült.

nyak.LAY
    
(#) uli válasza szamóca hozzászólására (») Máj 20, 2009 /
 
Két milyen fix ellenállással helyettesíthetném, hogy a bemeneti imp és az erősítési tényező is jó legyen?
(#) Mayan válasza DJ Szabcsa hozzászólására (») Máj 20, 2009 /
 
Én még sosem csináltam nyákot Meg ilyen programom sincs... szóval megnézni sem tudom... de olyan egyszerű hogy nem feltétlenül kell ehhez nyák... pl. én perforált próbapanelt használok többnyire. Vagy légszerelést.
(#) Mayan válasza uli hozzászólására (») Máj 20, 2009 /
 
Pl. 1k és 10k... a kisebb a bemenet felé.
(#) CHZ válasza DJ Szabcsa hozzászólására (») Máj 20, 2009 /
 
Kicsit alakítottam rajta , talán egyszerűbb .
Ha 1x 12V van a trafón akkor az AC pont összekötve .

AMP.LAY
    
(#) szamóca válasza uli hozzászólására (») Máj 20, 2009 /
 
Pl így.

1v.JPG
    
(#) DJ Szabcsa válasza CHZ hozzászólására (») Máj 20, 2009 /
 
Uhhh, köszi Csöppet egyszerűbb és szebb lett mint amit én csináltam
(#) Mayan válasza CHZ hozzászólására (») Máj 20, 2009 /
 
Letöltöttem viewert ehhez a formátumhoz és megnéztem őket. Az elsőn több hiba is van... A másodikon nem értem a tápot. Nem jó így szerintem.
Ja meg amúgy jobb sztereóban csinálni mert az ic alapból dupla. Tehát csak egy ic kell a sztereóhoz.
(#) Mayan válasza szamóca hozzászólására (») Máj 20, 2009 /
 
Fujjj, ez már egyáltalán nem shaman-os...
(#) CHZ válasza Mayan hozzászólására (») Máj 20, 2009 /
 
A trafó csatlakoztatása 2x 12V AC-ra is jó + a G jelű csatlakoztatási pont . , de ha csak 1x 12V AC , akkor az AC csat. pontok összekötve és szintén G pont a másik ...
Persze sztereóban is megcsinálható , de én csak
egyszerűsítettem DJ Szabcsa munkáját .
(#) Mayan válasza CHZ hozzászólására (») Máj 20, 2009 /
 
Jaaa, akkor értem. És akkor jó is
(#) CHZ válasza Mayan hozzászólására (») Máj 20, 2009 /
 
Egyszeri 12V AC esetén , akkor így .

AMP.LAY
    
Következő: »»   298 / 2566
Bejelentkezés

Belépés

Hirdetés
XDT.hu
Az oldalon sütiket használunk a helyes működéshez. Bővebb információt az adatvédelmi szabályzatban olvashatsz. Megértettem