Fórum témák

» Több friss téma
Fórum » Wand Clock
 
Témaindító: zoly15, idő: Okt 29, 2008
Lapozás: OK   28 / 67
(#) janocsi válasza janocsi hozzászólására (») Máj 19, 2009 /
 
Sziasztok!
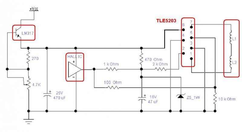
Egy szintillesztési gondom merült fel a TLE5203 FET-es H-hid alkalmazásánál:
L - L szint = előre (clockvise)
H - L szint = hátra (counter clockvise)
Itt az a gondom, hogy a vezérlő Hall IC- ből, csak (L H), és (H L) logikai szint vehető le most. Az első (L H) szintet (L L) szintre kellene módosítani egy szintillesztő áramkörrel, (vagy csak egy tranzisztorral?), ha alkalmazni szeretném a TLE5203 IC-t továbbra is. Lehet hogy egy teljes illesztő áramkört igényel az alkalmazás?
Ebben kérnék segítséget egy minél egyszerübb megoldással. Sziasztok.
(#) janocsi válasza janocsi hozzászólására (») Máj 19, 2009 /
 
Sziasztok!
Egy kis "értelmezési" zavar után, borzasztóan egyszerü megoldás született. Az egyik, (In1) bemenetet GND-re tettem, és már megy is a TLE5203 IC minkét írányú vezérléssel. Az In2 már csak a Hall IC egyik kimenetéről kapja a szükséges vezérlést. Ezzel a probléma meg is oldódott, alkalmazható ez a H-hidas IC is a tekercsek meghajtásához. Sziasztok.
(#) janocsi válasza Hp41C hozzászólására (») Máj 19, 2009 /
 
Szia Hp41C!
Sikerült egy újabb LED levezetést megoldani. A kar, rugólemez és a mágnes összekötő elemére egy 10 pólusú, (2*5 tüskesor), csatlakozót szereltem oldalra egy kis darab nyákra. Erről egy 10 eres hajlékony szalagkábel csatlakozón, megy az órapanel becsatlakozási pontjára. (Ezt még most fogom majd bekötni). A szalagkábelt a rugólemez oldalánál kell végig vezetni, nem szorosan. és rögzíteni a laprugó tartóbak oldalára. Igy tökéletesen elviseli a plusz terhelést a kar rezgése, nem jelentős a szalagkábel berezgése sem.. Az összeállításról néhány felvétel, szia.
(#) Hp41C válasza janocsi hozzászólására (») Máj 20, 2009 /
 
Szia!

Egyre jobban tetszik.
Ha nem kell a 3A a hídnak, jó lehet az L293D vagy az L293, L6202, TLE4305-4208.

Szia (két napig egyáltalán nem értem rá semmire...)
(#) janocsi válasza Hp41C hozzászólására (») Máj 20, 2009 /
 
Szia Hp41C!
Szépen működik az új levezetéses megoldás. Ez a 10 eres szalagkábel talán elég lesz az újabb verziókhoz is.
- A tekercsek meghajtó árama 200mA körül van. Igy nem kell hűteni sem az áramkört, nem melegszik ez a FET-es H-hid egyáltalán. A meghajtás mostmár egy 3 lábú Hall IC-vel, (kis PC ventiből), tökéletesen kézben tartható. Még egy skicc a kapcsolási rajzról, és egy kép, a végleges levezetés megvalósításáról. Szia.
(#) webinas válasza janocsi hozzászólására (») Máj 20, 2009 /
 
Szia!
PIC16F84A-04I/P jelenleg nincs raktáron. Helyette jó a PIC16F84A-20I/P?? Csak a frekvencia más?

Amiből levágtam a rugó darabokat, abból van még valamennyi. Néhány darab kijön belőle.

Azért megpróbálok szerezni. Talán sikerül.
(#) janocsi válasza webinas hozzászólására (») Máj 20, 2009 /
 
Szia Webinas!
- A PIC16F84A-20 I/P szintén tökéletesen megfelelő.
De jó, hogy gondolsz a beszerzés lehetőségére, igy mások is hozzájuthatnának ilyen spéci rugólemezhez.
Nekem akármilyen darad jó. Amiből ki lehet hozni, az kb 55mm min. , de lehet hogy 50mm is elég ebből a lemezrugóból. (10-12mm a mágnes és kar összekötésénél, 12-15mm a tartóbakban, az alaplemezhez rögzitésnél). A maradék kb. 25mm-es szakasz a lengéshez éppen elég, de igy már nagy a rezgési frekvencia, (24-30 Hz!). Ekkor lehet belőle "keskenyebbre" vágni, hiszen 24Hz-nél fölösleges tovább erőltetni e rezgést. (A kesekenyebbre vágását azért nem javasolnám, az úgy jó ahogyan van).
At ideális méret ebből a lemezből 60-65mm-es lenne. Akkor jó a lemez beállítása, ha a szabad hossza 27-31 mm-es szakaszban benne van.
Egy halom újítás már van az óra fejlesztésben, de várható még további is. Ha még vársz egy kicsit, már nem bíztos hogy jó lesz az az IC... Szia.
(#) janocsi válasza janocsi hozzászólására (») Máj 20, 2009 /
 
Sziasztok!
Az újabb fejlesztésű Fali_Wand, a Hall szenzoros vezérlésekkel, és az új LED-levezetésekkel, most került vissza a falra. Zöld posztót ragasztottam a kijelző alatti felületre, (feketének látszik a képeken), így sokkal jobban látható erősebb fényben is ez a kék SMD LED-sor. Az óra annyira zajtalanul működik, hogy figyelni kell egészen közelröl, ha a suhogását szeretnénk mégis meghallgatni. Feltőltök róla még néhány képet, és egy kis videót is. Sziasztok.
(#) Hp41C válasza janocsi hozzászólására (») Máj 20, 2009 /
 
Sziasztok!

Az a 16F84(A) egy nagyon drága és buta jószág.
Újabb órákhoz már nem javaslom. Inkább a 16F648A , 16F690, 16F886 kb feleannyiért.
A 20 - 28 lábú picek sok belső perifáriával (MSSP az I2C-hez, uart az esetleges ébresztési funkció adatainak beállítására), 4-8K programszóval, 256-368 byte RAM-mal, 256 byte EEProm-mal rendelkeznek.
A plusz lábak a 8 pont magas karakterekhez és a táp kapcsolásához jól jöhetnek majd....
(#) janocsi válasza Hp41C hozzászólására (») Máj 20, 2009 /
 
Szia Hp41C!
Addig új elektronikát már nem építek, amig egy teljesen más programmal, pl.: PIC16F886-al el nem készül majd. Ez ugyanaz a program lenne átalakitva a lengőkaros órához, mint az új propeller clock. Azon tünődöm, ezt a programot ill. a bekötéseket megcsináljam-e egy próbanyákon ehez az órához, vagy várjak inkább még ezzel, hiszen sok mindent kellene alakitani a programban. Szia.
(#) janocsi válasza janocsi hozzászólására (») Máj 24, 2009 /
 
Sziasztok!
Rendben működik a legújabb Hall vezérlésű rezgőkaros óra, egy friss kép róla.
A levezetés, (rugó/kar/mágnes), szerelvényéről és az alaplapi rögzítő eleméről egy újra elkészitett összeállításban néhány felvétel látható. Ez már az új tipusú faliórában kerül majd beépítésre. Sziasztok.
(#) janocsi válasza janocsi hozzászólására (») Máj 30, 2009 /
 
Sziasztok!
Ma átvizsgáltam az új Hall vezérlésű faliórát. Nem találtam sehol különösebb nyomát elváltozásnak, törésnek vagy repedésnek a mechanikába. A módosított LED levezetések is állják a strapát. Egyelőre hibamentes ez az új összeállítás. Egy sorozatkép világosabb, majd sötétebb környezetben. Sziasztok.
(#) webinas válasza janocsi hozzászólására (») Jún 4, 2009 /
 
Szia!
Megvettem a PIC-et!
Lassan elkezdem a Wandclock-ot.
Ettől az időtől lepukkantam fizikailag, úgy se tudok mást csinálni.

Szereztem rugót.

Ha kell valakinek, akkor szóljon. A rugóért nem kérek semmit, de ha az illető vidéki, és nem jár pesten, akkor a postaköltséget állnia kell. Sacc/kb. 2-300.-
(#) Hp41C válasza webinas hozzászólására (») Jún 5, 2009 /
 
Szia!

Én is vettem néhány pic-et 16F690-et (dip20) és 16F886-ot (sdip28), a többi anyagot is megveszem hamarosan. Rugóm, mágnesem, vasmagon, rögzítőm már van Janocsi jóvoltából. Huzal is akad még. Ha a mechanikát sikerül elkészítenem, nekiállok a program fejlesztésének...
A propeller programjának fejlesztése a végéhez közeledik, már csak néhány utasításnyi hely van benne....

(#) sehaxx válasza Hp41C hozzászólására (») Jún 5, 2009 /
 
Örülök hogy nem halt be a topik.
Hall generátorbol találtam egy jopár darabot,ha valakinek nem lenne.
(#) janocsi válasza webinas hozzászólására (») Jún 6, 2009 /
 
Szia Webinas!
Egy kicsit távol voltam a topiktól, de már újra itthon vagyok. Egy skiccet felrakok az általam épitett falióra méretezéséről. Természetesen nem kötelező igy elkésziteni, egy pusztán elrendezési és technikai megoldás vázlata ez.
- Egy rugót sikerült eltörni, ez készült el legelsőnek, az okát még nem tudom. Valószinű, hogy az alaplapi rögzitő elem nem párhuzamos szoritása miatt repedt el. (Hordós a hézag a két szoritó felület egymáshoz illesztésénél.) Erre különösen figyelni kell a jövőben!
A repedés közvetlenül a rögzitő elem "tövénél" történt. Két felvételt errő is feltöltök.
Ha valamilyen kérdésed van, megpróbálok mindenben segiteni az épitéssel kapcsolatban.
Nagyon jó, hogy sikerült rugólemezt beszerezned. Én is fogok postai úton vagy hat darabra valót "rendelni" majd Töled. Szia.
(#) janocsi válasza Hp41C hozzászólására (») Jún 6, 2009 /
 
Szia Hp41C!
Néhány napig "nagyon messze" voltam, igy nem foglalkoztam az órákkal túl sokat. Átalakitottam a régebbi fali_Wand_Clock-ot is Hall IC-s vezérlésre. A H-hid vezérlése az tökéletesen megy, de a kijelzés a végállás helyzetében nem akar jól működni. Csak félig jelennek meg a karakterek az ívben, mig az optikai kapuval ez teljes, ott rendesen megy a kijelzés. Keresem a hibát. Egyébként mindenben megegyezik a már működő Hall IC-s faliórával, mégsem akar ugyanúgy működni. Most ilyen vegyes működésben van, a kijelzés maradt optikai kapus megoldással.
- Elkezdtem egy újabb falióra mechanikát késziteni, (remélem nem ez lesz az utolsó órám), amelyben majd az új elektronika kerül, amint a programok megvalósulnak hozzá. Szia.
(#) janocsi válasza sehaxx hozzászólására (») Jún 6, 2009 /
 
Szia Sehaxx!
Néhány (nagyitott) képet felrakhatnál azokról a Hall eszközökröl. Szeretném tudni milyen tipusú Hall IC-k ezek. Köszi előre is, szia.
(#) janocsi válasza janocsi hozzászólására (») Jún 7, 2009 /
 
Szia Webinas!
Az elkezdett falióra alaplapjának elkészitése néhány felvételben látható. Az "nyers" a még csak kifürészelt 15mm-es rétegelt lemezekből áll, az "össz" a már lecsiszolt végleges lemezek képei. Az összeszerelése és furatozása ezután következik majd. Szia.
(#) janocsi válasza webinas hozzászólására (») Jún 7, 2009 /
 
Szia Webinas!
Folytattam a Fali Wand_Clock alaplapi felépitését, a furatok és az összeillesztés is készen van. Alul besüllyeszve a csavarok helye az elektromágnes, ill. a kijelző alatti íves laphoz. A felfogatás 4mm-es furata felül lett besüllyesztve, ha csavarral rögzitjük a falra. Erröl néhány felvételt is készitettem. Az oldallemezek magassága (15mm + 40-42mm), össz. 55-57mm-es csik lett. Ebben a magasságban már jól elfér a mechanika és az elektronika is. Hamarosan folytatva lesz a továbbépítés. Szia.
(#) sehaxx válasza janocsi hozzászólására (») Jún 7, 2009 /
 
szia
billentüzet nyomogombokbol való,annak idején még a Kfki-ban dolgoztunk velük.
(#) janocsi válasza sehaxx hozzászólására (») Jún 7, 2009 /
 
Szia Sehaxx!
Szia Webinas!
Kösz a választ, ismerős ez a Hall tipus. Azt hiszem, ehez kell egy müv.er. IC is, hogy megfelellő (TTL) szint legyen majd a kimeneten. (Vagy ebben már benne van)?
- Tovább épitettem a készülő új faliórát. Most a tekercsek készültek el és beépitésre is kerültek. A vasmagok 100*16*3mm-es lágyvas, (laposvas), a tekercsek 2*1000 menet 0.2mm átmérőjű CuZ huzalból tekercselve. Az összekötő elemek 25mm-es távtartók aluminiumból készítve, hogy mágneses "rövidzár" ne keletkezzen. Néhány kép erröl. Sziasztok
(#) zoly15 válasza sehaxx hozzászólására (») Jún 7, 2009 /
 
Szia!
Megkérdezném, ez a hall szenzor, 4 lábú és kerámiára van ültetve?
A kerámián van egy műgyanta szerű pötty...
Ez az?

Üdv!
(#) janocsi válasza janocsi hozzászólására (») Jún 7, 2009 /
 
Sziasztok!
Már olyan stádiumban van a készülő óra, hogy a régebbi elektronikával ki is tudom majd próbálni.
Beszereltem a rugótartó bakot, a rugó és kar összekötő elemát, és van itt néhány már korábban készült kar is, abból egyet szintén beépitettem. A rezgő mágnes pontosan a mágneses tér közepében van elhelyezve, egy vizszintes sikon. Most igy néz ki az óra egy két felvételen. Sziasztok.
(#) janocsi válasza janocsi hozzászólására (») Jún 8, 2009 /
 
Sziasztok!
Elinditottam az újabb órát egy régebbi elektronikával. Renben összejött minden, itt is Hall IC-kel dolgoztatom az elektronikát. A Hall IC-k meg is maradnak a helyükön, mert az új elektronika is azzal tud majd dolgozni. (Ez az elektronika 2 db PIC16F628-as kontrollerrel működik, még a propeller clock-ból átírva, távirányítós kivitelben). Néhány képet feltöltök a működéséröl, sziasztok.
(#) janocsi válasza webinas hozzászólására (») Jún 9, 2009 /
 
Szia Webinas!
Most szedtem össze néhány (Fali_Wand_Clock-ot), mindegyik jól működik. Ott van közöttük a NYÁK-rugós, a Hall_IC-s, az optókapus vezérlésű is, és egy régebbi elektronikával szerelt, de a legújabb falióra. Megvan még a legelső fali_Wand_C is, azon kisérleteztem ki a rezgés, a meghajtás, a rugó és összekötő elemei, valamint a kar, mágnes, kijelző különböző megoldásait. Innen merithetsz néhány instrukciót. A tekercsek meghajtásához az egyoptós, (egy Hall IC-s), multivibrátoros H-hid vezérlését ajánlanám, azzal mindig sikerül a rezgést stabilan tartani, most a legújabb is igy működik.
- Hol tartol az építésben? Szeretnék segiteni majd amiben tudok. Szia, janocsi.
(#) Hp41C válasza janocsi hozzászólására (») Jún 17, 2009 /
 
Szia!

A fali wand órába egy kicsit módosított propeller program van betöltve?
A módosítások (ha még jól emlékszem...):
- A dátumot is az idő kijelzésének megfelelően kell megjeleníteni (nem fordul meg sem függőlegesen, sem vízszintesen)
- A fordulatszám helyett a rezgésszámot kellene mérni.
- Ha a dátumot és az időt is ki kell jelezni, akkor 4 másodpercenként váltakozzanak, ha az egyiket sem, akkor a rezgésszám jelenjen meg.
- Nem kell az analóg mutató és az óraosztás,
- A Calibration kimenet helyett a mozgató mechanika ki/be kapcsolása lenne jó.
- Le kellene csökkenteni a mozgó szöveg kijelzésének hosszát.

A többi funkció jöhet a 2.23 vagy újabb propellerből.

Jól gondolom, hogy a megépített órádon a 2.23 verziónak a régi propellerre fordított változatát - a változtatásokkal - tesztelni lehetne.

Jó hírem van, a fentieket (az utolsó pontot kivéve) már a szimulátorban tesztelni lehet. Gondom a rezgésszámmal van még - jelenleg 1 percig mér, amit nehéz átszámolni. 10 másodpercet el fogok csalni...
(#) janocsi válasza Hp41C hozzászólására (») Jún 18, 2009 /
 
Szia Hp41C!
A legutolsó, már jól működő asm file a változtatásokkal Itt:
- A többi funkciót valóban a 2,23, vagy újabb programból lehetne átírni.
Ha bármilyen gond felmerülne, jelezd. Ha még lenne jó ötletem, mit is lehetne beépíteni, azt azonnal megírom.
Jó munkát ehez az újabb projekthez.
(#) Hp41C válasza janocsi hozzászólására (») Jún 18, 2009 /
 
Szia!

Átnéztem, kb. az, amit gondoltam...
(#) janocsi válasza Hp41C hozzászólására (») Jún 18, 2009 /
 
Szia Hp41C!
Méregettem, milyen ideális kitéréssel látható az óra, ill. a szöveg kiírása. A 30 fok éppen egy csökkentett méretű kijelzés szélessége, ahol az óra és dátum még jól látható, ez mehet éjjel/nappali üzemben is. Ez lehetne a minimuma az amplitudónak, itt a mechanika csak kevésbé van igénybe véve, nem fárad a rugó, és a levezetések is ezt a kitérést türik el a legjobban. A szövegmező szélességét valóban le kellene csökkenteni a "visszahajlás" miatt is. Nagyobb amplitudónál szebb a szöveg kiírása, ezt lehetne akár 45-55 fok körülire is választani, ha az elktromechanika még elviseli ezt az igénybevételt. (Nem lesz zajos, és nem lesz nagyobb az áramfelvétele sem 250-300mA-nél). Alapban, a rezgéshez 200mA körüli áramnál nem kell nagyobb. Ez természetesen nagyban függ a kar súlyától, méretétől, és a rezgési frekvenciától is. Szia.
Következő: »»   28 / 67
Bejelentkezés

Belépés

Hirdetés
XDT.hu
Az oldalon sütiket használunk a helyes működéshez. Bővebb információt az adatvédelmi szabályzatban olvashatsz. Megértettem