Fórum témák

» Több friss téma
Fórum » Csöves erősítő készítése
 
Témaindító: seedz, idő: Márc 31, 2006
Témakörök:
Ne feledd betartani a fórum viselkedési szabályait, és a topik megmaradásának feltételeit. [link]
A téma átmenetileg fagyasztva lett, hozzászólni nem tudsz!
Lapozás: OK   571 / 2208
(#) JZoli válasza kocos hozzászólására (») Máj 23, 2009
Helló! Melyik kapcsolást építed a 807-essel? Mostanában én is tervezgetek egy 807 PP-t de kellene egy jó kapcsolás hozzá.
(#) Imi65 válasza JZoli hozzászólására (») Máj 23, 2009
Hapro mesternek most lett beüzemelve a két AV760/C. Nem mondom, hogy azt építsd meg, mert nem tetszik az a kapcsolás több részletében. De - ahhoz képest - egész elfogadhatóan szól.
(#) fleta válasza kocos hozzászólására (») Máj 23, 2009
A szkóp lengyel gyártmány, nekem jó lenne használt is. A börzén szoktak-e ilyet árulni? Ja, mi az a BNC? A csatlakozása? Ennek olyan mint a koax , de a koax nem megy bele.
(#) fleta válasza (Felhasználó 13571) hozzászólására (») Máj 23, 2009
köszi a tippet, csak hangfrekire akarom néha használni. Eddig megvoltam nélküle, ezek után is megleszek, de legalább van itthon egy. Megnyugtató.
Árnyékolt madzagom van, de csatlakozóval leszek bajban.
(#) kocos válasza JZoli hozzászólására (») Máj 23, 2009
szia! Ez még nagyon a jövő zenéje, de valószínűleg magam tervezem a kapcsolást majd!
(#) kocos válasza fleta hozzászólására (») Máj 23, 2009
Börzén is volt most is egy valag mérózsinór! A BNC az a bajonette záras csatlakozó, amivel pl a régi Lan hálózatok is csatlakoztak ( régi (ISA) hálózati kártyákon is ilyen volt )
Nem figyeltem, Zoli már betette a BNC képét
(#) kocos hozzászólása Máj 23, 2009
Vettem ma egy rimlock foglalatot! Nincs valakinek felesleges ECC40-e?
(#) Imi65 válasza (Felhasználó 13571) hozzászólására (») Máj 23, 2009
[OFF]Láttam én is a szatyrot....
(#) fleta válasza (Felhasználó 13571) hozzászólására (») Máj 23, 2009
Ez lenne az, kicsit leharcolt, de jó. Igen ez a csatlakozás lenne jó!.

PICT5296.JPG
    
(#) CHZ válasza kocos hozzászólására (») Máj 23, 2009
Volt , nem találom.., de a foglalatodba van 2db nem használt EL41 ..
(#) kocos válasza CHZ hozzászólására (») Máj 23, 2009
Milyen foglalatban is? Most nem ugrik be
(#) kocos válasza (Felhasználó 13571) hozzászólására (») Máj 23, 2009
Hát tudom, azóta is rendszeresen hordom a sündisznóbőr övet hatalmas bűnöm vezekléseként ... És az a csomag már soha nem lehet az enyém?
(#) CHZ válasza kocos hozzászólására (») Máj 23, 2009
Lehet , hogy tévedtem , de azt hittem , hogy EL41 is
rimlock.
(#) kocos válasza CHZ hozzászólására (») Máj 23, 2009
Az is rimlock, de azt nem értem, hogy most Te adni akarsz nekem EL41-et?
Amúgy nem ment valami sokat ez a rimlock széria, vagy igen? alig találni ...
(#) CHZ válasza kocos hozzászólására (») Máj 23, 2009
Igen , ha kell küldöm ...
Nekem nincs foglalatom hozzá !
ECC40 is volt , csak nem találom .
(#) kocos válasza CHZ hozzászólására (») Máj 23, 2009
Köszönöm, elfogadom! Van elé Ef42-m, már csak foglalat kellene, mert az egész börzén csak egy volt , az is 500 Ft, mondjuk vadi új Lett volna hozzá hazsnált ECC40 1500/db-ért

ja igen, a cseretárgy mi legyen?
(#) burgdavid válasza kocos hozzászólására (») Máj 23, 2009
Nálam van egy csomag Kócos felirattal 6P3Sz meg pár foglalat van benne. Gondolom a tiéd
Remélem nem haragszol érte hogy kibontottam megnézni az orosz szépséget :hide:
(#) CHZ válasza kocos hozzászólására (») Máj 23, 2009
Semmi .. , privátban csak címet kérek .
(#) Müszi válasza burgdavid hozzászólására (») Máj 23, 2009
Akkor nálad landolt a csomagom??
(#) kocos válasza burgdavid hozzászólására (») Máj 23, 2009
nem haragszom De hogy jut el hozzám? klassz a Vikomt-od
(#) burgdavid válasza kocos hozzászólására (») Máj 23, 2009
Köszi
zoli1209 szatyra maradt nálam, meg kocos csomagja. Másról nem tudok Meg a Ricsi1992-nek szánt 2kohmos fülhallgató, meg a múltkori börzén felesbe vásárolt potik
Jameg a Müszinek szánt rádió Köbzolinál. Meg Köbzoli telefonja a kocsiba nálam :vigyor2: Tiszta körbetartozás
Majd a jövőhéten viszem a telót :pirul:
Adsz egy címet és postázom
(#) Müszi válasza burgdavid hozzászólására (») Máj 23, 2009
De szeretném megkaparintani azt a rábigót..
(#) burgdavid válasza Müszi hozzászólására (») Máj 23, 2009
Ha jó leszel elküldöm neked :kalap:
Tankérem igazolásom van, hogy ma nyelvvizsgáztam :hide: Kérem nelőjön
(#) Müszi válasza (Felhasználó 13571) hozzászólására (») Máj 23, 2009
Akkor mégsem kapom, meg?
Pedig direkt neki tartogatom a helyet a polcon
(#) burgdavid válasza Müszi hozzászólására (») Máj 23, 2009
Visszahozom Köbzolitól, aztán ha belefér a szabvány csomag árába akkor elküldöm néked :yes: Cserébe két új EM80 vagy annak az orosz megfelelője kerestetik
Kocosnak meg szerintem hétfőn küldöm

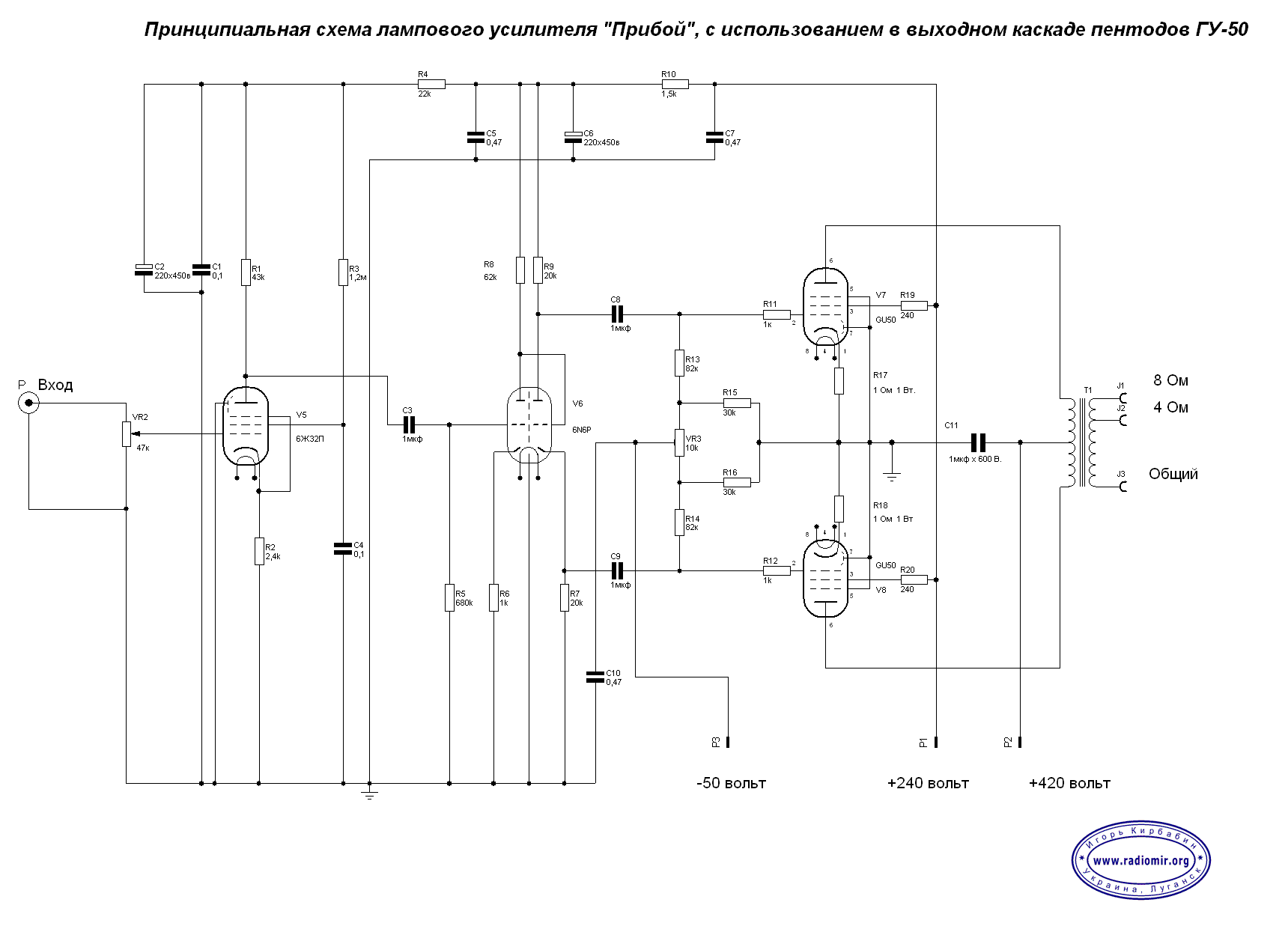
Egy csöves kérdés:
GU50 PP-m hez terveznék hálótrafót. Mekkora maximális anódárammal számoljak? A rajzon csövenként 100-100mA van 400V os anódfesz mellett, de tudomásom szerint annyi a max a GU nak. A negatív előfeszre és a segédrácsokra hány mA-t hagyjak? Van egy 16cm2-es vasam, a trafószámolós progi szerint elég lesz, mindkét csatornához. Véleményeket kérnék
(#) Müszi válasza burgdavid hozzászólására (») Máj 23, 2009
Használtak vannak, de azokra szükségem van. Az EM80 nagy kincs
(#) burgdavid válasza Müszi hozzászólására (») Máj 23, 2009
Egyszer vagy 3éve a börzén egy idős bácsitól vettem ruszki EM80-at, olyan fénye van hogy csuda
Azóta se találtam olyat
(#) Müszi válasza burgdavid hozzászólására (») Máj 23, 2009
Nekem is van egy aminek olyan gyönyörű fénye van, ha szembe süti a nap még akkor is világít
NAGY KINCS!
(#) burgdavid válasza Müszi hozzászólására (») Máj 23, 2009
Azért akarok az erősítőmbe tenni egyet-egyet
"fáradt" nekem is van. rádiókba még jó, de ez zsírúj csövekből lesz építve
(#) Müszi válasza burgdavid hozzászólására (») Máj 23, 2009
Nekem nem telik sajnos zsir új csövikre.
EM80-ból kéne sprektum analizátort készíteni, 2x16 csatornára
Állati lenne
Következő: »»   571 / 2208
Bejelentkezés

Belépés

Hirdetés
XDT.hu
Az oldalon sütiket használunk a helyes működéshez. Bővebb információt az adatvédelmi szabályzatban olvashatsz. Megértettem