Fórum témák
» Több friss téma |
én meg nyáron azzal dolgozom
De az új az drága
És azt olvastam hogy nyomtató motrból is lehet csinálni.Az elég erős hozzá?
mert nekem olyan kell amivel tudok dombra fel menni és legurulni, ha gurulok de megy a motor akkor nem ég le?? (ilyen dolgokból elég hülye vagyok )
a használt meg olyan mintha ott se lenne, tehát tapasztalatom hogy 3 évenként nem árt cserélni egy igénybevett (és karbantartott) akksit. Egy bicikli meg azért rendesen igénybevenné, tehát jó ha új van benne. Egyébként 3db 12V 10Ah-s akksit 15000-ból meg lehet venni, vagy egy kocsiakksi pl.: 40Ah, és az még olcsóbb is
ja de ha nagyobb fesz.gel működik a rendszer akkor a kocsiakksi kilőve
a nyomtatomotor általában 30-40-50V-os, és kb 50W-osak, tehát 1 darabból semmiképp nemérdemes, esetleg 2 vagy több darabból, de az úgy macerás
Mért?
Például 2 motort hogy lehet megcsinálni hogy egy láncon legyen rajta? (paint rajz )
És azt hogy lehet hogy tudjam állítani a "sebességet"(hogy menyire menjen)?
remélem ezeket nem komolyan kérdezted, mert ha igen, akkor esetleg ne ezzel a projekttel kezd. De azért elmondom (két motor 2 fogaskerék+ amit hajt, sorosan kötve) nézz meg egy kocsi első szelep+ gen. + hűtő összekötését na kb. úgy.) de akkor a két motor áramát külön szabályozni kell a megfelelő működés végett, a sebességet, meg sima kitöltéstényezővel lehet állítani, egy szimpla 555-tel megépíthető+ a telj. fokozat
Mi az az 555 ?
Te most ezt komolyan kérdezted? Ha igen akkor szerintem előbb kicsit nézelődj szakkönyvekben, vagy a fórumon, majd utána építs bicajt.
Szerintem azért egyszerűbb lenne egy nagyobb motorral megcsinálni, mint két kisebbel. Amennyi nyűggel jár két kisebb motor egyszerre történő szabályzása, annyi erővel kereshet egy nagyobb motort. Igazából a legjobb egy 24V-os motor lenne és két 12V-os aksi sorba kötve. Így ugyanakkora teljesítmény mellett fele akkora áram lenne, és az aksit sem venné annyira igénybe.
én is javasoltam ezt, de az annyira igénybe, még mindíg az hogy kb 10A, ami sztem nem kevés, nem szeretik az ekkora (20-30-40Ah-s) akksik ezt az áramot hosszútávon :yes:
ha gondolod utána érdeklődök én is itt az egri bontókban. Ha találok viszonylag olcsón szólok
Amúgy jól haladsz vele Nem érettségire kéne készülni?? uli
Azt megköszönném. Itt nálunk csak kisebb dolgokat érdemes zsebben kihozni. Tudom nem szép dolog, de az is lopás, amit ők csinálnak. :yes: Az érettségi még odébb van, majd ezután kezdek tanulni.
Sajnos az érettségivel én is így vagyok
majd tanulok rá...Én most ott tartok hogy vettem egy bicajt De szerintem le fogom cserélni mert kicsi. Neten csalóka volt a kép. A meghajtással lesznek nekem gondjaim, előre látom. Mert ha az egyik oldalon a pedálos részt meghagyom az addig oké, de a másik oldalra akkor a kerékre fel kell szerelnem egy lánckereket, amit nem tudom hogyan fogok kivitelezni, valamint azt sem, lesz-é elég hely neki. Terveim szerint valami böhöm autóakksit teszek rá, valahogy a kis zselés akksik nem fognak meg. (először gondoltam IFÁból egy nagyra a vázra talán pont felférne. Kicsit érdekes lenne. Stabilitás szempontjából is Majd elválik mi lesz...Holnap talán ha úgy lesz időm meg is nézek néhány bontót. Remélem sikerrrel járok.uli
Én is az aksin töröm a fejem még. van itthon egy pár éve álló elvileg cellazárlatos aksi. Megpróbálok életet lehelni bele, hogy legalább a próbára jó legyen. Egyszer néztem és a töltést sem vette.
De múltkor az egy éve álló robogó aksija is ezt csinálta, majd egy óra múlva már szépen töltődött. Holnap rálököm a töltőre hátha életre kel.
Közben gondolkodtam.
Ha én azt szeretném, hogy visszatöltse az akksit a motor, akkor nekem a motor és a kerék meghajtásánál nem szabad szabadonfutót alkalmaznom. Ez azt eredményezi, ha leveszem a gázról a kezem, egyből lassulni fogok. De ha én ki szeretném kapcsolni ezt a funkciót, akkor hiába, hogy lekapcsolom az akksit a nem-visszatöltő üzemmódban a motorról, attól én ugyan úgy lassulni fogok, mintha töltene nem? Ez akkor rossz, ha mondjuk egy lejtőn szimplán csak legurulni szeretnék. Ugyanis ekkor a szabadonfutó hiányában a motor forog a kerékkel, ergó lassulok. Szóval most kicsit gondolkodóba estem. Erre varrjon valaki gombot ha tud, légyszi ![]() gr: a bontókba ezen a héten nem jutottam el, jövőhéten sanszos, hogy megint nem tudok, esetleg pénteken. Ha lesz valami nagyobb motor jó pénzért, írok. uli
helló!
Igen ez egy ilyen eset. vagy az a kevés visszatöltés, vagy a szabadonfutás. Esetleg egy elektromos kuplunggal megoldható lenne. Ilyet használnak az autó klímák kapcsolására, ha jól tudom. Na de ilyet olcsón bontottan szerezni... Meg akkor ezt még rá is kell valahogy szerelni. A motorról annyit, hogy lehet tudok szerezni 24V-os motort, ami ha jól tudom hegesztő huzalelőtoló motorja volt, míg le nem selejtezték a gépet. Nemtudom, hogy bontható-e a gép, vagy megvan-e még, de apámtól megkérdezem. (hátha elhozza nekem)
Kuplung. Nem kell menet közben kapcsolhatónak lennie. Akár két fogazott tárcsa is lehet. Megállsz, és vagy összekacsolod, vagy szét.
Ha nem kell visszatöltés, akkor a legjobb a szabadonfutó a kerékben, akkor már az áttétel forgatása sem fékezi a gépet. Motorféknél közvetlen töltésnél.magasabb sebesség szükséges a visszatöltéshez, mint amit a motorral el tudsz érni. Azaz a mocit magasabb fordulatszámon kell forgatnod, mint amivel az adott feszültségen forog. Ha 20km/h-ra van áttételezve, jó ötlet. De ha 35-re, 45-tel nem biztos, hogy jó ötlet visszatölteni a hegyi szerpentinen lefelé. Akkor váltó kell. Idézet: „24V-os motort, ami ha jól tudom hegesztő huzalelőtoló motorja volt” Szia Az a motor 60W os. Csigakerék áttétel. Szabadon futó,t mindenképpen tegyél rá. Visszatermelni, a csiga miatt nem fog. És, a 60W is, kevésnek tartom. üdv.
Ezesetben a visszatöltés felejtős, és máris sokkal egyszerűbb a dolog. Kössz.
Igen erre a klímás kuplungos megoldásra én is rátértem az előző oldalon, de tényleg nehéz lehet olyat szerezni meg valószínűleg drága is. Majd meglátjuk hogyan lesz. uli
Helló!
Hát nem is tudom, mert 4 vagy 5 IRFZ44-es fet hajtotta párhuzamosan kötve. Ez valami automata hegesztőben volt. nem tudom mekkora teljesítményű lehet, de majd megkérdezem.
Az én elektromos kerékpáromnak is gyengélkedik az aksija.
3x12 V-os 6 Ah-ás aksi van benne sorbakötve. Lehet, hogy most hülyeséget kérdezek, de nem lehetne elkókkal helyettesíteni? Ez hány Farados elkónak felelne meg? Láttam egy oldalon elektromos autót, ahol aksik helyett elkók voltak benne és így 5 perc alatt fel is lehetett tölteni.
Szia!
Ha jól számoltam 36V esetén 1200 F-os kondi kellene...
Akkor pár darab elkó kellene bele...
![]() 10000 µF/63 V -ból 120 db párhuzamosan kapcsolva olyan 105000 Ft-ért...
Valaki tudna segíteni nekem menetközben szeretnék vissza tölteni a agymotoros 48voltos tornádóféle bringámba úgy gondolom egy inverterel sikerülhet 12vról csinál220atakkor atöltő mehet indúlástól megálásig az aksit is kímélné csak hány watos kelene és milyentípúsú elég sokk fajtavan.Szerintemegy külön 12voltos aksi ezt meghajtanáde 300-400-600wattos kelene e hatudbárki segíteni várom előreis köszi
Szia!
Szerintem mégegy ezres szorzóval elszámoltad!
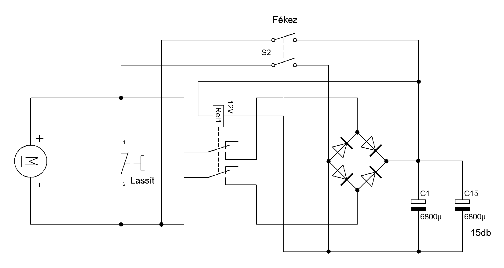
Hétvégén beszereltem a bringámba egy hátsó kereket előre, egyenlőre még csak itt járok. Volt egy kis időm néhány típusú villanymotorral kísérletezni és legjobban a hűtőventi motorja fékezhető le rövidrezárással. A héten szerzek is egy nagyobb teljesítményűt mivel sajnos a próbadarabok csak kölcsön voltak. Mivel állóra nem fogja lefékezni a motor a biciklit ezért terveztem egy egyszerű áramkört, amivel némi energiát tárolok el 15db 6800 mikro kondibankban, és szükséges esetben ezzel fékezem állóra. A kerék és a motor között 1/2 áttétel lesz. A rajzot csatolom. Szerintetek így már működőképes lesz vagy még alakítsak rajta?
Kicsit hiányosnak tartom az elméleti részt. Kiszámoltad Te, hogy mennyi energiát tárol a pl. 12V-ra feltöltött 15db 6800µF-os kondenzátorod? Meg fogsz lepődni, hogy annyit se, amenennyivel fel tudnál emelni 1kg-ot 1 méter magasra. Pedig ez nem sok...
Azontól meg többe kerül a leves, mint a hús. Egy ilyen kis elektromotor hajtotta kerékpáron nem kifizetődő a visszatáplálás, mert nagyon lefékezi a kerékpárt, és mivel alacsony az elérhető hatásfok, és az akkumlátorba való töltéshez nagy fordulatszám is kell. A motort lehet fékezni rövidrezárással, de kérdem én mi értelme? Hogy még jobban melegedjen? Arra használd a meglevő féket... Kicsit gondolkodjunk... Olvastam itt olyanról, hogy csigaáttét-hajtásos kerékpár kupplunggal... Nah, ez a legrémesebb kompozíció. Nem leszólni akarlak Benneteket, sőt támogatnálak is, ha egy előre átgondolt, megfontolt, megtervezett koncepció alapján dolgoztok, nem csak úgy, hogy uccu neki... Egyébként a hűtőventillátormotor nem rossz választás, nekem van vele személyes tapasztalatom egy maró-vágó-gép meghajtásával. Bírja a terhelés, és ami a legjobb, hogy relatív nagy nyomatéka van alacsony (1500-as) fordulaton. A dörzskerekes, vagy láncos áttét azonban jelentős veszteségeket okoz.
hát, egy ismerősöm elég frappánsan oldotta meg a dolgot, egy 100 wattos 12 voltos motor a dolog lelke.
sok probléma lett volna a meghajtással, ezért azt a roppant egyszerű megoldást választotta hogy előre is olyan kereket tett a montivázra, mint ami hátul található. namost ennek megvan az az előnye hogy roppant egyszerű + rálehet segíteni. állítása szerint ennek egyedüli gondja hogy nehezebb kormányozni valamivel, hiszen magát a motort gyakorlatilag egy olyan konzolra helyezte el ami az első villa és részben a kormány elemeihez van rögzítve. nagyjából úgy mint az első csomagtartó a rendes bicajokon. a "vezérlés" nagyon egyszerű, van egy gomb ha megnyomod akkor bekapcsol a motor egy (fene se emlékszik hány amperes) áramerősségkorlátozó berendezésen át, és amint valamelyik fékhez csak hozzáérsz, kikapcsol. elvileg ez azért nagyon buli mert -szintén a pajtás állítása szerint- a legnagyobb terhelés induláskor éri az akksit meg a motort is. (mélyen egyetértek) és ő ezt a bicajt azért csinálta hogy ha már elér egy kívánt sebességet (szóval már gurul) akkor könnyedén tartani is tudja azt. Szerinte a 100 wattos motor erre bőségesen elég. (gondolom kb 80 Watt amit kiszed belőle, így saccra az áramerősség szabályzó 6-7 amper közt van) mélykisülés ellen pedíg úgy van védve hogy ha jól emlékszem ha 10 voltra lecsökken az akksi akkor lenyomja a motort. ez egy szerintem méregdrága, 12 voltos 55 Ah akksi amiről működik a berendezés, valóban aranyos. önerőből nemigen vagy csak lassan halad, de ha okosan elindul és már úgyahogy gurul onnantól minimális emberi rásegítéssel is szépen halad. szerintem korrekt megoldás. végülis lapos úton megtartja a sebességét. ami átalakítás történt az az első villákat érintette, a láncot nemtudta rendesen elvezetni ezért meglettek hajlítva kicsit előre. amúgy fatya a dolog. ebből kiindulva lehetséges hogy nem rossz/elvetendő ötlet helyből az első kerék meghajtása, a vezérlés pedíg ha nemnagy teljesítményről van szó egyszerűen megoldható. Vélemény? |
Bejelentkezés
Hirdetés |




ja de ha nagyobb fesz.gel működik a rendszer akkor a kocsiakksi kilőve
Nem érettségire kéne készülni??






