Fórum témák
» Több friss téma |
Fórum » Ki mit épített?
Ez a téma ha úgy tetszik a mi "kiállítótermünk", nem pedig a ki mit csinált volna másképpen, mások helyett, és legfőképpen nem javítós téma.
Minden készüléknek van saját témája, ott kell kitárgyalni a részleteket!
FONTOS! A kapcsolási rajzok keresésére is van saját téma, ott keressetek rajzokat!
Üdv mindenkinek!
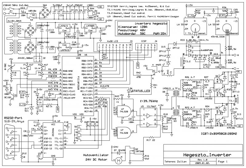
Gondoltam közkinccsé teszem legújabb PIC vezérelt inverteres hegesztőmet hátha érdekel másokat is. Egy kicsit túlzásnak tűnhet hegesztőinverterre a 4x20-as LCD, meg a soros port a PC-hez, de igy legalább nemcsak hegeszteni lehet vele hanem tényleg vagány a kütyü.
Vagány kis gép, gratulálok, megosztod a kapcsolását/programját a nagyközönséggel??? Esetleg egy cikk formájában?
Valószínű az anyagköltsége egy "gazdaságos" gép ára, de az is valószínű nem egy "fogjad a kéményt fiam míg felveszük a pénzt" stílusú gép.
Helló ! Mint a gyári,vagy még annál is jobban néz ki.Gratulálok ! Nagy érdeklődére számíthatsz.
Ezt írtad:
Köszönöm. Felraktam a kapcsolási rajzot, és PIC programját is. C-ben irtam, MPLAB, aki ismeri a PIC-ek lelkivilágát és esetleg utánaolvas az alkalmazott kontroller adatlapjában, az megérti hogyan működik. Azért választottam a uc-s vezérlést az elterjedtebb PWM IC-s verziók helyett, mert igy elegánsan meg tudtam oldani szoftverből az előtöltést, hűtőventilátor fordulatszám szabályzást, leragadás figyelést, a PC-ről történő paraméterezést és a kijelzést. Döglött frekiváltókból és panelekből bontott alkatrészekből van az egész ( pontosabban a PIC-et és a ferritmagokat vettem), ezért van néhány furcsa megoldás a kapcsolásban amit azért másképp illene csinálni. Ha boltban vennénk minden alkatrészt biztos nem érné meg, a fejlesztésre fordított időt pedig jobb ha meg sem említem. De hát ezért hívjuk hobbinak.
Tehát elkészültem a szerkesztéssel, remélem tetszeni fog! Ami miatt elég hülyén néz ki a vezetékelés az az, hogy életemben először használok nyáktervezőt
![]() Ezért is álltam neki most, kipróbálni... Az alkatrészek elrendezése szerintem tökéletes, a tizedeseknek opcionálisan azt az SMD-t teszed be, amelyik kell! Egy valami, ami nagyon fontos még, hogy ez az alkatrész oldal, a tükrözés valahogy még nem sikerült (amúgy van egy forrszembe érő vezeték is az IC jobb felső sarkánál, azt se tudtam még javítani) Egyelőre ilyen, az apraja azokra vár, akik meg akarják ezt így építeni ![]() Ez a hegesztő pazar :yes: Kb én is hasonló túlzásokba szoktam esni, ha egy művemet be is fejezem (na jó, ennyire azért lehet hogy nem)
Ja, és remélem nem baj, hogy nem az IC MQFP-féle változatához készült, hanem csak a PDIP-eshez...
(miért van olyan érzésem, hogy vannak még tartozékai a fájlnak? )
Jujj de gyors vagy , felteszem az eagle-t és megsasolom.
Szia! Mindíg szeretem az egyedileg készült és precízen megvalósított kütyüket megcsodálni. Ez a munka kivételesen gyönyörű, büszke lehetsz rá! Kicsit talán a doboz és az előlap tűnik elnagyoltnak, de ez mit sem von le a belbecs értékéből. Különösen tetszik a csatlakozás technika széles körű tárházának felvonultatása ( érvég hüvely; szemessaru; zsugorcső stb. ). Szóval gratula!
Üdv.: SzervízMacska
Szia!
Nem kötekedésképp mondom, de a nyákterven az összes smd top oldalon van a vezetékek és a furatszerelt alkatrészek bottom oldalon vannak. A vezetékek csak rá vann téve a PAD-ekre, de ténylegesen bekötve nincsenek. Ha az alkatrészre (SMD) kattintasz és nyomsz egy középső gombot (v. egérgörgőt ) vagy a mirror paranccsal is át tudod fordítani az SMD-ket bottom oldalra. Üdv.
Igen, azóta megtaláltam a tükrözés gombot, azzal kellett volna kezdeni, de azt hittem, hogy az egészet egyszerre is lehet tükrözni (ahogy nem, vagy még nem találtam meg, hogy) én is rájöttem pár dologra, de ez elsőre így sikerült
Remélem a 21-es lábat nem felejti el senki a testre kötni...
Le a kalappal!
A kapcsirajzát meg magát a készüléket elnézve simán kinézem belőle hogy kávét is főz
Szia. Szerintem még akkor is megérné talán, én megyek majd egy elektromérnökhöz lomolni, majd nézek hozzá cuccokat, ez bőven megérne szerintem egy cikket is, remélem indultál a videópályázaton ezzel a csodával. Vagy csak fer akartál lenni és nem. Hegesztettem már 1 gazdaságos és 1 házi inverteres géppel is, ég és föld a különbség. Talán én is kész leszek a házi hegesztőmmel, sajnos a trafó kicsi de legalább a híd bírja, majd egy jó nagy ventilátorral meghűtöm. Már egy féléve félkész állapotba van. Az após gazdaságos gépénél fényévekkel jobb már ez is, profi inverteres gép árából meg talán 4 ilyet össze lehet hozni és ez sem marad alul maximum súlyban +2 kg.
Mekkora lett az össztömege???
Simán! 120A-el, még meg is pörköli hozzá a kávébabot.
Tényleg extravagáns!
Megépítettem egy sorkimenő (HR) tesztert,egy ESR mérőt mihez most jön a műszer de már ki lett próbálva és működik is!
Építettem még két PIC égetőt egy LPT portosat és egy USB PIC2 klónt (Szilva féle).Ma sikerült velük égetnem is!
Igen az csak gyorsan összedobtam hogy a fölélesztett panel működik-e egyáltalán.
Szia. Pontosan mit tud a teszter? Milyen mod van sorkimeno tesztelesere elmeletben, gyakorlatban?
A működés röviden:
IC1 egy dupla műveleti erősítő, melyek közül az egyik 100 ms-onként létrehozza a teszteléshez szükséges impulzust. Az impulzus kb. 4 ms-ig tart. Ez egyrészt továbbításra kerül a sorkiemenő irányába, másrészt rákerül IC2 reset lábaira, alaphelyzetbe állítva azt. Az impulzus végeztével a sorkimenővel alkotott rezgőkör csillapított rezgéseit IC1 másik része erősíti fel, négyszöggé alakítja és továbbítja IC2 bemenetére. IC2 megszámlálja az impulzusokat és ennek megfelelően kapcsolja be a nyolc ledet. Értelemszerűen minél több világít, annál több impulzus jött vissza a sorkimenőből. Nyolcnál több impulzus esetén nem lesz változás a kijelzésben. A folyamat addig tart, amíg korábban előállított impulzus az eredeti kb. 15%-ára esik vissza. Ezután a műszer tartja az utoljára kijelzett értéket egészen 100 ms-ig, mikor is indul az újabb ciklus. A könnyebb érthetőség kedvéért: A műszer pontosan úgy működik, mintha egy pohárra ráütnénk egy kanállal. Az ütéssel beadott energiát a pohár a saját rezonanciafrekvenciáján sugározza le egyre csökkenő amplitúdóval. Ha a poharat "lefojtjuk" valamivel (=menetzárlat), pl. kézzel, akkor az ütés után csak egy rövid tompa hang hallatszik.
Hála istennek pár hónap görcsölés meg tervezgetés után elkészült az ST151-es erősítőm nyákja! Lehet elkezdeni beültetni csak az még újabb pár hónap mire lesz pénzem az összes alkatrészre
Íme a kép!
Én így állok: panel beültetve, holnap élesztés!
üdv
Gratulálok!
Jó lett! De a csillámlemezekre figyelhetnél jobban is hogy ne álljon ferdén Azért mégis csak úgy szebb... Ezek szerint igaz, hogy felhagysz a csöves múltaddal... Nekem is kéne lassan építgetni valamilyen erősítőt.. Csak hát előbb trafót kéne intézni.. Egyébként ez a végfok mit tud?
Minden elismerésem és tiszteletem a munkádra és a gépedre! Mondom ezt én,ki már épített ilyen gépet sikeresen,bár azok nem PIC vezérlésűek.Szívesen látnék több képet a gépről és kíváncsi lennék még néhány műszaki adatra is.A rajzon nem látom a két diódát,melyek a főtrafó lemágnesezését végzik,a snubber viszont ismerős.Nincs kedved átnézni az inverteres hegesztőtrafó fórumra?
Üdv mindenkinek!
Építettem egy kis 12W-os tápot. Ez a 2. aminek panelt is csináltam. Valamint az eredeti pufferkondiát kicseréltem egy 33000µF-os kondira. Voltak gondok de sikerült! Gondoltam megosztom veletek!
Nekem az első kb ugyan ijen volt, de szerintem 12V-os tápot akartál írni, lényeg, hogy én csak bátorítani tudlak, jó lesz az, csak így tovább, esetleg próbáld meg a vasalós megoldát mint nyák készítés.
Üdv.
Vasalós? Az milyen? Amúgy 12W-os mert 12V-ot tud 1A-el.
Köszi a biztatást!
A gyakorlat teszi a mestert! Csak így tovább! Az elektronika egy olyan drog,amit ha egyszer megkóstolsz és megszeretsz,az a sírig elkísér.
33000µF ???
Nem sok az egy kicsit? Szerintem egy 1A-es táphoz 2200µF is bőven elég...Amúgy szép munka. Nekem sose sikerült kézzel elfogadható minőségű nyákot csinálni, valamit mindig elszúrtam. Vagy alámart, vagy nagyon rondán rajzoltam...
Köszi!
|
Bejelentkezés
Hirdetés |










)











Gondoltam megosztom veletek! 








