Fórum témák
» Több friss téma |
Mielőtt kérdezel, a következő két dolgot ellenőrizd!
I. A helyes tápfeszültségek megléte.
II. A kimeneten van-e egyenfeszültség.
Élesztés.
A kimeneten mért DC szint= offset .
Brumm a kimeneten AC feszkó ...
Talán segít, hogyha nem húzod tejesen fel a hangkártyád jelszintjét, vagy elnémítod a mikrofon és a vonal bementett, a tálcán jobb oldalt hangerő ikon.
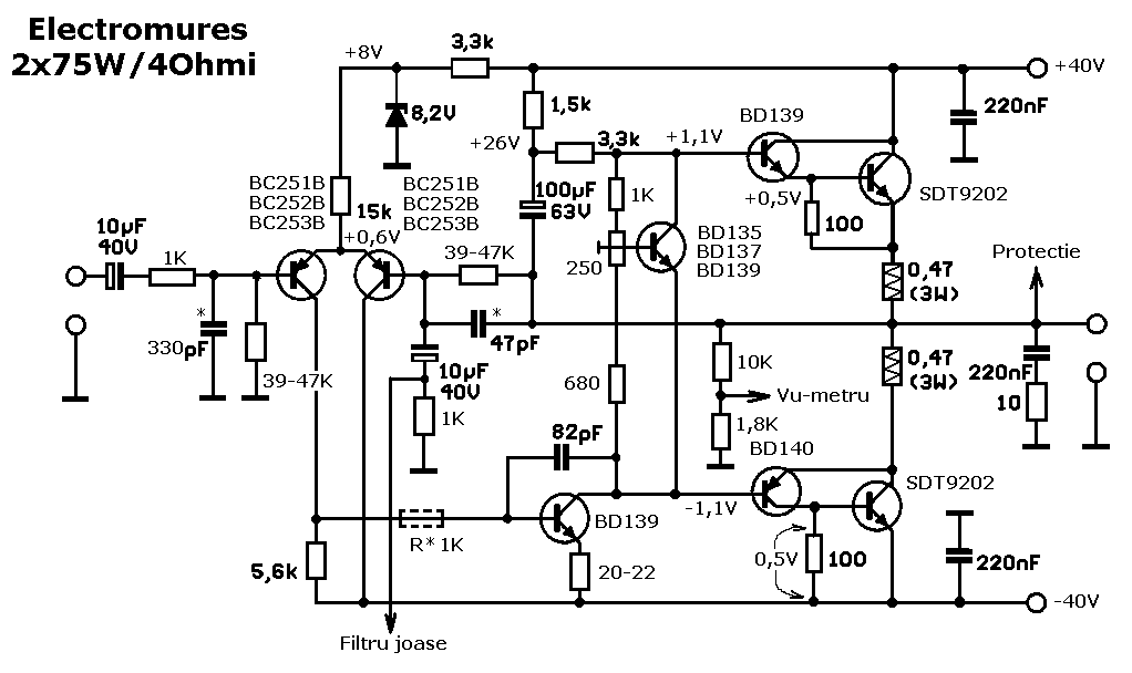
Sajnos a nagy tesó rajza sincs meg nekem elég szívós , hiperszil trafó van benne, a Mures erősítők átka a potmétereket ki kell cserélni, recsegnek meg alig lehet forgatni őket. Továbbra is vadászom a Delia rajzát meg az enyémnek hátha meg lelem, mind a 3 fajtát javítottam meg vannak az ismerőseimnek.
Értem, köszönöm a felvilágosítást. Ezt én egy kalap alá vettem eddig.
Az utolsó kettő:
Megj.: Ha egy modi erre jáj kérem törölje az első két hozzászólásból a mellékleteket! Vagy a hozzászólásokat. Köszönöm!
Probaltam mar a hangarin a hangot lenneb huzni, semmi valtozas, mute jeloles sem segit, azert kerdeztem h mit jelent a x0,1 gomb mert regebb az bevolt nyomva mikor hasznaltam, csak mikor atraktam volt a TDA-t ugye ki volt kotve minden, s azota nem kotottem vissza mindent a hejere, s mikor be volt nyova ugye nem volt zajos.
Rakerestem a rajzokra, talaltam is roman forumokon, es lapokon, csak eleg sok tipus van, itt elottem is mar raktak fel, ha netan nem lesz koztuk ad meg a tipus kodjat, en ezeket talaltam hirtelen: Innen szarmaznak: http://niqro.3x.ro/diverse/diverse.htm
Gyenge volt a minoseg, az iment nem figyeltem...
Bővebben: Link Bővebben: Link Használd a link gombot! szamóca
Nekem ezek a Delia rajzok vannak még:
Köszönőm a rajzokat mindkettőknek, az Elektromures 2*75wattosnak a típusa, As 2*75, TIP 75202, S.T.I 528-88, hátha előkerülne a rajza valahol ennek is.
Szia. Erre gondoltál?
sziasztok!
lenne egy kérdésem. én egy digitális hangerőszabályzót építenék az erősítőmhöz, és egy 15 lépéses hangerőszíbályzó lenne. az elvéről annyit, hogy egy 4067 kapcsolgatja az ellenállásokat, és így növeli-növeli, és halkítja a zenét. a kapcsolás itt található a kérdésem, pedig, hogy valóban a 330 ohmos ellenállásokkal építsem e meg? mert ha jól tudom lugaritmikusan kéne szabályozni, így szerintem mindíg többet kéne az ellenállásból rárakni. bár ezt nem tudom biztosan, és ezt szeretném megkérdezni. köszönök minden választ előre is. lewi
Na meg van, tele vannak a roman forumok, mindenfele Electromures rajzokkal, AS 75202 tipusu meg van, amugy rajottem h a tipus kodban benne van h milyen teljesitmenyu, ez pl 75202= 75x2, az utolso ket szam nem tudom mi lehet, talan a THD 0.2%.
Minosege a kepnek kicsit gyenge de jobbat nem talaltam.
Ez egy sima 5K(lin) potméter helyettesítő áramköre. A konvox "hangkártyák" kapcsolásához hasonlót kellene összehoznod, ha hangerő szabályzásra akarod használni.
esetleg ezt ki tudnád fejteni bővebben?
![]() tudnál pár instrukcióval segíteni? köszi lewi
Ilyesmire gondoltam. "B" le lenne földelve "A" lenne a bemenet, "C" pedig a kimenet. Szükséged lesz 16-16 db egyforma értékű ellenállásra. Ha 1k helyett nagyobb ellenállásokat használsz fínomabban tudod szabályozni a hangerőt.
én eredetileg egy hálóellenállással oldottam meg. így scak egy 1K-s plusz sorral kell kiegészítenem.
csatolom ez eddigi nyákrajzot. ez egy 7 szegmenses szintkijelzővel is el van látva, és sztereo rendszerű Ne keljen már külön mindenkit megkérnem hogy használjon nagybetűket!
Udv,
Lenne egy kerdesem. Ezeket az erositoket ugymond tul lehet hajtani (Electromures AS15201)? Pl. egy jo nagy input jellel, s feltekerve max ra, Van bennuk valami ami limitel? En amenyire ertek hozza, ugy lattam hogy nincs ilyen. Adig lehet elmeletilek huzni amig fustolnek a tranyok :eek2:?
Szia!
Nincs bennük limiter, de az embernek azért van füle, hogy ne hajtsa torzításig.
Szevasztok!
Nagyon sok erösitö kapcsolást láttam már és épitettem meg, de a szimetrikus bemenetü kapcsolások mindig elkerültek. Tud valaki szimetrikus bemenetü erösitöt, vagy egy olyan általános bemenöfokozatot amit minden erösitöhöz meg lehet csinálni?
Köszönőm a rajzot, a max kimenő teljesítményét a tápegység feszültsége és a hangszóró ellenállása határozza meg. Meg van határozza az erősítőknek mekkora feszültséget birnak el a bemenő fokozatjuk, ha ennél nagyobb jelet adsz nekik torzitani fog, de nem ad nagyobb kimenti teljesitményit a fent leirt paraméterek miatt.
Ok, koszonom a valazokat!
Nem mindha egy erositto gyilkos lennek, s "fulem is van" a pc rol most is feszultseg felezovel hasznalom(4 ellenallat) mert ugye a pc hangarija 1V ig is adja a jelet, s ez az erositto a 500mV szereti, csak kivancsivoltam, hogy milenne ha...
Sziasztok! Egy nagyon fontos kérdésem lenne hozzátok! Van egy autós erősítém és hídba kötve az van ráírva hogy 4ohm subwoofer ! Nekem van két mélynyomóm és ha párhuzamosítom őket akkor 3ohm -ot kapok szerintetek elbírja vagy inkább ne is próbáljam meg??? mert nemszeretném ha elszálna az erősítőm! a válasz nagyon szépen köszönöm!
Hello !
Hughes & Kettner silver edition kombó gyári hangszórójának és gyári trafójának paramétereire lenne szükségem. A hangszórónál elég az eredeti típus, a trafónál kéne pl.: toroid-e?/középelágazásos-e?/feszültség?/teljesítmény? Köszi: Butuska
Nem a túl kevés ohm nyírja ki az erősítőt, hanem a túl sok amper. Ha nem hajtod túl akkor semmi baja sem lehet az erősítőnek.
Sziasztok
Megtudná mondani nekem valaki hogy ez mi lehet?
Egy csöppet jobb minőségű képet ? Vagy vaku nélkül ! Ha lehet .
Szia
Az IC, és a tranzisztor típusát írd le. Abból meg lehet mondani mi ez.
Jobb képet most nem tudok csinálni mert jó fényképezőt nem találom. Az egyik bd241c a másik bd245c
Köszi szépen!
És ez melyik típus?
Bocsi a hülye kérdésért
![]() de még kérdeznék egyet hogy ez mire jó? |
Bejelentkezés
Hirdetés |
























