Fórum témák
» Több friss téma |
Fórum » Csöves erősítő készítése
Ne feledd betartani a fórum viselkedési szabályait, és a topik megmaradásának feltételeit. [link]
A téma átmenetileg fagyasztva lett, hozzászólni nem tudsz!
Gyönyörű!
Ebben tényleg minden benne van amit szeretek. Egy kicsit 80'-as évek, műszer jelleg és csöves.
Olyan minőségi kimenőkkel tuti jó hangja lesz.
Sőt még egy olyanon is agyaltam ami ennek a továbbfejlesztett változata. Mindössze egy db kétszínű LED van a dobozon. Amíg az anódfesz késleltető nem húz meg addíg piros, utána átvált zöldre feltéve ha az anódáramok rendben vannak, ha nem, akkor marad piros, jelezve a hibát. Zöld csak akkor lesz ha minden rendben.
Sziasztok!
Szerintetek egy videoton r4902-esből nagy meló lenne egy gitár előfokot csinálni? Én nem értek túlságosan a dologhoz, csak érdekelne, hogy érdemes-e egyáltalán belevágni? Üdv: Mather
Nem felejtettem ám el a dolgot, megvan a rajz, mindjárt nekiállok átdolgozni. Meg kellett rendelnem némi faanyagot ládához.
Vagyis a 4900 rajza van meg, ami elvileg ugyanaz. (?) Egyébként a végerősítő része használható, az elejét kidobva viszont el tud látni legalább 3 ECC83-at, abból akár kőmetált is ki lehet hozni. Egyszer megcsináltam a Soldano SLO-100 clean-crunch csatiját, 2 cső elég hozzá, plusz úgyis van egy trióda még a végcsőben is. Az elég jól szól, tisztától rock-ig van benne minden ami kell. Plusz egy csővel meg a lead csatit is bele lehet rakni, csak kellenek relék a váltáshoz, ha lábkapcsolni akarod. Elsőre szerintem csak keltsd életre, és mindjárt küldöm a rajzot, hogy mit kell meghagyni benne.
Háát Barna, erre érdemes volt várni!
Nagyon szép cuccot hoztatok össze, 2db PCL86 nem is kaphatott volna szebb lakást! Remélem jössz Kecsóra, és a hangját is meghallhatjuk...
Ja bocsi, azt nem írtam, hogy nagyon szép lett, gratulálok!
Na, ez aztán tényleg véletlen lehetett! Jókor voltatok jó helyen.
DJHans (456093): Köszi az ötletet, nekem is van 2 színű LEDem, de sárga-zöld. A sárga lenne a felfűtés, a meglévő anódfeszé pedig a zöld. [off]Csak nem tudom, hogy mivel lehet megcsinálni, hogy ha megvan az anódfesz, akkor a sárga anódja ne kapja meg a feszt.
Tényleg jól néz ki, mint azt a többiek is megállapították. Nekem legjobban a szellőző nyílások megoldása tetszik.
Ettől valóban olyan "haditechnikai" megjelenést kapott.
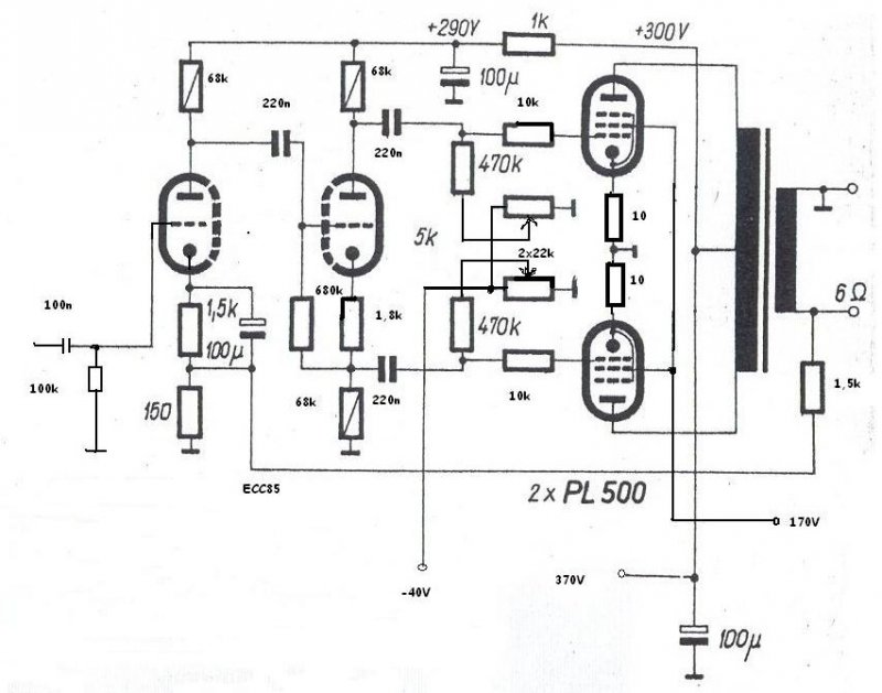
Sziasztok, a kérdésem az ,hogy az alábbi képeken a mindkettő pl500--e?
Köszi, a sárgaréz háló beragasztása csak a végefelé jutott eszembe főképp azért mert "túlságosan" látszott a toroid a réseken keresztűl, de mint textúra is nagyon tetszik a háló! Meg így kicsit olyan öreg gitár kombós feelingje van
Jó lenne nekem párat átpasszolnod a Pl500-ból, mert nekem csak 4drb van ,azt sem biztos, hogy jók láttam a rajzokból ki lehetne hozni belőlük 25-30 wattot is
Szia Pityu,
köszönöm dícsérő szavaid, a találkozóra sajnos tuti hogy nem megyek, akivel szoktam találkozni az tudja hogy a börzékre is csak bevágtatok max egy óra majd sietek is haza. Életem ezen korszakában (2 éves gyermekem miatt) egyszerűen nem tudok-akarok több időt szánni ezekre :yes: Gondolom az idő előrehaladtával lesz ez másképp mert azért az igényem meg volna rá
PL500 vagy PL504PP-ből kihozható 35-40W is gond nélkül, ez már szerencsére saját tapasztalat is.
3-4k Raa kimenő, 400-420V anódfesz, 150-200V segédrácsfesz. üdv
Egyik ismerősöm szétbontott egy csöves oszcilloszkópot. Nem tudta megmondani a típusát. A 16 csőből kaptam 2-t meg egy trafót. Ekkora trafóval nem tudok mit kezdeni, de ha érdekel valakit elcserélném valamire. 13*13-as a mérete, 7cm magas és kb. 28cm2 a keresztmetszet, R-vasból. Jó nehéz, olajban volt.
Nos kiválasztottam egy 25wattos Pl500 PP rajzot szeretnék, többet megtudni róla ( kimenő trafó méretei, hálózati trafó stb) és szeretném 8ohmosra a kimenőtrafót tekercsét tekerni .
Engem érdekelne a trafó, ird meg, hogy kérsz-e cserébe valamit! Miféle olajban volt?
Üdv:gkari
Van egy szerintem nagyon jó, amit ajánlok figyelmedbe:igaz, hogy "csak" 20W, de bombabiztos, mindössze a kimenő sec.-t kell 8 Ohmra módosítani, a teljes leírás(valamint még nagyon sokminden egyéb)letölthtő!
Bővebben: Link
Üdv!
Itt a nyár és belekezdtem a csöves végfokba. Minden készen van... Kivéve a trafót. Azon törtem azt a csöppnyi agyamat, hogy szereztem néhány csöves TV-t, szóval a hangfrekis kimenőtrafó is megvan. Egyet be is kötöttem (a végfok amiről épp szó van). Azonban a triódánál érdekes fényjelenségek jelentek meg és kikapcsoltam. Azóta nem volt rá időm. Most szeretném megkérdezni, hogy a szóban forgó végfokhoz hány ohmos trafót válasszak? Vagy ne is próbálkozzak? Csak ki szeretném próbálni, előbb-utóbb lesz hozzá saját trafó...
Az erősítö torzítását hogy szokták mérni ? Ha rajta van a hangszóró ? VAgy terhelés nélkül, vagy ohmos terheléssel ? :worship:
A TV-ből bontott trafó PCL86-hoz illeszt, így ahoz jónak kell lennie. Pontosan milyen fényt láttál?
Mint amikor vákuumban ívfény van. Szóval szerintem túl sok elektron szaladgált a K-A között... Gyorsan ki is kapcsoltam, de nem próbáltam még, csak kérdezem, hogy hány "kilóómos" trafót keressek. Nagy baja lehet a csőnek, ha kicsi az ellenállása?
Ha PCL86-ot használsz, akkor a TV-ből bontott trafónak jónak kell lennie. A triódánál nem szabadna akkora áramnak mennie, hogy ívfény keletkezzen.
Jól kötötted be a csövet? Milyen csövet használsz?
Lehet hogy gázos a cső
Új csöveknél előfordul kékeslilás köd a cső beljesében a kezdeti időszakban.
Használt, PCL86-os. Elméletileg és adatlap szerint jó. De majd holnap kiderül minden. Végül is akkor tökmindegy, hogy milyen trafó van a kimeneten?
van egy nagy marék, kb 8 db kis 3 cm átmérőjű déprez műszerem, 100 mikroamperesek! egyszer bevásároltam belőlük a börzén, hirtelen felindulásból, hogy jó lesz majd VU méternek, de nem lehet őket szétszedni (katonai, hermetikusan zárt "csomagolásban"), hogy skálát cseréljek bennük, ha gondolod , akkor megválhatok pár darabtól
pedig nem rossz ötlet! Én egyébként a fentebb említett műszereket Pre/Post előfok VU méternek vettem volna, mint az Ashdownokon, aztán rájöttem, hogy gitárnál nincs értelme, mert úgyis mindig kiakadna
, majd jó lesz basszuserősírtőre! Aztán rájöttem, hogy én ott is majd koppig tekerem a gaint, hadd torzítson a preckó, meg a "ricki", szóval ott is mindig ki lenne akadva egyébként a hátlapra kapcsolhatóan jó lenne, mert lehetne bárhol végcsöveket cserélni (akár 6l6-ról KT66 ra is ) |
Bejelentkezés
Hirdetés |


Egyszer megcsináltam a Soldano SLO-100 clean-crunch csatiját, 2 cső elég hozzá, plusz úgyis van egy trióda még a végcsőben is. Az elég jól szól, tisztától rock-ig van benne minden ami kell. Plusz egy csővel meg a lead csatit is bele lehet rakni, csak kellenek relék a váltáshoz, ha lábkapcsolni akarod.




Jól kötötted be a csövet? Milyen csövet használsz?
) 