Fórum témák
» Több friss téma |
Mielőtt kérdezel, a következő két dolgot ellenőrizd!
I. A helyes tápfeszültségek megléte.
II. A kimeneten van-e egyenfeszültség.
Élesztés.
Mackomester, akitől kaptam, kb ugyanezt mondta róla. Érdemes lehet nekiállni? A nyák az egy katasztrófa (szerintem). Hatalmas és TO-3 tokok vannak rajta. Aztán a hűtésére sincs ötletem. Meg kéne nézni egyet, hogy milyen a belseje, de eddig nem találtam róla képet.
Itt van, nézzétek meg, kiváncsi vagyok hogy mit szóltok hozzá:
Szerintem ilyen borda jó lenne hozzá, fejenként egy egy ventivel esetleg kettővel. Amúgy a rajza nekem is meg van meg az egyel nagyobb tesójának is viszont nyákom az nem volt hozzá. (most már van
köszi érte) Nekem is van egy pár gyári végfok rajza csak nyák terv az nincs hozzá.
Kiváncsi lennék a kapcsrajzokra. A nyáktervezéstől nem ilyedek meg, csak az "alkatrésztemető" kapcsolásoktól ódzkodok egy kicsit. Egyébként a PAA 1200 kb ugyan ez, csak magasabb tápról megy és mégtöbb végtranyó van benne
Ezt ugyan még nem építettem meg, csak a legkisebbik kistesóját, az pöcc-röff ment. Szerintem ez viszonylag egyszerű azt a szabásmintát elnézve amit felraktál, és van hozzá minden dokumentációm.
Ez elég ilyesztő
Nem számoltam meg a tranyókat, de van rajta kb 50 db Annak a kistesónak a rajzát feltennéd amit megépítettél és pöc-röcc ment?
Erre a kapcsolásra gondoltál?
Közben találtam egy 800W dokumentációval együtt, Anthony E holton tervezés, gondolom tud kevesebbet is alacsonyabb feszről.
A másik meg a kis tesó. 300W 4ohmon azért kijön belőle.
Az a 800-as tetszik. 450W 8 Ohm-on és egyszerű is.
Van tudomásod sikeres utánépítésről? A 7 pár fetet szerintem össze is kéne válogatni. Vagy elég ha egy szériából valókat vásárolok? Mekkora lehet a szórásuk?
Üdv!
Megépítettem a saját "shaman" erősítőmet, és meg vagyok elégedve. szkóppal mértem jel alakot és semmi kivetni valót nem látok a kapcsolásban. Aki egy egyszerű erősítőt szeretne építeni csak ajánlani tudom! Mellékelem a jel alakokat, az alsó periódus talán azért ilyen szutyok mert már igen csak bontott vagy-jó/vagy-nem alkatrészeket találtam otthon, de így is tök lineáris az átvitel.
Én ennyire nem vagyok penge ebben a témában, hogy ilyeneket kérdezz tőlem, én egy másoló utánépítő esetleg kicsikét fejlesztő emberke vagyok. Segítőkész is. Gyűjtögetek, információkat szerzek, és később a fejlesztgetések és után építések során próbálom alkalmazni a gyűjtött információkat. Konkrétan erről a végfokról nem tudok semmit, de ennek kistesójának sikeres után építéseiről olvastam egy komplett topicot, az csak 6 vagy 8 végFET-tel működött összesen, és tán 500W-ot tudott.
szerk.: közben megtaláltam, 6 végfet és erről van szó, csatolom. Ez is Anthony E Holton tervezés.
A többi dolog! Ja lehet azért ilyen zajos az alsó periódus mert csak össze van kábelezve a cucc
Valahol nekem is van egy 800w-os fets végem nyákkal mindennel. Ha érdekel felteszem. Most pedig itt az Elektro Voice P3000 érdekesség képpen.
Üdv!
Én is megépíteném a TDA 2030-as IC-re épülő kapcsolást. Holnap megyek alkatrészért és a kondik értékei nem teljesen egyértelműek számomra. Erről lenne szó 1db 1ľF ; 10u ;100n ; 470uF; 0,1uF; 1000ľF A három "u" itt most a mikrofarádot jelenti csak el van írva ugye? Továbbá még azt kérdezném, hogy a földpontokat jó-e ha fűtőtestre kötöm pl.? Köszi szépen!
Szia
A kondi értékek a következők abban a sorrendben, ahogy írtad: 1uF; 10uF; 100nF; 470uF; 0,1fF=>100nF; 1000uF. uF=> mikrofarád a mértékegység. nF=> nanofarád A földpont az csak annyit jelent, hogy a tápegységed negatív pontja. Máshova nem kell kötnöd. A fűtőtestre semmiképp se köss semmit, abból nagyon nagy probléma is lehet!! Ha valami nem tiszta inkább kérdezz, nehogy nagy bajt csinálj. Jó építkezést
Sziasztok!
Most csináltam 2 db mono erősítőt(10W) és kell hozzá 2x10K stereo potméter, hogy egyszerre szabályozzam a hangerőt. Na most milyen kell A vagy B, mert nem tudom mit jelent, meg logarikus, vagy lineális? Vagy ez mindegy? Köszi előre is!
sziasztok !
azt szeretném kérdezni hogy , a keverőpulttra aminek csak egy mester kimenete van lehet-e két erősítőt kapcsolni ,ha csinálok egy elosztót szigetelt vezetékből? Tehát keverő (sztereó)kimenet ----> elosztó ----> két erősítő (a két erősítőn ugyan az a mester hang) azaz 2 erősítő 2+2 hangfal. A lényeg az lenne ,hogy ne legyen egyiknek se baja (nem ugyan az a két erősítő wattban sem) és ne veszítsünk túl sokat a teljesítményből . segítségeteket előre is köszönöm. ui.:Tamás
Szia!
Szerintem lehet, hogyha a keverőnek stereo kimenete van. Méghozzá úgy hogy a 2 erősítő bemenetén a negatív pólusokat a keverő kimenetéhez az árnyékoláshoz bekötöd, és az erősítők bemenetén a pozítív pólusokat pedig bekötöd a keverő kimenetén lévő 2 külön ágra.És így elvileg a 2 erősítőn ugyanaz a hang megy és ha stereo erősítőd van akkor 2-2 hangfalat tudsz rá kötni.
Logaritmikus potméter kell, azt nem tudom A vagy B, mindig is kevertem, de boltban tudni fogják.
Persze, minden édekel, ami ebbe a kategóriába tartozik. Összegyűjtök mindent amit tudok és a legjobban tetszőt fogom megépíteni. Köszi.
Ekkora erősítőhöz már folyadék-, vagy gázhűtést használnék. Galvánüzemekben használnak 10 mm vastag réz sínt. Levágnék belőle annyit amennyi a tranzisztorok alá kell, és készítenék bele furatokat a hűtőfolyadék számára.
Szia! Igen arra gondoltam.
De tudok neked egyszerű rajzokat NYÁK rajzzal beültetéssel és szabadon választhatsz a teljesítmény és impedancia közt.
Itt a link az oldalhoz:
>>>>>> KATT <<<<<<
Eu szerint A lin B log Amcsi szerint meg fordítva
Nekem van is ebből egy működő példányom, NMOS 350 / 500 típusból. 3pár fettel csináltam meg +-56 volttal üzemel csak a védelmet lehagytam róla mert az külön van. Egyébként kitűnően üzemel persze ez is a kacatok közt végezte mire elkészült.
A napokban akadt a kezembe és lehet csinálok belőle egy SUB mono végfokot.
Legalább most már tudom hogy működőképes a kapcsolás. Neked erről a feszről hány watt körül szólt?
Sziasztok!
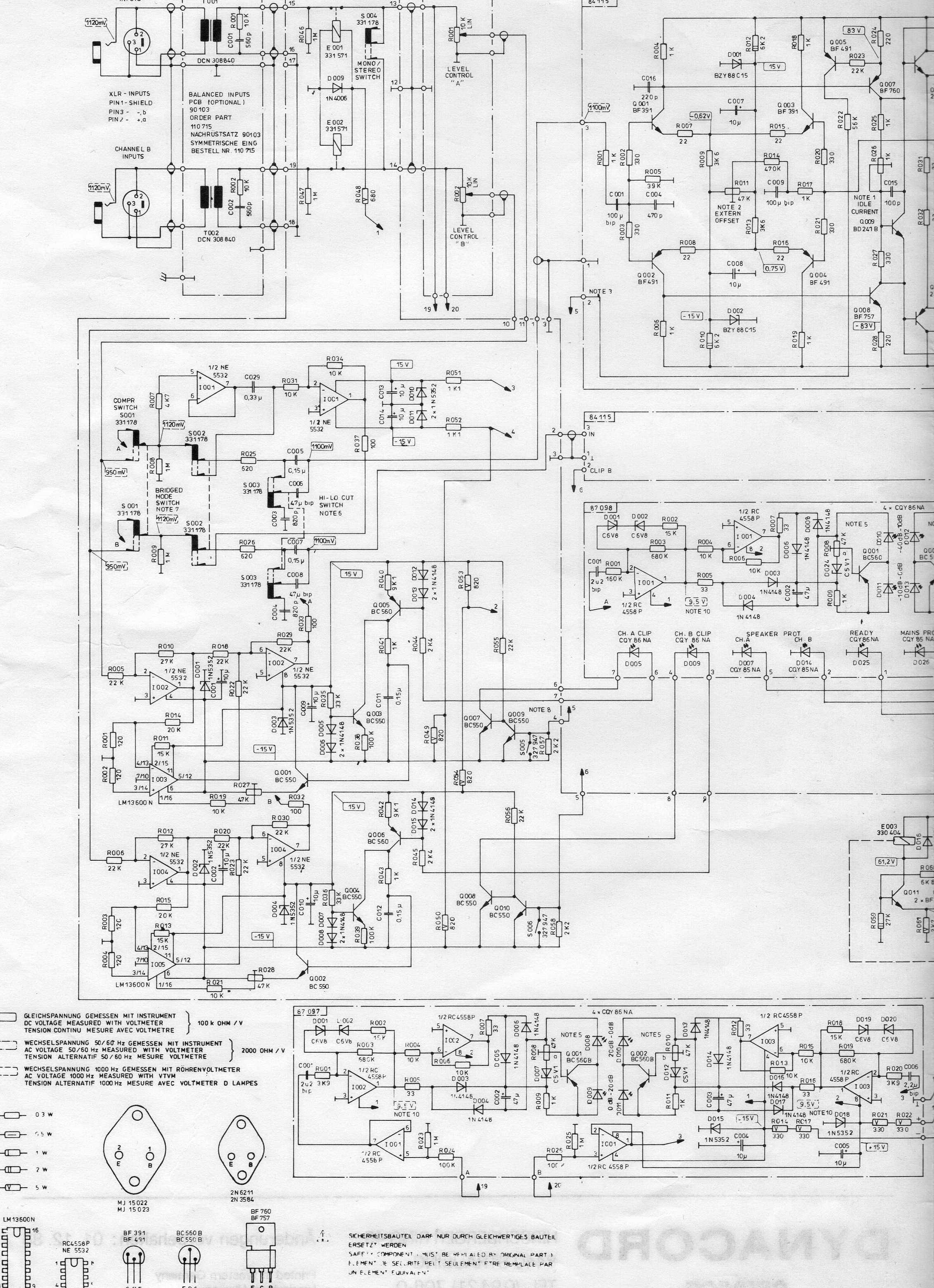
A képen az a kondi amit bekereteztem az 47pF-os vagy 47nF-os?
Bocs az előbb elírtam a feszültséget +-65 volttal próbáltam elsőre ment a végfok csak be kellet állítani a kimeneten a DC-t meg a nyugalmi áramot. Kísérleteztem
vele egy darabig 70mA bizonyult a legjobbnak. 200W-os műterheléssel járattam több órán keresztül csúcson amikor még éppen nem torzít, persze meg volt hűtve rendesen mert ekkor azért befűtene egy két személyes sátrat, de nem szakadt el semmi kibírta úgyhogy le lett tesztelve. A 600W-os toroiddal ami DC -+65v 29.000µF pufferrel, egy reflex C150-est simán lehajt akár koppanásig. Ha hangosítasz is kontroll ládát teljesen jól lehet vele hajtani, persze ha nagyobban csinálod akár mélyre is jó. Nekem 3pár FET van benne, így a leírás szerint evvel a feszültséggel ami nekem van 185W 8Ohm, 335W 4Ohm. Ez már elég jó, és szerintem persze ez az én véleményem jobb a hangja mint a GIANT-os GPA300 nak, függetlenül attól hogy abban még "ránézés védelem" is van.
Köszi a linket. Az actrk-600 as kapcsolás ránézésre meg is felelne. Tetszik hogy nem komplementer kapcsolás, hanem IRFP-450-ekből van. A tápokhoz is ilyen fetet használok, így jobban megérné sokat rendelni belőle, és összeválogatni is egyszerűbb lenne. Már csak a táppal lennék gondban, mivel egyenlőre sehol nem sikerült 1000µF - 100V-os Low ESR kondikat felhajtanom, 50V-osakat pedig nem szívesen kötnék sorba, mert úgy 4x annyi kéne a kívánt kapacításhoz.
Azért szívesen meghallgatnám, hogy mit produkálna
Kapcsi tápot kell hozzá építeni. |
Bejelentkezés
Hirdetés |








köszi érte) Nekem is van egy pár gyári végfok rajza csak nyák terv az nincs hozzá.















