Fórum témák
» Több friss téma |
Fórum » LED-es kivezérlésjelzők
Témaindító: KeserűCukor, idő: Márc 27, 2006
Témakörök:
Hello!
Lehet teljesítmény erősítő is, de nem feltétlen szükséges mert "teljesítményt" igazából nem kell szolgáltatnia.. Elég egy IC-s 2..10-szeres erősítő és mögé az egyenirányító. De én a helyedben a cikkben szereplő áramkört építeném meg, semmivel nem komplikáltabb. Ennek kimenetére, nem az analóg műszert kötném, hanem az LM3915-öt. (az LM3915-nél, meg R2 és R5 helyett, egy 8,2kohm kell) De látom nem olvastad el a cikket.. üdv! proli007
De elolvastam, és lehet hogy inkább a tiédet építem meg mert 2 az 1-ben
,meg van hozzá nyákterv is. De akkor ha azt megépítem, akkor a kivezérlésjelző saját egyenirányítója elhagyható?
Hello!
Természetesen elhagyható, hiszen annak helyettesítése volt az eredeti cél . üdv! proli007
Sziasztok. kitermeltem egy rossz rádióból egy kivezérlésjelzőnek kinéző panelt. Van rajta egy TA7654P-s íc. Ha tudtok segítsetek.
Üdv:zotyó91
Itt van az adatlapja. Csak beírtam google-ba, hogy TDA7654 datasheet. A második oldalon ott van a kapcsolási rajz.
OK köszi a választ, küldöm a rajzot.
arra gondoltam, hogy a ledeknek külön leágaztatok egy - vezetéket amit majd egy tranzisztoron kerestül kapcsolgatok egy 555 jelével. jól gondolom? Üdv!
Hello!
Akkor ha jól értem, valami ilyesmire gondolsz? - Ha a CDS ellenállása lecsökken az R1 kétszerese alá, akkor a Led-ek már teljes fénnyel égnek. - Az R2 ellenállás értékével lehet beállítani, hogy sötétben mennyire világítsanak a Led-ek. Ha ezek értékét jól választod meg, akkor hozzá igazíthatod az igényeidhez. - A végfokozatban egy PNP darlingtont tettem, mert nem tudom, hány Led-et és mekkora árammal fogsz működtetni, és az 555-nek magas kimeneti szintje esetén, nem tud a tápra felmenni. A darlington meg 1,2V körül nyit ki. (Ha a negatív oldalon akarsz szabályozni, meg kell változtatni a kapcsolást.) üdv! proli007
Bxcnx:
Szerintem ne ezt építsd, mert drága, de a te döntésed! én tranzisztorosat építek: Bővebben: Link Ami nagy pénzt jelent, az a .... ühümmm... passz... ha kell nyákrajz akkor átküldöm...
Üdv.
Valaki tud kivezérlésjelzőhöz használhatót ic-t SMD kivitelben?
Én a helyedben nem az ic-set venném...
Bővebben: Link Ez olcsóbb szerintem, és smd-ben még olcsóbb, mint normálban... Ui.:én a ledekből 3 mm-eset venném nem smd-ben
Nekem sajnos azért nem jó ez a tranzisztoros,mert nem tudom,hogy itt milyen formában van a bemenő jel,ezért kéne ic-s. Spektrum analizátorhoz kellene.
Ha sprektum analizátorhoz kell, akkor is ajánlom neked, mert olcsó, és ugyan úgy beállítható, mint társai...
Sziasztok
LM3915-tel építek kapcsolást, ami ugye szintenként 1 ledet bír el, a célom szerint a 10 szintre, egyenként akár 15-20 ledet is raknék párhuzamba... Namármost azt gondolom hogy az ic-ből kijövő árammal kapcsolgatnék 1 tranzisztort szintenként, ami adja az áramot a led sornak. kérdés hogy ehhez milyen tranzisztort használjak és milyen munkaponti ellenállásokat, vagy egyáltalán hogyan lesz ez a tranzisztoros "áteresztés" hosszúéletű, kezdő vagyok, légyszíves segítsetek pontos tranz típussal illetve a köré kellő alkatrészek értékeivel... Adatok pl 10 szintenkénti illetve 20 db szintenkénti led meghajtásához... Van olyan ledem ami 5 voltos nyítófesszel bír, a többi 3v és mindegyik kb 25 30mA-t vesz fel... Előre is köszönöm mindenki segítségét!!!
Hello!
- A tranzisztort megoldani nem nagy gond. PNP "teljesítmény tranzisztorra" van szükség, Bázisban pld. egy 470ohm-os bázis-emitter lezáró ellenállással. Az IC árammal vezérli a Led-eket, így a tranyó fogja a 10..20mA bázisáramot kapni. 50-es bétával számolva, a kollektoráram akár 500..1000mA is lehet. (A tápnak is bírnia kell a strapát!) - A Led-ek párhuzamos kapcsolása, nem túl szerencsés. Az áram csak akkor oszlik meg rajtuk, ha pld. 25mA árammal hajtva, a nyitófeszültségük azonos. Tehát minimum válogatni kell őket. Ha a tápfeszültségbe belefér, akkor amennyit lehet sorba kell kötni. Így az áram hasznosítása is jobb lesz. De minden sornak illene külön előtét ellenállást számítani, és ezeket már lehet párhuzamosítani. - Tehát első sorban a tápfeszültséget kell tudni, mekkora áll rendelkezésre. Esetleg lehet alkalmazni, +- tápfeszültséget is. pld. az IC kapja a 0/+12V-ot. Mivel a tranzisztorok emittere a +12V-on lesz, a kollektor a Led-eken keresztül, a -12V ból üzemelhet. Így a Led-ek feszültségének, már 24V feszültséget számolhatunk. - Ha 3V-os Led-ekből sorba kötünk 7db-ot, akkor az 21V-ra jön ki.24V-ból, marad az előtét ellenállásra 3V. Ha 30mA árammal számolunk, akkor 100ohm-os előtét ellenállás kell, ennek a sornak. Ha most 3 ilyen sort párhuzamosan kötünk, akkor abban 21db Led van, és a teljes áramfelvétel, 90mA. Tehát ide egy BD140-es tranyó, bőven megfelel. (de egy BC327, vagy BC640 is megteszi) Ha 5V-os Ledeket választjuk, akkor egy oszlopban 4db kapcsolható sorba, így 5 oszlopot kell párhuzamosan kötni. Mindegyik sornak külön-külön 120ohm-os előtét ellenállással. 3V-os Led-ekkel a teljes tápáram 10 szintre, 900mA. 5V-os Led-ek esetén, ez már 1,5A tápáramot jelent. Remélem, érthető az okfejtésem számodra. üdv! proli007
Azt hiszem minden kérdésemre megkaptam a választ... Nagyon köszönöm a segítséget!!!
Üdv!
Én megépítettem ezt a kapcsolást és egy olyan kérdésem lenne, hogy az ic-nek mennyire szabad melegedni? 12V-ról megy.
Hello!
Tekintve, hogy az IC áramgenerátoros kimenetű és a Led nyitófeszültsége nem sokat von le a 12V tápból, 10mA Led-áram esetén, és ha mind a 10 Led ég, közel 1W a tok disszipációja. Az már szépen fűthet. Egyébiránt a maximális tok disszipáció, 1,35W, így 12V mellett a Led áram nem haladhatja meg a 10mA értéket. Mérd meg az áramfelvételét az áramkörnek mikor sötétek a Led-ek és mikor mind a 10 ég. Sötétben kb. 6mA, míg összes Led esetén, kb. 100mA áramra számíthatsz. Ha ez rendben van, akkor el kell hogy viselje. üdv! proli007
Sziasztok!
Ez szerintetek így működik?? A középen lévő led piros vagy narancssárga,mert zöld a zöld mellett nem üt annyira jól! (az ellenállás értékét nem tudom!)A ledek két irányba villognak! (#476408)-as hozzászólásban van a kapcsolási rajza!
Hello!
Van némi hiba. - A 2-es és 4-es láb ugyan egymással össze van kötve, de nincs a GND-re kötve. - A 9-es lábak, és a Ledek anódja, viszont nem a GND-re megy, hanem a +12V-ra. (A 10kohm-os poti mellett el kell vágni a nyákot, és a középső Led anódját meg lehet táplálni a +12V-ból. - Viszont a középső Led katódja sem 12V-ot kell hogy kapjon, hanem GND-t az ellenálláson keresztül. - A jobb oldali IC-nél, a 6-7-8 lábak össze vannak cserélve. (baloldalon jól van) - A tápra egy kondi sem ártana. üdv! proli007
Ezt a tervet találtad? Én nem néztem rá közelebbről, mert más tervét csak ismerős embertől fogadom el, akinek meg is van építve, és tudom, hogy működik. Ha találtad, akkor inkább javaslom, hogy ehhez az egyszerű kapcsoláshoz készíts Te tervet, azzal talán nem lesz ennyi probléma. Üdv!
A Baloldali IC-t fejjel lefele akarod berakni??? mert ha nem, akkor ott a hiba! Építs tranyósat Itt már beírtam...
Hello!
Idézet: „Építs tranyósat” Ha ezt még egyszer leírod, megharapom magamat.. Képzeld el, hogy mindenki ugyan azt a nőt szeretné elvenni.. Olyan nehéz elképzelni, hogy valakinek más tetszik mint neked? :no: üdv! proli007
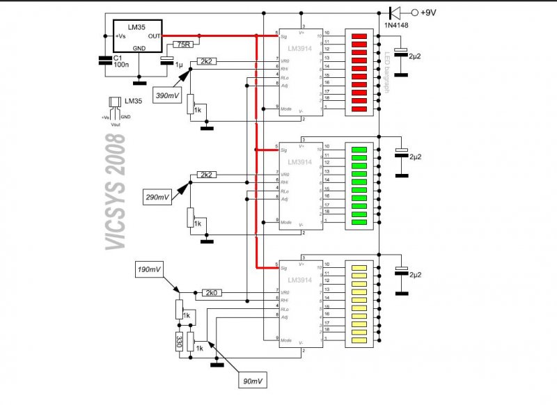
Sziasztok! Az lenne a gondom hagy megépitettem az lm3915-ös ic-vel a mérőt és ha áram alá helyezem (12v) akkor az összes LED világit. pedig mident a rajz szerint csináltam.valaki segitsen előre is kösz
ja és ez a rajz: Bővebben: Link Használd a LINK gombot! --vicsys
Szia!
Én is megépítettem az LM3915-ös IC-vel egy hőmérőt, és nekem is világít az összes led.Ez valószínűleg azért van mert valahonnan feszültséget kap az ic. De arra már rájöttem hogy ha kiveszem az ic-t meg a ledeket akkor is ott van az 5-ös lábon kb 1V.Szóval szerintem nem az ic-vel van a baj, hanem a NYÁK-on valami zárlat van. Bxncx
Esetleg a referencia feszültséget kellene leellenőrizni, meg a bemenő jel nagyságát. Ha rosszul van beállítva, akkor világít az össze LED.
Az enyémen akkor is feszültség mérhető, ha kiveszem az ic-t
meg a hőszenzort is. Szerintem nekem az a baj, hogy az ónban levő gyanta ráég a panelra és zárlatot okoz. Először tényleg ellenőrizd le a referenciát meg a bemenő jelet,ahogy Kovidivi írta. Ha úgy sem jó, akkor nézd meg nincs-e valahol zárlat vagy szakadás a NYÁK-on. Lehet, hogy neked is a NYÁK-kal nem stimmel valami, mint nekem. Bxncx Idézet: „Szerintem nekem az a baj, hogy az ónban levő gyanta ráég a panelra és zárlatot okoz.” A gyanta nem okoz zárlatot. Több 100Mohm lehet az ellenállása. De ha nem hiszel nekem akkor mosd le AROMÁS higítóval, vagy denszesszel a NyÁK-ot fogkefével. Ha a hiba továbbra is fennáll akkor akkor tutira nem a gyanta a ludas!
Márpedig nekem a pirossal jelzett vezetéken feszültség van akkor is, ha kiveszem az ic-t meg az LM35-öt is. Tehát tuti ,hogy a NYÁK-kal van a baj.Még elleszek vele pár órát, mire rá jövök a hiba okára.
Hello!
Nézd meg, hogy a pirossal jelzett nyákvezeték hol megy el legközelebb a tápfeszültség mellett. Ott a legvalószínűbb az átvezetés. A gyanta valóban nem vezet, sőt szigetel. Kivétel, ha tényleg szénné égetted (mert mint itt minden szénalapú). De hogy néz ki egy panel, ha össze van égetve? Annak megbízhatósága közel nulla. üdv! proli007 |
Bejelentkezés
Hirdetés |




,meg van hozzá nyákterv is. De akkor ha azt megépítem, akkor a kivezérlésjelző saját egyenirányítója elhagyható?









