Fórum témák

» Több friss téma
Fórum » Erősítő mindig és mindig
Mielőtt kérdezel, a következő két dolgot ellenőrizd! I. A helyes tápfeszültségek megléte. II. A kimeneten van-e egyenfeszültség. Élesztés.
Lapozás: OK   324 / 2573
(#) ferzoo válasza Cunici hozzászólására (») Júl 7, 2009 /
 
Szerinted mi most hogyan döntsük el igy látatlanul,milyen tranzisztorokat használsz?Eredeti jó minőségűt pl.Texas,RCA,vagy valami utángyártott olcsó kacatot.Meg hogy mennyi ideig melegíted?jó e a nyákterved ezt nehéz innen eldönteni.
(#) alexride hozzászólása Júl 7, 2009 /
 
Sziasztok!
Egy Videoton Aida RA6350S erősítővel az a problémám, hogy a bal oldal nem szól csak búg, eddig a jobb oldal volt csak használatban, de most a jobb oldal is elnémult, de ez nem is búg. Töltöttem fel képet a kimenetekhez tartozó panelokról. X-el van jelölve ami szét van válva vagy sérült (ha esetleg a képen nem látszana jól). A kérdésem az, hogy ezeken kívűl mit kell/érdemes még cserélni benne, és hogy ez lehet-e a baja? Előre is köszönöm a válaszokat!

DSC00443.JPG
    
(#) Dj TSM válasza berkigyuri hozzászólására (») Júl 7, 2009 /
 
Van rá megoldás,egy készenléti tápforrás kell ami álandóan üzemel,és egy kapcsolási rajz ami kapcsolja a relét,a relé pedig az erösitö trafóját.Van is valahol nekem erre kapcs rajzom.Megkeresem és felteszem ide.
(#) daykiller hozzászólása Júl 7, 2009 /
 
Sziasztok!

Van egy autórádióm, amiben elég gyenguska a végfok. 4x6W-os TDA7372A. Ezt szeretném kiiktatni és egy legalább 4x11W-os végfokot belerakni, minél kevesebb mókolással. Egy TDA7381-t néztem ki helyette, mert ez tud 4x15W-ot 4 ohm-on. Bár még meg kell néznem, hogy mekkora ellenállásúak a hangszórók a kocsiban, mert pontosan nem tudom, de szerintem 4 ohmosak. Amúgy full gyári hangszórók és a rádió is, valamint 6 hangszórós hangtechnika van a kocsimban. 2 csipogó, 4 normál 13cm-s 20W-os.
Jó nekem ez az IC vagy inkább nézzek másikat? Lehetőleg 4 ohmon tudjon 10W feletti teljesítményt leadni. Azért nem fogom lecserélni a hangszettet 2 ohmosra a kocsiban, hogy meglegyen a 10W a TDA7372A-val.
Köszi előre is!
(#) berkigyuri válasza Dj TSM hozzászólására (») Júl 7, 2009 /
 
Köszike. Rendes vagy pont arra gondoltam amit írtál.
(#) Bassmester válasza daykiller hozzászólására (») Júl 7, 2009 /
 
Szerintem ne a fejegységben cserélj véget. Ki kell vezetni a vonaljelet, közvetlenül az eredeti végfok IC bemenetéről, és egy külső erősítőről meghajtani a hangszórókat. Ha pl Bővebben: Link -ből csinálsz egy 4x20W-os véget, rendes pufferekkel, jó nyákkal, normális hűtővel, akkor az le fogja pipálni szinte bármelyik rádió beépített erősítőjét. A régebbi rádiómban (pioneer 2920MP) csupán 1 db 1000µF 16V-os puffer van. Hát nem röhely?
(#) Bassmester válasza Bassmester hozzászólására (») Júl 7, 2009 /
 
Bocsi, elrontottam a linket.

TDA 7386 -ot akartam írni
(#) Dj TSM válasza berkigyuri hozzászólására (») Júl 7, 2009 /
 
Szivesen,ha megépitetted és esetleg valami problémád lenne akkor nyugodtan irj,segitek amiben tudok.
(#) elektro777 hozzászólása Júl 8, 2009 /
 
Sziasztok!
Nem vagyok tisztába, ezekkel az RMS/zenei stb. teljesítményekkel.
Szóval én most vettem olyan hangfalat, aminek a teljesítménye: 200/500W RMS/zenei, és most ha én egy 100W-os quad 405-el hajtanám meg, akkor, azt a 100W-ot én milyen teljesítménynek nézzem?Tehát az RMS vagy zenei? És ezt a 400W-os erősítőt elbírja a hangfal?
Mert hogyha ez a 400W zenei, akkor elbírja, de ha RMS akkor nem. Na most én ezt honnan tudjam hogy RMS-e vagy zenei?
Előre is köszi!
(#) Mayan válasza elektro777 hozzászólására (») Júl 8, 2009 /
 
Sajnos manapság üzleti fogásként mindíg sokkal nagyobb és látványosabb értéket írnak a cuccokra teljesítménynek. az RMS az tiszta szinuszos teljesítményt jelent, ez a valós. Minden más csak trükk és vevőcsalogató. A 100w-os quad az tényleg 100w. Gondolom azt még elbírja a hangfalad, de oda kell figyelni... A mutatott 400w-os erősítő szerintem tényleg 400w, azt már nem bírná el full hangerőn az tuti. Sajnos a mai ködösítés mellett már sokan nem tudják mi mennyi és mennyi teljesítmény kell valamire valójában. Már 5w rms is nagyon ütősen tud szólni minőségi, nagy hangfalon szobában. 100w rms már jó nagy termekbe is elég, vagy kültérre is.
(#) ZPKing válasza Dj TSM hozzászólására (») Júl 8, 2009 /
 
Szia mindkét trafón ugyan olyan dióda híd van azt hiszem 15A-es
A 300VA nál +-tápot csinál összekötött 2 vezeték ami a trafóról jön az pedig a gnd a másiknál szimpla táp Mindkét trafó vezeték be diódahídba.
semmilyen gnd nincs a hálózathoz leföldelve.
(#) varttina válasza alexride hozzászólására (») Júl 8, 2009 /
 
Szia!
Nem önmaguktól égtek le azok a tekercsek, túl nagy áram folyt át rajtuk. Érdemes lenne ellenőrizned a végtranzisztorokat, hogy nem-e zárlatosak.
A helyedben alaposan letakaríanám mindkét nyákot, ugyanis ha esetlegesen fémforgács került a készülékbe az is okozhatott zárlatot. Utána egyenként ellenőrizném a rajtuk található összes félvezető eszközt, és a trimmert. Valamint a tápfeszültségre is rámérnék, hogy szimmetrikus-e.
(#) Dj TSM válasza berkigyuri hozzászólására (») Júl 8, 2009 / 1
 
Majd elfelejtettem,a C mos 7. es lába a gnd,vagyis a test,a 14. es láb pedig megy a +9 voltra .
(#) Dj TSM válasza ZPKing hozzászólására (») Júl 8, 2009 /
 
A szimpla tápnál próbáld meg úgy,hogy a trafó egyik kivezetését a gnd be kötöt,a másikat viszed keresztül a diódán,azért hogy a trafó közvetlen kapcsolatban legyen a közös testel.Nekem hasonló problémák voltak régebben,mikor 2.1 es erösitöt épitettem és 2 trafó volt.Nekem segitett ez a megoldás.
(#) berkigyuri válasza Dj TSM hozzászólására (») Júl 8, 2009 /
 
Dj TSM.
Olvasd el légyszi a pü-t mert megakadtam.
Kösz ezt is akartam kérdezni.
(#) Dj TSM válasza berkigyuri hozzászólására (») Júl 8, 2009 /
 
Már válaszoltam is mindenre,én is elkezdtem egy másik ilyen épitésébe,csak én az erösitö kimenetét fogom kapcsolni vele.
(#) berkigyuri válasza Dj TSM hozzászólására (») Júl 8, 2009 /
 
Igen olvastam.
Így már minden teljesen világos.
Én inkább a tápot kapcsolom vele.
Köszönöm a segítséget majd értesítelek,hogy sikerült.
(#) Dj TSM válasza berkigyuri hozzászólására (») Júl 8, 2009 /
 
Szivesen segitettem.Várom a sikert.
(#) alexride válasza varttina hozzászólására (») Júl 8, 2009 /
 
Szia!
Köszi, és az esetleg okozhatta-e a hibát, hogy a kimenet két vezetéke véletlenül összeérintkezett ahogy összepakolták a hangfalakat, aztán lehetett érezni erős égett szagot, de későn lett kikapcsolva az erősítő?
(#) daykiller válasza Bassmester hozzászólására (») Júl 8, 2009 /
 
Valahogy jobban ragaszkodom az eredeti formához. Tehát a rádión belül megépíteni a nyákot pl, mivel úgy sem tudom beleerőltetni az eredeti IC helyére. Hely van bőven a végfoknál, talán még arra gondoltam, hogy vezetékezés, bár az nagyon csúnya munka lenne szerintem és amúgy sem szeretek tákolni, viszont praktikusabb lenne csak jól bekötni a lábakat, esetleg alkatrészeket cserélgetni és maradna majdnem eredeti megoldással. Azaz nem kéne átalakítanom a rádió belsejét, vezetékeznem, stb. Maradna az eredeti nyák. Remélem érted mire gondolok. A hűtése meg amúgy is megoldott, mivel azon az oldalon alapból vastagított a burkolat.
(#) ZPKing válasza Dj TSM hozzászólására (») Júl 8, 2009 /
 
Szia!
Ezt most nem igazán írtem
nem rajzolnál nekem egy móricka ábrát esetleg?
Igazából azt nem értem hogy legyen a szimpla táp meg a dióda híd
Köszi
(#) Szegedi Sándor hozzászólása Júl 8, 2009 /
 
Helló
Az lenne a kérdésem hogy miért nem szól ha a bemeneti(c4) kondi helyére elkót rakok?


Ja és a BD241-42 helyett BDX53-54 van(csak azért szerepel benne bd241-42 mert az van benne a programba).
(#) rammeradrian hozzászólása Júl 8, 2009 /
 
Tudtok ajánlani 12V-os olcsó egyszerű erősítőt? Olyan 15-20W-körül!
Lehetőleg NYÁK rajzzal.
(#) Dj TSM válasza ZPKing hozzászólására (») Júl 8, 2009 /
 
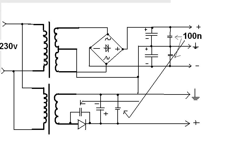
Tessék itt a kép,ahogy nagyjábol én gondolom.Egy próbát megér.

rajza.jpg
    
(#) ZPKing válasza Dj TSM hozzászólására (») Júl 8, 2009 /
 
Szia!
Köszönöm.
Még egy utolsó kérdés akkor az egy dióda az milyen legyen? vagy jó a dioda hid egyik bemenete és a pozitiv kimente is?
Köszi
(#) elektro777 válasza Mayan hozzászólására (») Júl 8, 2009 /
 
Szia!
Tehát akkor az erősítők teljesítménye álltalába RMS-be van megadva? Már mint úgy értem az ilyen kapcs rajzokon, nem a bolti erősítőkön. Tehát akkor a quad 405-nél nagyobbat ne tegyek erre a hangfalra? És akkor az a zenei terhelhetőség a hangfalakon az mit jelent?
Előre is köszi!
(#) Mayan válasza elektro777 hozzászólására (») Júl 8, 2009 /
 
Ja, szerintem az ilyen nem bolti erősítőknek a valós teljesítményét írják, itt nincs értelme ködösíteni. A zenei telj. az valami olyasmi hogy a zenében előforduló jelalakok és impulzusok másképp veszik igénybe a hangfalat. Az átlag kb. annyi lenne mint az rms érték, de egy adott pillanatban a többszöröse is lehet. De nem folyamatosan. Szerintem 100w -nál több nem kell a 200w-os hangfalra sem, főleg ha somogyi vagy hasonló, gagyibb márka.
(#) Dj TSM válasza ZPKing hozzászólására (») Júl 8, 2009 /
 
Persze jó a diódahíd,a két váltó bemenetét kösd össze és kapcsold rá a trafó kimenetére,a plussz meg lessz a kimenet ahogy te is irtad.
(#) elektro777 válasza Mayan hozzászólására (») Júl 8, 2009 /
 
Köszi a válaszod!
A márkája: REVELAND ami elvileg jó márka, de én nem értek hozzá. Ti ismeritek ezt a reveland-ot?
(#) elektro777 hozzászólása Júl 9, 2009 /
 
Sziasztok!
Bocs elírtam, a hangdobozt RAVELANDnak hívják.
Szóvel ezen a hangdobozon alul olyan bement van, hogy 2 db valami, oda van írva az egyikhez hogy + a másikhoz hogy- .
Na most ezeket belehet nyomni,(mert rugósak) de nem fér bele a 3,5 ös jack dugó, (mert nagyobb a bemenet) és a 6,3 as sem,(mert kisebb a bemenet) és rca sem.Ez milyen bemenet lehet? Milyen vezeték kell hozzá?
Előre is köszi!
Következő: »»   324 / 2573
Bejelentkezés

Belépés

Hirdetés
XDT.hu
Az oldalon sütiket használunk a helyes működéshez. Bővebb információt az adatvédelmi szabályzatban olvashatsz. Megértettem