Fórum témák
» Több friss téma |
Fórum » Csöves erősítő készítése
Ne feledd betartani a fórum viselkedési szabályait, és a topik megmaradásának feltételeit. [link]
A téma átmenetileg fagyasztva lett, hozzászólni nem tudsz!
Na jó, te vagy a topic reneszánsz embere :yes:
Kócosról mit tudsz, jön Kecskemétre?
Még nálam van egy pár SM102B vasa.
A térképen szerepel a neve, úgy néz ki hogy jön.
Akkor talán nem kell elpostáznom Neki, mert piszok nehéz
Igen nem vagyok még reneszánsz itt a topikban ! Ami azt illeti
Idézet: Ez sem olyan biztos mindenkitől van ügyesebb és még ügyesebb ! Csak csupán ügyeskedőnek mondanám magam ? De ha valaki szeretné látni a vasakat akkor Kecskeméten szombaton a találkozón megtekintheti ŐKET élőben is ! Viszem az elmult fél év csöves termékeit + két félvezetőset is ! „de a legügyesebb kezű”
Én fülesnek amúgysen szánnák kimenőre, de ez az én véleményem. Az EI120 pedig jó lenne kimenőnek. Én is építettem EL84-et, és a teljesítménnyel haladva, a 7cm2-s kimenőkkel eléggé jó, telt hangja volt, nekem tetszett.
Így már a GU-ra leszek kiváncsi a 12cm2-es kimenőkkel, 6N8Sz meghajtással. Cirokl (469812): Én is csatlakozom Köbzolihoz! Talisok: Remélem lesz tali, talán nem marad el, ha már ennyire készültök rá!
Idézet: NEM marad el meglessz tartva ! De jössz netán te is ? „Talisok: Remélem lesz tali, talán nem marad el, ha már ennyire készültök rá!”
[OFF]Ott leszünk Veled, Zolikám, szerintem Jani is jönne. Majd még egyeztetünk.
Nem megyek...
Zoli: Na látod, én nem is építek inkább füles erősítőt.
Idézet: Pedig ez nagy hiba mert minnél többen lennénk annál több hasznos eszmecserét tudnánk folytatni a csöves erősítőkről is ! Aki tud az mindenki jöjjön ? köbzoli : sajnos nem tudok most arra felétek kitérőt tenni ! De egyszer csak reméllem sikerül majd eljutnom hozzád is ! „Nem megyek”
Már nagyon várom hogy láthassam élőben is szombaton.
üdv
Majd ha közelebb lesz, elmegyek.
Márk valami jobb kifogást találj ki,
mi úgy is megyünk hozzánk beférnél, azt a 2,5 órát meg kibírod nem? Idézet: Nyugottan tegezhetsz ! Ja nem olyan nagy durranás az ? a kép meg a valóság az nem ugyan az ! „Már nagyon várom hogy láthassam élőben is szombaton”
Jó, jó, nem lesz teli a kocsi erősítőkkel, de ezt most kihagyom.
Cirokl: Most meg sóld le az épített erősítőidet !
Itt van a rajz amit mondtam. De ezzel az a bajom, hogy túlzottan nagy bemenő jelre lenne szüksége.
Az erősítőkre gondoltam!
Akkor szombat! üdv
A dolog egyszerű: előfok a régi rajzon két ECC82-vel, majd a C1, C7 csatolókonditól az új rajz végfoka jön.
Igen , ez az alapelve, szinte minden thereminnek. A legeggyszerűbb, az két 100-200kHz-es négyszöggenerátorból áll, az egyiket kézkapacitással elhangoljuk, a kimenetüket egy XNOR kapu bemeneteire vezetjük. En nek a kimenetén kapunk egy impulzusszéllesség modulált jelet, amit egy aluláteresztő szűrőn átvezetve megkapjuk a két oszcillátor frekvenciájának különbségét, színusz jel formájában . gyakorlatilag két 555, meg 4 db nand kapuból felépített, vagy 1 db direkte XNOR kapu IC. De ez itt TABU, úgyhogy próbálkozz a csövessel
Már én is régóta tervezem, de ahogy haladok a dolgokkal .... Amúgy csövesnél engem inkább az antennák érintésvédelemnek megfelelő szerelése aggaszt ...
807-es témához!
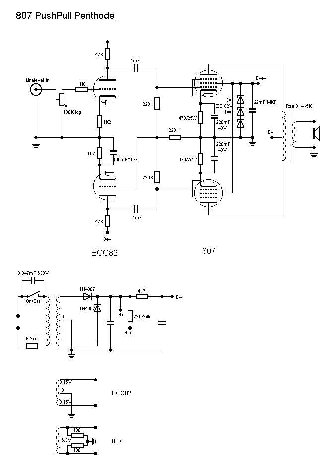
807 300 V anódfeszről AB osztályban, rácsáramos beállításban kb 3 kOhm illesztőimpedanciát igényel anódtól anódik. Ilyenkor azonban ( szerintem) érdemes a f.f után egy-egy katódkövetőt beiktatni. A várható teljesítmény 40-45 W. Trioda módban 400 V-ról kereken 3 kOhm az Raa, a kivehető teljesítmény : 15 W (ezt én "pazarlásnak2 érzem ekkora csöveknél .. ) Mindezek igazak, ha a Phillips adatlapja nem hazudik, illetve én jól értelmezem ![]() Egyencsőnek 2 db EZ81, de lehet elég az EZ80, vagy 1 db 5C4Sz ( 5U4, 5Y3, GZ34 ) kell
Köszi,de azért nem volt annyira gyors,mint ahogy tűnik.Az "alap"doboz már készen állt,csak a deknit kellett legyártani,amin a csövek állnak.Plusz a hátsó burkolat is más.Azért akadt vele munka bőven.
http://www.tali-transformers.hu/
Ha jól emlékszem már valaki előttem belinkelte ide. A honlapot még fejlesztik és nincsenek rajta csak ferritek, meg kell érdeklődni e-mailban, én ezt tettem és pár napra rá írtak hogy van ilyen ennyiért.
Igen,kb.annyi lehet,bár nem mértem még le.A kapcsolás teljes egészében ua.maradt,csak a végcsöveket dupláztam.Szó se róla,komolyat belerúg a hangszóróba,valószerűtlenül nagyot lendül a membrán...
A rajz 10W-ot specifikál,(egy pár csővel),de nálam az anódtáp kissé meg van emelve,mivel a katódkomplexumon mindig van némi veszteség,a hidegítés ellenére is.Hangjával meg vagyok elégedve,az illesztés így helyrebillent,valójában sokkal többet is javult,mint vártam.Feltétlen híve lettem a DC-csatolásnak,ez a kapcs-technika magasabb színvonalat prezentál a hagyományos RC-csatolásnál.Csak ajánlani tudom mindenkinek. :yes:
Köszi! Igen,jó dobozokkal akár döngetni is lehet vele.Szubjektíve még az udvaron is "hangosnak" tűnik.Ez után az erősítő után úgy vélem,az EL(6P14P)jó kis cső,de igazából kettesével érdemes vele számolni.Itt már megjelenik benne az energia,a lendület,képes lesz "sodrást" adni a zenének.Esetleg te is ezt a kapcsolást építed?
"Az OTL-t hallottam,nem mondom,hogy rossz,de nincs meg az a hang,ami a trafón keresztül jön a fülem felé..."
Ezt én is PONTOSAN ÍGY tapasztaltam.A hang maga nem lenne rossz,de valahogy elmarad a "varázsa".A trafót nem lehet megkerülni...sem átugrani.Vagy inkább úgy fogalmaznék:nem érdemes.
Attól még szép lett !
Biztos jól szólós! A sasszi emlékeztet a hangszererősítőknél hazsnáltakra, de ezt már említettem ! grat!
Korábban CHZ mester is tervezett egy teljesen DC csatolt PP kapcsolást, ha jól emlékszem, szintén EL84-esekkel. Szerintem - többségében azért marad a hagyományos RC csatolás, kezdők hamar kinyírhatják a DC csatolt kapcsolásokkal a végcsöveket, ha nem figyelnek kellőképpen.
Most egy PL500 PP-t hallgatok LG mini HiFi hangfalakkal, de nem annyira "szeretik" egymást. A 83dB/W sem egy kiemelkedő érték. Ezt egy kis SE nem igen hajtaná meg tisztességesen.....
Köszi! Elég "ütős" hangja lett.Ezekszerint nem jössz Kecskemétre...
Igen,a DC-csatolás egy kissé macerásabb,nem lehet fokozatonként éleszteni,csak egyben.De a minősége kárpótol a hátrányokért.Én is a használt ősrégi csövekkel indítottam el(...)
,de amúgy ez a rajz is bombabiztos,ha minden oké,nem történik alkatrész-károsodás. |
Bejelentkezés
Hirdetés |



Már én is régóta tervezem, de ahogy haladok a dolgokkal .... Amúgy csövesnél engem inkább az antennák érintésvédelemnek megfelelő szerelése aggaszt ...
Jönnek Szüleim látogatóba. 




