Fórum témák
» Több friss téma |
Fórum » Labortápegység készítése
Én így jónak látom, persze ez az egyik oldala, a kollektor kör összekapcsolása majd forrszemekkel, ideiglenesen alátétekkel van megoldva. ST tranzisztor van benne, nem hamis az, elég sokat kibírt, két oldalt elbír, az u alak egyik felét fűtötte csak fel nagyon, az alsó fél langyos volt. Kap még venntit is. A sarok csiszoló korong (125 ös) méret szemléltetésnek.
Doncso: Persze hogy kicsi 10x10, nem is azt mondtam, több tranzisztor, nagyobb felület, nagy borda nagyobb hőfelvevő képesség. Ez a borda is épp elég szenvedést okoz dobozkészítésnél, szellős lesz a belseje, nem baj az csak sok helyet foglal, de legalább az előlapon is lesz bőven helyem.
Lemezvastagság? Esetleg egy oldalnézet?
A hűtőfelület az biztos elég, a kérdés viszont az anyagvastagság, mivel a hőt el is kell szállítani.
hello!
Van egy kis gondom:S. Elszált a 2. 2n3055, pedig párhuzamosan volt kötve ahogy mondtad Kipróbáltam 2db 12V/21W-os izzóval és vége lett, párhuzamosan voltak kötve. Ha párhuzamos a fesz állandó igaz? Akkor viszont 2szeres áramfolyik nem de? Nem világítottak. Meg volt a csere, akkor 1db izzóval próbálkoztam, elvileg 21W/12V az 2A. Ha a 2 tranyóknak együt kell dolgoznia akkor mért a 2.-ik melegszik és száll el. Az első az mnidig ép volt idáig. Egy izzóval működött is és enyhén volt meleg a borda a venti segítségével. Mikor csak a venti volt rajta (24V-n pörgött), na akkor mondom mit is tud és direkt össze zártam akkor megint elszállt. ki kellet volna bírni-a nem? Holnap veszek tranyót és kisebb biztit a tápba. "2 db már 230W-ot tud plafonon, ez bőven elég" Jól köthettem a tranyókat? itt a kép,pirossal van, ahogy kötöttem köszi!
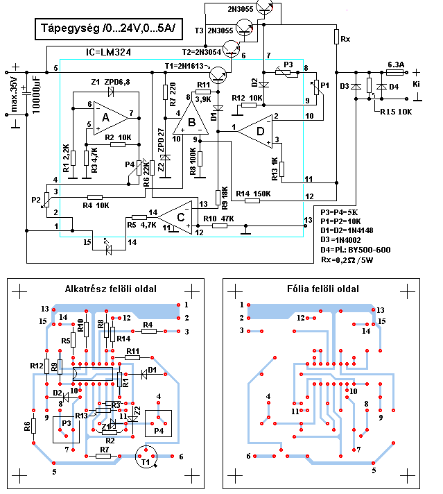
Nem értem hol van ebben 2db 2n3055-ös. Itt csak egy 3-as meghajtás van. A T2-es egy 2n3054, ami a 3055-öt hajtja meg. Ha ez nincs benne, akkor nem is tudsz kivenni nagyobb áramot, mert a T1 nem bírja meghajtani a végtranzisztort. Ha még be akarsz kötni egy 3055-öt, akkor azt a mostanival kösd párhuzamosan, úgy, hogy az emitterekbe tegyél egy-egy 0,22 Ohm-os 5W-os ellenállást, hogy az áramok egyenletesen elosztódjanak a végtranzisztorokon.
A tápod az "eredetileg" Rádió technika évkönyv 1985 számában közölték le, (151 oldal), ott az eredeti forrása is. Barátomnál ez a táp tökéletes, igaz 4 darab tranzisztorral, nagy hűtőfelülettel, 8 A jön ki belőle így maximum. Az emitter körben neki vannak 0.1 ohm 5w ellenállások. A tranzisztorokat próbálta dmm teszterével bétára válogatni (őszintén saccra se tudom hogy ez a módszer jó-e, szerintem nem), a tápja egyszer szállt el gratez hiba miatt, 25A kicserélte 35A ra, egy másik barátomnál ez a táp okozott problémákat, 1kW trafó iszonyatos hűtőborda és az Rx ellenállás megpatkolása egy 1,5 mm es tömör rézdróttal, hát nála ez az áramfigyelő ellenállás, persze ha rövidre zárja ellövi a tranzisztorokat. Próbáld meg az emitterköri 0.1-0.22 ohm ellenállásokat, tranzisztort csak egyben vásárolj, így talán ugyan azt a szériát kapod ki.
Ezt a jelenséget úgy írom le, van két ember, egyenként 25 kg t kell cipelni, kiadják nekik a munkát, ketten elbírnák a 25 25 kg-t de az egyik csak 2 kg-t visz a másik pedig 48 kg-t, persze kifárad a második embered. Közben jött egy megoldás, de ezek a tanácsok megállják a helyüket, ezzel a táppal való ismerkedés szülte a baráti körből.
Én így kötöttem volna, persze emitter ellenállásokkal, csak azt nem rajzoltam be.
Idézet: „z áramkorlát része működik a tápodnak? Vagy csak csinálod a zárlatot, közben nem is megy az LM 324 azon része.” Az durva lenne, bár meglehet.
Mi volt a probléma? Megnyúlt az Rx ?
Hello!
Mi a gond? Benne van a nevében, hogy "Rx"!! Amúgy ha megnyúlik, kisebb lesz a korlát értéke, nem nagyobb.. üdv! proli007
Mintha valakinek lett volna ez előtt hasonló problémája, szintén az IC vel volt probléma, de ott azt hiszem az volt a gond, hogy állandóan elszállt, és az áram szabályzással volt probléma, de nem emlékszem, hogy túl engedte az áramot, vagy nem engedett eleget.
Az előző beszélgetések indíttatásából, gondoltam készítek egy kis 2N3055-ös tranzisztor teszt videót. A kis videóból jól kivehető, hogy első lépcsőként 40W-ot majd következő lépésként 100W és 110W közötti értékeket próbáltam disszipáltatni a tranzisztorral, meglepően épp maradt a tranzisztor, ez látszik a dióda vizsgálatra beállitott multiméteres tesztnél a végén. Tovább is fűthettem volna a hűtőbordát vele, de mint látható ennyi idő alatt még a 60-70 fokot sem érte el, mivel kézzel simán fogható volt a borda a tranzisztornál, ez azért lényeges, mert ennyi ideig nem fogjuk rövidzárban tartani az előzőekben említett tápegységet. Szóval, a teszt alapján ki merem jelenteni, hogy 2 db 3055-nek elégnek kell lennie megfelelő bordával. Ezt a kis tesztet Alkotó mesternek ajánlom, ha még mindig kételkedne az állításomban.
Üdv. Bővebben: Link
Sziasztok!
Köszi a válaszokat! Sztem ott cseszhettem el, hogy én hülye a 0,22ohmot átváltottam kilóra:S. Az áramkorlát teljesen jól működik, az izzónál próbálgattam még mielöt nem szállt volna el. Tekergettem a panelon lévőt is és akkor is változott, szal sztem jó. Lehet veszek IC-t is. Hogy érted, hogy egyben vásároljam a tranyókat, egy gyártótól? Hamarosan megyek is alkatrészekért és akkor este próba. Remélem jó lesz. A 2 izzós próba mehet nem? párhuzamban 2db 12V/21W tehát max 4A üdv
Megnéztem a videót. Nálam nem volt hangja, nem tudom elhangzott-e valami a mérés közben.
Jó lenne egy rajz, milyen kapcsolásban volta tranyó a mérés alatt. Feltételezem hogy amit láttam az "valós idejű volt, tehát az egész teszt nem tartott tovább 1 percnél. Ez kevés a reális eredményhez, és főleg kevés egy labortáptól elváraható működési viszony szemléltetésére. Végül nem tudtam megitélni, hogy volt-e csillám a tranzisztor s a borda között, vagy sem. Elmondom az én tapasztalatom, ami részben ellent fog mondani saját meggyőződésemnek. Építettem a közelmúltban egy tápot, itt is fent van minden lényeges stációja ennek. Ez idő közben felment 50V-ra és megmaradt az 5A-es terhelhetőség. Ehhez van benne 4db 2N3055, szerintem elég jól hűtve. Sajnos itt szélsőséges esetben kb.75VA-t kell minden egyes tranyónak eldisszipálni. Az első 3-5 percben semmi gond az 5A-es rövidzárral, de ennyi idő alatt, már 70°C a tranyó és 58 körül a borda. Viszont az a baj, hogy még mindig folyamatosan emelkedik. Tehát célszerű lekapcsolni, amire majd lesz hőfigyelő automatika is. viszont ha csak 3A-nél csinálom ugyanazt, akkor órák alatt sem megy fel kritikus érték fölé. ÉS itt 45W jut kb. tranyónként. Ez is egy konkrét, életszerű teszt eredménye. Próbáld te is tovább melegíteni, mondjuk 10-20 percig. Szerintem már nagyon forró lesz. Alkotó Alkotó
Sziasztok!
Tápegységet szeretnék készíteni ami 0-20 voltig illetve 0-20 amperig állíthatósággal rendelkezzen. Lehetséges ez? Ha igen akkor hogyan? Vagy a legkönnyebb egy kapcsolási rajz lenne. Fontos lenne Köszönöm segítségeteket! Üdv jocki17
A tranzisztorokban van egy kristály ami maga a félvezető. A hő ezen a kis kristályon keletkezik. Ez a hő elvezetődik a tranzisztor tokozásához majd a hűtőbordához és azáltal a levegőt melegíti. Ez az 'út' amit a hő megtesz nem ideális hővezető, tehát hőellenállása van. A tranzisztoroknál a kristály és és tok hűtőfelületének hóvezető képességét vagy ha úgy tetszik hőellenállását az adatlapjukon meg is szokták adni a gyártók.
A tranzisztor akkor megy tönkre amikor a kristályhőmérséklete eléri a kritikus szintet. A kristályhőmérsékletet pedig nem tudjuk mert ahhoz nem férünk hozzá. A maximálisan eldisszipálható teljesítményt megadják a tranzisztorok adatlapján. De ez házilag gyakorlatilag kivitelezhetetlen hűtés esetén érvényes csak. Egy tranzisztoron hűtés nélkül eldisszipáltathatok én egy tized másodpercig mondjuk 200W-ot és utána a tranzisztor még csak langyos sem lesz. De az nem jelenti azt hogy akkor 200W-ot bír el a tranzisztor. A külső felülete lehet hogy csak 30 fokos, de belül a kristály ennél sokkal forróbb. Szóval egy tranzisztoron eldisszipálható teljesítmény nagyban függ a hőelvezetés milyenségétől, ezért a gyakorlatban nem illik megközelíteni a gyári maximumot. De a tranzisztor(ok) disszipációjának méretezésekor más dolgokat is figyelembe kell ám venni. Ha több tranzisztort kötünk párhuzamosan, akkor azok némileg másképp fognak viselkedni, nem lesz ugyan akkora a terhelésük, máshol kezdenek el kinyitni, más a karakterisztikájuk, más a "temperatura koefficiens"-ük. Ezek összességében azt eredményezik hogy ha a gyári határértéket megközelítjük akkor nagy eséllyel meg fogja adni magát valamelyik tranzisztor. Csupán egyetlen példa a most felsorolt dolgok közül: Például a térvezérlésű tranzisztorok azonos típus ellenére is más gate-feszültségen kezdenek el kinyitni. Mondjuk 100W-ot bír el 1-1db fet de én 180W-ot akarok rajtuk disszipáltatni ezért berakok 2db 100W-os fetet. Matematikailag a 2*100 az több mint a 180. Na de mivel máshol kezdenek el kinyitni, ezért az egyik gyorsabban nyit ki mint a másik és addig ő kapja meg a teljes terhelést. Mire a másik fet is kinyit, addigra lehet hogy már az első elfüstöl. Szóval nem olyan egyszerű a tranzisztorok disszipációját méretezni hogy mondjuk 40V 5A-es a táp, akkor az 200W, tehát kell két 100W-os tranzisztor... Nálam amúgy legalább egy órát vagy inkább másfelet szokás egy tápegységet járatni ha a melegedésére vagyok kíváncsi.
Max áramon, rövidzárban egy órát teszteled a tápot??
Nos... az enyém ezt nem bírja, szólok előre. Igaz nem károsodik majd, mert egy hőfoknál beindul a ventillátor, egy másiknál meg leold az egész. Legalábbis terv szerint. Alkotó
Egy kis alakítással ez jó lenne 20 volt 20 amrernak?
Persze feszkó és áram állítási lehetőséggel Vélemény?
Nem maxnál, mert nem volt annyi műterhelésem. Ezért csak 250W-al terheltem és több mint egy és negyed óra múlva kapcsolt be a hővédelem. Ez a most készülő tápom (SMPS labortáp III), annál a rövidzárt nem kell tesztelni mert attól nem fog megfőni. De lehet egyszer azt is kipróbálom.
Na akkor tegyük mostmár tisztába a dolgokat, mert össze vissza megy a beszéd.
Elöljáróban annyit, hogy nem labortáp működési viszony szemléltetéséről van szó egyáltalán. Az alap felállás az volt, hogy én azt mondtam elég 2 tranzisztor 24V 5A-re te azt állítottad 4 kell. Én azt mondtam 115W 70-80%-át el lehet disszipálni megfelelő bordával, te azt mondtad 1db 3055 = 1A (ezt privátba ugyan). Az állításom bebizonyítása végett készítettem neked ezt a videót, ahol 1-es táp C-E-n a kettes táppal nyitottam a tranzisztort, nem olyan nehéz a kapcsolása, mint egy műterhelés. De ha nagyon nem tudsz rájönni lerajzolom neked. Láthatod hogy 45-48V 2,22 A megy át a tranzisztoron és nem lett semmi baja, ezzel csupán annyit szerettem volna bebizonyítani neked, hogy az a táp amiről szó volt ettől kevesebb terhelést ad rövidzárlatban a 3055-ök nek, tehát kettő 3055-nek el kell hogy vigye a tápot. Ennél jobban sajnos nem tudom bebizonyítani neked. Azt mondod 10-20 percig hagyjam rajta? Minek? 10-20 percig hol hagyod rövidzárba a teszt áramkört? Vagy aki rajta hagyja az rakjon nagyobb bordát és fűtse a lakást. Idézet: „50V-ra és megmaradt az 5A-es terhelhetőség. Ehhez van benne 4db 2N3055,” Oké ezt értem de akkor 24V 5A-re minek szintén 4db 3055 ? Remélem meg tudtalak győzni, ha nem akkor nem. Üdv.
Nekem az a véleményem, hogy ide azért (20A-20V) már valami komolyabb előszabályozós kellene, disszipatívval ezt gazdaságtalan lenne megoldani.
Sajnos a feltöltött videódat már nem lehet megtekinteni, merthogy a rapidshare szerint elérte a letöltési limitet. Esetleg fel tudnád tenni máshogyan is (pl.: Youtube), mert én is kíváncsi lennék a mérésedre.
Köszi!
Valahová megpróbálom, csak a netem elég lassú és sokáig tart, de megpróbálom. 7MB-al nem akartam az oldalt terhelni.
Bővebben: Link
Így tudtam megoldani
hello
Az új 0,22Ohmos ellenállásokkal a táp igen jól megy. Most rendesen dolgozik mind a 2 tranzisztor. A rövidzár védelem is jól megy, kipróbáltam a kimeneten. remélem most már jó is marad köszi szépen mindenkinek aki segített
Üdv
Lecserélhetek egy 2SC1061-es tranyót egy BD241-esre? Inverterbe lesz! a 2SC1061 SI-N 50V 3A 25W 8MHz NF/SL és a BD241 SI-N 70V 3A 40W >3MHz NF/L Kössz a válaszokat! |
Bejelentkezés
Hirdetés |














