Fórum témák
» Több friss téma |
Fórum » Labortápegység készítése
Szerintem nyugodtan, csak nézd át a lábkiosztást.
Szia!
Csináltam két panelt, egyik gond nélkül megy. A másik 10.5V-nél lejebb nem megy .Fesz állító poti min -max tekerve 0 - 5,1V -ig változik Nem tudom mi lehet, pedig egyforma a két panel, forrasztás is jó, ic-t cseréltem :nemtudom: mit nézek meg? Üdv
Szia!
Most valamit nem értek. Azt írod, hogy 10,5V-nál lejjebb nem megy, aztán meg azt, hogy 0-5,1V-ig szabályoz. Először is meg kellene nézni az LM324 tápfeszültségét (4-es 11-es lábak). A referencia feszültséget is, az IC 7-es lába (rajz szerint, ha Alkotó féle nyákot készítettél akkor azt hiszem az IC 1-es lába). A zenerek nem-e fordítva lettek beforrasztva. Ellenállás értékek mindenhol jók? Üdvözlettel Pioneer
Szia!
24V, -5v megvan, 0-5,1V-ig , fesz szabályzó poti középső lábán mértem. Szabi Idézet: „0-5,1V-ig , fesz szabályzó poti középső lábán mértem.” Ez teljesen jó, az az 5,1V a referencia feszültség. Ha nullára tekered a fesz szabályzó potméterét, mekkora feszültséget mérsz a T1 bázisán?
Ez is normális érték. R16 és R17 biztosan 1Kohm-osak?
Ha igen, akkor a tranzisztorok környékén lesz valami disznóság.
1k-sak, tranyók újjak voltak, pedig működik az áram generátor is meg minden , de szabad kimenettel nem megy le 10.5V alá.
A rajzodon a 8 as lábon, alkotós nyákon a 13-as lábon 2.1V, ennél lejjebb ez nem megy. Diódák jók, tranyók nyitó fesze mindnek 500-600mV között van.. Nem értem! ![]()
Azt írtad, hogy a T1 bázisán minimum -4,4V-ot mértél, most pedig a 13-as lábon 2,1V a minimum.
Mintha valamelyik műveleti erősítő gerjedne. A C4, C5 1nF-osak? Esetleg próbáld meg 1,5 vagy 2,2nF-osssal. Ha megoldható, össze kellene hasonlítani a két panelen a feszültség értékeket.
Most nézem, hogy valami nem stimmel. Az LM324 8-as lába egy kimenet, a13-as lába pedig egy invertáló bemenet. Valamelyiket elírtad.
Elírtam, a 8 -st, 9 -esre gondoltam.
1nF van benne, ráraktam még 1-1 nf-t, de semmi változás Pontosítás, terheléssel (ventilátor) 2.8V a min fesz.
Akkor viszont az LM324 teljesen jól szabályoz.
Ha a T2-es tranzisztor bázisát és emitterét (R20-as ellenállás) rövidre zárod, lemegy e a kimenőfeszültség 0-ra? Idézet: „lemegy e a kimenőfeszültség 0-ra?” Nem megy le. BC tranyót kicseréltem semmi változás, ill 12.7V helyett 13V a max amit kap a bázisán. És tettem rá rendes terhelést, sorba két 12V 5W-s izzót, 0V tól 25V-ig szépen lehet szabályozni, az áram is rendesen dolgozik.. Az 324 picit meleg(másik kikapcsolthoz képest), akkor még is gerjed? attól melegebb?, 2n nem használt, kipróbálok egy 470pF-t :boxer:
Hello!
Idézet: „A kristályhőmérsékletet pedig nem tudjuk mert ahhoz nem férünk hozzá.” Dehogy nem! Állandó bázisáram mellett hidegen és melegen megmérjük a tranyó bázis-emitter feszültségét, majd kiszámoljuk az ismert -2mV/fokC összefüggéssel. A bázis elég jól a kristályon van. :yes: (Még egy borda hőellenállását is megmérhetjük beépítve a helyén.) üdv! proli007
Szia!
Persze, de úgy értem hogy üzem közben nem tudjuk a kristálynak a hőmérsékletét. Az újjunkat vagy a hőmérős digimultit csak a bordához vagy legfeljebb a tranzisztor tokjának külsejéhez tudjuk oda érinteni. A kristály hőmérsékletéről üzem közben nem kapunk 'információt'.
Még mindig azt mondom, hogy a tranzisztoroknál lesz a kutya elásva.
Örülök, hogy meglett a hiba. Szívesen segítettem.
Hello!
Akkor nem értettél meg. Én annak a tranyónak a bázis-emitter feszültségéről beszélek, ami fűti a bordát. Csak a mérés idejére egy pillanatra megszakítjuk a kollektoráramot és állandó bázisárammal tápláljuk. Akkor azt méred közel, ami a tranyóban uralkodik. üdv! proli007
Ja hát akkor igen.
Csak ehhez 'bele kell nyúlni' az áramkörbe. Ha a tok külső része vagy a borda a hőmérsékletét akarjuk megtudni akkor elég csak odatenni a kezünket vagy a hőmérőt. Ahhoz az áramkörben nem kell semmit sem megszakítani.Én így értettem, tehát hogy a kristály hőmérsékletét nem tudjuk mérni, legfeljebb csak ha beavatkozunk az áramkörbe ahogyan te is írtad.
Ötletre lenne szükségem.
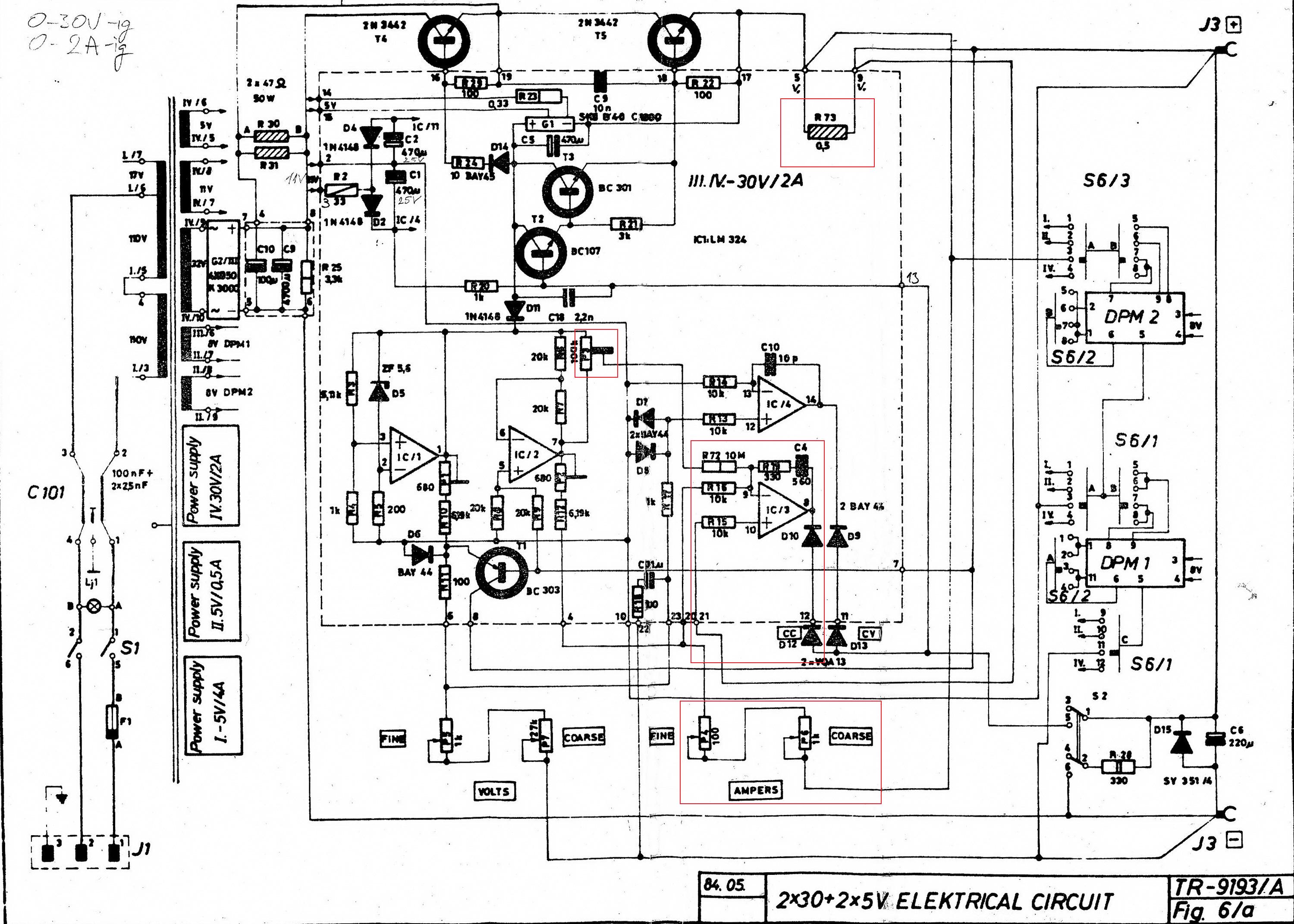
A melléklet szerinti gyári labortápol, a 90-es években csináltam kb 10 példányt. Eddig csak egyel volt gond, de azt simán meg tudtam javítani, mert tényleg rossz volt. Viszont most a sajátjaim egyik példánya nem működik helyesen. Mellékeltem a rajzot, meg pár fotót a kialakításról. A többi is hajszálra ugyanilyen. A hiba: Nem szabályoz az áramkorlát, nincs áramgenerátoros üzemmód, és a max áram sem a beálíltott 2A, hanem 3,86A. (Feszültség szabályozás hibátlan, stabilitása hibátlan, műszer egyaránt méri a feszültséget is, és az áramot (ennek értékét is helyesen). Az IC-t kicseréltem (több példányt is kipróbáltam), végtranyók jók. Többi tranyó is jó. Potikat leellenőriztem, egyik sem szakadt, mind szabályoz rendesen, trimmerek szintén jók. IC tápfesz rendben. Mint azt a fotók is szemléltetik "korhű" minden alkatrész! Esetleg valamelyik elkó? (meg lennék lepve). Minden tippet és ötletet szivesen fogadok, mert a saját tippjeim elfogytak. Ebben a kapcsolásban egyébként külön érdekesség, hogy van egy soros 22ohm/100W-os ellenállás a soros áteresztőtranyóval sorban, amit ha kell rövidrezár egy másik teljesítménytranzisztor. Ez azért jó, mert a képen látható bordával sem melegszik szinte egyáltalán.
Szia!
Csak tipp. Szerintem az LM324, foglalatában rosszul érintkezik, hosszú távon az IC-foglalatok illetve az ic lábai jelentősen korrodálnak.
Ha jobban megnézed, az egy egyenirányító híd.
Szia!
Én is valami kontakt hibára, vagy forrasztási hibára gyanakszom. Esetleg az R15 és R16 ellenállásokat ellenőrizd, hogy jók-e (10kohm-nak kell lennie mind a kettőnek). A D10 és D12 aminek az áramgenerátor részben még szerepe van, ezeket is ellenőrizd még le. Üdvözlettel Pioneer
Most újra megnéztem R15-R16-D10-D12 ket. Jók!, de ezek csak az áramgenerátoros állapot meglétének jelzését végzik (csak D12led, de a többi segít neki).
A kontakthibát úgy igyekeztem kizárni, hogy az IC minden lábán "értelmes" feszültségeket mérek. Annyi érdekesség van, míg az 1-es lábon szépen változik az érték a fesz poti tekergetésére, addig a 7-es lábon fix érték van (most nem emlékszem mennyi). Viszont nem tudom egyáltalán kellene-e itt változást látnom. Kellene? Köszönöm az eddigi tippeket, és várom az újabb ötleteket, ha még van bármi gondolat. A legbanálisabbnak látszó feltevéseket is kipróbálom. Elég kínos, hogy kifog rajtam egy ilyen egyszerű kapcsolás, de akkor sem találom a megoldást. Alkotó Idézet: „addig a 7-es lábon fix érték van” Igen itt fix értéket kell mérned, mivel ez a referencia az áramgenerátornak. Bejelöltem a rajzon azokat az alkatrészeket, amik az áramgenerátoros üzemmódért felelősek. Még a vezetékeket és azok forrasztásait is nézd át. |
Bejelentkezés
Hirdetés |




.


Csak ehhez 'bele kell nyúlni' az áramkörbe. Ha a tok külső része vagy a borda a hőmérsékletét akarjuk megtudni akkor elég csak odatenni a kezünket vagy a hőmérőt. Ahhoz az áramkörben nem kell semmit sem megszakítani.









