Fórum témák
» Több friss téma |
Fórum » Csöves erősítő készítése
Ne feledd betartani a fórum viselkedési szabályait, és a topik megmaradásának feltételeit. [link]
A téma átmenetileg fagyasztva lett, hozzászólni nem tudsz!
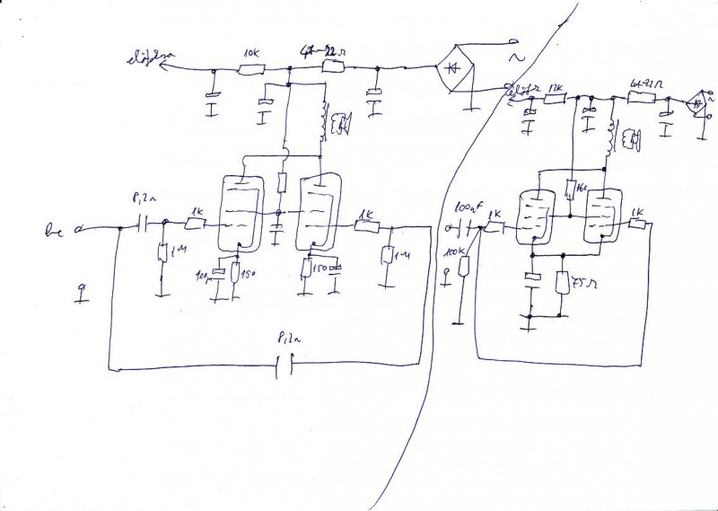
Sziasztok! Van egy gitárerősítőm, Egyedi Saját készítésű.
Az előfok tökéletesen működik ezzel semmi gond. A végfokozat viszont egyfolytában búg, decsak a 220V egyenfeszről. Ha 12V-ot adok neki akkor is rendesen szól (igaz nem hangosan üvölt mint 220V ról) de nem gerjed. Idáig egész jól működött az erősítő. Akkor kezdődtek a problémák amikor az előfok belekerült. Külön-Külön működik az előfok is meg a végfok is. De eggyüt nem akarnak valamiért. És most hogy benne van az előfok úgy gerjed hogy az csak na. :eek2: Az előfokot lekötöttem és úgy próbáltam a végfokot, úgy is gerjedt de ismétlem csak 220V-ról gerjed 12V-ról nem. Ha fülhallgató erősítőt vagy kis szoba erősítőt csinálnék el is menne a hangereje (1-2W) de ez rendes zenére kell oda meg kell 10W minimum. Az első próbáknál nyújtotta a 10W-ot rendesen. Ki is lett mérve de sajna az utóbbi időben nem úgy működik ahogy kell. Lerajzoltam az eredeti végfokot ami volt benne, és amit változtattam rajta. ez mellékelve van. Nyár eleje óta dolgozok rajta, nagyon megköszönném a segítséget! (mielőtt bárki is kötöszködne mért nem a csöves erősítő építése témába írtam, azért mert ez nem HI-FI Erősítő!!!) Nem kötözködésként, de a csöves topik sem hifi csöves topik. Minden csővel foglalkozó szaki ide jár. Akár hifi, akár nem! szamóca
Nem világos, mit is csinál, egyszer gerjedésről beszélsz, utána meg búgásról.
A gerjedés gátló ellenállásokat nem így kell bekötni, hanem a rács és a rácslevezető közé, ahogy a rajzon van. Ha búg, az lehet a táp szűretlensége (ha rövidrezárt bemenetnél is búg), vagy lehet rossz jelkábelezés miatt (ha hangerőfüggő).
Szerintem ha türelmes vagy biztos fognak segíteni.
Én úgy láttam, hogy ott fejeződött be a dolog, hogy elfogyott az ónod és megnézed a földhurkokat.
A segédrács is "megrángatja" a tápot, így semmivel sem jobb. A segédrácskört hagyd meg eredetibe, és a tápkört kezeld külön. 12V-ról meg már éppen hogy csak életképes egy cső, így nem sokat fog nyújtani.
Amúgy mekkora a katódáram csövenként (220 V tápnál) ?
Stílusosan itt egy jó csöves hangfrekis színusz-négyszög oszcillátor, pikk-pakk összedobod.
Igazából annyi a bajom vele, hogy teljes lehalkításnál is búg.... Pedig a tápkondi kivan cserélve és tökéletesen jól szűr. És még is az erősítő 220V anódfesszel eléggé nem akar menni. viszont meglepő hogy egész jó hangerőt produkál 12V tápról :eek2: (de közelsem akkorát mint 220V-ról)
Az elkokat tudatosan kihagyod ?
Egyre rosszabb variációkat csinálsz .
nem rajzoltam le a teljes rajzot, de bent vannak az elkók nyugodj meg....
Saját tekerésű a táptrafóm. 1X6.3V (1.0mm) , 2X27V (0.5mm) , 1X160V (0.5mm). A 160V-os kimenet szerintem fél A-t elbír tutira. Izzóval nem néztem még, de amikor kipróbáltam tekercselés után az ujjam világított vele majdnem (szerencse hogy levoltam választva a hálózatról)
Úgy lesz! Amúgy jól gondolod Graetz van mindenhol. Nekem van egy olyan érzésem hogy földhurok van a dolgoban. És van tippem hol lehet. Az előfok panelje úgy van rögzítve hogy a rögzítő távtartók a negatív pontjai márpedig az lehet földhurok, hogy a 2 láb össze van kapcsolva a panelon is meg egyben a testhez is hozzáér nem?
Jól látszik a 4 csavarhely a nyákterven, azok a testhez csatlakoznak 1-1 távtartóval.
Én nyugodt vagyok , ha félrevezetsz sem fogok izgulni . Nem csak közvetlen táphoz tartozó elkokat hiányoltam . Ha nem valós rajzokat mutatsz , akkor ne várj érdemi segítséget .
Nyákterv teljesen elhibázott , főként földpontok kialakítása miatt .
Pontosan melyik elkó-kat hiányoltad? És mi a hiba a földpont kialakításnál?
Megnéztem, és érdekes dologra lettem figyelmes, akkor zúg ha nemfogom a csövet. Ha a kezemet a cső mellé teszem 5mm-re vagy közelebb abba marad a zúgás és szól tökéletesen! :eek2: Próba képp toltam rá némi zenét hogy haljam mik a fejlemények, ha kikapcsolom akkor se búg addíg amíg a kondiból kap tápot. A végén meg hallacik amikor tisztán szól akkor fogom meg illetve engedem el a csövet. Hallatszik a külömbség. Lehet hogy csak árnyékolni kéne a csöveket?
Saccra én ezt 100Hz-es-nek mondanám, ami a tápból jön.
Amúgy hogy sikerül megfognod a kb 200°C-os csövet? Ja és nem a csövet kell árnyékolni.
Figyu annak aki a fázist is kézzel keresi a 200 °C-os PL504 nem jelent gondot
Ugyan így a 160V-os anódfesz se.
200°C??? SE-ben is annyira melegszik?
Simán, hát cső!
Mindegy, hogy SE, PSE, PP, PPP, OTL, a búra hőfok ugyan annyi. PL504-nél az abszolút maximum 280°C.
Valakinek van ötlete a csöves gerjedésre az erősítőm esetében, mert átépítettem aszerint a rajz szerint, amit Sturbi küldött és még mindíg gerjed, de csak akkor ha nem fogom a csövet, vagy az anódot. A másik fele meg az hogy csak egy idő után gerjed, amint elér egy X hőfokot akkor kezd el begerjedni
Most még igen, de kicserélem nemsokára, csak most nincs rá időm mert el kell mennem valahova, de este fele kicserélem és mondok bővebb infót.
Ha hiszed, ha nem, elgondolkodtattál a megépítésén.
![]() Viszont amit kinéztem magamnak, az egy XR2206-os IC-n alapuló kapcsolás.
A 12k és a 160 ohm közös pontjából is hiányzik kondi .
A 2 PL rácsát is külön 100nf -dal kötném be és az 1k közvetlenül a rácsra menjen . Nyák GND-je , azért sem jó , hogy a négy pontot a csavarok az alvázon keresztül kötik össze (érintkezési hiba lehetősége is nagy miatta ). Ez a panel nem is érintkezhetne közvetlenül a vázzal , csak egy pontban szabad csatlakozni a vázhoz és az a pont a tápban lévő elko negatív kivezetése . Ha már nyákot terveztél hozzá akkor a foglalatokat is ide kéne tenni , vagy légszerelve is szebb megoldás lehetne mint így .
Van esetleg saját tapasztalatotok épített genetrátorokkal kapcsolatban?
Nekem is csak kölcsön generátorom van, bár nem rossz, de nem akkor használom amikor akarom...
Üdv!
Bocs hogy beleszólok, de több érv is amellett szól, hogy építs egy csöves Wien hidas oszcillátort. - csöves - igen kis torzítása miatt mérésre is alkalmas, nem csak vizsgálódásra (szemben a függvény generátorral) - viszonylag nagy kimenőfeszültséget ad nagyon kicsi torzítással - egyszerű jelformálóval olyan jelalakot csinálsz amilyet csak akarsz Megépítheted egyúttal a párját, Wien hidas szűrővel torzításmérőt is
Köszi, de van egy hátránya is, úgy tűnik innen a gép mellöl (a neten kutakodva), hogy már nem gyártott így be sem szerezhető modell...
Köszönöm szépen!
Legalább megspóroltam a tervezést.
Tervbe vettem ennek a wien hidas oszcillátornak a megépítését is.
|
Bejelentkezés
Hirdetés |


Az előfok tökéletesen működik ezzel semmi gond. A végfokozat viszont egyfolytában búg, decsak a 220V egyenfeszről. Ha 12V-ot adok neki akkor is rendesen szól (igaz nem hangosan üvölt mint 220V ról) de nem gerjed. Idáig egész jól működött az erősítő. Akkor kezdődtek a problémák amikor az előfok belekerült.
Külön-Külön működik az előfok is meg a végfok is. De eggyüt nem akarnak valamiért. És most hogy benne van az előfok úgy gerjed hogy az csak na. :eek2: Az előfokot lekötöttem és úgy próbáltam a végfokot, úgy is gerjedt de ismétlem csak 220V-ról gerjed 12V-ról nem.
Ha fülhallgató erősítőt vagy kis szoba erősítőt csinálnék el is menne a hangereje (1-2W) de ez rendes zenére kell oda meg kell 10W minimum. Az első próbáknál nyújtotta a 10W-ot rendesen. Ki is lett mérve
de sajna az utóbbi időben nem úgy működik ahogy kell. Lerajzoltam az eredeti végfokot ami volt benne, és amit változtattam rajta. ez mellékelve van.



Jól látszik a 4 csavarhely a nyákterven, azok a testhez csatlakoznak 1-1 távtartóval. 






