Fórum témák
» Több friss téma |
Mielőtt kérdezel, a következő két dolgot ellenőrizd!
I. A helyes tápfeszültségek megléte.
II. A kimeneten van-e egyenfeszültség.
Élesztés.
...de milyen jól passzol a kezeletlen borda, a bútoripari dizájnhoz
Az biztos hogy nagyon jól kell szólnia ahhoz hogy valaki horror pénzért hazavigye, mert ránézésre nem egy vevőcsalogató darab.
Nem csak bennem nem hagyott frenetikus élményt a hangja szerintem.
Az ára (ue.280eFt volt) és a kivitele annál inkább döbbenet volt.hapro: Látom megtaláltad. Volt áfa növekedés is azóta.
Hát igen azért mert valami OROSZ fenyőből van az nem jelent semmit itt azért ami benne van az kerül pénzbe.
Ha valakinek van egy otthon nem fotózná le belűlről De sokan azt sem tudják hogy nincs is olyan Orosz falu hogy Borov ez egy összerakot eredő szó az Orosz szóból ami a fára "póznafára" utal ami egy viszonylag jó fenyőféle. Fából ennél lényegesen jobb kivitelű designt is lehet alkotni "házilag" tölgyből, mahagoniból és máris érték lenne a megjelenése +ha belül is minőség van. Hát ez az amitől kinyílik a bicska MP3, Integrált hangkártya gratula. Ja és van itthon 2raklapnyi Luc fenyő gyalulva mert szigetelt faházat építek most dobjak össze egy 600.000.-Ft erősítőt H+ végfokomból áááhh.
Nincs is, mert az a Szlovák tájegység jellegzetes fenyőfajtája, a közönséges boróka. Borovi erdő. A terméséből készült alkohol a borovička.
No azért, azt tudta a srác, hogy jó hangot lehet kivenni a számítógépből, viszonylag egyszerűen. A legtöbb CD játszó nagyon messziről ugat egy jó hangkártyás számítógépes hangot!
Feltéve persze, ha nem egy jó tömörített Mp3 volt a forrás, de ne legyek már rosszindulatú.
Ez TDA7375-nek néz ki. Ezek szerint már egy páran koppintják az altmann byob amp-ot... vibavoice is, csak azokban TA8210AH toshiba IC van. Na meg én is koppintom. Az enyémben TDA1558Q van. Mind nagyon jól szól, éppen a minimál dizájn miatt.
Na de Mp3, itt már csak veszteséges vagy megváltozott az eredetihez képest hangzást produkálhat! A 10.-Ft os AUDIO chip "Realtech, Intel" ugyan ne emlegessük AUDIOFIL minőség bemenő forrásaként. És itt ami inkább szemet szúr a határozottan csúnya erősítő az aranyozott csatlakozókon kívül nagyon igénytelen hűtőbordával. A Szlovák borókás-t még nem halottam a Borovi fenyő meghatározására de ez más téma, Oroszoktól szállítják a Borovi fenyőt "állítólag"
de ez nem változtat az erősítőn semmit.
Helló! Megpróbáltam beállítani a nyugalmi áramot, sikerült beállitani 100mA ra de felugrált ahogy melegedett a hőtőborda. Tettem rá műterhelést de a jelszintből csak 2V ot tudott előállitani és eléggé melegedett még a külön bordán lévő tranzisztorok is. Mitől lehet?
Sziasztok!
Megépítettem az végfokot TDA7560-al,rákötöttem egy PC-tápot és egy hangfalat,de nem csinál semmit. A stand-by és a Mutte forrmontal nem kellene valamit csinálnom? Mert bedugom,és meg se nyekken,nem melegszik,semmi. A 2200µF-os kondenzátor hejére egy 1000µF 25V-ost tettem,mert csak az fért be.
Sziasztok!
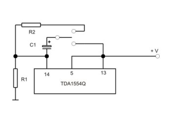
Jó pár évvel ezelőtt megépítettem ezt a panelt (többször is) TDA1554-el. Azóta is tökéletesen működik, csak egyetlen problémám van vele, ha némítás után visszakapcsolom, a hangfal nagyot koppan. Eddig nem zavart, mert olcsó hangfalakat használtam, de most komolyabbakon gondolkodom, és "lágyan" szeretném őket indítani. Ha lenne valaki aki tudna segíteni, hogy hogyan módosítsak a mute részen (esetleg valami kondi stb...) azt nagyon megköszönném. Egyébként a bekapcsoláskor fellépő nagy durranást is ezzel a mute funkcióval szoktam valamelyest enyhíteni. A kapcsolási rajz a link alatt megtalálható. Köszönettel zoka
Ok, nem kell bejönnöd, mellékletben a rajz.
A lényeg : kell egy dpdt kapcsoló, a C1 - R1 tag határozza meg azt, hogy bekapcsolástól mennyi idő alatt szólal meg, az R2 meg azért kell, hogy azon keresztül legyen kisütve a C1. A megfelelő értékeket csak ki tudod számolni , de - "exhas" - szerintem jó érték lehet C1-re 22µF - 47uF, R1-re pedig 47-68 Ohm.P.
Hopp !
Előző raj hibás, és kapcsolónak megfelel egy spdt. R2 értéke nyilván kicsi kell legyen. A többi stimmel. P.
Itt a gyári bekötés, és Pedróé.
Döntsd el melyiket használod, Pedro mintha módosította volna az elhelyezését a panelon talán próbáld közelebb rakni a hidegítő kondit "100n" a kapcsolóhoz és én beraknék egy LED-et is a tápodnak megfelelő ellenálással az elkó és a 100n között hogy műterhelésként kisimitsa a puffer kondit már volt olyan eset hogy ez bevált. És kapsz egy visszajelzőt is a LED-el, egy próbát megér.
Üdv Pedro!
Kipróbálom így, biztosan jó lesz ![]() Köszönöm! ![]() zoka
Üdv!
Köszi a hozzászólást, de először a Pedro-féle megoldást próbálom ki, remélem beválik, majd beszámolok róla! ![]() zoka
Sziasztok. Ilyen erőlködőt szeretnék építeni.
kellene hozzá kapcsolási rajz, alkatrészlista, nyákterv, stb! remélem tudtok segíteni válaszotokat előre is kösszönöm.
Szia ! Ennek az erősítőnek van saját topikja ha oda benézel biztosan fognak segíteni neked ! Többet láthatsz ITT róla !
Szia !
A gyári rajz-részeten látható kondik (2200uF, 100nF) nem tartoznak sem a "mute" körhöz, sem a táp puffereléséhez. A gyári leírás szerint az elkó feladata az oszcilációs veszély megelőzését, a 100n kerámia pedig ahhoz szűrés. A TDA1554Q esetén a mute lényege, hogy akkor szól, ha a 14-es láb tápot kap. Ha egy RC tagon keresztül kap, akkor annyit fog késlelkedni az indulással, amennyi idő kell az adott kapacítású kondi (rajzomon C1) feltöltésére az adott korlátozó ellenálláson keresztül (R1). Amikor a mute kapcsolóval kikapcsoljuk, elnémül. Ha ilyenkor visszakapcsoljuk, akkor a kondi töltve van, és koppanhat. R2 feladata ezért a kondi viszonylag gyors kisütése, annak érdekében, hogy visszakapcsoljáskor se legyen koppanás. Egyébként innen letölheted a kapcsolásomat. P.
Köszönöm ismerem az oldalad és nagyon jó.
Én csak hirtelen megoldásként javasoltam a LED-es kondi kisütőt, nem minden esetben jó. És a te megoldásod a megfelelő, de tényleg a panelodon a 100n elég fura helyen van nem igazán látja el a szerepét a végfokhoz közelebb raktam volna, a mute kapcsoló elé így ahogy most van ki is hagyható.
Azért arra az 50W/8ohmra befízetnék,merthogy ez az Ic-sem tud 35W-nál többet az tuti +-30Volt-ról.Mint ahogy a többi +-30V működő Ic-végfok sem.
Üdv Mindenkinek!
Az lenne a kérdésem, hogy ha egy autós erősítő(rádió) egyik csatornáját terhelem mert a kocsi tetejére van felszerelve a hangszórótölcsér, és hogy csak az az egy szóljon akkor a másik csatorna nem-e megy tönkre hosszabb távon? Persze a munka után egy jack dugót(kimenetnél) átkötöm a belső 2 hangszóróra és akkor már mindkét csatorna terhelve van. Tehát lehet ezt így hogy csak 1 csatorna megy egy ideig? Előre is köszönöm a választ!
Üdv
Semmi baja nem lesz, nyugodtan szólhat csak az egyik oldal.
Sziasztok!
Szeretnék épiteni egy elég nagy erősítőt Kb 500W-ost. Tud valaki egy jó kapcsolási rajzot?
|
Bejelentkezés
Hirdetés |




Az ára (ue.280eFt volt) és a kivitele annál inkább döbbenet volt.
ez egy összerakot eredő szó az Orosz szóból ami a fára "póznafára" utal ami egy viszonylag jó fenyőféle. Fából ennél lényegesen jobb kivitelű designt is lehet alkotni "házilag" tölgyből, mahagoniból és máris érték lenne a megjelenése +ha belül is minőség van. Hát ez az amitől kinyílik a bicska MP3, Integrált hangkártya gratula. Ja és van itthon 2raklapnyi Luc fenyő gyalulva mert szigetelt faházat építek most dobjak össze egy 600.000.-Ft erősítőt H+ végfokomból áááhh.

, de - "exhas" - szerintem jó érték lehet C1-re 22µF - 47uF, R1-re pedig 47-68 Ohm.










