Fórum témák
» Több friss téma |
Kevesebb smiley, több mondatkezdő nagybetű. Ne lazuljunk túlságosan, ha kérhetem.
Illetve, a Kereső használatát is javaslom: link És szívesen Sziasztok! A segítsgeteket szeretném kérni. Egy kapcsolásra lenne szükségem. Van egy dc motorom, aminek az irányát kellene változtatnom gomb nyomásra, mégpedig úgy, hogy van két nyomógombom, ha nincs megnyomva egyik gomb sem, akkor a motor áll, ha megnyomom az egyiket, akkor az egyik irányba megy a motor, ha a másikat, akkor a másik irányba. Relét nem szeretnék használni, azért valami tranzisztoros (bipoláris, vagy fetes) megoldás érdekelne. Ha lehet, akkor rajzot kérnék főleg. A gond még az, hogy ez a motor 12voltos és kb 3-4 ampert vesz fel. Megoldható ez egyáltalán? Mindenki segítsgt köszönöm!
Csak kettő darab kétsarkú nyomógomb kell!
Mind a két kapcsolót rákötöd a motorra és az egyik kapcsolóra fordítva kötöd rá a +-t és a --t. Csak nem szabad egyszerre megnyomni a kettőt! Szerintem azt a kérdést a kezdő kérdésekben is feltehetted volna! Ha kell lerajzolom, de nem hiszem, hogy le kell.
Ezzel eddig tisztában voltam én is, de két mikrokapcsoló van, amik egy áramkörösek. ezeket nem cserélhetem, mert be van építve és egy lábuk közös pont.
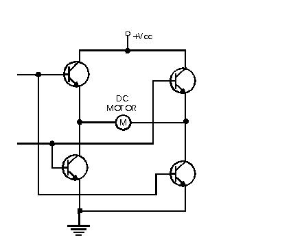
H-bridge a barátod
Ennél van egyszerűbb is. A darlingtonok és a 2222-ők helyett tehetsz egy tranyót is, mivel neked a kapcsolók el fogják bírni a bázisáramot.
Csak paint van most a gépemen, ezért csak ilye tudtam rajzolni. ez szerintetek működő képes? FET-el megoldható?
Azért gondoltam FET-re, mert van itthon egy jó pár N csatornás FET-em. Lehet, hogy rosszul tudom, de a FET jobban terhelhető? mámint több ampert bír nem?
Szia.Ezt is ajánlom egyébként.Ez is egy H-híd.Nyomógombos.Annyi,hogy egy olyan tranzisztort kell kiválasztani ami bírja az áramerősséget és persze a feszt.Itt nézz körül.Itt kapsz magadnak megfelelőt.Minden PNP tranzisztornak írd be a datasheetbe a nevét és nézd meg melyik felel meg neked a legjobban.
Tetszik ez a rajz, csak nem hiszem, hogy a mikrokapcsolók elbírnák a 3-4 ampert.
Idzem saját magam, ha nem gond!
Idézet: „Relét nem szeretnék használni, azért valami tranzisztoros (bipoláris, vagy fetes) megoldás érdekelne.” Idézet: „És??” Van benne relé... zerro: szerintem működne az a kapcsolás amit te rajzoltál!
Elnézést a moderátoroktól, de sajnos az inteligens kereső semmit sem ér, mert a téma címét ütöttem be először a keresőbe és a "Csöves erősítő"-től kezdve a "Csévélőgép"-ig minden volt, csak az nem, ami nekem kellett, ezért nyitottam új témát.
Még egyszer bocs. u.i: Az inteligens keresés átírhatnátok úgy, hogy először a téma címekben keressen, azokat dobálja ki, majd a témán belül. Ez csak egy javaslat s nem kötekedés!
Most már befejezhetnéd!!
Tudom, hogy kell használni egy keresőt! Senki sem kérdezett téged! Amúgy is minek szólsz egy témához, ha magát felvetést/kérdést/kérést sem tudod elolvasni, illetve értelmezni! Láttam már egy pár hozzászólásodat, amiben ugyan ezt csináltad! Én kaptam figyelmeztetést a hibámért, viselem is a következményét, ezért is írtam elnézést kérő hozzászólást. Neked viszont némítás járna!
Ez a hidkapcsolás csak elvben jó sajna, mert egymásra tudnak nyitni az (alsó-felső) fetek benne amikor egyik irányba sem kap vezérlést. De picivel több alkarésszel azért meg lehetne oldani.
Ja, és még valami: ha a két gombot egyszerre megnyomja valaki, akkor rövidre zárja a tápot!!
Idézet: „a 2 1K Ω -os ellenállás lehúzza a gatet testre.” Igen, csakhogy ahoz képest az egyik source +15V a másik -15V feszültségen van, tehát ilyenkor mindkét fet kinyit - és rövidre zárja a tápot..... Ha pedig csak egy gombot nyomsz meg akkor 30V-is kerülhet a másik fet gate lábára, azt pedig nem mindegyik tipus bírja ki.
Na, ez se jött össze! Biztos, hogy hozzá kell szólni a témához? (Nem reléset kértem, tőled azt kapom. Azán meg olyat, ami alapból nem jó!) Viszont amit rajzoltam és kikértem a véleményt, hogy vajon működik e vagy sem ill. hogy FET-el meg lehet e oldani? Arra azt válaszoltad, hogy egy hidat sem tudok megrajzolni! Szerintem még a rajzot sem voltál hajlandó megnézni! Biztos, hogy itt a helyed ezen a fórumon?
Az ilyen emberek inkább kíméljék ezt a fórumot! u.i.: Szerinted azért van ez az oldal, mert csak született profik járnak ide? Ha így lenne, akkor senki nem kérdezne semmit, mert úgyis megtudják oldani maguktól.
Ha neked az segítség, hogy nem a kérdésre válaszolsz, akkor gratulálok!
Na végre, hogy hagysz nálad okosabb embereket is megszólalni! Veled csak a létszám nagyobb.....
SZiasztok!
van itt ez a rajz! Korábban linkelték! Na szóval ezt hogy tudom űgy megcsinálni hogy nyomó gombos legyen? Tehát legyen kettő mikrokapcsoló egyik irány másik irány! Ha lehet csak morze kapcsolók legyenek! Szóval megnyomom egyik gombot elindul megáll ok. megnyomom másik gombot vissza megál! kész ! A következő miatt kell! Szeretném egy kicsit dizájnossabbra csinálni a dolgot és arra gondoltam hogy egy külön lapos kis "távvezérlőt" csinálok hozzá! előre is köszi mindent!
Lehet képet is linkelni, nem kell újra csatolni. Javítottam.
Csináltam neked egy rajzot, ha főkapcsoló is kell bele, akkor a két nyomógomb elé, a közös águkba kötheted. Mellesleg, ennyi rajzot szerintem itt még senki nem kapott egy témában, mint te - jó lenne már eldönteni, mire van szükséged
Már megcsináltam csak közben találtam itt egy leírást hogy lehet kicsit dizájnosra csinálni a kapcsoló táblát és arra gondolotam hogy majd megcsinálom! ez a rajz alapján a többi vezérlést már megtudom csinálni nyomógómbosra! most már csak a nyák megtervezése lesz hátra!
Sziasztok!
Segítséget kérnék a következő problémával kapcsolatban. Adott egy servo motor szabályzó aminek a kimenete úgy működik hogy kb 20msec-onként ad egy változtatható szélességű impulzust. Ez az impulzus alaphelyzetben 1,5msec széles és ezt lehet 0,5 msec-al növelni illetve csökkenteni. Nah ezzel a meghajtással kellene egy normál DC motort forgatni úgy hogy amikor a impulzus szélességét növelem akkor az egyik irányba forog a motor ha pedig csökkentem akkor a másik irányba forog. Azt tudom hogy egy H hidat kell csinálni hozzá, de az impulzus szélességének változtatásával nem tudom hogyan tudnám hol az egyik két fetet hol a másik kettőt nyitni. Az NE544 tudott ilyet, de nekem nagyobb áramfelvételű motort kellene hajtani. Remélem tudtok segíteni. Előre is köszönöm.
Találtam két lehetőséget közben. Az egyik egy cél IC: M51660L. A másik a mellékelt kapcsolási rajzon látható. Mi a véleményetek?
Szia!
Mit szeretnél csinálni? Müködő h-bridge kapcsolást én a pt-boat.com-ról szereztem, servo "decoder" kapcsolás meg M51660L adatlapjából vagy a CONRAD paneljéről. A kettőt megfelelően összepasszintva kaptam egy müködő előre-hátra menetes sebszabályzót.
Bocs, csak visszafelé olvasom a topicot. Te most RC modellhez szeretnél sebszabályzót?
http://www.pt-boat.com/electric/speedcontroller.html
Igen-igen, pont egy előre-hátra menetes szabályzót csinálnék, ezt az M51660L IC-t találtam én is a legegyszerűbbnek plusz egy H-bridge és működnie kell.
Üdv
Én az enyémet igy csináltam:
http://www.pt-boat.com/electric/speedcontroller.html Innen vettem az "Experimental 'H' Bridge Speed Controller" TS922 utáni részt, ez a h-bridge. A vezérlő rész meg innen van: http://www2.produktinfo.conrad.com/datenblaetter/175000-199999/190040-an-01-fr-kit_regula.pdf Ennek a "h-bridge" gyk nem müködik. A fentiből rakd be. Az R2 ill R3 végét kell a TS922 1 ill 7 helyre rakni. Én ebből már 2-t építettem és müködik. Az M51660L annyi gondod lesz, hogy zip tokozásu igy egy kicsit macerás foglalatba tenni.
Azt hiszem elveszett amit az elöbb irtam
Jújj, nagyon köszönöm, pont erre van szükségem, éppen azt kerestem, hogyan kell az M51660L 6-os és 10-es lábát bekötni a TS922 helyére, ezekszerint simán 1-1 47Ohmos ellenállással. A .dip fájlt nem tudom megnézni, nincs esetleg képfájlban meg?
|
Bejelentkezés
Hirdetés |







