Fórum témák
» Több friss téma |
Szia!
Ha biztosan mindig jó Bank-ot állítasz be, az
direktívával letilthatod a kiírásukat. Szia
Szia kaqkk.
Te hogy oldottad meg a forrasztóállomáson az árammérést?
Egyenlőre még tervezés alatt áll a dolog . Még a "hardver " csak a fejemben létezik! Egyenlőre semmi érdemlegeset nem tudok erről mondani .
Beégettem ezt az asm-et, de csak 25V-ig mér, nekem 30-ig kellene. Hol kell átírni?
Itt a 30V os változat
De figyelj oda a feszültdég osztóra ! 5V nál több ne jusson a picre !
Volt benne egy kis hiba, az ADCQ javítottam ADC0-ra
Te mit használsz? parsicot? Ezt honnan tudom leszedni?
Átjavítottam a progiban az ADCQ -> ADC0-ra de nem akar mérni
Az előző , a 25v os jó volt ?Az mért ? A parsic -ot megtalálod a Modulrendszerű,grafikus PIC programozás témában.
A 25V-os az mért 25,57v-ig.
Megtaláltam, de nem tudom letölteni a www.parsic.de ről.
Nézelődj tovább , fent van egy két srác honlapján
és vanott egykét link is .
Majd nézelődöm tovább.
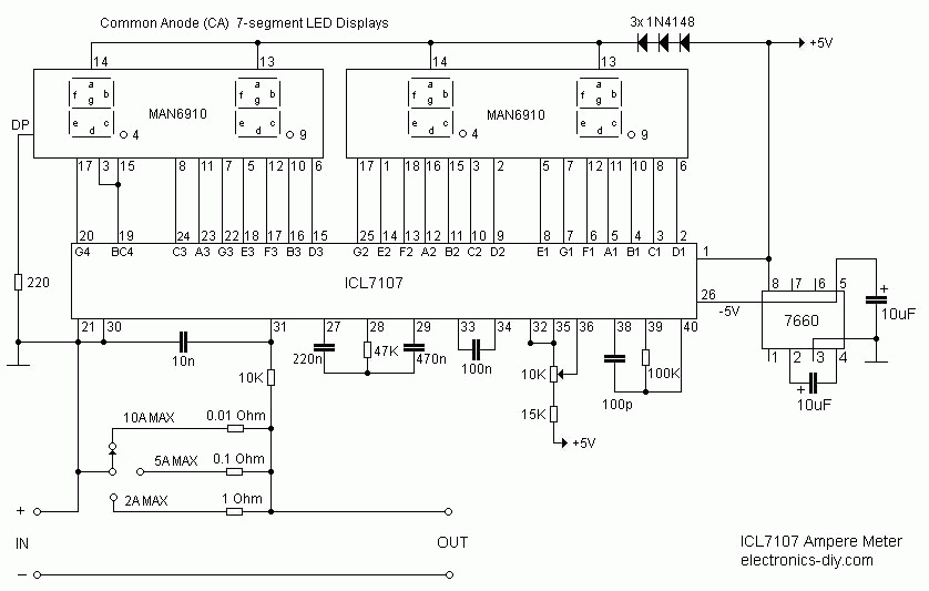
A progiban mi lehet a hiba? Miért nem mér? Az árammérőt egy ICL7107-esről koppintottam le, ott bevált.
Igen ott beválhatott , mert teljesen külön tápja van a mérőműszernek !Ha a saját tápegységednél is így csinálod (teljesen külön trafó, egyenirányító, stabkocka ) akkor jó . De ha a tápegység és a mérőmű egy egyenirányítóról megy ,és közös a gnd akkor totális zárlat a végeredmény .
A progit újrafordítottam , próbáld meg most ,
Külön tápról megy minden és mégis elment a biztosítékom.
És itt van 877 re is !
Most azt a mérőkört próbálod amit ide feltettél vagy amit HA14C rajzolt a másik témában ?
Köszi szépen, most már szépen ketyeg
Az árammérésre még kitalálok valamit.
Sziasztok!
Bocsánat, de a Pro*us kibabrált velem, amikor a föld csillagpontot rajzoltam... Sziasztok
Szia!
Egyenlőre csak kínlódok vele. (Volt egy nagyon bevált program a PCAD, de nem tudom futtatni Win Xp-n, azt tudtam kezelni). Ez meg mindig okoskodik, hol enged valamit huzalozni, hol nem... A föld bevezetés csak rajzolva van (vonal - nem wire)...
Sziasztok!
Szerintetek is rossz az a pic16f84es, amelyiknél kiolvasásnál csak 0-át ír ki az égető program, utána is miután a program bele lett töltve?
Nem feltétlen rossz.
"Beletöltés" után az ellenörzés jó lett? Lehet gond az égetőddel is.
Az ellenőrzést hogy érted? Mikor visszaolvasom akkor is 0-k jönnek ki.
Szerintem az égetőm az jó, mert régebben még működött.
Az égetőprogram általában írás után automatikusan visszaolvassa és összehasonlítja a programot. Szerintem neked az írás sem sikerült. Milyen programmal égeted?
Oshon 16f(parallel port pic programmer). Simán végig fut, kiírja hogy chip programmed(bár ezt akkor is kiírja ha semmi sincs rácsatlakozva), aztán utána nem ír ki semmit.
Hát ezaz, chip nélkül csak akkor írhatja ki azt, hogy programmed, ha 0-ákat programozol mert akkor az ellenőrzés jó lesz. szerintem nézd át az égetődet.
Átnézem az égetőt, csak még egy kérdés, hogy ha kb 5 másodpercig fordítva volt rákötve egy lcd kijelző, attól nem mehet tönkre?
Lehet igen, lehet nem. Ezt innen nem tudom megmondani, főleg úgy hogy nem ismerem a kapcsolást.
|
Bejelentkezés
Hirdetés |




De figyelj oda a feszültdég osztóra ! 5V nál több ne jusson a picre !







