Fórum témák

» Több friss téma
Fórum » Propeller Clock
 
Témaindító: vicsys, idő: Jún 3, 2005
Lapozás: OK   122 / 489
(#) Panhard válasza patexati hozzászólására (») Okt 18, 2009 /
 
.lay kiterjesztést milyen progi kezeli?
(#) patexati válasza Hp41C hozzászólására (») Okt 18, 2009 /
 
Szia! Lehet a műveleti erősítő mégis csak DIP lesz és a fet is átkerül a túloldalra mert "nehéz" lesz így szerintem az oldal! Sajna nem kérdeztem elöbb így utólag lett rátevezve a fényszabályzó lehet,hogy van bent hiba de majd holnap átnézem mégegyszer! Talán alakul még és ha jó lesz (holnap rendelek cuccot) akkor megcsinálom a másik két méret terveit is meg nekiállok csinálok egy bázist is rtc ébresztővel Az nem lesz ilyen bonyolult talán
(#) robing16 hozzászólása Okt 18, 2009 /
 
Megosztom veletek a jelenleg "NEM MŰKÖDŐ" kapcsolásomat
Csak érdekesség képpen mutatom meg, milyennel kezdtem, most épp dolgozok egy másikon, egyszerübben!
(#) patexati válasza robing16 hozzászólására (») Okt 18, 2009 /
 
Érdekes ez a mátrixos megoldás de vajon működik is?
(#) patexati válasza Panhard hozzászólására (») Okt 18, 2009 /
 
Sprint Layout
(#) Hp41C válasza patexati hozzászólására (») Okt 18, 2009 /
 
Szia!

A másik oldalon ott az elem (két 11.6*2.05 vagy 11.6*3.05 gombelem + szerelvény) és a kerámia trimmer kondenzátor...

Szia
(#) patexati válasza Hp41C hozzászólására (») Okt 18, 2009 /
 
Ja! Az is elég nehéz Mindegy most írom a rendelést az majd kiderül! Elsőre biztos nem tudom kivasalni pedig már van bent gyakorlatom A műveleti az DIP lesz meg lehet ellenállásban is kell hagyományos mert nem kapható smd-ben az összes a HQ-nál sem Köszönöm a segítségedet mégegyszer! Üdv!
(#) Hp41C válasza patexati hozzászólására (») Okt 18, 2009 /
 
Szia!

A Lo*ex -ben és a HE-store-ban lm358 kapható SO8-ban. A Lo*ex -ben található 41k2 0805 méretben. Kontrollert tudtál rendelni?

Szia
(#) robing16 válasza patexati hozzászólására (») Okt 18, 2009 /
 
Műkdni működhet, elviekben jó a kapcsolás, kivétel az, hogy a PIC nem képes annyi áramot elvezetni! Egy hasonló de 2X8-bites megoldást készítek éppen, kiváncsi leszek, hogy forgás köben hogy rajzolja ki a mátrixolt vonalakat!

(#) patexati válasza Hp41C hozzászólására (») Okt 18, 2009 /
 
Szia! PIC16F876A-I/SP -re esett a választásom a HQ-tól rendelek mert kell egyéb is és az meg másutt nem kapható Szerinted megfelel? Esetleg mást javasolsz? Lesz egy 18F2550 felszabadulóban az egyik égetőből de az gondolom nem lesz jó A bázisnak esetleg jó lehetne usb kommunikációval de az nekem már magas Amúgy mennyire kritikus az az ellenállás? A jumpernek mi a szerepe azt még nem írtad meg
(#) patexati válasza patexati hozzászólására (») Okt 18, 2009 /
 
Most nézegetem a ledeket szerinted melyik tartományú felelne meg zöld 3mm-es fajtában? Van elég sok fajta nem tudom melyik ami jól szabályozható
(#) Hp41C válasza patexati hozzászólására (») Okt 19, 2009 /
 
Szia!

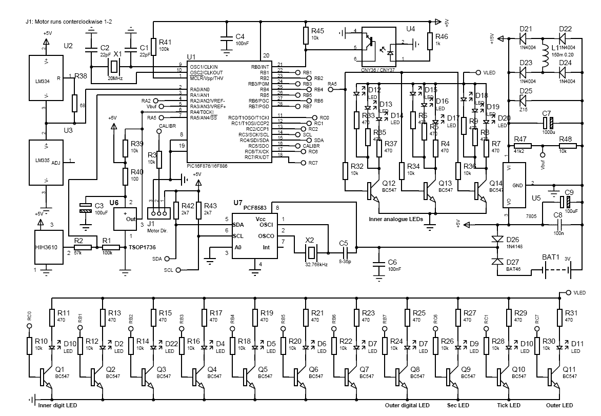
- 16F876A kétszer drágább és kevesebbet tud, mint a 16F886, Chipcad-nál vásárolható...
- A 18F verzió még nincs kész. A terveimben 18F2620 -as verzió szerepel. Jó lehet a 18F2550 is...
- Bázisba jó a 16F87, 16F88 - ezeknél 40 ébresztési időpont használható, de 16F628(A), 16F648A is használható - ekkor csak 20 időpont lesz.
- J1 jumper segítségével a forgásirány állítható be - nem kell újrafordítani. A tápfeszültség megjelenésekor beolvassa a jumper állását, ettől függűen állítja be a forgásirányt, ezután kalibrációs kimenetté állítja a lábat (ezért van az ellenállás). Egyébként elhagyható...
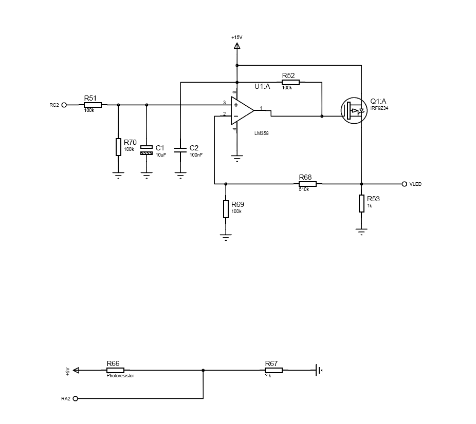
- R2 és R1: Szerepük a float osztás elkerülése. A páramérő 100% -hoz tartozó kimeneti feszültségét állítja be úgy, hogy az A/D kimenetén megjelenő kód egész műveletekkel, egyszerűen elvégezhető legyen. A forrásimpedancia követelményt (<25k) itt a szenzor terhelhetősége miatt nem lehet betartani, a mérés így is jól múködik. A kimenő feszültségek pontos értéke a szenzorhoz adott adatlapon olvashatók. A HIH3610 tipikus kimenete esetén a pontos méréshez R2=60k4 és R1=100k0 kellene. Az itt szereplő értékek az általam vásárolthoz vannak igazítva.
- R47-R48: 15V-nál kell 2.9297 V-ot mérni a pic A/D bemenetén. Más ellenállásokkal is meg lehet csinálni: pl. R47=12k0, R48=3k6, lényeg, hogy a forrásimpedencia kisebb legyen 25k-nál. (Most veszem észre, hogy a két értéket a felcseréltem, és még egy régebbi osztásé szerepel. A lényeg itt is a float osztás művelet elkerülése volt, több kisérletet is végeztem, sajnos a rajzot elfelejtettem javítani.)
- A bázis ugyan elkészíthető 18F2550-nel is usb csatlakozással, de ahhoz a programot át kellene írni 18F-re. Esetleg C-re, mivel az usb kezelése C-ben érhető el. Ha most építenék bázist, ahhoz is 28 lábú konterollert terveznék. A külső/belső hőmérséklet, páratartalom, légnyomás méréseket is elvégezhetné, az adatokat a PC-re továbbíthatná. Sajnos a 18 lábú kontroller össze lába ki van már használva.

Szia>
(#) patexati válasza Hp41C hozzászólására (») Okt 19, 2009 /
 
Köszönöm a részletes magyarázatot! Most elhagyom egyelőre a páramérőt majd ha jól működik az óra akkor veszek bele egyet! Sajna a HQ-nál nincs a javasolt kontroller Led-ben próbálok egyfajta fényerejű fajtákat szedni de rendelek több félét és olyat minek széles a fényerőtartománya!
(#) patexati válasza Hp41C hozzászólására (») Okt 19, 2009 /
 
Szia! Légy szíves ha lehet rakd fel az új rajzot gif-ben mert nem látni rendesen Elkészültem a nyák finomításával most ellenőrizni akarom többször is! Ha tervezek rá egy icsp-t kellenek jumperek? Lehet még a forgásirány meghatározó jumpert még belesűrítem!
(#) Hp41C válasza patexati hozzászólására (») Okt 19, 2009 /
 
Szia!
Ha a kontroller dip tokozású, akkor nem feltétlen kell az icsp.
(#) patexati válasza Hp41C hozzászólására (») Okt 19, 2009 /
 
Szia! Természetesen tudom de én a sajátomra terveznék egyet így nem törik le az ic lába a 100. ki/be rakásakor sem! Meg könnyebb laposabb ha nincs bent a foglalat A távirányítóm is ilyen nagyon könnyen cserélgetem a hexeket ha kell Ezért kérdeztem!
(#) Hp41C válasza patexati hozzászólására (») Okt 19, 2009 /
 
Szia!

Nehéz ügy: - a tápról nem fogyaszthatna a kártya a programozás alatt sokat, a tápszűrés (100uF) sok, - a 78l05 nem szereti ha a kimenete felől táplálják meg.
A tápot mindenképen le kellene választani.
Azt még nem tudom, hogy az RB7 és RB6 lábakon a 0,5 mA terhelés számít-e, még nem próbáltam.
Ha felteszed az icsp-t, akkor úgy kellene, hogy a jumper használja fel az icsp lábakat - ne lehessen még véletlenül sem úgy programozni, hogy az áramkört nem választották le.

Szia
(#) patexati válasza Hp41C hozzászólására (») Okt 19, 2009 /
 
Igen úgy gondoltam én is! Akkor most felteszem a véglegesített verziómat mit meg fogok építeni ha valaki ráér átnézhetné Minden bele lett tervezve még a forgásirány jumpere is és kicsit elegánsabbra vettem a vonalvezetést Az alkatrrészeket berajzoltam tényleges méret szerint és át kellett kicsit ez miatt variálni de így nem lesz gond elfér minden! Szerintem sokkal jobb mint a tegnapi

Propeller.lay
    
(#) janocsi válasza patexati hozzászólására (») Okt 19, 2009 /
 
Szia!
Nagyszerű nyáktervezetet készítettél az újabb, (PIC16F886 ?) RTC-s verzióhoz. Ezt én is szeretném majd megépíteni, de egy kicsit nagyobb méretű, (5mm-es LED-el) szerelve. El lehet majd játszani a (körgyűrűs) másodperc ledjének szinével, itt már külön van az is.
Gratulálok ehez a nagy munkádhoz, és még sok ilyet alkoss a jövőben is.
Szia.
(#) Hp41C válasza patexati hozzászólására (») Okt 19, 2009 /
 
Szia!
Nagyon tetszik, átnézem...
Az a fránya LM358 nem 8 lábú? Ha elfordítod a PCF mellett elférne a dip8 tok is. Az egyenirányító és a z15 - 1000µF között meg lehetne vastagítani a tápot és a földet. A kiegyensúlyozáshoz még lehetne egy két helyre vezető felületet feltenni, amire felvitt forrasszal lehet sújt tenni..
Elsőre ennyit látok...
Szia
(#) patexati válasza janocsi hozzászólására (») Okt 19, 2009 /
 
Szia! Ha elindul akkor megtervezem a másik két méretben is! Valószínű elég nagy súly kell majd a 3mm-es verzióba a ledek felől de majd kiderül Ledben több félét rendeltem kísérletezni mert a fényszabályzáshoz nem mindegy szerintem milyen! Zöld,piros,narancs,sárga,kék ledeket rendeltem valamelyikből 3 fajtát. Szóval kicsit monstrum a vicsys félénéhez de jóval többet tud és nem férne el dip alkatrészekkel kissebb egyoldalas panelen! (kinyomtatva nem is olyan nagy) smd-ben lehetne kisebbet de az csak kétoldalasban lehetséges! Azért kombináltam az smd és a dip verziót mert mint a korábbi órámnál is le lesz fújva matt feketével a panel eleje ha beültettem a smd-t és lemostam a trutyit róla nekem ez jött be a legjobban matt fekete lappal mögötte (forgás közben úgy egybe olavad még nappal is,hogy nem lehet látni semmit csl a lebegő ábrát Amúgy köszönöm a te tervedet is mit elküldtél! Üdv!
(#) patexati válasza Hp41C hozzászólására (») Okt 19, 2009 /
 
Látod úgy elnéztem valamit és a makrókban nincs belőle Javítom tényleg négylábú a jószág
(#) patexati válasza patexati hozzászólására (») Okt 19, 2009 /
 
A javított verzió.

Propeller.lay
    
(#) patexati válasza janocsi hozzászólására (») Okt 19, 2009 /
 
Szia! Ha elindul akkor megtervezem a másik két méretben is! Valószínű elég nagy súly kell majd a 3mm-es verzióba a ledek felől de majd kiderül
(#) patexati válasza patexati hozzászólására (») Okt 20, 2009 /
 
Van bent három hiba, súlyosak a működésre való tekintettel de reggelre javítom addig nem alszom (amúgy is a melóhelyen vagyok )
(#) Hp41C válasza patexati hozzászólására (») Okt 20, 2009 /
 
Szia!

A mintapépdányban esetleg megérné a sdip28 foglalat - lehetne kontroller típust cserélni és kipróbálni a verziókat. A 16F876(A), 16F886, 18F242, 18F252, 18F2420, 18F2520, 18F2620 stb. lábkompatibilis.

Szia
(#) patexati válasza Hp41C hozzászólására (») Okt 20, 2009 /
 
Szia! Az lesz teszek bele mindennek foglalatot és az élesztést az ic-k nélkül fogom kezdeni a zárlat,hiba minimalizálása érdekében! Utána készítek majd egy beforrasztott icsp csatist is! A tápfesz leválasztására gondoltam egy megoldást, mi lenne ha egy dióda lenne az ic táplába és az icsp elött Esetleg érdekelne az is,hogy egy hall szenzort hogy lehetne belevarázsolni a fototranya helyett és alá lenne az alaplapra ragasztva egy kis mágnes mit sokkal egyszerűbbnek tartanák mint a fototranyót vagy az optokaput Amúgy te ezt a rajzot építetted meg? csak azért érdekel biztos e a működése. Az elkokat is elnéztem túl kicsiket raktam és nem fog elférni a rendes méretbem most javítom az ir szenzort lehet lecserélem valami kisebb fajtára (az órámban is tv-ből bontott van) és úgy el fog férni az elko mi a tápján van! Amit feltettem az nem működik mert az emitereket elfelejtettem a GND-re rákötni,a hőszenzoroknál is van egy kis elkötés mi szépen kinyírná a kontrollert bár szerintem az jól volt csak annyit javítottam,hogy valamikor belekaphattam az egérrel a a tervbe és arrább rakta egy kicsit a vezetősávot,az 1K ellenállás a fetről nem testre húzta le az s-ről a pozitív 15V-ra! Egyenlőre ezek vannak de az éjjel mindet javítottam most már csak az ir szenzor elkoját kell valahohy besűríteni azt kész! Amíg nem lesz tuti nem teszek fel róla tervet! Esetleg nincs egy jó makród a lay progihoz miben vannak az órához való cuccok is? A C3-nak nem sok a 100µF mert az adatlap csak 4,7µF-et ír?
(#) janocsi válasza patexati hozzászólására (») Okt 20, 2009 /
 
Szia Patexati!
A Hall szenzoros megoldást én is támogatnán. A HE-Store-ban van ilyen szenzor, olcsó, TLE 4905 L. (195Ft. netto). A bekötése egyszerű. Az 1-es lábat 1k-n 5V-ra, 2-es lábat GND-re, 3-as láb az Out, RB0/(21.) lábra. Alul a kis mágnesnek csak az egyik pólusa van a szenzor felé állítva. (Ilyen SMD szenzort kis Rack ventillátorból is tudsz kiforrasztani, ha nincs más módja a beszerzésének.) Egy skiccet felrakok a beépités, ill. a működés menetéhez.
Szia.
(#) Hp41C válasza patexati hozzászólására (») Okt 20, 2009 /
 
Szia!

Alapjaiban ezt a kapcsolást építettem meg, de a fényerő szabályzás még nincs benne. Azt a Wand órán próbáltam ki. A propellert résopto-val szereltem (kerek házas ventilátorom volt). A résoptoval megy (a led-et is a propeller táplálja), akkor Hall ic-vel is menni fog.
Az infra vevőnél az elko lehet smd tantál is. Sajnos a kisebb TSPO1836 már nem kapható, helyette van más típus, de sok a 3.3V-os verzió.

Szia
(#) patexati válasza Hp41C hozzászólására (») Okt 20, 2009 /
 
TSOP4836 nem jó helyette? Olcsóbb is meg kisebb is ,a frekvencia ugyan az. Csak a lábkiosztás más!
Következő: »»   122 / 489
Bejelentkezés

Belépés

Hirdetés
XDT.hu
Az oldalon sütiket használunk a helyes működéshez. Bővebb információt az adatvédelmi szabályzatban olvashatsz. Megértettem