Fórum témák
» Több friss téma |
Helló!
A kompresszor nem megy tönkre a sűrű indításoktól, de az indító relét megviseli a sokszori nagy "áramlökés". Csináld meg nyomógombosra a segédfázis indítását és örök életű lesz. A nyomás értéke eléri a 10bárt is, csak kicsi a szállító teljesítménye. VIM
Köszi a válaszokat! Még annyit, hogy ezen mit értsek hogy kicsi a szállító teljesítménye?
Kevés a köbcenti a fordulatához képest, ezért keveset tud egy löket alatt nyomni. A lökete kb. 25mm és kb. ugyan ilyen átmérőjű egy 250W-os komprinak. Nem nehéz kiszámolni hány köbcentis a hengere. (simson kontra dragszter)
VIM
A háztartási kompresszorok általában 0.6-1 köbm/óra szállítóteljesítményűek, azaz optimális esetben egy 100l.-es tartályt 1 óra alatt dudál fel 10barra.
Egyébként tudnak azok nyomni 30 bart is, ha nem szakad át a szivó-nyomó oldal közötti tömítés. Persze ez nem egészséges, mert 1. a beépített betétmotort messze nem erre tervezték. 2. a teljesítménygondon túl ezeket a motorokat a visszatérő hűtöközeg hűti, ilyen nagy nyomásnál már alig szív valamit, így a hűtése is egyre rosszabb. Üdv: StMiklos
Üdvözlök mindenkit.
Az én problémám, egy vadhűtő konténerrel gyűlt meg. A jelenség egy áramszünettel kezdődött. Bekapcsoláskor vár 30-40s-ot, és amikor indítaná a motort egy sípoló hang, és kikapcsol minden, de 3s, és indul újra minden. addig jutottam, hogy a motor 3 kivezetésein, az egyiken 3,5Ohm-ot a másikon 9,5-öt, a harmadikon 14-et mérek. Csak nem tudom, hogy ez jó nekem, vagy sem?!!! Két kondenzátoros, váltó relés indítása van. Amikor indulni akart, 7A vett föl, és csak remegett, és zörgött.(megerőszakoltam az indító reléjét) A segítséget előre is köszönöm. M.Attila
Szia!
A kondenzátorokat kimérted? (zárlatra ohm mérővel, szakadásra -jobb híján- egy sípolós multiméterrel, a feltöltődés idejére a kapacitástól függően, egy rövidet sípol, majd fordított ráhelyezésnél ismét). Természetesen, ha van kapacitás mérőd, az még-jobb! Az mitjelent, hogy meg erőszakoltad az indítórelét? Az általad írt ellenállás értékek, akár jók is lehetnek, a beépített motor típusának, és teljesítményének függvénye.
Köszönöm a reakciót.
Ma délután vettem bele kondikat, és ki cseréltem, de a jelenség megmaradt. A vezérlő 8A--nál letilt, de ez is csak akkor, ha a motor indító relét mechanikusan(kézzel) benyomom, egyébként csak "hegeszt". A gáz nyomást eleresztő szelepet is direktre kötöttem, hogy az se okozzon gondot.(nem segített) Elvileg ez a motor 800W-os ahhoz azért a 7.5-8A áramfelvétel kicsit sok. Na már mindegy jön a gyártó, és csere. Még egyszer köszönöm a segítséget. M.Attila
Szia!
Nagyon szívesen. Sajnos, a le írtak alapján, a kompresszor megakadhatott. Amúgy a 7,5-8A nem-lenne sok egy olyan motornak indulási áramnak, csak sajnos mivel nem-tud felpörögni, ezért nem esik vissza az áramfelvétel az üzemi szintre.
Azt elfeledtem, hogy néha sikerült megpörgetni, de csak direktde. Nagyon lassan forgott, és akkor vett fel 7.5A. Aztán kezdődött a rázkodás zörgés, és nem mertem tovább erőltetni, de az áramfelvétel nem esett vissza.
Szia!
Kicsit azért bővebb infóval is szolgálhatnál Mit értesz az alatt, hogy direktbe? A tápot, a vezérlés nélkül adod neki, vagy azt, hogy az indító relét is ki iktatod, és az indító kondit direktben rá akasztod? Azt honnan tudod, hogy "Nagyon lassan forgott" ? Ez nem egy hermetikusan zárt kompresszor? Főleg a "Nagyon" szó miatt kérdezem, hiszen ha zárt, akkor nem látható. A rázkódást eleve az okozhatja, hogy a kompresszorok -főleg a dugattyúsak- az üzemi fordulatszámra vannak mechanikusan kiegyensúlyozva. Üdv.
Már hozzák az új motort.
Nem küzdök vele többet mert 90Km-t autóztam el érte, és két délutánomat is felemésztett, és minden arra utal, hogy le van robbanva az a motor. Motor nélkül szépen megy a vezérlés................. Meg hát a 7.5A kicsit sántít. De azért kösz.
Sziasztok !
Van egy nagy problémám,1 hetes nyaralásból vissza térve bedugom a DAEWOO óriás hűtőt és elindul majd 5-7 másodperc alatt megáll a kompresszor majd 15-20 perc szünet.Ezt csinálja folyamatosan.Előtte hibátlanul ment. A kompresszorról külön lehet lehúzni 1 db egy vezetékes és 1db 2 vezetékes csatlakozót. Mi történhetett ? Köszönöm ha valaki tudna segíteni
Szia!
Valószínű, hogy a hőkioldó old le, majd annak kell az-az idő, mire újra indul (vissza hűl). Meg kellene tudni, hogy a kompresszor valóban dolgozik-e addíg a néhány másodpercig, míg úgy tűnik. Lehet, hogy a segédfázist rajta felejti, és az ez által okozott nagyobb áramfelvétel okozza a hőkioldó lekapcsolását. Ha nem vagy jártas a dologban, lehet, hogy jobb lenne egy hűtő szerelőt meg keresned (már csak azért is, mert előbb-utóbb lehet, hogy úgyis az lesz a vége).
Köszönöm a gyors választ remélem nem a kompresszor halt meg.
Nem megrémülni! De van annál /szerintem/ rosszabb is.. kapillárcsődugulás. Mert úgy látszik a kompresszor /leszámítva a segédfázis működését, de az kívül van!/ jó.
Egyébként ifjú titánként, ha hoztak egy régen nem bekapcsolt hűtögépet, puff, be a konnektorba... Öreg szaki nem! Megmelegítette úgy 60-80 fokra a szűrőt, és csak azután kapcsolta be! Az előző indulástól várj egy félórát legalább, hogy jól kihűljön a segédfázis PTC-je, legyen hosszabb idő a próbálkozásra. Üdv: StMiklos
Hellosztok!
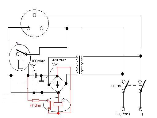
Múltkor sikerült beüzemelni a hűtőkompresszoromat ezen segítséggel. Namost indítórelét 5000Ft-ért akartak nekem adni, ami nekem annyit nem ér meg. Ezért az itthon lévő alkatrészekből gondolkoztam rajta, hogy hogyan lehetne az indítórele helyett valamit alkalmazni, így rajzoltam egy kapcsolást(bocsi a paint miatt csak az volt). A lényeg, hogy ha benyomom a kapcsolót akkor R1 relé, ami 3 áramkörös egyszer behúzza a fázist, egyszer a nullát, majd a 3. bontja egy R2 relének a behúzó áramkörét, ami a segédfázist biztosítja és az 1000µF-os kondi pont 2másodpercig tartja még meg a R2-t aztán leold. Szóval ez így működne? Nem baj hogy a segédfázist nem működő állapotban folyamatosan megkapja? Ja, és nem tudom pontosan, hogyan működik a gyári indító relé, de feltételezem, hogy belehet dugni a konektorba akárhogy, hogy bárki ne tegye tönkre, de így csak egyféleképpen (fázis-fázis, nulla-nulla) lehetne bedugni, igaz?
Szia!
Biztosan jó, de egy felől a rajzodon nagyon nehéz eligazodni, más felől minek oda két relé? Mindjárt rajzolok egy verziót, és fel teszem.
Megrajzoltam, igaz Paintban.
Ha a két relés verzió mellett döntesz, akkor az 1K-s ellenállást, és a relé tekercsével párhuzamos diódát elhagyhatod (azok, csak az "időzítő" ezermikrós kisülését segítik elő, a ki kapcsolás után /egy relés esetben/). Két relé beépítésénél, a piros relé végzi a kisütést a nyugalmi érintkezőjén keresztül, vagyis sokkal gyorsabban, tehát egy rövid áram kimaradás után is azonnal újra tud indulni. Természetesen "fázis független az áramkör, tehát mindegy hogyan dugod be a konnektorba. A védő vezetőről (földelés) ne feledkezz meg!
Szia!
Bocsi a rajzért így utólag tényleg elég kusza. Ja és nem fejeztem ki magam normálisan, hisz azért kell két relé, mert van 2nyomáskapcsolóm mind az alsó mind a felső nyomásnak. Tehát a kompresszort azaz a rajzodon a BE/Ki kapcsolót is egy relé fogja végezni. Magyarul én itt 3relét is fogok alkalmazni. De nem igazán értem ennek most a működését. (elneveztem a 2relét hogy biztos ne beszéljünk félre) Ez azt fogja csinálni, hogy késleltetve húz be az R1 nem? De nekem az kell, hogy indulásnál be legyen húzva 1-2mp-ig majd utána leold. Mondjuk ha nyitóérintkezőként kötöm be akkor működik. De nem értem hogy az R2 azaz a piros relé most mit is csinál ott?
Szia!
A trafó, a graetz, és a 470mikrós kondi egy egyenáramú táp (ez gondolom nem probléma). Amikor áramot adsz a cumónak, akkor az R1 a kezdéskor kisütött állapotban lévő 1000mikrós kondin keresztül meghúz, és addig meghúzva tart, míg a kondi töltőárama fedezni tudja, a relé tartó áramát. Ez időben néhány másodperc lehet (függ a relétől, és a kondi kapacitásától). Ha meg szünteted a táp ellátást, az ezer mikrós kondi, meg tartaná (egy darabig) töltését, tehát legközelebb nem lenne töltőárama, ami meg húzatná R1-et. Ezt kiküszöbölendő, bele rajzoltam az 1Kohmos ellenállást, valamint a relével párhuzamos diódát. Természetesen, mire az ellenálláson keresztül kisül, az időbe telik, (néhány másodperc) és ez időn belül nem tud újabb indítást végezni. Tehát, egy rövid áram kimaradás után nem indulna be a kompresszor (leégne). Ezért rajzoltam a piros részt, az-az R2-t. Ha megnézed, áram rá adásakor, az azonnal behúz, vagyis minden az előzőekben leírtak alapján történik, viszont ha meg szűnik a táplálás, elenged, és a nyugalmi érintkezőn, valamint 47 ohm-os ellenálláson keresztűl szinte azonnal kisüti, az 1000 mikróst, amely innentől készen áll az újabb indításra.(ez esetben, az egy kilós ellenállás, és a dióda nem kell, mert a kisütés a piros körön keresztül történik.) A 47ohm-os ellenállás azért kell, hogy a kondit ne "pukkanás szerűen" süsse ki, (kisütő áram korlátozása) mert az a kondinak sem, és a relé érintkezőnek sem tetszik hosszútávon. Annak fényében, hogy a ki-be kapcsolást relével akarod meg oldani, a pirossal rajzolt R2-t elhagyhatod, vagyis a KI-BE kapcsolásra használt relé egy szabad (nyugalmi állapotban zárt) érintkezőjével kiválthatod. Tehát, csak két relé kell.
Jaa!! Persze, most már teljesen világos. Nagyon szépen köszönöm a segítséget!
Amint lesz időm ez alapján megépítem
Szia!
Nagyon szívesen! Ha valami segítség kell, nyugodtan kérdezz. Üdv.
Sziasztok!
Egy régi LEHEL kompresszort használok egy kiforrasztó pákához elszívónak. Minden szép, és jó, de csak ha már elindult valahogy ![]() Ha a műhelyben 18 fok alatti a hőmérséklet, akkor a kompresszor nyögve-nyelve indul.. (most van kb 10 fok..) Az indítórelé meghúz, kap segédtekercs villanyt, felpörög, de mintha be lenne ragadva, mert tartja az indítótekercsen a villanyt, amíg a védelem olyan 20 másodperc múlva le nem tilt.. amikor a védelem visszakapcsol, megint segédtekercs kap villanyt.. ezt megcsinálja 2-3 alkalommal, utánna kimegy a világból, minden Ok.. a következő hideg indításig.. természetesen amikor leold a hővédelem, addig is megy a kompresszor, tehát nem mechanikailag van fixen beragadva.. Gyanítom, az a baja, hogy a fő tekercs túl nagy áramot akar felvenni, a hideg miatt.. lehet ezzel valamit tenni? megpróbáltam, hogy az indítórelé tekercséből letekertem 10 menetet, jobb lett a helyzet, csak így meg meleg nem mindig húz be.. van valami trükk erre? maga a kompresszor tökéletes, csendes, pont elég is, de ezt ki kellene küszöbölni valahogy.. Hővédelmet kiiktathatnám, akkor hamarabb észhez térne, de nem szívesen tenném.. Köszi minden tippet!
Nem lehet hogy már nincs benne olaj ? Amíg meleg van
az a pici ami az alján lötyög épp elég lehet , de hidegben már nem tud odajutni a kenendő helyekre ?
Szia!
Lehet.. már baromi öreg darab, olyan 20 éves is lehet.. Van egy másik tök ugyan ilyen, de az is ezt csinálja.. pedig nem ment a hűtőgép nélkül, olajat biztos nem engedte el.. mégis azonos a szindróma.. Milyen olajat önthetek bele? 5W40 sima motorolaj ? vagy 0w40? ezek elég hígak.. vagy még hígabb? trafó olaj lenne az igazi, tudom, de az nincs itthon.. Melyik oldalról öntsem bele? szívó oldalról? nyomó oldalról? no meg.. mennyit..
A szívó oldalról tudod kiönteni és , újratölteni . 1-2 dl elég de azt nem tudom az eredeti olaját mivel tudnád helyettesíteni .Ja a friss olajat be is szivathatod (ez a legegyszerűbb )
Szia.
Használj egy 50-100mF-os inditókondit az inditáshoz. Olaj kb.3-3,5 dl kell bele. Ha hűtőgépolajat tőltesz bele, akkor mindenképpen ásványiolajat válasz, ne szintetikust, mert az a levegővel érintkezve rövid idő alatt lesavasodik és a kompresszor odarottyant. |
Bejelentkezés
Hirdetés |








