Fórum témák
» Több friss téma |
Fórum » Csöves erősítő készítése
Ne feledd betartani a fórum viselkedési szabályait, és a topik megmaradásának feltételeit. [link]
A téma átmenetileg fagyasztva lett, hozzászólni nem tudsz!
Hát ettől tartok én is. Még kitalálok valamit, lehet reszelő lesz a vége.
Üdv mindenkinek megint!
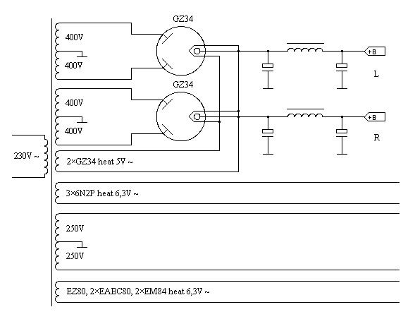
Az a problémám, hogy a GZ34-es egyenirányítóknak a katódjuk és a fűtés egyik kivezetése össze van kötve, és egy fűtőtekercsem van a kettőnek - ez nem lesz nekik gond? És nekem? A jobb és bal oldalnak külön terveztem volna a nagyfeszeket, de így össze lesznek kötve akaratlanul is Ezzel kapcsolatban még annyi lenne, hogy az előcsövek fűtőtekercsének egyik felét letesteljem, vagy nem kell? És a varázsszem csöveinek a fűtését? A másik csak egy "érdekesség", legalábbis nekem az, mert nem sok ilyen csővel találkoztam eddig Az EL84-es párnak hova lett a gettere? Elvitte a cica? Lenyalogatta? Csak egy alig látható barna folt van a helyén, mindkettőnek, az oldalán viszont megmaradtak a foltok…
Sajnos csak 2db.6AS7 van , 6H13C-ből 5db.
Akkor mutatom majd a továbbiakat is , most a táp és a hál.trafó készül ..
Az már más erősítő lenne ... (Amúgy találtam 6800Ft-ért ilyent)
Ebből a két orosz csőből próbálom meg a lehető legtöbbet kihozni. Eredendően az előfokok után (Hiraga MC és a Hiraga RIAA ) kb. 4Veff jelem volt, ezt csökkentettem le korábban a mai szintekhez jobban igazodó 2Veff-re (Úgy tapasztaltam, 0dB-es jelnél kb. ennyit adnak le a DVD lejátszók.) Legrosszabb esetben ezt most visszaalakítom...
De jó Neked! A 6H13C is olyan alakú, mint a 6AS7? Mert akkor azokkal fogok én építkezni, vagy inkább azzal, amihez olcsóbban hozzájutok. Az tetszik nekem, hogy ide nem kellenek 20cm2-s vasak, hanem akkora, mint SE-ben kell... Ha mutatod, akkor köszi! Majd én is megmutatom az én cuccaimat, de előbb az EL84-et, PCL86-ot, GU-50-et, (SE), meg a PCL82PP-t kell befejezni. Az UBL21SE-t majd akkor, ha sok pénzem lesz, a 6AS7/6H13C után, vagy azzal párhuzamosan (jövőre, húsvét után).
Szerintem -ha még meg lehet menteni- ide fogom felhasználni az EM80-asom. Ez a cső annyira tetszik, hogy leírni sok nagyon-nagyon-... kellene. Valami szép egyenirányítócsővel kellene egyenirányítani neki.
6E5P még csak akadna, de nekem jobban tetszene, ha mindössze két csőből állna ez az erősítő.
Összerakom a másik oldalt is, azt megpróbálom tetródába kötve belőni a Te ötleted szerint némiképpen lerontva az érzékenységét CHZ mester útmutatása alapján, és eldönteni fülre, melyik maradjon...
Profi!
Amikor 6AS7-el kisérletezgettem, egy CD 4040-es IC-vel oldottam meg ezt a feladatot, az órajelet a hálózat adta... A reset bemenetet a negatív előfesz meglétének figyelésére használtam fel...
Befúrtam-reszeltem ma délután a hangszórócsatlakozókat, hálózati aljzatot, biztosítékokat, bemeneteket, hangerő/balansz potit és két kapcsolót (SRPP-zés megint elmaradt, azt hiszem akkor kerül csak elő, ha működik már valami ezen a dobozon.
)
Én ugyanennél a projektnél ezt 4060 csináltam de a munkája végeztével áramtalanitotta magát igy a kvarc nem zavart a késöbbiekben. Igaz, ezt itt nem volt bátorságom közölni.
Ez a belseje, az előbb rosszat tettem be.
Profi munka lesz ez! A hálótrafó mögött, a két 6c33c kimenő mellett mi az a 2 trafó?
Az EL84-ekért nem kár, most kukáztam, csak érdekes, hogy az oldalán tökéletesen látszik a lecsapódás, a tetején meg nincs semmi
Amúgy gondoltam, hogy nem lenne szerencsés az egyenirányítókat ilyen módon "közösíteni" Még jó, hogy a toroidra tudok még tekerni… Az előcsöveknek meg a többinek akkor nem kell a fűtését testre vinni? Nemsokára tudok a cuccoról képet feltenni, de még csak egy ideiglenes szerelőpanelen.
Így a 6C33C mellett látszik csak igazán mekkora ez a trafó
A kb. 55W-os anóddisszipáció mellett nálam ennyire közel a csőhöz semmi sem kerülhet, mert szétolvadna... Látom a fojtók is belekerültek.
Azok a 6C33C rész fojtótekercsei. Rászerelve semmi nincsen még a deszkára, az elhelyezés, kapcsolás változhat.
Az a potiszerelvény nemtán egy F220-as magnódeckből való? Én is azt akartam beletenni, csak a sasszi többi részéhez (amit terveztem) nem passzolt volna, sajnáltam is! De majd a legközelebbihez felhasználom
Jó lesz! Nekem tetszik. Egy kicsit minha zsúfoltan lennének a dolgok. Bár gondolom van ami belül lesz és van ami a tetején.
Ha igy lesznek a csövek, nekem is légterelő lemez lesz a trafó mellett.
Nem F220-ból van, de Aiva-ból való ez is (kicsit régebbről). Ez egy ALPS 2*100 K log (hangerő) 1*220 K lin (balansz) poti, koaxális tengelyes, a balansz középen "akadós". A 2*100 K-s résznek elképesztően jó együttfutása van (50 K-ig tizedesben sem tér el a két oldal, 100 K-nál 2 K az eltérés).
Köszönöm szépen a válaszokat
![]() (EABC80ból azóta 3db-ot szereztem nembaj, legalább van 4 FunkWerk ECC83-ad -de a Tiédet használom! )
Van egy sejtésem, minek van ott az a fojtótekercs a két végcső rácskörében, de azért rákérdezek. Szerintem azért, hogy a két rácsot egyenáramúlag közösítse, de akadálytalanul lehessen vezérelni váltófeszültséggel. Máshol nem láttam még ezt a megoldást, így csak ráérzésből mondom, ami vagy jó, vagy nem. A szimmetria beállítást külön tápról oldja meg, a két 22 K-s ellenállásra csatlakozó potenciométerrel, ami a tápban van külön segédtekercsről jár.
Szerintem a két ellenállás elég jól közösítene, nem? De miért is lenne rá szükség? Szerintem ez a megoldás ront a mélyeken.
Az nem volt rossz megoldás , csövek védelmét is megoldotta .
Nem akartam nagyon bonyolítani , az adott 400x300mm alapterületen már csöves egyenirányításnak sem tudtam helyet szorítani . Egy áramkörös forgókapcsolóval megoldható így a hálózat kapcsolgatása (230V AC-t nem kell hosszan vezetgetni ) , standby funkció és szükség esetén a bemenetválasztó relék kapcsolgatása is közvetlenül a bemeneteknél.. . Így a szükséges feladatok megoldhatók 2db. gombbal az előlapon
Így néz ki az orosz változat .
Van ilyen kivitelű egyenirányító cső is .
Szép ez is! Jó lenne az egyenirányítócső, aztán akkor szilícium esetleg LED lesz benn, de más nem.
szilícium van a csövek üvegburájában is
Van-van, de ott igazán csak passzív szerepük van, míg a LEDnél aktív. Vagy le kell gyártani egy Germánium LED-et, vagy jó a szénrudas ívlámpa is.
Ne kéne annyira félni a "szilíciumtól" , sokszor jobb vele mint nélküle ..
Ha itt tartunk, az van a kimenőtrafó, és a táptrafó vasában is! És az annál jobb, minél szilíciumosabb, azt mondják.
Zoli, nem félek én, eddig minden erősítőmben si-os (lesz) a táp. (PCL86, EL84, GU-50, PCL82PP)
Az igazi nagyágyú kimenőkben nem sok szilícium van.
Csak fórum olvasatból tudom, hogy az amorf mag az vas-kobalt ötvözet. A belőle készült lemez a papírnál vékonyabb, század milliméterről beszélnek. Lundahl
Na, azzal a század milliméteres vassal lehet egy "kis" magas! Nem tudom, mi van a nagyágyú kimenőkben, jól szólnak, az a lényeg.
|
Bejelentkezés
Hirdetés |




) 






