Fórum témák
» Több friss téma |
Fórum » RIAA korrektor
Témaindító: Ghost Rider, idő: Aug 25, 2006
Jó lesz ez!
A hangmintának meg jó lesz az a(z egész) lemez.
Mellékeltem egy képletet a RIAA számítására. Példának ott van lehetséges megvalósítás, ami elég szerencsésen kiadja standard értékekkel a RIAA görbét.
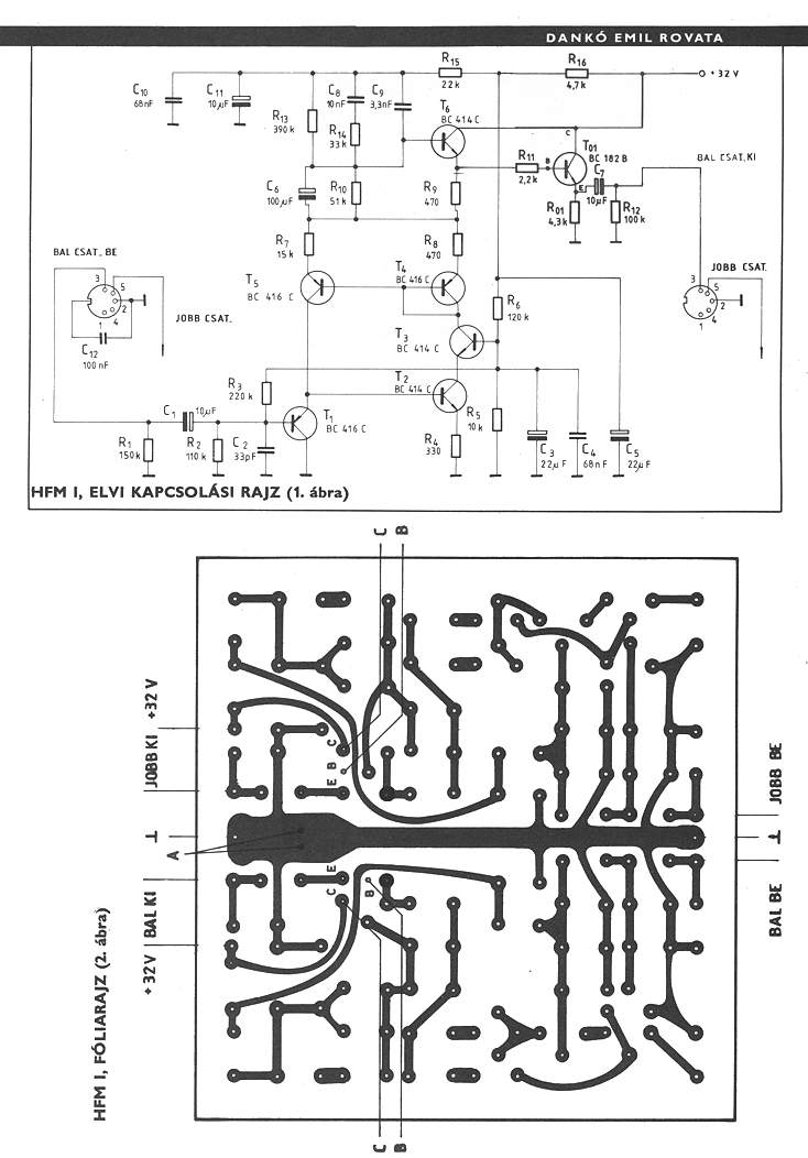
A HFM1-be is inkább 290K illene a 390K helyett, de a kapcsolás végén az emitterkövető azért beterheli kissé a saját impedanciáját, ezért van nagyobb érték oda téve, mint a számított. Ráadásul az sem mindegy, mekkora impedanciával terheli valaki. 31,8k és 3,42nF-al lesz a legjobb a RIAA követés, ekkor csak a 390k-ot kell pontosan belőni, ha valaki érzékeny arra, hogy 50Hz alatt pontos-e a görbe.
Szia!
Úgy látom, hogy a HFM1 végére nem került emitter követő. Így, ha nem 220k ohm-al, hanem kisebb impedanciával terheled le a kimenetét, csökkenni fognak a mély hangok.
köszi ! Most fogok először RIAA korrektort hallani, na meg aztán a lejátszóm sem egy álom
szóval örülök, ha nomrálisan megszólal. Csak tápot kell csinálni, de közben jöttek egy torzítópedálért, amit múltkor csináltam, na de most már lesz időm
nem került, ez egy "eredeti" rajz, netről böngésztem össze, kicsit retusáltam ( szkennelt volt ), és kinyomtattam
Ez ilyen csakhogy végre tudjam már hallgatni azt a 10 lemezemet megoldás, aztán majd kísérletezgetek. egyelőre kb 1 megaohm fogja terhelni
Akkor semmi gond.
![]() Ha visszanézel a hozzászólásokban, valahol már közzétettem a HFM1 nyákrajzát kicsinyítve. Inkább közzéteszem még egyszer.
Na szól már ! Az egyik oldal nem ment, a hibás beültetési rajz miatt (elko polaritás), meg a tegnap éjfélkor fordítva beültetett tranyó miatt (lehet aludni kellett volna már
- mondjuk ma reggel meg a kapcsolót sikerült fejjel lefelé bekötni, így a kar lenti állásában van az ON, de én vissza nem csinálom, inkább megszokom )egyelőre se elég kimenő jelszint, se elég magas, de kielégítő mély van ( Gyakorlatilag egy HBB lemezen nem hallottam a lábcint ! ), de ezt be tudom annak, hogy egyelőre 24 voltot sikerült "összekaparnom" a 32 helyett Ráadásul a lemezjátszóm is nyávog mint a disznó .... Még a stroboszkópon is láthatóan elmegy a fordulatszám, aztán visszaáll ... Én a Pitch potira gondolok, szerintem befúkálom ...
Gyerekek!
Akkora dolgot találtam! Nem akartam elhinni! Adnak egy RIAA korrektor/Mikrofon előerősítőt táppal 8000párszáz forintért. DE! A következő kép egy sima passzív AntiRiaa CD-hez (pár alkatrésszel) gondolom kínai, ha mindent veszek hozzá akkor is csak 500Ft! És ez pedig 10000Ft feletti árral! Azt hittem nem jól látok és megtisztítottam a szemüvegem.... de jól láttam... erre azt hittem hogy hülye vagyok és hívom a párom...NA! Ő is azt látta mint én.De ide teszem a képet az magáért beszél... ![]() Pedig nem is kis cég reklámozza ....és ez benne a szomorú...
Nos a kezem ügyébe akadó első trafóra kötöttem egy graetz hidat, 4x10 MF-adot, és egy 6,6 mikros fóliakondit, így lett 31 Voltom. Most már van elég kimenő jelem, elég magasom ( egyébként a tűnyomáson is növelni kellett, mert "ugrált", meg néha csak "lebegett" a kar, és ez is hozott magasakat ), de nekem így is öreganyám suprafonjára hajaz a hangzás. Igaz nincs jó lemezem, és a lemezjátszó is csak egy AKAI AP-D33 hitachi fejjel, és nem is nagyon értek a "lemezeléshez" ... de nincs meg az az érzés, amit havernál hallottam egy fisher erősítőn egy panasonic lemezjátszóval (igaz neki amaerikai és japán nyomású lemezei vannak ... ).
"Ránézésre" a lemez tiszta, mégis serceg ... magyar, orosz, lengyel, és indiai nyomású lemezek... Egyébként a korrektornak semmi zaja, és az egyszerű táp ellenére sem brummos
Idézet: „a nikkelezett rézlemezt jobban fel kellett volna polírozni,” Gondolod, hogy akkor fényesebben szól? Hát nem. Idézet: „"Ránézésre" a lemez tiszta, mégis serceg ... magyar, orosz, lengyel, és indiai nyomású lemezek...” Írtam régebben hogy milyen mosogatószerrel lehet megtisztítani a lemezt. Ha öblítés után nem törlöd meg akkor nedvesen is le lehet játszani. Előnye hogy nem serceg, a tűnek van kenése, viszont a magas egy keveset csökken. Volt (van) feltéve mintafelvétel is, a fórumtársak bizonyíthatják hogy mekkora a különbség. Nekem van indiai, magyar, és jugoszláv nyomású lemezeim is, de a jugó a legjobb. Amúgy a lemezjátszóm Lenco L200(ne katt rá, mert valami feszstabot hoz be... ), eredeti tűvel és fejjel Lenco M 550, Marantz SR220 erősítővel, és S-30 hangdobozokkal. A Marantz korrektorát is felraktam már ide, aki kíváncsi volt rá az már halgathatta hogy hogyan szól. Felraktam már egy kéttranzisztoros korrektort is, felvételekkel. Scoobit kérdezd milyen... Idézet: „Egyébként a korrektornak semmi zaja, és az egyszerű táp ellenére sem brummos” Csak a nagyon hifibuzik pakolják teljesen feleslegesen tele a cuccaikat kondikkal (na most majd kapok...)! Az iskolában úgy tanultuk, és a mai napig így is használom, hogy ahány amper terhelés, annyiszor 1000mikroFarad (ergo 2A-2200mikros kondi a tápba) Kis áramfelvételnél sokkal(!) kevesebb is elég. Főleg mivel a korrektorodban belül is van tápszűrés! Emiatt csendes! ![]()
Lenco L300! Bocsi most tettem fel megint a szemüveget!
Szia!
Csak azt mond meg,mi az az R01 T01 és a hozzá tartozó dolgok?
A lemezt mosószerrel és szivaccsal lehet tisztítani,de kizárólag IONCSERÉLT VÍZZEL lehet leöblíteni,mert a csapvíz belevízkövesedik.
Szia!
Így már értem. És ez javít rajta valamit,vagy mi célból van még ott az a tranzisztor?
Az lenne az emitterkövető rész. Ami az erősítő nagy impedanciás kimenetét kis impedanciára illeszti. Így elég jól terhelhető a korrektor kimenete anélkül, hogy a frekvenciamenet megváltozna.
Hm ... Azért Chopin-nal már más volt a helyzet
"Kicsit" több dinamika volt abban a lemezben De a magasakat így is keveslem a CD-hez képest ... Lehet, hogy mégis kicsi lenne az erősítőm bemenőimpedanciája ? Rég építettem már ...
Akár a hangszedő is lehet a magas hiány forrása.
Meg kellene próbálnod egy másik korrektorral is.
Akkor én ebből azt veszem le,jobb mint az eredeti.
Oké! De a nyákod tutira működik?
A nyákot még nem volt időm élesben kipróbálni. Az eredeti nyákra viszont könnyedén be lehet ültetni azt az oldalankénti plusz két alkatrészt.
Mellékelem az eredeti HFM cikket a módosításról.
Szerintem is egy jó korrektor ez a HFM1, olyan 10 éve használom én is módosítás nélkül. És egy nyákból forrasztott árnyékoló kalitkába tettem, amit nincs kedvem szétforrasztani hogy kipróbáljam a módosítás előnyeit. Pedig szívesen megtenném.
Már folyamatban van egy ARC SP-8 korrektora is
nekem pont a magasak hiányoznak ... kb 100 kOhm körl lehet az erősítőm bemenőimpedanciája, de a mélyátvitel magán a "gépen" is korlátozott, de így is kielégítőnek tartom a mélyet, DE nem olyan konkrét, mint egy CD-n. Most már tuti biztos, hogy a hangszedő a ludas !
Egyébként a tűnyomás/antiscatinget , hogy kell beállítani? A lejátszóm gyári ajánlása a gyári fejhez 1,5 cN, de ezzel a Hitachi fej "levitál" a lemez fölött.. picit növelve , kb 1,7-re már "leér" de ekkor még egy lehelettől is megugrik, úgy 1,9-nél már jó, a hang is részletesebb, de 2 felett már torzít, bár akkor szebb lenne a tér... Az antiscatingről azt olvastam, hogy értékének a tűnyomással egyezőnek kell lennie ... Jó lenne egy korrekt lemez, vagy egy mérőlemez ... úgyis "meglepem" magam mindig valami lemezzel, általában alulárókból, de már csemegéztem a vaterán is Itt van szembe "Laci bácsi lemezboltja" de csak pislogok befele a kirakaton nagy áhítattal, és fájó szívvel .....
Ha a tű "lebeg" a lemez fölött és nem "ér le" akkor nem a tűnyomással, hanem a kar magasságával van gond. Azt kellene beállítani, persze csak ha van erre lehetőség, ha nincs, a hangszedő és a fej közé kell valami alátétet helyezni.
Ha a tű a lemezen van, megközelítően vízszintesnek kellene lenni a karszárnak. Ha mozgatható az ellensúly, azzal kiegyensúlyozható a hangszedő. Ebből a helyzetből kell az ellensúly skálájának segítségével beállítani a 15mN tűnyomó erőt. Ha a karon minden fix, akkor alapból csak a gyári hangszedővel működne helyesen. (De még akkor is próbálkozhatsz másik hangszedővel csak ahhoz már egy tűerőmérlegre és némi gyurmaragasztóra, sörétólomra és alátétre is szükséged lehet.)
"Laci bácsi" jó bolt volt, valaha még engedményt is adott, mára viszont kicsit megdrágult.
Több lemezhez olcsóbban hozzájutottam a Victoraudió-nál vagy a Kodály Zeneműboltban.
Kodály zeneműbolt, ami az írók boltja mellett van az andrásin a 105-ös buszmegállónál? Mikor még újpesten dolgozta, mindig ott néztem a kirakatban a lemezeket, meg kottákat, de ma már főleg CD, és DVD van kirakva vinyl lemez csak pár klasszikus, de én nem vagyok egy nagy klasszikus zene rajongó, csak van pár mű, illetve zeneszerző, aki tetszik, pl Chopin, Griegtől a Peer Gynt, Mozart, Beethowen, Gerschwinn- de ő inkább a jazzes megközelítései miatt
, de inkább kortárs "komoly" zene, abból is a "minimal" : Phillip Glass, Yann Thiersen, Michael Nymann ..stb
S kar, állítható tűnyomád 0-3 cN , és rugós antiscating, 0-3 -ig. ha a tú a lemezen van, akkor szemre vízszintes a kar, viszont a tű picit hátrafelé áll, tehát nem merőleges a leezre ( nem tudom, hogy kell állnia ). a kar magassága kívülről biztos nem állítható, esetleg csak szétszedve, de mondom, szemre egyenesen áll, Meg kellene nézni, hogy a fej adatlapja mennyi tűnyomóerőt javasol. vagy ilyet nem tezsnek közzé, mert úgyis minden karral más?
A Kodály a Múzeum körúton van, most éppen egy "álványerdő" borítja. Antikvár rock lemezekre gondoltam magam is. Klasszikusra inkább a Concerto a Dob utcában...
|
Bejelentkezés
Hirdetés |





szóval örülök, ha nomrálisan megszólal. Csak tápot kell csinálni, de közben jöttek egy torzítópedálért, amit múltkor csináltam, na de most már lesz időm







