Fórum témák
» Több friss téma |
Fórum » LC mérő
Szia Mex!
Lehet hogy megvan a hiba? Most ugyanaz a kondi 19-22 mili Ohm -ot mutat. (Összezárva, kalibrálás után (3, 0, -1, mili Ohm -ra áll be.) Szia.
Szia Mex!
Nagyon jó hogy válaszoltál, így mostmár elmondhatom, hogy a 33nF-os kondinál bizony az egyik vége nem volt rendesen beforrasztva. Ezután már azonnal rendbejött minden ESR mérés. (Már csak az az ESR diagramm hiányzik.) Köszönöm, szia.
Minden jó, ha a vége jó.
Egyébként a használati utasítás az utánépítőknek is hasznos lehet.
itt van egy (kettő) másik tábla: Bővebben: Link
a műszerről kiollózható
Szia! Ezt a diagrammot kilehetne nyomtatni valami öntapadó papírra vagy fóliára?
miért ne lehetne, katt a műszerre, majd a nagy műszerképen kép mentése..., a lementett képpel meg valami rajzoló progival azt csinálsz amit akarsz
Sziasztok!
Az ESR táblázat itt Excell formában van, a műszer méreteihez lehet igazítani... Sziasztok
Szia Nagy Hoho!
Itt egy kép az ESR diagrammról, az egyik műszer előlapjáról. Szia.
Szervusz!
Szerinem a miatt, hogy Idézet: használsz, nem kell csodálkozni, hogy a felharmonikusokra is beáll a frekimérő!„pár menetes csatolótekercses szondát” A csatolótekercs a szórt kapacitásokkal rezgőkört képez, és ez kiemelheti valamelyik felharmonikust, a mellett, hogy az alapharmonikust pedig elnyomja. Mindezt véletlenszerűen a mérendő frekvenciától és a szonda mechanikai helyzetétől függően. Nem színusz a mérendő jelnél fokozottan fog jelentkezni a probléma! Üdv. P István
Sziasztok!
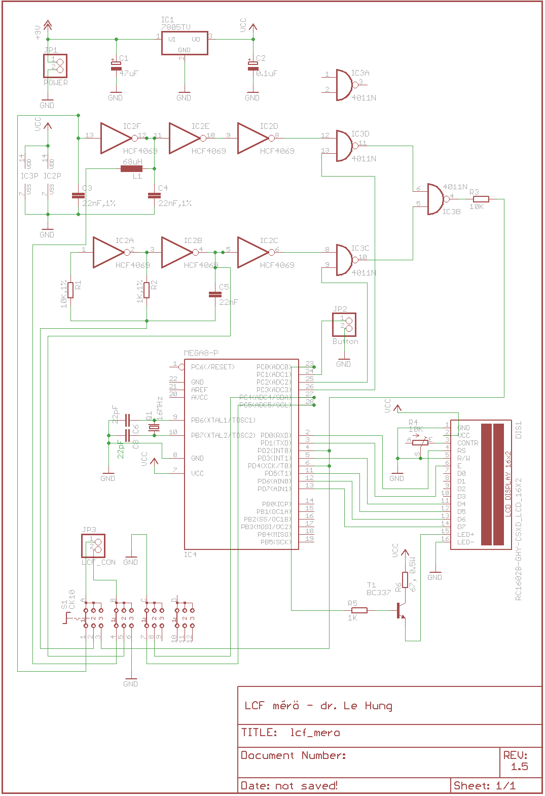
Ha valakit érdekel, az LCF mérőmet (itt másfél héttel korábban írtam róla, a cikk még várakozik, plusz: kontraszt-trimmer berakva) kiegészítettem ESR-méréssel. Negyedik kapcsoló állásban csak ezt méri (a C-mérés külön állásban, így a zárlatos kondi azzal kimutatható). A mérés alapja Bob Parker féle áramköri kapcsolás, sok egyszerűsítéssel (a feszültség-mérés komparálás helyett ADC-vel van megoldva). A mérési paraméterek: 5mA vagy 50 mA áram-impulzus, 1 mV-mérés, ESR vagy R mérhető 0-150 Ohm tartományban, 20 m Ohm felbontással. A nyitó feszültség kb. 600 mV, így a kondi ESR-je áramkörben (kiszerelés nélkül) is mérhető. Az AVR ATMega8-hoz irt saját szoftveremet (hobbiként csinálom) még csiszolgatom. A méréshez gombot nem kell nyomni. A kalibráláshoz elég egyszer 10 Ohm, 1% ellenállást befogva, a gombot megnyomni 3-4 mp-re. Egyelőre próbapanelen működik. A mérések a kondik általános ESR táblázatában lévő érték-tartományban találhatók (valószínű az 1%-5% pontosság). Egyéb: Az ATMega8 8 KB memóriából még valamennyi memória-tartalékom van, de a frekvencia-előosztót nem tervezem a mérőben. Szerintem, akinek kell, külön elkészítheti azt, saját ízlésére, követelményeinek kielégítésére.
Szervusz!
Köszi a választ, tökéletesen igaz, a tekercs a koax kapacitással rezgőkört képez. Sajnos nincs nagyfrekvenciás szignálgenerátorom amivel be tudnám mérni a bemeneti erősítőt. Egyébként ha jó stabil a mért magasabb frekvencia és tudom hogy mennyinek kell lenni egyszerüen visszaosztom. Sokszor szükségem van induktív csatolású mérésre. Ezek az egyszerű szabályozatlan bemeneti erősítők sajnos igy viselkednek. Gerenk
Szia!
A koaxot le kellene zárni egy ellenállással (50 vagy 75 ohm koaxtól függően) ez a tekercs rezonanciáit is csillapítaná, igaz érzéketlenebb lenne, de stabilabb. P István
Nagyszerűk ezek műszerek amiket kifejlesztettetek, mérnek induktivítást, kapacitást, kapacitív ellenállást, frekvenciát, amit hiányolok egy hozzákapcsolt rezgőkör
rezonanciafrekvenciáját és jósági tényezőjét is megmutatná. Ez megoldható lenne ?
Szia!
Ez jó ötlet, meg fogom próbálni, kérdezném mi a véleményed arról amit az előbb irtam.
Szia!
LC (rezgő)kör rezonancia és jóság méréséhez részben hardvert kellene módosítani, másrészt feszültséget is kellene mérni pontosan és nagy felbontással több száz kHz-ig(MHz-ig?). Ezzel a 16f690-nel kb 80-100 kHz ig tudok színuszt viszonylag pontosan mérni. Ehhez egy komolyabb PIC is kellene. De akkor inkább már egy LCR mérőt készítenék (impedancia analizátor) ami nem rezonancia elven mér. Frekvenciaméréshez is inkább egy korrekt frekvenciamérőt készítenék, szándékosan nem kevertem bele az LCM3-ba a frekvenciamérés funkciót, pedig a mérési elv miatt megvannak a mérési rutinok. Részben a minnél egyszerübb hardver miatt is, de a frekvenciamérő szerintem nem csak annyiból áll, hogy az egyik PIC lábát kinevezzük frekvenciamérő bemenetnek: pl. kell korrekt bemeneti fokozat/erősítő, a nagyfrekvenciák méréséhez előosztó, amit szintén nem lehet csak úgy ráakasztani, mert pl. egy 64-es előosztó esetén ha a PIC (MCU) nem tud róla mekkora az előosztás akkor elég nehéz lesz értelmezni a kijelzést. Tehát sokkal ésszerűbb egy önnálló frekvenciamérőt készíteni ami arra van optimalizálva hardver és szofver szinten is, ezekből viszon sok megoldás található a neten. P István
Szia!
A műszerek értékét emeli, a mérési lehetőségeket jelentősen bővíti, ha a mérési eredményt nem csak elolvasni lehet. Ha mikrokontrollerekben benne van már valamilyen (uart, usb) kommunikációs lehetőség, akkor használjuk is ki. Ha a kommunikáció miatt nagyobb, drágább kontrollert is kell felhasználni, a megnyíló lehetőségek bőven kárpótolnak. Szia
A korábbi bejegyzést olvastam. Az ott közreadotthoz képest változott-e a kapcsolás? A fentiek szerint a program szépen gyarapodik.
Szia! Köszönöm a segítséget, megoldódott a problémám.
Üdv.
A tanzisztoros illesztőt használva mértem a 16MHz-es alsó határt. Másik panelon HCT14-illesztővel simán lemegy az alsó határ 10MHz-re,de nagyobb jelek kíván, és a jelszinttől függően mér dupla ,tripla frekit. Feljebb lévő frekinél ez nem tapasztalható. (ezzel vagy meg kell barátkozni, vagy szintszabályzó áramkört kell kialakítani. ) A P_pista körvonalazódó frekimérőjénél ezek feltehetően felmerülnek , kérdés milyen legyen a bonyolultsága. Tekerős potik, automatizált mérés , vagy a használó mérlegel. \\\M-V
Szia!
Ez minden előosztónál jelentkezik vagy onkrétan valamelyik típunál? Itt konkrétan melyiket nézted? (MB501L) Mekkora frekvenciánál szűnik meg a felharmonikusra való beállás? Az automatikus szintszabályozás jobban hangzik! Üdv. P István
Üdv.
Ez feltehetően minden ECL tipusnál megvan. Amit mértem U891 volt. A legszélesebb körben a TV tunerekben található, mind addig amig az I2C buszos kiváltotta. Ma már szinte mindenütt az I2C van. (egyszerűen lehet belőle szintézeres generátort építeni pesze egy kis körítés is kell hozzá. TSA511 vagy 512 ) Az alsó tartományt néztem, de csak egy gyors ellenőrzéssel. A pontos értékelést a freki és szint fügvényében egy táblázatba rakom. A felső részét(500Mhz felett )az egy kicsit későbbre kell halasztanom. Az utomatikus szint szabályzás kétségtelen szimpatikusabb. Mi az elfogadható anyag mennyiség ami belemegy. SMD (már amit lehet) vagy furatszerelt? Szükséges-e jel nélküli bemenet estén a kimeneti "zaj elliminálása" vagy ezt SW-ből lehet kezelni. Ezek egyben meghatározzák a méretet is, kézi, vagy asztali a cél.
Sziasztok!
Érdeklődnék, hogy kapcsoláson belül is mér a műszer esr-t ? Idézet: „amit hiányolok egy hozzákapcsolt rezgőkör rezonanciafrekvenciáját és jósági tényezőjét is megmutatná. Ez megoldható lenne ?” Egyelőre mást nem nagyon tervezek.
Idézet: „Az ott közreadotthoz képest változott-e a kapcsolás? A fentiek szerint a program szépen gyarapodik.” Igen, ahhoz képest kis módosítás történt: az LCD kontrasztot beállító trimmert beraktam és 2 fajta nyáktervet (1 oldalas és 2 oldalas - az utóbbi valamennyivel kisebb) is megcsináltam a cikkhez. A cikket is átírtam (nem javítgatok már rajta), mely még várakozik elfogadásra. Addig itt mellékelem ezeket (ha már rákérdeztél). A 2-es verzióban pluszban csinálom az áramkörön belüli ESR-mérést (próbapanelen szépen működik). Majd ha végleg elkészülök vele nem sokára, írok cikket és feltöltöm azt is.
és az AVR AtMega8-hoz a hex file (nem volt változás).
A 2-es verzió csak programmódosítást jelent? Lesz módosítás a kapcsolási rajzban?
Még 12 apró alkatrészt (dióda, R,C, tranzisztor) kellene beraknom a 2-es verzióhoz (áramkörben történő ESR-méréshez). Szerintem néhány hét és új készülékem lesz.
|
Bejelentkezés
Hirdetés |











