Fórum témák
» Több friss téma |
Ezt a határozatot néhány napja már valaki feltette. Ez is elismeri, hogy a készülék felaprítja a mészkő pelyheket. Az pedig agyártó honlapján olvasható, hogy a víz keménysége nem változik.Például: Link
Nem is vízlágyítóról, hanem vízkőmentesítésről szól a topic.
emberek! ez egy elktronikával foglalkozo forum. ez feltételez némi alapimereteket. pl. nyitott (szakadt) tekercsben nem keletkezik indukcio. zárt fém (különösen vastagfalu vas) dobozban, csöben kivülröl sztatikus, vagy kapacitiv uton nem lehet megváltoztatni semmit. pont. akor miröl beszélünk?
ha a versenyhivatalban kicsit tökösebb faszik lettek volna, akkor milliárdos büntetést kellett volna kiszabni.
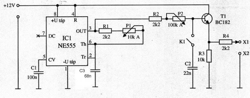
Már három példányban legyártottam a család részére, funkcionálisan ugyan azt a kapcsolást. Olyan eltérések, az első példánynál előfordulnak, mint pl. a BC212 emiterkörében lévő ellenállás nem csak egy fix értékű, hanem ki van egészítve egy trimmerrel is. (A nagy panel melletti nyákterven ez szerepel. Ezzel lett kikisérletezve a R7 értéke.) Ha jól emlékszem egy 3,3K és 10K trimmer lett sorbakötve. Mivel helyde precíz érték nem kell, ezért megállapodtam a 5,6K-nál. És ehhez a C4 2,2nF-ral kb. abban a tartományban működik, ami már elfogadható. Az alkatrész szórások miatt, legalábbis én erre gondolok, pl. az egyiknél a BC182 emiter körében 2db. míg a másiknál 3db. dióda van. Ezeket csak azért írom le, mert én is sokat variáltam, amíg a működőképes váltopzatot sikerült eltalálnom. Ezért ne lepődj meg ha elsőre nem lesz tökéletes.
Tudom,hogy egyedül te értesz hozzá, de azért ezeket ovlasd el.Bővebben: Link
Az, hogy a 4013-nak csak az egyik fele üzemel, az nem oszt-szoroz a frekimeneten. Nekem nem volt szükségem két külön csőre szerelhető verzióra. A felső határfreki biztosan töb mint 15kHz, mert már nem hallható. Szerintem felfut 20kHz-ig mint, ahogy ide a fórumra már feltett egyik rajzon piros keterben ez az érték jelezve is van. Mérni nem tudom frekimérővel, csak egy muzeális szkóppal vizsgáltam a frekimenetet, de a "gyors" változás miatt csak saccolom az értékeket. Az alsó határfreki meg úgy néz ki mintha 0-ról indulna, de ez biztosan csak látszat, a nem precíz mérési technika miatt. Szerintem annyira nem lényeges a pontos frekimenet. Még azt is eltudom képzelni, hogy csak egy fix frekin működik az egész. Ilyen változatra is lehet találni kapcsolási rajzot. Egy ilyent csatolok ide.
"Már három példányban legyártottam a család részére, funkcionálisan ugyan azt a kapcsolást. "
gratula. ügyes gyerek vagy. de bocs, miért is csináltad? mert semmi értelme. igaz kapcsolásokat gyakorolni jo lehet.
Hi VIM!
Kösz a gyors választ. Jellemző, hogy minden variációt lerajzoltam, csak azt nem amit kellett volna. Azért mellékelek 2 vázlatot, hogy jól értem-e? Ha igen, akkor nagyon kell erőltetni a fantáziám, azt elképzelni, hogy az erővonalak hogy keresztezik a vizet. De hát végül is az eredmény fontos.
remélem nem csak én. valoszinüleg az összes nyolcadikos tanulo is. mert már ök is hallotak a farady kalickárol.
Én is értek hozzá, szerintem is hatástalan, de csak építgessétek, aki hinni akar benne, annak úgyis hatástalanok holmi tudományos érvek.
Ha visszalapozol találsz tőlem már több hozzászólást is. Ezekközött van egy-kettő ahol érintve lett a miért kérdés is. Egyébként a tapasztalatszerzés sem egy utolsó dolog, főleg ha valakinek az elektrónika a hobbija, még ha nem is profi szinten. (Zárojelben jegyzem meg, hogy a vezetékeket én sem vas vagy rézcsőre tekertem. Azon a darabon egy KPE csővet iktattam be.)
Idézet: „remélem nem csak én. valoszinüleg az összes nyolcadikos tanulo is. mert már ök is hallotak a farady kalickárol.” Sőt ők még a shift gombról és a helyesírásról is hallottak.
Kössz a választ, még majd bogarászom. Frekimérővel hiába is méred, nem tudja a digitális ezt a változást követni, az is csak saccra jó, mint ahogy a szkópon én is csak saccoltam...
Üdv Inhouse
Sziasztok
Nekem az a gondom a megépített elektronikával, hogy a második ciklusnál amikor felfut a freki majd lefut, ezt végtelenségig csinálja nem vált át az egyes ciklusra, vagy ennek így kell működnie? Mire való akkor az 556? 1 ciklus Kb 10 percig adott ütembe adja rá a fix frekit ( nincs modulállás) 2.ciklus a jel frekie felfut, majd lefut (modulált jel) felraknám a rajzot, amit megépítettem. Segítsetek kérlek. Köszönöm A melléklet már fent van a topicban, töröltem. Ha akarod, linkeld be, de feltenni még egyszer felesleges. Frankye
A végtelenségig csinálja az mit jelent? Mennyi ideig hallgattad? (Most pontosan nem néztem utána, de valaki mintha heti ciklust emlegetett volna...)
Szerintem az IC1 ls a Q1 kör teszi ezt. Bár emlékeim szerint ennek nem 10 percnek, hanem jóval többnek kellene lenni. De lehet, hogy tévedek. Utána kéne nézzek, de most melóban vagyok. Egyébként én ezt feleslegesnek tartom, ezért én el is hagytam azokból, amelyeket megépítettem.
szia
amikor elindítom, és minden alapon van benne, és egy hangszórót rárakva hallgatom, egy tyuiiii tyuiiii hangot hallok (elnézést, hogy ilyen bután írom, he nem tudom mihez hasonlítani) ez kb 10 percig tart, majd átlép egy második állásba ami hasonló a videódhoz, amikor is modulálja a jelet, Ekkor a led kigyuladásakor mélyről felfutó jel halatszik, és amikor elalszik a led méllyülni kezd a hang. A második ciklust csinálja végtelenségig (már 6 órája tesztelem) a készüléknek így kell működnie, vagy egy idő után megint át kéne válltani a tyuiii tyuiii hangra? Remélem érthetően írtam le?! Köszönöm a segítségedet Hozzárakom a két ciklus hangját
Nos, a berendezés nem mentesít. Nem szűri ki a vízkövet. Ezt már itt többször is kiveséztük. Ha tényleg érdekel és nem csak viccnek szántad, olvasd át a topicot.
szia köbzoli
Szerintem hallgasd meg az mp3-at és megérted
sziasztok
Azért a kapcsrajzot is felteszem Teljesen felesleges volt. Már fent van a topicban, még egyszer feltetted, feleslegesen, most harmadjára is. Minek? Frankye
az érthetőség kedvéért mégegyszer
a készülék 2 ciklust csinál. az első ciklus kb 10 percig működik. utánna átvált, és a második ciklust csinálja, de azt nem 10 percig, hanem órákon át. Nem kéne átválltania az első ciklusra? Mert az 556 ból itélve igen. Lehet hogy tévedek, és az 556 nem multivibrátorként üzemel benne Idézet: „Nos, a berendezés nem mentesít. Nem szűri ki a vízkövet. Ezt már itt többször is kiveséztük. Ha tényleg érdekel és nem csak viccnek szántad, olvasd át a topicot. ” Bocsi az elírásért, igazad van. [color=red]
Nekem 4kHz-12kHz között. Szerintem így hagyom, ahogy olvastam 5-10-15kHz között üzemel az egyik magyar fajta, másik 2 és 30kHz között írja, de szerintem nem 2Hz a 2, hanem 2kHz.
Ez nem a plussz IC-s variáció. Üdv Inhouse
Na, ebben a topicban legyen top-on az, aki tudja, hogy ki melyik kapcsolásról beszél...
Üdv Inhouse
"Nos, a berendezés nem mentesít. Nem szűri ki a vízkövet. "
söt, az égvilágon nem csinál semmit!
A csatolmányban van egy rövid leírás a ciklusok mibenlétéről.
korrekt leirás. ez is azt bizonyitja, hogy bár az emberek lehetnek segghülyék, szerencsére a természetbeli dolgok, tárgyak, még mindig a fizika törvényei szerint müködnek. még akor is ha esetleg nem is ismerjük mindet. de amit ismerünk azok szerint mindenképpen.
De most komolyan! Ez már a második olyan hozzászólásod amiben nem megcáfolod (technikai szemszögből) a berendezés működését, hanem csak hangoztatod a véleményed. Miért nem mérsz, kísérletezel, számítasz és bizonyítasz? Ehelyett jössz azzal, (hogy azt sugallod), hogy aki ezt használja, után építi és/vagy hisz benne, az segghülye... Na köszi.
Mindenesetre, én segítek a kísérletező kedvű embereknek (és ezzel nem azt állítom, hogy a berendezés mennyire fantasztikus, mert mindent megszüntet ami kicsit is emlékeztet a vízkőre).
"De most komolyan! Ez már a második olyan hozzászólásod amiben nem megcáfolod (technikai szemszögből) a berendezés működését, hanem csak hangoztatod a véleményed."
megcáfolni? ugyan mit? néhány közismert fizikai alaptétel cáfolja az egész hitelességét. de ennyi erövel vitatkozhatnánk a gabonakörökröl, vagy a poltergeist-röl esetleg az ufokrol is. de ezen utobbiakban sokkal több a valoságtartalom. az elektronikával valo kisérletezés az egy más dolog. de itt arrol van szo hogy egy kamu készülékkel megvezették a tudatlan embereket. és nemlétezö fizikai kölcsönhatésokra hivatkozva igazi parasztvakitást követtek el. sajnos ennek sokan bedöltek. olyanok is, akiknek ismerni kellett vola az idevágo fizikai, elektronikai alapismereteket. |
Bejelentkezés
Hirdetés |











