Fórum témák
» Több friss téma |
Szia!
A válasz, mekkora melót szeretnél "beleölni"? Mert egy jól megcsinált trafót nem érdemes szétszedni, csak ha nincs más lehetőség.Nos a legegyszerűbb az lenne, ha terhelés alatt megnéznéd.Az 1,6 os pálcával megnéznéd, h terhelés alatt mekkora feszt ad le. Ezzel a pálcával azt hiszem lehet 20-40 A-nál szépen hegeszteni.Itt nem a varrat lenne a fontos, hanem a folyamatos áram mérése.Nos ha olyan 60-70 V körülre adódna,akkor tied a főnyeremény! Ha 80,talán,de 90,100, akkor az sok. Lássuk a medvét! Gyorsan válaszolj, kíváncsi vagyok!Az adatlap a 220 as rész 11,4 A-t ír, ha tudnál valami irodalmat a gyártási szám látszik,de az lehet tipus is
Szia.
Azthittem már elö sem kerülsz!!! Ez a trafó nem heggesztőben volt hanem egy nagyon régi kapcsolószekrényben.Sajna több adatot én sem tudok róla.De egyenlőre ez van és ebböl kell épitkezni.Szerintem nem okozna túl nagy gondot a szekunderböl letekerni egy keveset.A projekt egy kicsit megakadt mert kevés szabadidőm van és azt is a másik projektre forditom.Ennek az lessz az eredménye hogy egyszer csak égetően kellene a töltő. Most ott tartok hogy nézelődtem töltő és tirisztoros fázishasitás ügyben és összedobtam egy kis kapcsolást ami két tranzisztorral hejettesiti az UJT-t.Még nem volt időm kipróbálni.Ha összejönne a fázishasitás,akkor már csak ki kellene egésziteni áram és feszültségfigyeléssel és egy egyszerű szabájzással. Ahogy haladok,úgy irom az infókat és majd a kapcsolást is segitségkérés gyanánt. Csak az időőő...
Szia!
Én se bolygatnám azt a trafót mert amint látom vmi lakkal leven kenve és azt nem lesz egyszerű épségben szét szedni. Amúgy mire kell neked 48v? Kocsiba hangtechnika?
Muszáj lessz megbontani,de ha nem jön össze akkor sem gáz mert a méhtelepre van szánva a trafó.
Igen,kocsiba kell de nem hangtechnikának hanem hajtásnak. :papakacsint:
Rozsda barátom! Kell egy trafó, szekunder 55-60V váltó, egy fázishasítós teljesítményszabályzó, egy 35A-es graetz híd, néhány pufferkondi,árammérő, két relé /2áramkörös morse/, egy nyomógomb,és egy doboz , amibe beteszed.
A lényeg, a fázishasítóval szabályzod a töltőáramot, graetz után szűrve a kondik átlagolnak a fázishasítás mértékének megfelelően. Az egyik relé egy öntartás, a nyomógombra, a másik relé pedig úgy méretezve, hogy közel 60v-ra behúzva szakítsa meg az öntartást. Ez a relé lehet 48v-os /behúz már 35V-ról is/, sorba kötve megfelelő ellenállással. Használat: Akksi ráköt, START gomb megnyom, töltőáram beszabályoz, és hagy tölteni. Ha az akksifeszültség eléri a k.b. 58-60V-ot, akkor a relé leold, és alapállapotban marad, kész, feltöltött akksikkal. Holnap lerajzolom!
Van négy darab régi nagyáramú orosz diódám és két darab tirisztorom.A diódákra nincs is szükség mert egy sima graetz hid megoldja.Eddig vezérelt hidban gondolgodtam,de nyilván egyszerübb egy graetz+egy tirisztor.
Szép nagy trafóm az van csak majd át kell tekerni.Ezt megtudom olldani.A fázishasitáson most kisérletezem.Összedobtam egy UJT hejettesitő tranyós kapcsolást,de még nem sikerült kipróbálnom.Ha ez összejönne akkor azthiszem egyenesben volnék. A rajzot megköszönném,biztisan segit és megerősit.
Na szétkaptam a trafót mint bolond gyerek a mesekönyvet.Nagyábol megszámoltam a menetszámokat és nemigazán értem.Nprimer=200menet 2-es rézdrótbol,Nsec=200ment 2.5 drótbol.Vasmag keresztmetszet 61 cm2-er.És a szecunderen 140 voltot mértem terheletlenül.Nemértem.
Mindegy.A bajom viszont az hogy akár hány hejröl szedek képletet mindegyikkel más érték jön ki.Néztem itt a H.B a videót,és egy csomó ilyen téma is van,plussz a trafóméretező programok tömkelege,de nincs két egyforma érték,sött a primer menetszámokban előfordul 60 menet eltérés is. Na most kinek,minek higyek. Elvileg a primert meg sem akarom bontani. Segitsetek eligazodni.
Hello!
Az adattáblát "értelmezve" ez egy régi 380V/220V-os 2500VA-es osztott csévetestes biztonsági trafó. A mért eredmény is ezt támasztja alá, mert Te most 230V-ról üzemeltetted a 380V helyett így nem 220V jött le róla, hanem 140V (persze terheletlenül ). De az lehetetlen, hogy a primer és a szekunder oldalon azonos a menetszám, és a feszültség más. Hatásfokot nem számolva Up/Us=np/ns üdv! proli007
Szia!
Amit írtál valóban lehetetlen... A feszültségek a menetszám arányában változnak. 200 menet primer és 200 menet szekunder csakis 230V/230V -os trafó lehet. Az eltérő primer menetszámok azért lehetneka különbözö számitási példákban , mert egyes alkalmazásokban más és más lehet a mágneses gerjesztés 0.8-1.4 Tesla ami még a vasmag típusától is függ. trafólemeznél 0.8-1.1 Tesla szokott lenni A képlet : n= U*10000/4,44/b/A/F B= mágneses indukció(0,8T) A=vaskeresztmetszet(cm2) F=frekvencia (50Hz) ebből nálam 212 ment jön ki.A primer menetszámot a veszteség miatt 0,95 szorozzák, tehát 202menet a szekundert 1.05-el A primer és a szekunder tekercs áramsűrűsége 2.5-3,5 A/mm2 szokott lenni. Ha 2,5mm a primer drót átmérője, akkor 5A lehet a primer áram.Ez kb 1100VA trafó lehet. Ha gondolod privátban keress meg.
Igen,én is tisztában vagyok vele hogy ezek az adatok igy lehetelenek.Át is számolom mégegyszer a meneteket.
De ha primernek 57 menet kell akkor remélhetöleg több hej marad az ablakban.Inkább többet tekerek rá,és mérek.Ha több a kelleténél akkor talán le tudok fejteni egy pár menetet ugy hogy ne keljen mégegyszer szétszednem. Remélem ez igy müködni fog.
Hello!
Tényleg szétszedted és letekerted a trafót? Vagy csak megsaccoltad a meneteket a huzalvastagság alapján? Remélem az utóbbi... Én, két alternatíva között választottam volna tekintve, hogy a 2500VA-ből csak kb. 1200VA-ra van szükséged: - Nem tennék a primer tekercsel semmit, azaz továbbra is a 380-as tekercsre kötném a 230V-ot. A szekundert viszont megfelezném, és újra feltekerném a drótot (párhuzamosan a megfelezett két szálat). Így a trafó rendesen alá lenne gerjesztve, a szekunder feszültség kb. 140/2=70V lenne terheletlenül. Neked ebből kb. 60..65V-ra van szükséged. Az áram terhelhetősége viszont a kétszeresére nőne, tehát meghaladná a 20A-t. A trafó belső ellenállása nőne, de ez a töltés szempontjából, még előnyös is lehet. (Hátránya, hogy a letert 2.5mm-es drótot ki kell egyengetni, hogy újra feltekerhető legyen. Ez nem mindig egyszerű, főleg impregnált huzal esetén szinte lehetetlen.) - A trafó szekunderét használnám primer gyanánt. A szekunder menetszáma kb. 10%-al több mint a primeré, így azt primernek használva, jobban illeszkedne a megnövekedett 230V feszültséghez. Így a 230V-hoz képest a szükséges menetszám, kb. 5%-al magasabb lenne, ami szintén kisebb gerjesztést ad. Ebben a módban megmérve a 380V-os tekercs feszültségét és letekerve azt megtudható a szükséges szekunder menetszám, az említett 60-65V-ra. Viszont így új kb. 3.5mm-es vezetékkel kell tekerni a szekundert. (A töltőre is van javaslatom, ha érdekel.) üdv! proli007
Nem,még nem tekertem le semmit.Csak szétkaptam a lemezelt trafótestet.Két külön csévetesten vannak.A szekunder csévetestbe bele van dugva a primer csévetest és annak a közepében van a lemezelt mag.
Viszont ma nyugodtan átszámoltam mégegyszer és egész reális érték jött ki. Primer=261 menet Szekunder=153 menet Ennél pontosabban már nem tudom megszámolni,de pár mentnél nemhiszem hogy jobban eltérne a valóstol. Én is pont ezen agyaltam (első felvetésed).Mivel ugyis lekell tekernem a szekundert,miért ne próbálnám meg vesszatekerni megfelezve.Legfeljebb ha nem jön össze akkor veszek másik vastagabb drótot.Esetleg egy pár menettel kevesebbet teszek vissza. OK.Azthiszem a trafó kérdést le is tudtuk.Már csak össze kell rakni. A töltős javaslatod nagyon érdekelne.Egyenlőre a tirisztorral kisérletezgetem,de nagyon jól jönne egy kapcsolás a vezérlésre.Nem vagyok egy nagy agy az elektronikában de utánna én már ki tudnám egésziteni egy kis feszfigyeléssel,stb...
Szia!
Nem akarok ünneprontó lenni, de Praktiker vásári kínálatában, reklámújságjában most van leárazva a kis heg trafó! Csak 25990.-Ez biztosan jó.Dec 4 től, 23- ig! Akciós! Ha sietsz akkor még van. Adatok 52 V ez szerintem több, de pont kell is, 60-180 A, ennyi nem kell, de tudja(elvileg ![]() Boyscout Ha kell kép megy.
Hello!
Ezek a menetszámok, már jobban hangzanak. Amit terveztem, az is egy tirisztoros, de komplett töltő. Ugyan ez 12V-ra készült, de néhány alkatrész cseréjével, a kívánt teljesítményre és feszültségre módosítható. Na, egy kis markecing.. - A töltő potméterrel beállítható állandó árammal tölt, a beállított töltési végfeszültségig. Ezt elérve lekapcsol. - A töltés két nyomógombbal elindítható-leállítható. - Alacsony aksi feszültség esetén, vagy fordított polaritás esetén nem kapcsolható be. (fordított polaritás esetén nincs zárlat) - Az aksi feszültségmérése a váltófeszültség nullpontjában van, a tirisztorok ilyenkor zárva vannak. Így a töltőáram értéke illetve a nagyáramú vezetékek ellenállása (csatlakozás rossz kontaktusa) nem befolyásolja a lekapcsolási feszültség értékét. - Egyszerű, könnyen beszerezhető alkatrészekből áll. Nincs speciális tirisztormeghajtó IC... - Érzéketlen, vagy nagyáramú tirisztorok gyújtására is alkalmas. - A töltőáramkör a transzformátoron 8-9V/200mA-es galvanikusan elválasztott, váltófeszültséget igényel. Innen biztosított a vezérlés szinkronizációja is. - Az egyenirányítás, vezérelt félhidas. A tirisztor és diódája egy-egy közös hűtőbordán helyezkednek el. Ezeket szigetelten kell egymástól és a háztól felszerelni. A transzformátor teljesítmény váltófeszültsége a két hűtőbordára csatlakozik. Így a teljesítmény egység szerelése egyszerűsödik. (Én csak egy mintapéldányt készítettem el, de már valaki sikeresen utánaépítette.) üdv! proli007
És még a nyák terv..
UUU,ez igy egy nagyon kész cucc.
Úgy kéne átverni a töltőt hogy 12V-osnak lássa a 48V-os pakkot.Ha jól gondolom akkor az áramot ugy lehet "tuningolni" hogy az árammérő komparátor erösitését megválltoztatom. Ha segitesz nekem ezt a kis válltoztatást megoldani akkor én gyorsan meg is épiteném.
Hello!
Az átalakítás nem gond. - R-shunt értékét kell 25mohm-ra csökkenteni - R12 200kohm és R14 120kohm-ra cserélni Ennyi. üdv! proli007
Hát ha tényleg ennyi akkor holnap be is vásárolok.Megtekerem a trafót és kipróbálom,mert ez igy tényleg filléres dolog.
Ha shönt hejére 4 db 1ohm 5W-os ellenállást teszek akkor az megfelelő lehet?Persze párhuzamosan..
Szia!
25 mohm 4db 0,1 ohm párhuzamos kapcsolása
Szia!
Ezzel nem egy hetet dolgoztál! ![]() De biztosan jó! Ehhez már csak a kis heg trafót kell megvenni,és az aksikat néha ellenőrizni... Bár itt szempont volt a minimális egyszerűség. Boyscout Látom megélénkült a téma!
Hála istennek jobban pörög a téma mint eddig.
Ezt a töltőt összerakom mert bár nem a legegyszerűbb,de minden a szám elé van rakva.Még nyáklapot sem kell tervezgetnem.Meg belekerül vagy 2500Ft-ba.És még lehet hogy jó is lessz. Csak szabadidőm lenne egy kicsit több.
Sikerült összedobnom a trafót.A szekundert letekertem,megfeleztem és duplán föltekertem,plussz még egy pár menetet 1-es drótbol a másik szekundernek.Szerintem egész jó lett a célnak.
Sec 1=66V Sec 2=9.5V Ezek terheletlen értékek. Mostmár nekiállhatok az elektronikának is. Utközben lehet hogy lessz egy pár kérdésem. Most is van egy.Hogy lehet ugy kipróbálni hogy nem teszek rá akksit?Nincs 4 db régi akksim itthon,az utó pakkjára meg nem tenném rá addig amig meg nem győződtem róla hogy nem ba....m el semmit.
feszültség beállításhoz én tennék egy soros 230V-os izzót, és egy 1000µF/100V-os kondit, amin van kisütőellenállás. Ezen be lehet állítani a "kezdő" feszültséget a töltéshez,Az áramhoz pedig muszály lesz az akksipakkot rátenni, de mivel nem nagy a töltő és az akksi között a feszültség különbség, egy-két autó fényszóró izzót raknék közéjük.Ezek hidegellenállása kicsi, de ha gond van egyből látod....
üdv.: foxi
Nagyon rendes és segitőkész emberekkel vagyok itt körülvéve. :yes:
Ezt a kisütőellenállást hogy érted?A kondi lábaira rakjam? Az első bekapcsolásnál nem akarom hogy az akksin legyen,de szétnézek haverok között és megpróbálok összeszedni 4 db lenyüstölt akksit. Tegnap a másik fórumban volt egy kérdésem hozzád.Megtennéd nekem hogy válaszolsz rá?.
Hello! A tirisztoros készülékeknél, elsőre, szimulálni szoktam az aksit, egy terheléssel és egy labortáppal.
Tehát ha különválasztjuk a kettőt, akkor - a töltő negatív kimeneti sorkapcsára menő vékony kék vezetéket (panel X2/1. pontjáról az aksi mínuszra menő) leveszed a kimeneti csatlakozóról, és az aksi plusz pontjához képest bekötsz rá egy szabályozható tápegységet. Így imitálod az aksiról jövő feszültséget. Sajnos itt egy 0..60V-ig szabályozható táp kell, viszont kisáramú is lehet. - a töltő kimeneti sorkapcsára az aksi helyett, pedig bekötsz 2db 24V/100W-os izzót sorban. Második módszer, hogy ténylegesen szimulálom az aksit. Tehát labortáp (30..60V/10A), vele párhuzamosan egy 10000µF/100V-os kondi, és 48V/400W-os terhelés. (minimum 2x2db 24V/100W-os izzó). Ha ezt a tápra kötöd és felszabályozod 40V-ra, olyan mint ha aksi lenne rajta, csak az izzókat a labortáp táplálja. Ha bekapcsolod a töltőt, és elkezdi felszabályozni, akkor a töltő átveszi lassan a terhelést, majd a feszültség magasabb lesz mint 57V, akkor lekapcsol a töltő és ismét a labortáp fog terhelődni. Nem tökéletes, de élesztésnek megteszi. Harmadik módszer, négy legatyásodott gépkocsi aksi, vele sorba egy 10A-es bizti. Terhelésnek, meg az ominózus lámpák, hogy a töltő ne tudja egyből feltölteni. (olcsó, nem ráz, és leginkább a 8db aksi sarura kell költeni, mert a haveroknak biztos van selejt aksijuk..) Remélem érthető, ha nem lerajzolom. üdv! proli007
Látom itt is ünnep közeleg!
![]() És meghozza a Jézuska a "nagy töltőt"? ![]() Most valahogy nem pörög a téma... De kiváncsi vagyok az új fejleményekre, írjátok + ! ![]() Boyscout
Szia.
Volna megint egy kérdésem. Még mindig nics kész a töltő de már nemsok hijja van. Panelok,trafó,tirisztor-dióda pakk kész,már csak össze kell öket kötözgetni.A shönt hiányzik még,de hamarosan meglessz az is.Szerintem a héten kitudom próbálni. Amit nemértek az a GO Green kábel.A panel teste bele van kötve az akkumulátor pozitiv pólusába.Biztos hogy jólvan ez igy?És mi a szerepe?Nem fog ez igy füstölni?? Egy pár szót irnál még nekem a feszültségmérő körröl?Nemlátom át (nem is értem) az U2b,U2c és az utánna lévő kapuk pontos működését. Lehet hogy dobok fel egy pár képet is nehogy azthiggyétek hogy kamuzok.
Hát remélem hogy müködő töltőt hoz a jézuska.
Csak csináltam én egy pár képet. A dobozának majd csak akkor akarok nekiállni ha rendesen müködik.Ez nem lessz egy kicsi darab és könnyü sem,de nem ez volt a cél.Eddig kb 1500Ft-omban van.Remélem müködnek a régi orosz diódák és tirisztorok.Amiböl kiszedtem az 10-15 éve ugy lett kikapcsolva hogy müködött.Amúgy meg amit szerjózsáék rendesen összeraktak az...
Hello!
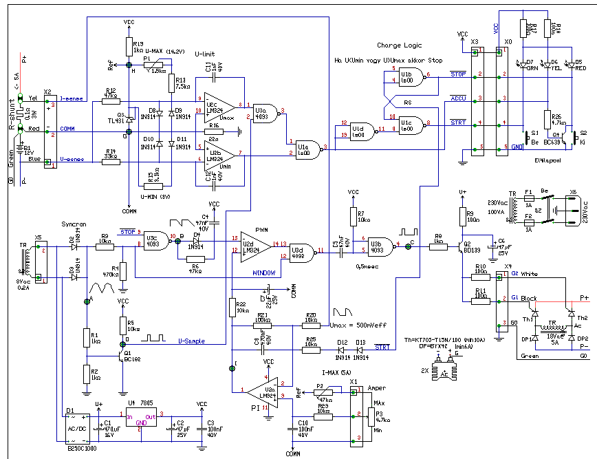
Nincs itt semi gon. - Ez az áramkör az 5V tápfeszültséget a segédtekercsből állítja elő. Az 5V GND pontja közösítve van az aksi plusz pontjával. Erre alapvetően azért van szükség, mert a félhidas tirisztoros egyenirányítónál,a tirisztorok katódja, az aksi plusz pontján van. És ehhez a ponthoz képest kell tirisztorokat gyújtani. Avagy ehhez, az aksi plusz pontjánál magasabb feszültségre van szükség. - A feszültség figyelők a TL431-el előállított és leosztott feszültséggel hasonlítják össze az aksi feszültségét. (Csak a műveleti erősítők, invertáló üzemmódban vannak kapcsolva.) A referencia felfelé húzza az invertáló bemnetet, az asi feszültsége pedig lefelé. Ha az aksi feszültsége nagyobb, akkor az invertáló bemenet feszültsége negatívabb mint a neminvertáló, így a műveleti erősítők kimenete magas szinten van. Ha az aksi feszültsége 9V-nál magasabb, akkor U2b kimenete magas és engedélyezi a töltést. (Az RS tár bebillenthetőségét) Ha az aksi feszültsége elérte a 14,5V értéket, akkor az U2c kimenete is magas lesz, és vissza billenti az RS tárat, így a töltés kikapcsol. - Az RS tároló, az U1b és U1C kapuáramkörökből áll. Kissé trükkösen a tárolók kimeneti oldaláról billentik a nyomógombok. Ha S1 gombot megnyomjuk, akkor U1c kimenete alacsony lesz, így U1b két bemenete szintén, így a kimenete magas szintű, ezzel az U1c/10 bemente magas lesz. Ha előzőleg a 9. láb is magas szinten volt, akkor U1c kimenete alacsonyra vált, azaz ott marad, ha a nyomógombot elengedjük. Ezzel a töltés bekapcsolódik. (viszirányban S2 megnyomásakor ugyan ez a helyzet, csak fordítva, a töltés leáll.) A tárolót kézzel lehet ki-be billenteni, viszont kibillenteni, az U1c/9-es láb alacsonyra húzásával is lehetséges. Ezen úton kapcsolja ki vagy tiltja le a töltést a feszültség komparátorok. - Ha nincs meg a 9V az aksiban, akkor U2b kimenete alacsony szinten van. Így U1a/2 bemente is alacsony szintű, tehát kimenete magas. Ha U1a/3 kimenet magas szinten van, akkor az nyitja Q4 tranyót, ami "fixen nyomja a kigombot". Tehát az RS tár nem billenthető be. Ugyan akkor az U1d kapun keresztül az RS tár kiparancsot is kap. Ha a 9V feszültség megvan, akkor az RStár bebilenthető. - Ha az aksi elérte a töltési végfeszültséget, akkor U2c erősítő kimeneti feszültsége magas szinten van. Viszont ez a jel, csak akkor kerülhet át az U3a kapun, mikor annak 2. bementén is magas szint van. Ami viszont csak a szinusz jel nullpontjában magas. Ez szinkronizálja a komparátor működését, hogy csak akkor figyeljen, ha a tirisztorokon nem folyik áram. Így a töltőáram nem hamisítja meg a komparátor értékét. Tehát nullpontnál, ha a komparátor kimenete magas szintű, akkor U3a kimenete alacsony szintre vált. Ezért U1a kimenete mags, U1d kimenete alacsony lesz, és az RS tár kiparancsot ad. Remélem érthető... üdv! proli007
Köszönöm a leirást.
Nagy segitség volt mert már teljesen elvesztem a kapukban. Biztosan lessz még kérdésen,de majd csak próba után. |
Bejelentkezés
Hirdetés |




Gyorsan válaszolj, kíváncsi vagyok!













