Fórum témák
» Több friss téma |
Fórum » Csöves erősítő készítése
Ne feledd betartani a fórum viselkedési szabályait, és a topik megmaradásának feltételeit. [link]
A téma átmenetileg fagyasztva lett, hozzászólni nem tudsz!
Túrtam a kacatok között egy műverősítős próba panelt és kipróbáltam.
Műverősítő, visszacsatoló ellenálláson párhuzamosan két dióda gymással szemben, szintén párhuzamosan (alap torzító). Diódák helyett egy PCC189 egy-egy kató-rács átmenetét kötöttem, 5volt stab ic "fűtötte". Eredmény: Halkan szólt és nem torzított, semmi értelme. De! Amikor kikapcsoltam a fűtést akkor megjött hangja (gyönyörűen) és torzított is (gyönyörűen, persze csak kb 5mp-ig). Szét szedtem, összepakoltam és akkor jutott eszembe, hogy amikor méricskéltem benne a diódákat, akkor a műszer jelezte, hogy azokon a diódákon feszültség van. Rámértem a katód-rácsra és tényleg volt ott 0,6V. Valószínű, hogy ez a fesz zavarta meg a műverősítőt. Tehát ma megint kipróbálom, teszek valami kondit utánuk, hogy leválasszam azt kis feszt.
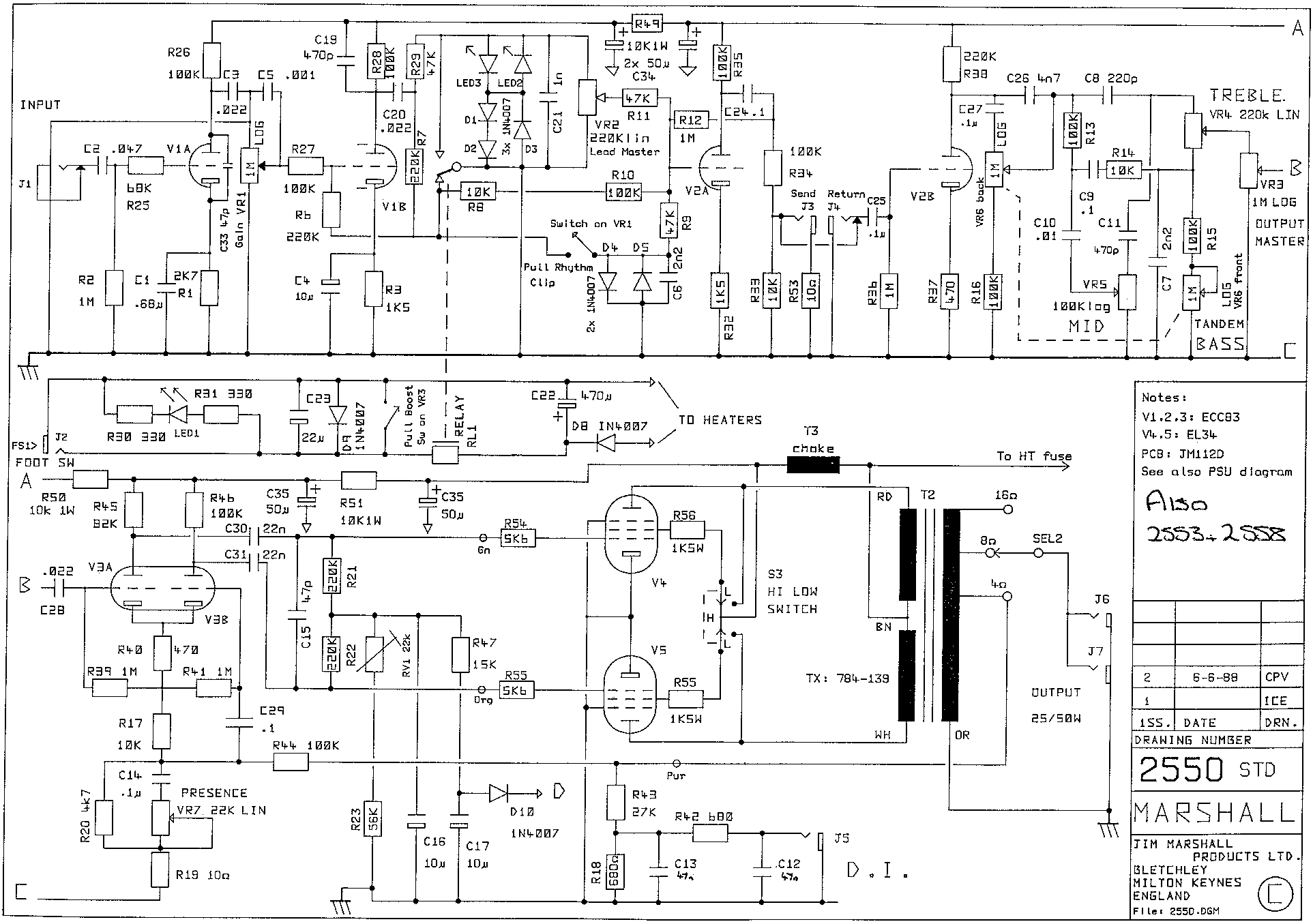
A marshal cég már 1987-es Silver Jubilee sorozatában használt diódás vágást torzítoként. Lásd a rajzon.
Attól tartok, teddysnow kolléga nem félvezetős vágásra gondolt, hanem azzal kisérletezik, hogy félvezetős diódák helyett csöveket használna egy műveleti erősítő visszacsatoló ágában.
Nem ismerem annyira a csövek világát, csak a műszaki érzékem súgja, hogy ez tévút. A félvezetős diódákat azért lehet vágásra használni, mert van egy nyitófeszültségük, ami felett nyit a dióda. Ez az érték attól is függ, hogy Si vagy Ge diódáról beszélünk. A germánium diódák kisebb nyitófeszültsége miatt hamarabb kezdenek vágni. Könnyen belátható, hogy két antiparalell kapcsolt ideális diódát (nulla nyitófeszültség) nem lehet vágásra használni, mert az egyik a pozitív, a másik a negatív félhullámot söntöli. Magyarul nem lesz kimenő feszültség. Innentől kezdve az a kérdés, hogy a csöves dióda milyen karakterisztikával bír, de erre adjon választ olyan, aki látott már ilyet...
Így van!
De azt a nyitó feszültség hiányt nem lehet esetleg egy soros ellenállásal emelni? Ma este megint kisérletezek vele, kipróbálom. Ha nem jön össze megnézek egy tube driver kapcsolást.
OK, költözzünk át valahová...
![]() Köszönet, hogy eddig megtürtétek a témát.
Na, megkapta a saját toroidját a PCL86SE. Képek majd lesznek.. Az előfok kapott még szűrést (22K-22u). Macik nincsenek (végre!). Tetróda módban sajnos elég hamar torzít, erre még ránézek, akkor majd készítek képeket is.
[OFF]Nem pentóda?
Mert én úgytudom hogy a pcl az trióda-pentóda! :hide:
Ezt már régebben fejtegettük, és bebizonyosodott, hogy a PCL86 pentódája az valójában egy sugártetróda.
De akkor sem sima tetróda.
A tetróda 4 elektródás, ez meg 5, csak más a fékezőrács kialakítása.
Na mindegy, akkor megjegyeztük tetródának.. A tetródában is lehet sugárformázó rács akkor..
Igen. Viszont csak azért lett megjegyezve a dolog, mert te sima tetródát írtál.És ott már nem mindegy.
Ja, bocsi!
Lehet, hogy azért torzít, mert a gép túlvezérli? Kis hangerőn hallgattam az előbb fülessel, és tetszett a hangja. Trióda kötésben több volt a mély, tetródába kötve, meg a magasak csilingelőbbek voltak. Tetszik mind a két mód hangja.. Meg a kékes fény a csőben.
Sziasztok,
98%-ban kész a Loctal Project! Már csak a ki-bemenetek összehuzalozása van hátra. Most neki is állok. A két SM65 kimenő csak mutatóba lett odatéve. Ezekkel még fletának dolga lesz Addíg is Imi ZK140-es kimenői lesznek betéve hogy kiderüljön van-e valami gebasz. Én csak pipacsmezőnek hívom a belvilágát. Láttunk már sokkal igényesebb belsőt is, ezért is várom a kritikákat, hogy tanúlhassak belőle
Szép lesz! Tuti a doboz!
Ismerősek a trafók Felismerem a börzés kondikat is (elkók). Jók azok a WIMA MKP kondik!
Köszönöm, naná hogy ismerősek a trafók, a "szponzoroknak" járó köszönőbeszédet a legvégén a már tökéletesen működő kütyü mellett szoktam elmondani
ezért nem hallottad még a neved!Ja, jók a kondik és jó drágák is, lehet hogy túlzás volt mindenhova azt rakni
Igen, csak csatolónak tettem volna WIMA MKP kondikat. Szűrésre jó lett volna akár a Remix MKT is.
Annyira azért nem drága csak ha egy összmarékkal kérsz egyszerre
Még nem aludt el a gyermek ezért nem merek belekezdeni a kábelezésnek
Tetszik! Biztos a hangja is szép lesz! Hol lehet beszerezni ezeket a WIMA kondikat?
Most készülő könyvemet a csöves technológiáról mindeki figyelmébe ajánlom. Kérdéseket E-mail-ben várok.
Szia,
Köszi. A Lomex áll rendelkezésedre ez ügyben. Minden egyebet könnyedén megtudsz a lomex.hu-n.
Szép, tetszik!
Zolibácsi, Márk, kocos!
Köszi fiúk, remélem a hangja is rászolgál majd a dícséretekre!
Szia Barna ! Látom azért haladsz a arany - pipacs projecteddel
Köszi Laci, 10:30-ra csendesedett le a lakás aztán fórumoztam egy kicsit aztán eszembe jutott hogy reggel jövök dolgozni és amúgy sem tudnám kipróbálni éjszaka, na mindegy azért erre már én is azt mondom hogy meglesz karácsonyig ahogy mondtad annó
Bár a kimenőket csak hétfőn tudom postázni fletának tekerésre, de Ő nem egy lassu ember...
De tényleg gyorsan tekersz, az én toroidomat is megtekerted kb. 1 óra alatt, míg beszélgettünk.. És szép is, tetszik..
Volt az 2 óra is!
Sziasztok. Nem tudom ki emlékszik rám, kb 3 hete (ekkor kezdett érdekelni a csöves "téma") volt egy két kérdésem amikor egy rádióbol akartam kibüvészkedni az erösitő részét. Ez kissebb nagyob sikerrel meg is történt, de ez nem volt elég, és neki álltam olvasgatni a témáról, majd elkezdtem épiteni egy erösitőt. Most már ott tartok hogy lassan csak a kimenöket kell beleraknom és meg is volna. (feltéve ha meg is szólal, mert nem sok közöm van az elektronikához, mint szakterület) Ezt osztanátom meg most veletek, és ha valaki tud igy a képek alpján tanácsot, okosságot mondani, azt szivesen fogadom.
|
Bejelentkezés
Hirdetés |




Mert én úgytudom hogy a pcl az trióda-pentóda! :hide:
A tetróda 4 elektródás, ez meg 5, csak más a fékezőrács kialakítása. 

ezért nem hallottad még a neved!




