Fórum témák
» Több friss téma |
És a fordulatszáméval is.
Sőtt modhati hogy csak a fordulatszámtól függ, de a fordulatszám meg a terhléstől... I=(Utáp-Uarmatúra)/Rarmatúra (gondolom ismerős), ebből csak az U armatúra a függő változó, ami a fordulatszámtól függ. Mi itt az U tápot változtatgatjuk a PWM-el (PWM átlagértéke = Utáp) A nyomaték meg = gépállandó * főfluxus * I ...
Átgondolom a fordulatszám visszacsatolást, de a gyorító erőt lehet nem lehet állítani az mindig maximum(nem jó menettulajdonság).
Kicsit utánnagondoltam, hogy mitől működik egy benzinmotoros autó. A motorgyártó cégek a motorfejlesztéseknél arra törekednek, hogy a nyomaték vs. fordulatszám jelleggörbe minnél laposabb legyen, tehát már kis fordulatszámon le tudja adni a motor ugyanazt a nyomatékot, mint közepes, vag yéppen nagy fordulatszámon. Az újabb motorok BMW, M3-as már nagyon jók ilyen szempontból. Mivel jár ez? Nagyjából azzal, hogy az autó gyorsulása nem fog függni a motor fordulatszámától! Tehát, egy rendesebb motorral amig nyomod a gázpedált ( illetve egy benyomott helyzetben tartod ) az autó folyamatosan növeli a sebességét, méghozzá állandó gyorsulással, hiszen a motor nyomatéka állandó! Ez azért csak az egyes, kettes sebességi fokozatban van így, mert a nagyobb fokozatokban már jelentősen megnő a légellenállás, meg a kerekek gördülési ellenállása, tehát, a gyorsulás azért egy kicsit visszaesik. Ugye, newton törvénye szerint: F = m x a , de ez csak addig igaz, amíg egy adott tömeget kell gyorsítani. Ha van légellenállás, meg surlódási, akkor már csak részben...vagyis, ha van még ráható erő, akkor ez már nem igaz.
Ha ezeket tekintetbe vesszük, akkor nagyon jó lesz villanymotorral az áramgenerátoros megtáplás, hiszen állandó áram, állandó nyomatékot fog létrehozni, úgy fog menni az autó ilyen szempontból, mint egy álom benzinmotorral ( vagy dieselel, ami még "nyomatékosabb", meg még laposabb a görbéje. ) Tehát, szerintem jó az áramgenerátoros megtáplálás, legfeljebb az lenne a kérdés, hogy ez fix frekvenciájú, vagy kétpontszabályozós legyen. Ha már rozsda kicserélte a diódákat schottkykra, akkor nyugodtan feljebb lehet menni a frekivel, a bekapcsolási veszteség nem lesz jelentős, a kikapcsolási meg annyi, amennyi, ne legyen benne nagy szerelési induktivitás és akkor az is elfogadható lesz. Nyugodtan mehet akár 30...50 kHz-en is kétpontszabályozósan. Így egész kis áramoknál is megmaradna a folyamatos áramvezetés és a freki sem menne le a hallható hangok tartományába. Persze, ez függ attól is, hogy a motornak milyen az induktivitása. Ha túl nagy, akkor az lesz a baj, hogy a komparátornak nagyon kicsi hiszterézissel kell működnie, ami esetleg zavarérzékennyé teszi az egészet. Ha túl kicsi, akkor lehet bekötni még egy fojtót a motorral sorba.
Hm... lehetne tenni a motorra egy fordulatszám jeladót ( tachogenerátor ). Erre építeni egy szabályozó hurkot, ami úgy működne, hogy a motor fordulatszámszabályozott lenne, tehát mindegy lenne, hogy dombon felfelé, vagy lefelé megy, az elektronika mindíg arra törekedne, hogy a motornak a gázpedállal beállított fordulatszáma legyen. Ezt persze azzal éri el, hogy a motor árama változik a mindenkori terhelés függvényében. Vagyis, ez egy tempomat lehetne... Ha ezt tovább gondolom, akkor pl. menet közben visszább veszek a gázból, vagyis kisebb fordulatszámot állítok be, hogy az autó lassúljon, akkor azonnal beindulhatna a féküzem. Ugyanúgy, mint egy benzinmotoros autóban. Tehát, ha gyorsabban megy az autó, mint azt a gázpedál állása indokolná, akkor fékezne, azért, hogy az elektronika minnél hamarabb be tudja állítani az új fordulatszámot. ( meg lehet csinálni fékezés nélkül is ) A benzinmotoros autó ettől annyiban különbözik, hogy abban van váltó is, tehát a magasabb fokozatokban nem olyan erős a motorfék, mint villanymotornál, hiszen ebben nincs váltó és a szabályozókör a maximális árammal fogja fékezni ( és visszatápláláni az energiát ) a motort. Persze, erre is ki lehet találni, hogy nagyobb sebességnél ( fordulatnál ) az ilyenkor létrejövő fékező áram ne a maximum legyen, hanem sebességfüggő, tehát kisebb sebességeknél nagyobb, a nagyobb sebességek felé ez a fékerő, - vagyis a fékező áram, - csökkenjen. Ha meg komolyan kell fékezni, akkor ott a mechanikus lábfék.
Azt hiszem, ez lenne a legöszkomfortosabb megoldás és mégcsak nem is bonyolult. Alkalmasint majd rajzolgatok valamit... Egyébként, nekem egy Astra Caravánom van, ebben az alapjárati fordulatszám szabályozott. Ez úgy működik, hogy mondjuk az autó 5-ben van, lelépek a gázpedálról, a sebesség elkezd csökkeni, aztán amikor lemegy olyan 43 körüli értékre, akkor van egy pici rántás és lehet érezni, hogy kap a motor egy kis benzint és anélkül megy tovább, hogy nekem hozzá kellene érni a gázpedálhoz. Ezt még dombnak fel is megteszi. Tehát, a lényege az, hogy a komputer az alapjárati fordulatszámot tartja állandó értéken. Valószínű, a többi autó is ezt csinálja, bár azokat nem ismerem. Innen látszik az is, hogy nem érdemes csak úgy üres váltóval gurulni, mert akkor a motor alapjáraton megy és mégiscsak fogyaszt egy kis benzint. Célszerűbb egyre alacsonyabb fokozatba visszakapcsolni, hogy mindíg menjen a motorfék, mert az azt jelenti, hogy magasabb a motor fordulatszáma, mint az alapjárati, tehát, a komputer lezárja a benzincsapot.
Hát, nem tudom, hogy a Lomexben mi alapján írják oda a típusokat, a gyári kód ( típusszám ) nem az, amit ők odaírnak. Mindegy, nehezen, de ki lehet azért böngészni. Ha az adott cégnél nem találod az adott kondit, akkor a Lomexes típus utolsó 2...4 karakterét töröld ki és úgy próbálj rákeresni. Nem nagyon van időm típust keresni, mert ez nagyon időtrabló. De azért találtam egyet a Lomexben. Ez nem Low ESR, de szerintem ez nem baj. A Lomexes tételszám:
12-06-67 http://products.nichicon.co.jp/en/pdf/XJA043/e-pm.pdf A kondi 470 µF/63V és 30,-Ft körül van. 105 fokos, még 100kHz-en kibír 1,4 A-et, 105 fokon. Egész jó. Ebből mondjuk 100...150 db kellene. Ezt a kondit kétféle típusban gyártják, az egyiknek 13 mm, a másiknak 16 mm az átmérője, de az laposabb. Nekünk az előbbi kellene, de valószínű a Lomexben az utóbbit adják... Az ESR 78 mohm 100kHz-en, -10 fokon. Ez a kondi huzallábas, azért ilyen olcsü, tehát, kell hozzá nyák, vagy két egymás mellett futó réz sínbe is be lehet forrasztani. És akkor egy kis elmélkedés: Tételezzük fel, hogy a bemenetre egy jó nagy fojtót használunk, tehát, az aksiból sima egyenáram fog kifolyni. Ebben az esetben az összes áramhullámosságot a kondinak kell szolgáltatnia. Legyen mondjuk a motor csúcsárama 400 A és legyen a kitöltési tényező 0,5. Ekkor, az aksiból felvett áram középértéke 200 A. Tehát, a kondi árama +/- 200 A között fog változni és nagyjából négyszög alakú lesz. Ennek az effektív értéke 200 A, ezt kell a kondinak kibírnia. Az előbbi kondiból tehát 200/1,4 = 142 db kellene. Ennek a packnak az ESR-je 0,55 mohm lenne, ami nagyon jó. A probléma csak az, hogy muszáj ez a darabszám, mert az lehet, hogy kicsi az ESR, de a kondik csak kevés hullámos áramot tudnak elviselni. Csatoltam egy kis szimulációt is. Ebből az derül ki, hogyha a bemeneten csak 1 uH-is fojtó van, már nagyon jó a helyzet és 1000 µF kondi már elég ahhoz, hogy elég kicsi legyen az aksiból folyó áram hullámossága. Az 1 uH-t úgy kell megcsinálni, hogy a betáp kábel legyen mondjuk 1 m-rel hosszabb és kell belőle egy 30 cm körüli 1...2 menetet csinálni, valahogy a levegőben. Tehát, nem kell bele ferrit, meg ilyesmi. A baj az 1000 µF-os kondival van. Ennek ki kell bírnia 200A effektív áramot, na ilyen kondi elkóban nincs, ezért kell bele sok aprót tenni. A sok apróból már látszik, hogy nem kapacitásra kell nagy érték, hanem áramra. Tehát, a kapacitás mondjuk 1000...2000 µF felett mindegy. Az áramot kell kibírnia és az már problémásabb. A szimulációban azt mondtam, hogy 4 db 12 V-os aksi van sorbakötve és legyen mondjuk 2000 A a rövidzárási árama. ( ezt ne akard megmérni... ) Ebből az aksi belső ellenállása 6 mohm. Tehát, a modellezésben is ezt vettem figyelembe. Tulajdonképpen egyszerűsítve felépítettem azt, ami most van a motorhoz, csak itt nem motor van, meg tranyó, hanem ellenállás, meg kapcsoló, meghajtva egy funkciógenerátorról. A többi a fájlokból kiderül. A szimuláció a Multisim 10.1-ben készült, de annyira egyszerű, hogy átrajzolhatod akármi másba is, aztán lehet elmélkedni...
Esetleg még lehetne ilyen típus is:
http://www.wima.com/EN/dclinkmkp4ue.htm Ez nem elkó, de nagyon jó lehetne. Kérdés, hogy mennyire bonyolult a beszerzés, meg mibe kerül...
Király ez a szimuláció.Mennyire takarhatja a valóságot???
Mindenesetre ezzel elszórakozok egy darabig. A legtisztább azlenne ha bemennék a lomexbe és szeméjesen érdeklődnék.Az a lényeg hogy 470µF 63V os kondi kell,minnél kissebb ESR-el és fizikai mérettel és minnél nagyobb áramterhelhetőséggel.(óccsóéé).És legalább 100db-ot. De még mindig nemtudom hogy kellene elhejezni őket. Hogy értitek ezt a gyorsitóerős dolgot??? Egy pár szó a gurulópróbákrol. Elindulás:kisgáz=kis gyorsulás.Ha lassan de fojamatosan adtam neki a gázt akkor szép fojamatosan gyorsult.Ha gyorsan felcsavartam félgázra akkor lökésszerűen gyorsult és ahogy kezdte elérni a gázállás feszültségéhez tartozó fordulatszámot,úgy csökkent a gyorsulás és ugy csökkent az áramfelvétel is.(azért nem süjjedtem bele az ülésbe)Leforditva,nagyon hasonlitot egy benzinmotoros autóra,ami nem Subaru vagy RS Fókusz.
A valóság pont ugyanilyen, ilyen egyszerű alkatrészeknél nagyon pontos a szimulátor. Más kérdés, hogy a valóságban nem tudsz ilyet csinálni, mert pl. nincs tökéletes kapcsoló, meg ilyesmi. De itt nem ez a lényeg, egyébként meg az ebből eredő hiba legfeljebb ezrelékekben mérhető. Milyen szimulátorral fogsz próbálkozni? Ha megy a szimulátorban, akkor szólj, majd mondom, hogy miket érdemes rajta kipróbálni, megnézni. Ha valami, akkor pont a szimulátorok a legjobb eszközök egy áramkör működésének a megértéséhez... Én mindent azon csinálok, gyakorlatilag alig használok deszkamodell szintű kipróbálást, tényleg csak a nagyon új dolgaimra.
Ha a Lomexben jársz, akkor van a turkáló is, ha bemész, akkor jobbra, meg balra ki van rakva mindenféle alkatrész, azok között is érdemes guberálni, olcsóbbak szoktak lenni, mint ami a neten van nekik. De hát 30 Ft-ért egy ilyen kondi, amit néztem, egészen jó ár, még ha sok is kell belőlük. Holnap küldök egy rajzfélét, hogy mit találtam ki az elhelyezésre. De ez csak valami minta féle lesz, mert lehet, hogy a kapcsolási rajz sem egyezik. De látni fogod, hogy milyen megoldások lehetnek a méret,meg a szórt induktivitások csökkentésére.
Igaz hogy a kondi jó minőségű, de nem lesz gond hogy nagyon kevés a kapacítása?
Úgy értem n*10µF hip-hop kiürül és bár vinne több AC ampert is, de mégsem fog mivel kicsi a tárolt töltés. rozsda! Csak, hogy ne érjen meglepetés: A lomexben "személyesen" minden drágább, az árak online rendelésre értendőek. Tehát ha megvan a típus, nem érdemes "személyesen"
Nem hiszem, hogy nagyon kicsi lenne. Legfeljebb nagyobb lesz a feszültség hullámossága a kondin. Ez azért nem olyan nagy baj, a kondi kibírja. De azért meg kell nézni szimulátorban.
Itt van némi ötlet a kondikhoz. Az az igazság, hogy hasonlóan kellene megcsinálni az egészet, mint az utolsó rajz. Tehát, a rézlemezek nagyobbak lennének, hogy odaférjenek a tranyók, diódák is. Ez már tényleg nem egyszerű, de majd gondolkodom.
Köszönöm a rajzokat.Nekem az is sokat segit ha látom a megépités fő szabájat.Viszont ezzel gyanusan készülök el a két ünnep között.Át kell gondolni az egész nagyáramú részt.Jobban átgondolt dobozt nem probléma csinállni.Viszont a fetsort nemszeretném megbontani.Pontosabban,adott a Drain-Source sin,rajta a fetek és ezt nemszeretném szétszedni.Ha sikerülne jobb nyáklapot tervezni hozzá akkor azt kitudom cserélni.Találsz képeket a mostani állapotárol.(használd a "téma képeinek megjelenitése" gombot)
Viszont kéne egy kis segitség a szimulációhoz.(Multisim 10.1) Amikor kirajzoltatom a grafikont és rákattintok a Show Cursors gombra hogy irja ki az értékeket,nekem vagy nemir semmit vagy az X1-X2,Y1-Y1 értékeihez ugyanazt az értéket adja.Miért nem a két végértéket kapom?
Hm... tartok tőle, hogy szét fogod szedni te azt a FET sort... de ez ne legyen olyan nagy probléma, nem ettől készül lassan.
Végre valaki, aki a kedvenc szimulátoromat használja! Nem tudom. A cursorok két függőleges vonal, amit a bal szélről lehet az egérrel behúzni oda, ahova akarod. Azokban a pontokban fogja megmutatni az egyes sugarak számszerű értékeit. Ha csak egy sugár van bekapcsolva( Edit/Properties/General/Cursor On és Single Trace ) akkor csak egy sugárnak a jellemzőit tudod mérni, mégpedig azét, amelyikre bal gombbal rákattintottál. Ettől pici fehér háromszögek jelennek meg az adott sugáron, ezzel jelzi, hogy azon fognak mérni a cursorok. Ekkor még nem azt mutatják a cursorok, hanem valami előző állást. Ahhoz, hogy a kijelölt sugáron mérjenek, meg kell egy kicsit mozdítanod a cursort, ekkor látod is, hogy megváltozik a sugár száma a táblázat felett arra az értékre, amit bejelöltél. ( pl: V(8) ) De gondolom, ezt te is tudod, úgyhogy nem nagyon értem, hogy nálad miért csinál ilyet. Már az sem működött rendesen, amit belinkeltem? Nálam megy, ráadásul úgy, hogy csak rákattintok és meghívja a Multisimet, betölti ezt a fájlt, lefuttatom a szimulációt ( Simulate/Analyses/Tranziens Analyses/Simulate ) A Display graphon meg is jelenik szépen az, amit pdf-ben is elküldtem. Szóval, nem tudom.
Itt egy kis tanulmányozgatni való a szórási ( szerelési ) induktivitás hatásáról.
Sajnos, ez egy nagyon komoly probléma, ha a cél a jó hatásfok. Nem csak az a lényeg, hogy a tápfesz legyen megfelelően hidegítve, hanem az áramkörön belül is törekedni kell a lehető legkisebb induktivitásokkal való megvalósításra. Ugye, a szimulációból látható, hogy a szórt induktivitásokban tárolt energiát minden egyes kikapcsolás folyamán a tranzisztor fogja hővé alakítani. Tehát, a cél az, hogy ez az érték minnél kisebb legyen. Tételezzük fel, hogy fogunk egy méteres drótot és csinálunk belőle egy kört. ( egy menetes, légmagos fojtó ) Ennek az induktivitása mondjuk1...3 uH körül lehet. ( Akkor mennyi lehet 2 méteré az autóban? ) Ha a kört megszüntetjük oly módon, hogy a kört sugár irányban elkezdjük összenyomni, majd végül kapunk két drótot, ami egymás mellett fut. Ennek az induktivitása már csak a töredéke a körének. Nyílván, hiszen az induktivitás, a körbezárt területtel arányos. Ha nincs bezárt terület, akkor az induktivitás zérus. Persze ez csak akkor lenne igaz, ha egy térben lenne a két drót. ( ez meg nem megy, miután a tér ugyanazon pontján nem lehet két tárgy egyszerre... ) De ha a lehető legközelebb tesszük őket egymáshoz, akkor már egész kis induktivitás értéket lehet kapni. Így működik pl a koaxiális sönt. Vagy a koaxiális trafó. Tehát, azt mondhatjuk, hogy az egymás mellett vezetett drótokban áram folyik, mégpedig ellenkező irányban, de ugyanakkora amplitudóval. Ezért, mindkettő kelt maga körül mágneses teret, de mivel ezek ellenkező előjelűek, kioltják egymást. Na, ez a lényege: kioltják egymást. Ha nincs mágneses tér, nincs induktivitás... A valóságban ezt úgy lehet felhasználni, hogy tudva azt, hogy egy tranyóba mondjuk a drain-en befolyik az áram, a source-on meg kifolyik, akkor a két hozzávezetést egyforma hosszban és egymás mellett kell vezetni, akkor csak nagyon kicsi lesz az induktivitásuk. vagyis, ezzel meg lehet valósítani azt, hogy az áramtól átjárt drót(ok) minnél kisebb területet zárjanak be! Ha meg párhuzamosan kell kötni több tranzisztort ( vagy akármit ) akkor mindegyiknek így kell megcsinálni a hozzá- és elvezetést. Miután, párhuzamos kötésről van szó, elvárjuk, hogy az alkatrészek egyformán vigyék az áramot, tehát, a hozzávezetéseknek is egyforma hosszúaknak kell lenniük, mert egyébként, nem lesz egyforma az ohmos ellenállásuk. Ugye, ebből rögtön következik, hogy egy körív mentén kell elhelyezni a tranyókat. A kör közepe lesz az összegzőpont, sugár irányból ide futnak be a drain kivezetések- mondjuk a nyáklemez tetején levő pacniba - az alsó pacniba pedig a source-ok. Tehát, sugárirányban mennek a vezetékezések egymáshoz nagyon közel, tehát, ezzel elérhető a kis szerelési induktivitás, meg a szimetrikus hozzávezetés is. A gyakorlatban nagyobb áramoknál nem nagyon megy a nyákfólia dolog, de ehelyett lehet két rézlemez is, egymástól elszigetelve. Nyílván nem kell fogaskerék alakúra kifűrészelgetni, mert az áramok úgyis szimetrikusan foganak menni, nagyon is sugárirányban. A két rézlemez közé szigetelést kell tenni, mondjuk a teflon sütőfóliát. Meleget bírja és biztos kibír néhány kV-ot is. ( elég drága... ) Persze lehet más is, csak vékony legyen, hogy a kialakuló "vezetőcsíkok" minnél inkább egy térben legyenek.Miután, itt dióda is van az áramkörben és az áramkörnek így 3 pontja van, kell még egy rézlemez a diódáknak. Ez legyen egy kicsit nagyobb, érjen túl az előző két lemezen, ez lesz a kimenet és ez legyen középen. Miután a tápfeszt valami metálpapir kondival is kell hidegíteni, ez legyen rajta ezeken a rézlemezeken. Ugye az alsó lemez mondjuk a negatív, a felső a pozitív betáp, ezekre kell forrasztani a kondit. ( vagy kondikat ) Ha tovább gondoljuk ezt a dolgot, akkor a tegnap belinkelt megoldás szerint, a bemeneti szűrőelkókat is fel lehet ezekre a rézlemezekre szerelni. Így lehetne kapni egy nagyon kompakt, nagyon picire szerelt egységet. Talán hátránya, hogy a tranyókat elég nehézkes beforrasztani a mondjuk1...2 mm vastag rézlemezbe. Különösen a kondikat, mert azokat egy lukon keresztül kell. De azért ez megoldható. Szóval, legyen ennyi kiindulásnak...
Ezzel most megint jól elleszek.
Köszönöm a nagyon hasznos infókat és tanácsokat. Nehéz lessz követni az előirásokat,de megpróbálok minnél többet betartani.Akkor ezek szerint az fetsorom nem is olyan rossz ebböl a szempontbol.A Drain és a Source sin egymás alatt hejezkedik el.A kivezetések a sinek közepéröl történik.(az máskérdés hogy lehet megy a kukába) Kezd körvonalazódni egy elrendezés a fejemben.Még próbálnám nemszétszedni a fetsort.Még egy párszor át kell gondolnom,de a lényeg hogy a sinekkel merőleges irányban (a fetektöl kifelé) minen fethez betennék 5db kondit és bekötném a Drain lábához.Holnap összeszedem érthetőbben és lerajzolom hogy mire is gondolok.A lényeg hogy az akksik pozitiv pólusa a Drain sinre volna kötve (ugy mint most is van) ,a kondik pozitiv kivezetése pedig 5-ös csoportokban a fetek Drain lábaira lenne kötve. Ez igy hogy hangzik??? A szimulátornál is volna még egy kérdésem. Amit tegnap csinálltár dokumentumot,a felsö képen a kondik árama 206 és -202 érték között válltozik.Ezt hogy kell értelmezni?Akkor most pontosan hány amper között válltozik?Mit jelent a negativ előjel?
Ötletem a következő.Első kép.Gyakorlatilag ezt a kapcsolást kellene megvalósitani 100db kondival,20db fettel,12db diódával a lehetö legkissebb méretben.A + csatlakozási pont a drain sin volna ahova az aksi + sarka megy.Az M csatlakozási pont a source sin volna.A - csatlakozási pont pedig a diódasor Anódsinje.
Következő kép: Ez lenne az új panel alulnézetböl.Csak 5db fethez rajzoltam be a kondikat,a többihez képzeld oda.Középen a sok csatlakozáshoz a fetek mennek.A bal felsöhöz odairtam a lábkiosztást.A két fetsor közepén a téglalap az azt jelöli hogy ott kivágnám a panelt és alulrol felcsavaroznám a source sinre a diódasor katód sinjét. Igy a kondiknak a negativ lábuk négy pontban volna amiket egy darab vezetékkel rákötnék a diódasor anód sinjének a négy sarkára. Igy nem kellene szétszednem se a fetsort,se a diódasort.És a kondik mivel 5-ös csoportokban csatlakoznak a fetek drain lábaihoz,elég volna a nyáklap fóliája is. Harmadik kép: Valahogy igy kell elképzelni oldalnézetböl.Itt sem rajzoltam be a kondikat.Kicsit ormótlan egy szerkezet lessz,de szerintem funkcióját tekinve egész jó. Annyi gond van vele hogy a Gate vezetékek hossza nem lessz egyforma.De remélem az a pár centi eltérés nem okoz gondot.És kicsit nhézkes lessz megoldani a Katód sin hűtését. Szeretném ha mindenki véleményezné.
Szia!
Az általad megadott rajzom "lebeg" a fet gate vezetéke.Én ilyen elrendezésben csinálnám, előbb utóbb a sgédakksi úgyis kikerül a vezérlésből...
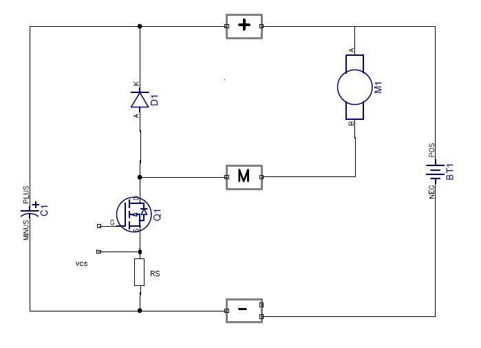
Azért van igy kötve most is mert gulyi azt javasolta hogy a shöntvezetéken ne négyszögjel legyen hanem háromszögjellegű.Vagyis kikapcsolt feteknél a motor induktiv visszafolyó árama a shöntkábelen keresztül menjen.
és miért is kell annak is ott folyni? Az áramszabályzáshoz az nem kell szerintem,csak problémát okoz.Azért kellene a Fet s lábát a testen tartani, mert gondold el, hogy a pedálvezeték, a söntvezeték, minden egyes drót "együtt" kapcsolódik a fettel és 0 és 48V között ugrál a pwm frekvenciáján.Szerintem ez sok zavar forrása lehet.
(lehet rosszul gondolom...)
Hát, ha fix frekvenciájú a pwm előállítása, akkor nem kell az áramjelbe a motor csökkenő árama. De ha áramkétpontszabályozás lesz, akkor értelemszerűen kell. Amire te gondolsz, az az, hogy a felsőoldali FET meghajtása sokkal problémásabb mint az alsóé. Ez igaz, de azért ott ismeg lehet küzdeni a zavarokkal.
A bemeneti fojtón az áram nagyjából sima és 200 A nagyságú középértékben. Amikor a tranyó bekapcsol, a tranyóba folyó áram 400 A. Ebből 200 A a fojtóból folyik, 200 A pedig a kondiból. Ez a negatív, mert a kondiból kifele folyik ez az áram. Amikor a tranyó k,ikapcsol, akkor a fojtó 200 A-nyi árama befele folyik a kondiba, ez a pozitív áram. Így teljesül, hogy a kondiba be- és kifolyó áram x idő terület egyenlő. vagyis, a kondiba belenyomott, meg kivett töltésmennyiség ( i x t ) egyforma. Ha ez nem teljesül, akkor a kondi feszültsége addig változik, míg ez a feltétel nem teljesül. Tehát, nem lehet a kondiba csak befelé nyomni az áramot( töltést) mert csak nőne a feszültsége. meg nem lehet csak kifele szedni belőle az áramot, mert először a kondi feszültsége lemehgy zérusra, aztán a másik irányba elkezd töltődni, tehát megfordul rajta a feszültség és elkezd a másik irányba nőni.
Talán jó lesz úgy, ahogy elgondoltad, ha a FETsort nem akarod szétszedni. Nem tökéletes, de hát semmi sem az. Mindenesetre sokkal biztonságosabb lesz, mint eddig.
Köszönöm a választ,de azóta sikerült rájönnöm nekem is.
Szeretném elkerülni a szétszedését mert a feteket AWI heggesztővel forrasztottam rá a rézsinre,és nemszeretném ha tönkremennének a ki-be forrasztgatástol. Ez még nem a végleges.Amig nincs kondi addig bele sem kezdek.Telefonálgattam már egy párat ezügyben de érdemi előrelépés nemtörtént.A lomexet is felhivtam és mondtam nekik hogy nemstimmel a honlapra kiirt méret az adatlapon szereplővel.Mondták utánnanéznek és irnak egy mailt.A levélben közölték hogy a kinézett kondi cikkszámán szereplő,nemtudja azt ami a honlapon van kint,de azt már nem irták le hogy nekik milyen van hejette.Mindegy... Mit lehetne még finomitani a kivetelen?
Nem tudom. Közben biztosan alakulgat.
Minden kedves segitőkész fórumtársamnak feszültségmentes karácsonyi ünnepeket kivánok. :kalap:
Sziasztok.
Mindenki túlvan a karácsonyi nagy zabáláson??? Volt időm kutakodni a neten és érdekes dolgokat találtam.Ezt az oldalt érdemes átböngészni. http://www.zeva.com.au/index.php Az egyszerűség kedvéért mazsolázok az oldalrol még egy pár linket. Ez egy komplett megoldás a nagyáramú rész kialakitására.Sajna nekem ez nem járható út mert még mindig nem akarom szétszedni a fetsort,de ha valaki belekezd hasonló projektbe akkor érdemes ebböl kiindulni. http://zeva.com.au/tech/controller_design/ A kondipakkot valahogy fel is kell tölteni ugy hogy ne szikrázzon semmi.Ez egy alkalmazott megoldás a gyári vezérlökben is. http://www.zeva.com.au/tech/contactor_jewelry/ Ez pedig egy microcontrolleres vezérlő.Érdemes volna vele egyszer foglalkozni? http://ecomodder.com/wiki/index.php/ReVolt Érdekes hogy a kondikat nagyobb méretűre és kevesebb darabra választják.És árambol is lényegesen kevesebbet birnak ezek a pakkok. Ehez a kondihoz mitszóltok?470µF 63V LowESR .Ezt lehet kapni a HQ-ban.120db-ra gondoltam.Érdemes erre beruházni? https://www.hqelektronik.hu/datasheet/5/512.pdf Ha megvolna a kondi akkor finomitanék még az ötleten és el is kezdeném megcsinállni. Megnáztem a jelet az akksipakkon,de mire eljutottam oda hogy fel is vegyem,addigra teljesen elmosódott a kép.De négyszögjel volt rajta.
Szia!
Mikrokontrolleres megoldás, sem tudhat nagyon többet mint az analóg többet. Nem a vezérlés okozza a legnagyobb fejtörést, hanem a teljesítményfokozat mint láthatjuk A kondik megfelelőek, csak javasolni tudom a lomexet, ott is kapható ugyan ilyen 47+áfa/db. Biztos, hogy olcsóbban kijönnél. Az áramméréssel kapcsolatban, egy jó megoldás az lenne, ha kikapuznánk a FET-ek csatorna ellenállásán levő feszültséget. Bár hőmérséklet függő, de ettől függően jól lehetne mérni az áramot.
Biztos hogy nem tud többet,de modernebb.Egyenlőre én sem akarok nekiállni az AVR programozásnak.
A terv az hogy a kondipakk beépitése után felhúzom a frekit egy régebbi vezérlővel és megnézem hogy viselkedik.Főleg az áramjelre vagyok kiváncsi. A lomexben LowESR 470µF 63V Yageo kondi van,de ami nekik van méret (13x20) az nem szerepel az adatlapon és kevesebb áramot bir állitásuk szerint de azt nem tudták közölni hogy mennyit. Ezügyben még lessz egy kis telefonálgatás.
Üdv mindenki!
Olvasgattam eme topikot, és a neve tetszik, de kicsit autós topik lett belőle. Szeretnék segítséget kérni! Fetes híddal szeretnék egy motort meghajtani. Motor: (marómotor) Táp:12-16V "Rövid zárási", indulási árama: 126A Üresjárási áram: 7-10A Terhelve kb 20A. Sok-sok fetet elfüstöltem már, hiába próbáltam híddal, vagy simán egyetlen N-fettel vezérelni a motort. A kapcsolási rajz 1 A kapcsolási rajz 2 Most már tudom, hogy a feteket is aláméreteztem, 34A-est használtam csak, illetve nem használtam áramkorlátot. Remélem hogy hozzáértőkre lelek, akik tudnának még tanácsot adni ami előrébb visz a füstmentesebb vezérlés reményei felé ![]() Jah, híd összenyitás nem lehetséges, mert vagy egyik, vagy másik optón van csak jel! A híd 3A-es izzóval borda nélkül is elmegy simán, de 100mA-es kismotorral egyből melegszik ![]() Köszönöm!
Szia!
Nem tudom, mekkora frekin kapcsolgatod a félhidat, de ha magasabb frekvenciák történik akkor a feteket így nem szabad vezérelni. Érdemes külön meghajtókat betenni. Használj 4db N-csatornás fetet és mondjuk 2db IR2110-es fetmeghajtót. Árammérésnek az alsó fetek S-lába és a GND közé beteszel egy söntöt és azon lehet mérni a feszültséget.
1khz.
|
Bejelentkezés
Hirdetés |













