Fórum témák
» Több friss téma |
Fórum » Hegesztőtrafó egyenirányítása
Szia!
Nos,most van egy kis időm. Nem tudom, milyen szinten ismered a tolósöntös szabályozás lényegét? Ha ismered, akkor hagyd figyelmen kívül amit leírok, ha nem, akkor meg jól jöhet minden infó. Tehát: A tolósöntös szabályozás lényege,hogy a trafó vasmagjának azonos oszlopán elhelyezett tekercsek belsejében létrejövő mágneses erővonalak útját megváltoztatjuk azáltal,hogy a vasmaggal azonos anyagból készült lemezköteget tolunk a primer és a szekunder tekercsek közé. Ezzel a primertől a szekunder felé induló mágneses erővonalak egy részét eltereljük,így kevesebb mágneses erővonal halad át a szekunder tekercsen, azaz kevesebb erővonal vesz részt a szekunder tekercs gerjesztésében. Ugyanezt az elvet követik a mikrohullámú sütőben a hálózati trafónál. Ezzel a módszerrel ragyogóan lehet szabályozni a szekunder tekercsen a terhelés hatására bekövetkező feszültségesést. Ha a lemezköteget mélyebben betoljuk a primer és szekunder közé akkor nagyobb a feszültségesés, ha kevésbé toljuk be,vagy teljesen kihúzzuk,akkor kisebb a feszültségesés. Tehát ezzel a szekunder tekercsről levett teljesítményt szabályozzuk,mert a lemezköteg helyzetétől függően változik a terhelt szekunder tekercs kapocsfeszültsége. Terheletlen állapotban a lemezköteg helyzetétől függetlennek tekinthető a kimeneti feszültség, pontosabban nem arányos a lemezköteg helyzetével. Ezért alkalmazták-alkalmazzák előszeretettel hegesztőtrafók szabályozására ezt a módszert. A legnagyobb előnye a fázishasítós szabályozással szemben,hogy a hálózatot sokkal kevesebb zajjal terheli,a terhelés hatására fellépő jelalaktorzulás nem olyan jelentős mint a fázishasítós módszernél. Bár minden hegesztőberendezés jelentősen szennyezi a hálózatot, ennél a módszernél a zavarszűrés és teljesítménytényező-kompenzálás egyszerűbb(bár ezt félve írom le)mintha a fázishasítós módszert valósítanád meg.
Szia!
A sönt szabályzó képességébe menet közben cseppentem bele,nem volt ezirányu képzettségem,csak ami az évek alatt öszegyült tapasztalat.A trafómat kb 5éve vettem,szét sem szedtem mindaddig mig egy 35fokos nyári melegben a tekercsre szerelt hőkioldó nem kapcsolt ki,korábban a sárga melegem van lámpa kigyulladt de a hőkioldó csak akkor,mikor a sárga elalvását alig megvárva már a keritést folytattuk,mikor teljesen leált azt hittem tönkretettük,hálistennek a hőkioldó mindent megóvott,ekkor találkoztam először az álithatóságával, .. Az egyenirányitási gondolatába tavaly cseppentem bele,Freddomocska kedves fórumtársunk adott nekem 2db combos diódát és 2 darab hasonló kaliberü tirisztort igy kezdődött a projekt. Minden információ nagy segitség és igyekszek mindent gondosan memorizálni.. A dolgok álásából arra következtetek, hogy megpróbálok 4db diódával és folytóval egyenirányitani,első körben felhasználva a főtrafó szabályzását.. Mindenképp szeretném kidolgozni viszont a tirisztoros greatz-et és a triakos szabályzást is,hiszen tervbe van egy nagyobb trafó donor beszerzése később valamikor.. Következő tervek a leendő trafó doboza körül lesznek,A doboz kiüritése elrendezés tervek..(közben azért elkészitem a póttrafót és annak a fojtóját is).
Sajnos közben kiderült hogy a tirisztorok csak 50amperesek,igy egyenlőre a tirisztoros vezérléses kapcsolást félreteszem..
Megpróbálok a 2 dióda mellé(250amperesek) keresni 2db-ot.. Egy hatalmas szünetmentes tápban kap helyet a hegesztőberendezés,egyenlőre kiszedem belőle a belsejét..
Azok a hatalmas tirisztorok csak 50A-esek ? De hát olyan vastag vezetékük volt meg hatalmas méretük . Vagy félre értek valamit ?
Igen sajnos csak 50amperesek,Katt fórumtársnak elküldtem emailben a diódák és a tirisztorok képeit aki azonnal beazonositva mondta hogy 50 amperesek és erre a célra tegyek le róluk..
Muszáj leszek 2 diódát beujitani..Nem gondoltam hamarabb én sem hogy ez lessz.. Viszont jó lessz akutöltőnek
50A-es diódához "ujjnyi" vastag rézvezetéket szerintem nem terveznek -- kérdezzél meg mást is . Nekem van 80A -es de az jóval kisebb és még a 120A-es is fele akkora mint a te tirisztorod .
Felteszem a képeket ide is,Hátha igy sikerül pontositani mekkora teljesitményüek ezek..
Hello jandark.
lehet hogy 50 amperes, de ezek a szovjet csodák még birják ami rá van irva. szerintem hűtőbordán ventivel 200 amperig birni kéne neki. mert a hídban egy diódára csak a negyede jut. Bár én nem vagyok elektromos szakember csak hobbi szinten foglalkozom elektronikával.
Van nekem is két régi dióda atlaszom -- megpróbálok majd utána nézni bennük .
Szia.Ezidáig fel sem merült hogy megnézzem a teljesitményüket,hiszen a hozzákészülés elején a méretükből,és a hozzájuk szerzett kilós eredeti hűtőbordából itélve,nem tartottam lehetetlennek a projektet.(csak a dióda 250es számát néztem a többin átfutottam)
Mindenképp megvárom a hozzászólásokat,mi lehet a véleménye annak aki profi a témában..
Sajnos megbukott az elméletem -- azt hittem találok hasonló kaliberű és számozású orosz diódát ami hasonló lenne a tirisztorodhoz és abból következtetni valamit a számozásra .
De biztosan van jártasabb és elektromos szaki aki jobban tud segíteni (hát még ha van tirisztor atlasza és jártassága régebbi technikában -- na az lenne az igazi).
Nagyon valószínű, hogy 50 A-es a tirisztor, bár adatot oroszul sem találtam róla. Ne higgy el mindent, amit leírnak, hídban 1-1 diódán a fele áram megy, nem negyede, mert 2-2 sorba kapcsolódik.
Figyelj Jani -- tedd be a két tirisztort a hegesztőd szekunder áramkörébe ellenpárhuzamosan kötve - és adjál neki kakaót bőven -- legnagyobb teljesítményen nyomasd meg . Ha nem bírja és kipurcan küldök neked helyette két 200A-es diódát oszt "egyenesben" vagy akkor is . Amúgy ezt a két tirisztort is lomiztam anno amikor egy elektronikai szakember cuccait költöztettük és nekem adta a diódákat meg a tirisztorokat egy 90% ban kész trafóval . Azt hiszem most is elektronikát oktat a főiskolán -- de ennek nincs jelentősége csak a származása szempontjából . A vezérlő elektródára azt hiszem +12 V -ot nyomathatsz fázis hullám helyesen egy kis trafóról -- de ebben majd Erbe vagy Mpisti segít . Szóval próbáld ki oszt legyünk túl rajta -- ha "beég" a két tirisztor akkor így megoldódik a vezérlés problémád is .
Szia Jandark!
A DSCN7255.számú képen szereplő alkatrész az 250A-es, a záróirányú feszültségét a 250 utáni szám adja. Pl. 06=600V. A kék színű az valóban 50A-es tirisztor, a zárófeszültségre ugyanaz a feliratozási mód érvényes,mint a csehszlovák diódára. De nyugodtan építsd meg,a régi munkahelyemen a 300A-es galvanizáló áramforrásokban 100A-es tirisztorok voltak, igaz-olajban, de a 300A-t 100% Bi-vel bírták.Egy hegesztőben, háztáji viszonyok mellett szerintem bőven elég a neked meglévő, ugyanis szerintem a leggyakrabban az ember 60-80A közötti áramot használ.
Az a 12V azért kicsit sok is lehet a tirisztor gate elektródon. Ez az érték típusfüggő, általában a minimálisan szükséges gyújtófeszültség értékénél 1-2V-al magasabb feszültséggel szokták vezérelni. A leggyakrabban 4-6V körül szokott lenni a gyújtófeszültség értéke. De ezt jobb megnézni katalógusban.
Igazad van -- de mintha 12V-ra emlékeztem volna . Na de hát ezért vagytok ti itt ,hogy kijavítsátok a balek hozzászólásokat .
Szia.Meg sem fordult a fejemben hogy bármi negativum érne ha nem jók ide a tirisztorok,ha 5amperesek lennének is hálás vagyok értük..Viszont igy hogy fecsigáztatok tényleg nekiállok és kipróbálom mit csinálnak.Hogy gondoltad a szekundert?csak a két tirisztorral,vagy a két diódával együtt ?
Igazad van.ha épitgetés előtt ezzel kezdek lehet fel sem merül a tirisztoros vezérlés lehetősége..Viszont igy egy igazi kihivás lessz minden mozzanata a projektnek..Minél több lehetőséget futok át annál jobban bővül az ismeretem is,ami nem utolsó szempont.
Csak a két tirisztort simán hegesztő ágba ellenpárhuzamosan -- oszt ha nem bírják mehetnek a MÉH telepre . Persze mint Pisti írta 5-7 V -al "nyitogatni" kell . Kérdezd a szakikat inkább -- én meg majd vállalom a "hibát". De van még két bazi nagy tirisztorom ami felesleges ha mindenáron ezzel akarod a hegesztő áram szabályozást de szerintem is felesleges .
Szia Pisti.Amenyit fogok hegeszteni vele inkább a hobbi mint barkácskategória lessz.Kiváncsivá tesznek az elmondottak,szeretném kipróbálni a kapcsolást mielőtt bármit is lépek.
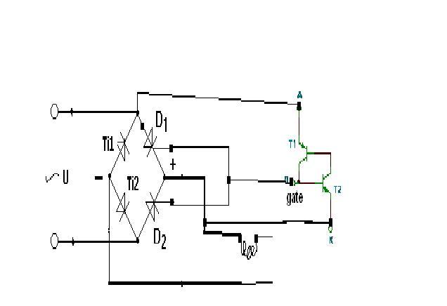
Ahogy Lajos irta a gate vezérlésre a feszültséget,ha adnék pl 5 voltot akkor menne is? Ami nem tiszta és több variációt ötletet ad:próbáljak 2 tirisztort ellenforditva, a gate-k nek elvileg +-5 volt kellene a helyes gyujtáshoz? -tegyem be a greatz-ba 1-1 diódával párban,a másikhoz képest forditva és +-5 volt vezérlés? -vagy a greatz-ban ahogy már volt rajzon is a 2 tirisztor a +oldalon és +5volt vezérlés? Ne haragudjatok ha nem tiszták a dolgok.. A vezérlőfeszültségre bármilyen feszültséget elő tudok állitani,elméletileg jó e az ha az hegesztőfeszültség és a vezérlőfeszültség egyidejüleg érkezik a tirisztorokra?
Ez a nyitogatás ami homályos
Lehet teljesen hibátlan lessz a tirisztoros megoldás(és megszabaditalak a másik 2 tirisztortól is),szivesen csinálom..
Szia én nem így gondoltam ,hogy graetz-be teszed . Csak simán a két tirisztort a szekunder körbe párhuzamosan kötve csak az egyik fordítva és ha tönkre mennek sem okoznak galibát . Sajna én nem tudok ilyen rajzokat csinálni és elküldeni .
Miért nincs programod hozzá?
Ha program gondod van keress meg privátban.
Értem a 2 tirisztorral amit irsz,holnap megpróbálok 2 kis tirisztort kisebb kapcsolásban,ha sikerül akkor a nagyokat is beizzitom..Ez a kapcsolás amit rajzoltam 2 tranzisztor segitségével adja a vezérlést(tirisztoros egyenirányitásban volt)sikerült megszerezzem a 2000es rádiótechnika évkönyvet abban részletesen benne van a tirisztoros ivhegesztőgép.Viszont 3 tömött panel is ami kell hozzá..Ettől szerettem volna egy egyszerübbet,kevés a fellelhető rajz..
Majkinak van egy tirisztoros akutöltője,nem tudom ebből felhasználható lenne e a vezérlés?(feltettem ide)
Szia!
Hát,a tirisztorok gyújtása-kikapcsolása azért ennyire nem egyszerű hogy 5-vagy 10V-ot kapcsolok a gate elektródára.A tirisztorok bekapcsolásának pillanata mindig attól függ, hogy milyen folyási szöggel szeretnénk vezérelni. Azaz,a feszültség nullátmenetéhez képest hány fokos szögnél szeretnénk bekapcsolni. A vezérelhetőség elméletileg 0-180 fok között lehet. A gyakorlatban ez kicsit módosul,mert a tirisztor anódfeszültségének magasabbnak kell lenni mint a gyújtófeszültség. De a tirisztort nem csak bekapcsolni kell,hanem ki is kell kapcsolni, ez egyenirányító kapcsolásoknál viszonylag egyszerűen megvalósítható, egy RC kör segíti a kommutációt.De,ha a szekunder körbe csak úgy ellenpárhuzamosan beteszed,tehát a váltóáramú szabályozást akarod megvalósítani kissé bonyolultabb a helyzet. Ez esetben az ellenpárhuzamos tirisztorok kommutálása általában egy segédtirisztor segítségével történik. A gyakorlatban elég ritkán alkalmazzák azért, mert nem túl megbízható. Én inkább az egyenirányító félhidat javaslom megvalósítani. Egyszerűbben megoldható feladat-szerintem.
Szia Pisti.Ettől féltem én is hogy nem ilyen egyszerü a dolog.Mi a véleményed a tranzisztoros meghajtásról ami a képen van?Egyáltalán jó e igy valamire?
Néztem a 2000es rt évkönyvben a tirisztoros ivhegesztő teljes leirását..Kb 3 tele panel van csak a vezérléshez.. Nem találok olyat amihez ne kellene csak néhány alkatrész,persze a vezérlés sem egyszerü feladat,van egy panelem amiben uaa 145ös tirisztor vezérlő ic van,ezt gondolom be tudnám használni..nyákot bármilyet megcsinálok,már a nyákmegrajzolásra is kaptam segitséget,egyedüli nehézség már csak a kapcsolása..
Szia!
Valamelyik hegesztős fórumra nemrég tettem fel kapcsolási rajzot az UAA145-el.ha nem találod,akkor újból előkeresem és felteszem.
December 25-én tettem fel, arra a napra lapozz vissza és megtalálod. Az impulzustrafónak én gyári trafót használtam.A kapcsolás tudja az áramgenerátoros és a feszültséggenerátoros üzemmódot is, nehed az áramgenerátoros rész kell, tehát a 747-es IC bal oldali része a rajzon.
A jobb oldali részt úgy tudod kiiktatni hogy a D606 diódát nem forrasztod be. |
Bejelentkezés
Hirdetés |







De biztosan van jártasabb és elektromos szaki aki jobban tud segíteni (hát még ha van tirisztor atlasza és jártassága régebbi technikában -- na az lenne az igazi).

