Fórum témák
» Több friss téma |
Fórum » PC táp átalakítás
Mérd meg kikapcsolt állapotban kisütött kondikkal a két ág ellenállását.
Valószínű, hogy a pozitív ágban sokkal kisebb az érték, mint a negatív ágnál.
Köszi a gyors segítséget!
![]() Nem tudom megmértem és ugye a logika azt mondja, hogy úgy van ahogy mondtad de nem! fordítva! 133 ohm a negtív ág és a gnd közt és 253 a pozitív és a gnd közt... ez hogy lehet? igaz nem low esr kondi van benne mert nem volt itthon...
Igen és még valami ami lemaradt...
A cicergés gondolom normális a szabályozás közben. Illetve az lenne kérdésem hogy az INA193-at hogy tudnám helyettesíteni? egyszerűen műveleti erősítővel? vagy valami finomság még van vele?
Cicergés azért lehetséges, mert a poti zajt szed össze, és a szabályzás "megkergül" a potméter tekerése közben. Kellene pár 100nF kondit berakni arra a lábra, ahova a poti is be van kötve.
Az INA193 elvileg helyettesíthető műveleti erősítővel is.
A kondi megoldotta a problémát a cicergés megszűnt és rendesen megy a negatív oldal is, ha ott lóg rajta egy kis terhelés
... a műveleti erősítőt kipróbálom szerintem mással is...arra gondoltam hogy megrajzolom még ma felteszem ide fórumra. Megtennéd hogy megnézed hogy jó-e? a rajzot nemsokára megcsinálom.
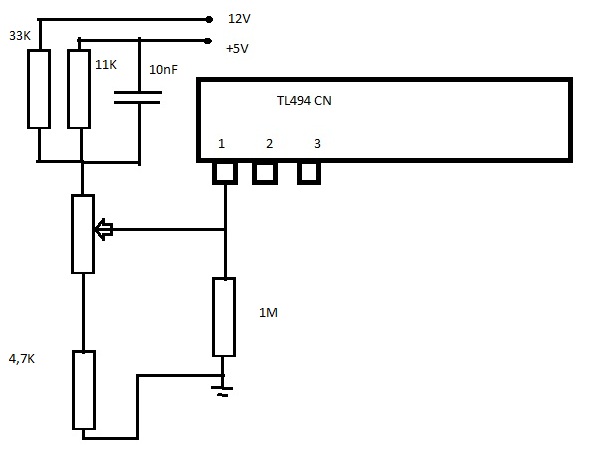
Tudna valaki segíteni kicsit? Szerezem ergy aranyos kis tápot amit szertnék erősítő hajtására használni. (TDA1558Q) egy 230Wos noname borzalom, csak a fesz figyelő rész nem tudom hogyan kössem át, ugyanis nem csak az 5Vot hanem a 12t is figyeli.
van hozzá egy 33Ks ellenállásom meg egy 22Ks trimer potim.
Szóval itt is van a rajzocska...még nincsenek kimeneti csatik...de ha jó teszek rá azt is és megtervezem sima műveleti erősítővel a nyákot! Nézzétek át légyszi hogy jó-e.
Köszi!
Ha kicserélem a kondikat, meg így módosítom a fesz. osztót akkor akár jó is lehet, vagy mindenképpen kell a 2es lábra is egy potit tennem?
max 16V ot akarok kisajtolni belőle.
Szia!
A TL072 +/-15V....+/-5V os szimetrikus tápot igényel. A rajzon nem így szerepel. Gondolom ezt figyelembe vetted... üdv brs
Szia!
Szerintem működne így is a dolog...és a tina szerint is működik ,illetve ha cikket végigolvasod akkor ott is van egy szimuláció ami tl061-et használ szintén szimpla 5voltos tápfeszel.üdv gabesz
Szia!
Háát, nem tudom... Ha megnézed pld. a TLC072 -t, ez kimondottan "single supply" (gnd ... +12V) mig a Tl062 "dual suply" (+Vcc...-Vcc) és minden paramétert a középpont hoz (gnd ) értelmez. Ha a referencia pontot pld a -Vcc-hez rendeled (mint a rajzon) ennek közelében nem fog normálosan működni . ha megnézed az adatait látható, hogy ez aműködési tartományon kívüli. ( Vom:Maximum peak voltage swing: +-10V , 15V power esetén) vagy a Vicr Common-mode input voltage range: +-11V Az összes paraméterét Vcc+- mellet adják meg. Azok az erősítők amelyek alkalmasak "single suply" módra is, azt külön meg is adják a paramétereket ilyen feltételek mellet is. Single suply-ra jó az említett TLC072, TLC272 vagy a MCP6022 5V-os (chipcad) üdv brs
Köszi!
Ezt tényleg elnéztem...remélem a lábkiosztás ugyanaz...mert a nyákot már megterveztem vele... ha érdekel valakit felteszem a fórumra üdv gabesz
Én is átalakitottam egy pc atx tápot +-24.4 V jön ki.A problémám az lenne hogy ha ráteszek egy 100W-os izót akkor lecsökken +-14.5-re.Mi lehet a probléma?A melékelt leirás alapján alakitottam át.Válaszotokat előre is köszi
Ez teljesen jogos.
A szabályozás a +5V és a +12V figyeli. Ha a visszacsatolást, amelyik a terhelés oldalon a feszt figyeli kösd az uj 24V felé. De csak pozitiv ágat tudod figyelni. A visszacsatolástban keresd meg, amelyik a +12V felé ment és ott a fesz osztó felsö tagján kell változtatnod. Ha a +5V és a +12V is kell, akkor csak ugy tudod átalakitani, hogy még rá kell tekerned a trafóra, de a szabályzás - ha nem módosítod akkor is a +5V vagy a +12V figyeli.
Köszönom a válaszodat.Szóval akkor nem elég csak megcsapolni a 12V-os szekunder vezetéket.Én igy vettem ki a leirásból.Na akkor lehet megbuherálom a KA7500-as ic első lábát.Utána olvasok még mit hova.Kösz
Üdv mindenkinek!
Az lenne a kérdésem hogy a cikkben szereplő PIC es kapcsolást használja valaki? Nekem nem nagyon akar működni Felprogramozom a pic-et az eeprommal együtt de meg sem nyikkan a kijelző...és nem ad életjelet magáról... a kapcsolást 16f883-al csináltam ahogyan a cikkben is van a változás csak annyi hogy az ina193 helyett sima műveleti erősítőt használok...persze új nyákkal de a kapcsolás nem változott...Mi lehet a gond? Köszi a segítséget! Idézet: „ina193 helyett sima műveleti erősítőt használok” Az INA193-nak nem sok köze van a sima műveleti erősítőkhöz! Ez a tok több műveleti erősítőt, plusz szintillesztést megvalósító jóval összetettebb IC. Mivel a sima müv. erősítő nem szintillesztett ezért akár bekapcsoláskor akár tönkre is tehette a PIC-et (Ha Ube>5v). Ettől függetlenül inkább a PIC, illetve az LCD kijelző és környezete szokott problémát okozni.
Bocs!
Annyit had javítsak előző hozzászólásomhoz, hogy ebben a kapcsolásban alkalmazható más müv. erősítő is amennyiben az működik 5v-ról is. De nem árt az erősítését beállítani.
A sima műveleti erősítő alatt tlc272-t értek aminek már be van állítva az erősítése ott van rajta a poti illetve a pic 5 voltos tápfeszültségéről megy szóval szerintem nem ez volt a hiba de ügyködök most rajta nemsokára írok még hogy mire jutottam!
De köszi a segítséget!
Megoldódott a probléma!! A pickit rosszalkodott... valamiért...kölcsönkértem egy másikat és azzal tökéletesen működik a dolog... a műveleti erősítők is beváltak úgy tűnik! Holnap már el is kezdem bedobozolni a kész tápot!
Ezúton szeretnék köszönetet mondani a cikk írójának és gratulálni a remek munkához!
Hello!
Elég érdekes hogy működik, mert a kapcsolásodban a műveleti erősítőknél pozitív visszacsatolás van. üdv! proli007
Ajjaj! A nagy örömködés közben rossz nyákrajzot tettem fel ez még az első összedobott rajzok egyike... természetesen a műveleti erősítő negatív visszacsatolással dolgozik!! Ha valakit érdekel Fel teszem a végleges NYÁK és kapcsrajzot is!
Kedves Proli007 köszi az észrevételt! Üdv:Gabesz
A feladatban nekem a +5V, a +12V mellet még +24V is kellett. Ezért az eredeti tekercselést meghagytam, a szabályozással együtt, és a 12V tekercs kivezetésekhez kellett még hozzátekernem.
A csatolt cikk alapján elég sok táápot szétszedtem, ha Neked is az emlitett feszültségeken kivül más fesz is kell, akkor az ATX-es táp, ahol a +3,3V is van az a legjobb Neked. A +3,3V a +5V-ból állitja elő egy fojó közbeiktatásával. Ezeket a fojtókat szedd ki. Az uj tekercset (2x2,5 menet 0,8 mm huzalból) rá kell tekercselned a trafóra. A trafó lakkal van összeragasztva, ezért tedd forróvizbe és forrald kb 5-6 percig, utána könnyedén széthuzhatod. Az uj tekercseket egyszerre tekercseld, de nagyon kell ügyelni a menetirányra, illetve, hogy a kezdet és vég hogyan kötöd össze. Az eredeti 12V tekercskivezetésekhez kell hozzákötni, de az egyik kezdet és vég ellentétesen. A szabadon maradt két kivezetést huzd müa csöbe és a 3,3V egyenirányitására szolgáló diódákhoz vezesd. Ki kell cserélni a szürő kondit legalább 50V-ra és általában vann egy náhány x10 Ohm ellenállás mint elöterhelés azt is cseréld ki legalább 10K ra. Ha üresjáraton méred kb 30V lessz rajza, de természetesen fügfg a kimenő fesz, hogy az +5V, és a +12V hogyan terheled, hiszen a szabályozás arra történik. Ha stabil +24V kell, akkor 7824 a megoldás. Ne feledd a tulfesz védelmi ák-ból a +3,3V felé menő ellenállást kiszedni. Még egy tapasztalat: a táp jól terhelhető, de ne feled, hogy a +24V lévő teljesitmény elvétel is beleszámít az össz primer teljesítménybe, hiszen a szekunder áram amit a 24V leveszel az is keresztülfolyik az 5v-os és a 12V tekercsen is. Nekem +5V 3 A, +12V 1,5 A, és +24V 1,5 A, és jól müködik.
Helló
Van itthon egy felesleges pc atx tápom 300 Wattos! Labortápot szeretnék készíteni belőle, és ehhez szeretnék segítséget kérni! Lennének kérdéseim és ti megmondjátok nekem hogy mi lehetséges és mi nem! Nem szeretném a tápot módosítani! Tökéletesen megfelel nekem az 5 és a 12 Volt a megfelelő Ampereivel! Feszültségeket nem tudom kell e stabilizálni, de szerintem ezek a tápok annyira nem ingadoznak, de ha tévedek javítsatok ki! Feszültségeket nem akarom állíthatóvá tenni, jók ahogy vannak! Amit még szintén nem tudok hogy ez a két ág rövid zár védett e? Ha nem az, akkor ez kéne! És még amit szeretnék az az hogy áramgenerátoros legyen, tehát mind a két feszültségen szeretném ha állítható lenne a max áramerőssége minél kisebb áramtól a maximumáig a tápnak! Erre az áramkörre jó lenne egy visszajelző led is hogy tudjam mikor akar valami kütyü többet felvenni a beállítottnál,... Ezeket a dolgokat szerény véleményem szerint a táp átalakítása nélkül, külső áramkörökkel meg lehetne oldani! Ha nem így van akkor javítsatok ki! Ezekre a problémákra keresnék megoldásokat, kapcsolási rajzokat, stb. Remélem nem akarok sokat, végül is ez nem sok dolog, csak leírva tűnik annak! És előre is köszönöm a segítségeket, és a bárminemű hozzászólásokat! Helló
Kösz a segitséget.Ha nemtudok valamit irok
Van itt az oldalon egy jó cikk táp átalakításról. A feszültség szabályzó részt nem kell átalakítanod, de ha akarsz bele áramszabályzást, akkor muszáj lesz belenyúlnod.
Ezek a tápok stabilizálva vannak, tehát azt sem kell megtenned. Minden számítógéptápban van túláram és zárlat védelem.
Helló
Elolvastam a cikket, természetesen a kérdé sorozat megírása után! Amit írsz, az aszt jelenti hogy ha mondjuk az 5 Voltos kimenetet a gnd-re kötöm rövid-zárral akkor nem megy tönkre? Ez biztos? És tartósan is bírja? Az áram szabályzást meg a cikkben lévő kapcsolással a 12 voltos, meg az 5 voltos ágakban is tudom alkalmazni? Köszi a segítséget, helló
A zárlatot tartósan bírja, mivel ennek esetén leáll. Amikor zárlat vagy túláram van a kimenetén a védelem letilt és a tápegység leáll. Ilyenkor rövid idő múlva ciripelő hangot ad ki.
Szerintem mindkét ágban működik az áramkorlátozás, mivel a tápegység központi vezérlő IC-jét használja a korlátozásra.
Helló
De a cikkben amit ajánlottál, abban azt írják hogy nem rövid zár védettek, vagy ez csak az AT tápokra igaz? És az az áramkorlátozó kapcsolás működik atx el is? Ugyanúgy kell eljárni? Köszi a segítségeket! Helló
Elfelejtettem, hogy neked ATX tápod van...
Abban az esetben teljesen más a helyzet, mivel szerintem más az IC bekötése. Sajnos ebben nem tudok segíteni, mert én AT-s tápokkal dolgozom. Nekem az At-s tápom is zárlatvédett gyárilag. Még egy zárlat miatt sem ment tönkre. |
Bejelentkezés
Hirdetés |





... a műveleti erősítőt kipróbálom szerintem mással is...arra gondoltam hogy megrajzolom még ma felteszem ide fórumra. Megtennéd hogy megnézed hogy jó-e? a rajzot nemsokára megcsinálom.


Felprogramozom a pic-et az eeprommal együtt de meg sem nyikkan a kijelző...és nem ad életjelet magáról... a kapcsolást 16f883-al csináltam ahogyan a cikkben is van a változás csak annyi hogy az ina193 helyett sima műveleti erősítőt használok...persze új nyákkal de a kapcsolás nem változott...


