Fórum témák
» Több friss téma |
Fórum » Fényorgona
Szia drhati!
Én is építettem egy fényorgonát és ugyanez volt a baja. Nálam az volt a baj hogy felcseréltem a triak a1 és a2 lábait és akkor nem világított mikor a gate "lógott" a levegőben. Ha mégsem az a baj amit _JANI_ mondott akkor ellenőrizd ezt. Lenne nekem is egy problémám: nagyon zavar hogy mindig utána kell állítani a fényorgona érzékenységét, amikor egy másik szám jön, mert szinte minden mp3-nak más a hangereje vagy a minősége. Olvastam erről a dinamika kompresszorról és láttam is itt a topik elején hogy volt aki próbálta de nem jött be. El tudnátok mondani hogy miért nem jó az, vagy esetleg valami más megoldást. Köszi előre is!
Hali!
Ez a BSS-elektronikás fényorgona? Én is megépítettem, nekem működik.. Üdv!
Szia!
Valóban a FET volt halott, csere után működött minden szuperül, összedobtam próbapanelon a HIGH PASS meg a BAND PASS ágat, amik szuperül működtek is. Ennek örömére a mai napon kiviteleztem az egészet nyákon, de megdöbbenve tapasztaltam, hogy a LOW PASS ág, amit kihagytam a tesztelésből, nem úgy működik ahogy kéne neki, hanem folyamatosan világít, akár merre tekerem a potikat. A FET csak akkor nem kapcsolja a ledeket, ha a 10k-s potit lecsatolom a D - bemenetéről. Poticserével is ugyan ez a helyzet, tehát nem a poti a rossz. A folyamatos világítás közben halványan kivehető a zene ritmusa a fényből. Ha lecsatolom a forrást a fényorgonáról, a LOW PASS ledek akkor sem alszanak ki(a másik két ág jól működik). Mi lehet a probléma? 1000 köszönet! Üdv!
Hello!
"Annyi bajnak, annyi baja van..." :eek2: Hát hiba az van az áramkörben (eddig nem is néztem..) De hogy folyamatosan ég, azért az vicces. De több egyforma fokozatnál a jó módszer, mindig az összehasonlító mérés! - Minden szűrőnek az egyenáramú erősítése egyszeres. Ez alól sajnos kivétel az LP szűrő, mert ott ezt az R19/R18 határozza meg. Ez elviszi az erősítő munkapontját szépen a plusz tápra.. Hiszen a neminvertáló bemenet felől, az erősítés (poti lecsavart állásában) (R19/R18)+1=1,66. Tekintve, hogy az A ponton a fokozat 6V-ot kap, ezt erősíti fel. 6*1,66=10V. Tehát a poti minimum állásában a D munkapontja majdnem a tápon van. Ha a potit feltekerjük, kicsit kisebb lesz a feszültség. (nem sokkal, mert a többi poti is terheli ezt a pontot.) - Szóval a D erősítő, csak akkor működik helyesen, ha az R18-al sorba kötsz egy kondit, ami leválasztja az egyenfeszültsége. Igy a D erősítőnek is csak egyszeres egyenáramú erősítése lesz, és a kimenetén itt is 6V lesz mérhető. Hogy a kondi ne befolyásolja az alsó határfrekvenciát, kb. 10µF-ra kell választani, és pozitív fele az IC felé nézzen (hiszen ott lesz a +6V) - Ettől függetlenül, nem lehetne, hogy a Led folyamatosan égjen. Mert ha felcsatolod az R18-at, akkor a D kimenete. kb. 10V-on van, ha leveszed, akkor 6V-on. Viszont ha nincs jel, akkor csak a C15-ön keresztül szivárgó áram nyithatja ki a Q6 tranyót. (Mint írtam, nem túl korrekt, hogy a C16-on nincs ellenállás. DE ha ráadásul esetleg fordítva kötötted be a C15 kondit, még nagyobb baj lehet. - Még egy baj lehet. Hogy ha összekötöd az R18-at a potival, esetleg gerjed a D erősítő. De ekkor ez a C16-on egyértelműen mérhető egyenfeszültséget hoz létre. (A munkapont hiba, valószínűleg abból adódik, hogy az áramkör eredetileg két tápfeszültségesre lett tervezve, majd módosították) üdv! proli007
Szia!
Nagyon szépen köszönöm a segítséget! Az R15 elé kötött 10u-s kondi megoldotta a problémát, most már ütemre villog. Ha a többi ágban is bekötöm a kondit, akkor azok csillapítanák a többi LED villogását? Most a zenére pulzálnak, de túl gyorsnak tűnik a villogás, egy idő után zavaró. Köszönet!Üdv!
Hello!
- A többi ágnál, van leválasztás, a szűrőáramkör alapkialakítása miatt, így szükségtelen. - Ha lassítani szeretnéd, akkor a demodulátor utáni kondik kapacitásának növelése látszik célszerűnek. (pld. C16) (Mások éppen fordítva gondolnák.. )üdv! proli007
Az R15 a B.Pass oldalon van... A hiba meg a L.Pass-nál jelentkezett. Akkor most hol is van a hiba? Miért is kellett a jól működő áramköri részt módosítani!? S miért kellett a csúcsegyenirányító egyenirányított jelét kondenzátorral kicsatolni. Mert a kondenzátoros kiegészítés csak tüneti kezelés, és nem a hiba elhárítása!
A C7 - C11 - C16 kondenzátorok eltávolítása után egy FET-nek sem szabad kinyitni. Ha valamelyik kinyit. akkor a FET meghajtó fokozatában kell keresni az okot. PL: Valamelyik tranzisztor ( Q1 - Q6 ) EC kivezetése fel lett cserélve.... Esetleg a FET is lehet sérült! A Fet csak akkor nyithat ki ha a Q1 - Q3 - Q6 bázisaira nyitóirányú (+) feszültség lesz adva...
Sziasztok remélem tudtok segíteni.
Egyik haver megkért, hogy csináljak neki egy olyat ami 230V-on bármit villogtat. Az egész PC-ről menne. Tudom, hogy sok kapcsolás van fent a topikban de nem akarok totózni, olyan kell ami biztos, hogy működik. Csak mélyre kell hogy működjön, az lenne a legjob ha lehetne álítani, hogy milyen frekitartományban villogjon. Remélem érthető volt. Köszi!
Hello!
Szerintem csak elírta.. Az R18, ugyan is 15kohm.. üdv! proli007
Meglehet!
Ott valóban sokkal többet ér az a kondenzátor. :yes:
Bocsi, tényleg a 15K kavart be, az R18 ra gondoltam.
Üdv!
Ha tudtok segitsetek már legyetekszívesek. Biztos van itt köztetek olyan aki épített pöccre indulót. Ezer köszi
köszi. De én nem ledet akarok működtetni vele, tudom hogy átlehet alakítani de nincs időm vele bíbelődni, azér kértem működő kapcsolást és nyáktervet. 230V-os akármit akar róla működtetni és lenne a 5-10A is.
jó de nem akarok kétszer költeni rá.. Szétnézek mégegyszer és megkérdem, hogy érdemes-e. Köszi.
Válassz ki egyet, amit úgy érzel, hogy meg tudsz építeni. Ha a témát az elejéről átolvasod, elkébzelhető, hogy nyáktervet is találsz... A többi meg kialakul.
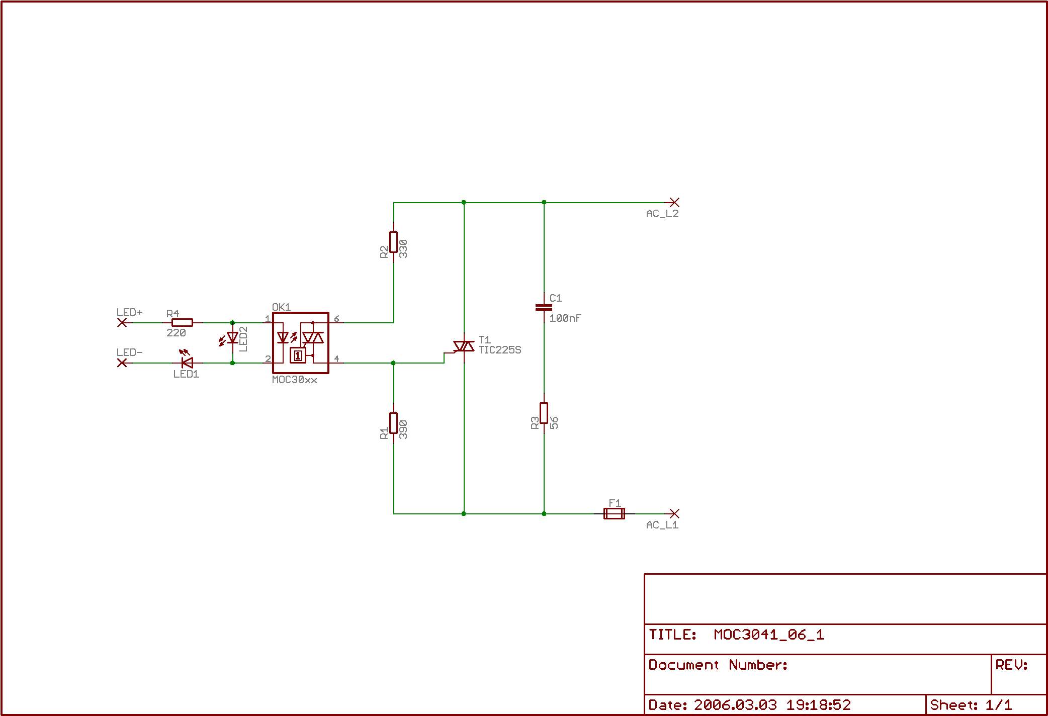
S nem is kellett lapoznom sem. LÁSD: LED-es fényorgona. Ez egyik LED helyére egy MOC3061-es "szilárdtestrelé"-s kapcsolás -SSR -. S szinte készen is van. ( Ja még egy adapterre is szükséged lesz. )
Neeeem!
Nem rossz csak vonalbemetű kell.
Kihagyhatod a mikrofont és az R1-es ellenállást.
S 1M omh-os potenciométeren kersztül vidd a jelet a C1-re. Poti egyik pontja a GND-n. Másik pontja a HF kimenetre... A csúszka a C1-re lesz kötve...
Helló
Elnézést, egy ideje nem volt alkalmam követni a fórumot... A rajzot a napokban ki fogom próbálni, mármint a szünetcsatornát. Jelen pillanatban adva van 2x126 ledem szinenként , piros, sárga zöld és kék plusszban a fehér. Ezeket fogom villogtatni 12V-ról. Most egy kis kézi vezérlésű csatolásom van, ehez kell az automatika. Majd jön az előregyártott taktusok bevezetése is.Ennek megvalósitását atmel segitséggel érem el. A szünetcsatorna lényege a túl drasztikus sötétség/fény elkerülése...
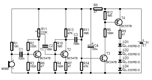
1. A sok verizóban, sok forrásból létező fényorgona kapcsolást átrajzoltam. Erre részben azért volt szükség mert az "eredeti" vonalvezetése katasztrofális volt, részben azért, mert kiegészítettem saját és mások (H.János és K.Gábor) ötletei alapján.
2. Kapott egy tejes értékű "+csat" nevű csatornát. Megfelelő kondenzátorértékekkel, a teljes hangfrekvenciás sáv így már 4 részre osztható, tehát kihasználható a kapható színek mindegyike (akár lámpa, akár led -piros, zöld, kék, sárga-). Ezen túl, némi kis alkatrész kihagyással és cserével, úgynevezett szünetcsatornává is lehet alakítani (A nyákon is van egy pici kis variálás, de IC3-D bemeneteit ekkor meg kell fordítani, és ehhez be kell avatkozni. A panelterv olyan, hogy mindkét verziót ki tudja szolgálni.) 3. Továbbá egy olyan funkció is bekerült, ami egy kapcsolóval direktbe kigyújtja az összes lámpát. 4. Terveztem egy panelt is, mert amiket eddig láttam, akár terven, akár fotón, azok nekem nem tetszettek. 5. Korábbi tapasztalataim szerint a TRIAK-okat nem kell egyáltalán hűteni, de azért a biztonság kedvéért én terveztem rájuk egy kis hűtőfelületet. Ezt simán 1-1,5-es alumínium lemezből lehet meghajtogatni, mind az 5 db egyforma. 6. Jelenleg még csak terv, nincs kipróbálva! Épp azért teszem már most fel, hátha valaki megelőz a próbával, illetve további ötletek is születhetnek, amitől esetleg jobb lehetne.
Ilyen gondos kivitelezés mellet, kicsi az esélye a hibának!
( Az két "LÓGÓS" OPA további fejlesztésre ad lehetőséget! :yes: ) [off] Milyen programmal készítetted a nyáktervet? ORCAD?
Én is át akartam variálni 4 csatornásra, de időm még nem volt rá.
Én Urbán I. féle** fényorgona van összerakva és már jó ideje megy , pcről kapja a jelet, de zeneszámtól függ, ha túl van vezérelve -nem villog-, ha nincs túl vezérelve, akkor villog, teszi a dolgát. **1993 RTÉK-ben publikáltat raktam össze (2002/9 RT-ben is publikált, nem néztem meg, hogy mi a különbség) Ez is Urbán kapcsolás ahogy nézem. A bemenetre jobb lenne egy mikrofonos bemenet, illetve valami egyszerű dinamika kompresszorral kiegészítve full extrás lenne, így független lenne a jelforrástól, nem kellene külön vezetékkel bíbelődni. Eddig nekem is tetszik .
[off] ( Az TR ÉK 1993-as tirisztorokkal oldotta meg a lámpák kapcsolását.
S kis kötéshibát is tartalmaz a PCB hálózati része! De a szűrők áramkörei alig változtak... )
Nem ORCAD, SprintLayout-ot használok. Az való nekem, az illik a felkészültségemhez. Egyszerű kisembereknek, egyszerű kis nyákrajzoló. No meg ahhoz írtam magyar nyelvű kezelési utasítást, ezért elég jól ismerem.
A mikrofontól idegenkedek.
A dinamikakompresszor kétoldalú eszköz. Lehet vele nyerni is, mert nem kell annyit tekergetni a potikat, de veszíteni is ha belenyúlunk a valós dinamikába. Meggondolom azért még, de most kipróbálom ezt a verziót, főleg a szünetcsatornára fókuszálva. Továbbá elég érdekes, hogy nagyon hasonló szűrőkkel felépülő fényorgonákban szélsőségesen eltérő kapacitásértékek vannak. Ezt is tesztelni szükséges.
A fényorgona is tartalmaz d.k.-t, még hozzá például C26, D11, C27, R41, D12 alkotja.
Ilyen :nezze: d.k.-ra gondoltam, semmi bonyolultra. Nem sokat kellene módosítani a nyákon .Addig is várom a teszted.
Bár a _kapcsolásban_ azoknak az alkatrészeknek más feladat lett szánva, de valóban a legtöbb kapcsolásnak az alapja egy csúcsegyenirányító aminek a kimenetére egy FET van kötve. A FEt az aktív elem a visszacsatoló ágban a bemeneten...
Nem látszik rajta, hogy azzal készült. ( Vagy nekem nem tűnt fel.)
Ja az áramkörrel kapcsolatban lenne egy építő jellegű javaslatom, észrevételem. Szerencsés lenne jobban elválasztani a hálózati feszültség alatt lévő részeket a törpefeszültségtől. Az áramkörön van elegendő hely ennek a megvalósítására... ( Szerintem, minél messzebb vannak egymástól annál jobb. Az optocsatoló két oldala közti terület legyen tabu. Azaz (ha lehet) ott semmilyen vezetősáv ne menjen! ) |
Bejelentkezés
Hirdetés |




)
Ott valóban sokkal többet ér az a kondenzátor. :yes:


.

