Fórum témák

» Több friss téma
Fórum » TDA7294 végerősítő
 
Témaindító: Dióda, idő: Ápr 17, 2006
Lapozás: OK   152 / 611
(#) ODU válasza hapro hozzászólására (») Feb 12, 2010 /
 
Rakok fel újabb képeket, hátha többet tudtok így mondani. A képen bekarikáztam zölddel azt az erősítőt amelyik búg (az előbb elfelejtettem írni hogy a 3 ból csak 1 búg, egyébként mind a 3 TDA7294). Így talán a földeléstől is átfogóbb képet kaptok. Van egy olyan gyanúm hogy esetleg a pirosan bekarikázott 100nF kondik miatt lehet mert csak 25V van ráírva a táp pedig +-35V-os.
(#) hapro válasza ODU hozzászólására (») Feb 12, 2010 / 1
 
Ebből én nem tudok semmit mondani, de egy nyákrajz talán segítene, ugyanis valószínű nem véletlen, hogy pont az búg, ahol duplán van a nyákon a végfokod.
Esetleg már "gyárilag" búghatott a helytelen nyákrajzolat miatt.
(#) szilva válasza ODU hozzászólására (») Feb 12, 2010 /
 
Az a kondi biztos nem okoz búgást, ha átütne a túl kis feszültségtűrése miatt, akkor maximum ő füstölne el, vagy a tápegységet tenné tönkre a zárlatával, esetleg kivágná a biztosítékot (ha van). Minden esetre jobb nem kísérteni a sorsot és megfelelő (legalább 50V) tűrésű kondenzátort tenni egy 35V-os tápfeszültségre.
(#) ODU válasza hapro hozzászólására (») Feb 12, 2010 /
 
Pedro féle, a táp bekötést és a földelést pedig már látod az előbb csatolt képből. A duplából is csak egy zúg, nem vészesen, de mégis idegesít, mert a másik nem.

TDA7294.pdf
    
(#) hapro válasza ODU hozzászólására (») Feb 12, 2010 /
 
Rendben, de ez 1db, ott ahol egy nyákon 2db van azokat hogy kötötted egymáshoz? Mert úgy látom 1 táp meg befelé.

Első körben próbáld meg a búgó oldalról leválasztani a tápot, és közvetlen a kondiktól vidd oda egy másik kábelen, és a test pontot meg a csillagpontból vidd oda, amit nevezz ki a kondik közös pontján.
(#) ODU válasza hapro hozzászólására (») Feb 12, 2010 / 1
 
Itt egy vázlatos kép a bekötésről

bekötés.PNG
    
(#) hapro válasza ODU hozzászólására (») Feb 12, 2010 / 1
 
A kettő között kapard szét a GND összeköttetést, és a csillagpontból húzd a másikhoz a GND szálat.
Talán ettől megjavul.
(#) ODU válasza hapro hozzászólására (») Feb 12, 2010 /
 
de pont ez zúg amelyikhez közvetlenül megy a GND vastag szálon, az ábra mutatja melyik zúg.
(#) hapro válasza ODU hozzászólására (») Feb 13, 2010 / 1
 
Figyelj!
Amíg elméleteket gyártasz addig nem fog megjavulni a végfokod. Ha nem próbálkozol semmivel, akkor szintén nem javul meg. Tégy amit akarsz, már 3-szor írtam le, hogy szerintem mit kéne tenned, ennyi információ alapján, ha nem volt világos, akkor sajnálom, old meg magad.
Sikeres javítást!
üdv.
(#) ODU válasza hapro hozzászólására (») Feb 13, 2010 /
 
Bocs, csak az van hogy nekem hétvégén van időm, és addig szerettem volna összeszedni minden lehetséges megoldást és hétvégén megoldani. Egyébként kösz a segítségeket, ma vagy holnap meg is valósítom
Tényleg bocs ha ezzel felhúztalak
(#) Bassmester válasza ODU hozzászólására (») Feb 13, 2010 /
 
Az ícék el vannak szigetelve a hűtőbordától? Ezt ellenőrízd műszerrel.Ha a negatív tápág rajta van egy nagy felületű bordán, akkor az okozhat némi búgást. A két modul testjét ne igy alakítsd ki, hanem a pufferelkók közös pontjából kösd a panelekre, egyforma vezetékkel, a nyákon pedig válaszd szét a meglévő GND vezetéket.
(#) ODU válasza Bassmester hozzászólására (») Feb 13, 2010 /
 
Rendben, így lesz. Nincs elszigetelve egymástól, sőtt egy ideig az egyik erősítő negatív tápellátása úgy volt megoldva hogy a borda kötötte össze a 2IC-t (gondolom nem egy jó megoldás, ki is javítottam hamarosan )
(#) Bassmester válasza ODU hozzászólására (») Feb 13, 2010 /
 
Na basszus... hogy mik ki nem derülnek
Akkor csináld meg úgy ahogyan javasoltam és valószínűleg jó lesz.
(#) zoli_cso hozzászólása Feb 13, 2010 /
 
udv mindenkinek.Bar meg soha nem tanultam elektronikat,fogtam magam es hobbiszeruen epitettem egy TDA7294 mono végerősítot,majd a kesobbiekben beepitek meg egy tda-t,hogy sztereo legyen.A kerdesem a kovetkezo lenne:a toroid es a poti jol van-e bekotve?mert nem vagyok benne biztos.Egy nagyon picit bug is az erosito.Kerlek nezzetek meg es ha tudtok segitsetek.Elore is koszonom.Ime egy kep:
(#) djgombi válasza zoli_cso hozzászólására (») Feb 13, 2010 / 1
 
Ha nem árnyékolt a jelkábel akkor azért búg. A képről így tűnik.
(#) zoli_cso válasza djgombi hozzászólására (») Feb 13, 2010 /
 
az meg hogyan tortenik
(#) djgombi válasza zoli_cso hozzászólására (») Feb 13, 2010 / 1
 
Vegyél árnyékolt kábelt! Vagy elvágsz egy RCA kábelt pl.
Ezzel kösd össze a bemenetet a potméterrel és a potmétert a végfokkal. Ezután már nem kellene búgnia.
Idézet:
„az meg hogyan tortenik”


A kábel összeszedi a mágneses teret amit pl a trafó is ad. És ezt szépen a végfok felerősíti.
(#) zoli_cso válasza djgombi hozzászólására (») Feb 13, 2010 /
 
nagyon szepen koszonom a valaszt.Meg lenne egy kerdesem ha lehetseges a toroid meg a poti jol van-e bekotve?elore is koszonom.
(#) djgombi válasza zoli_cso hozzászólására (») Feb 13, 2010 / 1
 
A képöl a poti nem látszik.
Szerk.: Ha működik az erősítő akkor a toroid biztos jól van bekötve
(#) zoli_cso válasza djgombi hozzászólására (») Feb 13, 2010 /
 
.a toroid meg igy.
(#) zoli_cso hozzászólása Feb 13, 2010 /
 
a poti meg igy
(#) djgombi válasza zoli_cso hozzászólására (») Feb 13, 2010 /
 
A potinak csak két lába van bekötve akkor már az sem jó. Amelyik lábán most nincs semmi, az lesz a test. A másik szélsőre kötöd a bejövő jel +-át. A középső lábra pedig a végfok megy.
(#) ptesza válasza djgombi hozzászólására (») Feb 13, 2010 /
 
Nekem lenne egy javaslatom, az itt leírt dolgokon kívül.

Valami nem oké azzal a toroiddal sem. A fehér vezeték a szekunder oldalon miért lóg?Nekem úgy tűnik ez egy olyan trafó aminek két szekunder tekercse van , nem olyan ami középcsapolásos.Rendesen megvan a tápfesz a tápegység kimenetén?

A két tekercset sorosan kellene kötni a közepe a test. Ha kell lerajzolom ,mert fontos melyik a tekercs kezdete és vége.

A másik dolog az lenne , ha később úgyis bővítenéd akkor , érdemes csillagpontosra kialakítanod a földelést.

A toroid meg a táp között van egy furat , oda be lehet tenni egy csavart , és minden test-et onnét kötni.

A bemenetek , a kimenetek , az erősítő panelja, a potméter , A hűtőborda ,és maga a doboz is. Így minimálisra lehet csökkenteni a brummot
(#) zoli_cso válasza ptesza hozzászólására (») Feb 14, 2010 /
 
A toroidot netrol rendeltem 100VA es 2x24volt pufferelve 35voltot ad le az agak kozti elterest megmertem puffereles utan kb 0.5volt korul van.Az egyik feher kivezetest foldelni akartam s akkor odoragadt egy picit a zobozhoz,gondolom hogy az szekunder es inkabb nem kotottem be nehogy felrobbanjon .Ezert is kertem segitsegeteket mert mar tobb kitet is leegettem.

elore is koszi
(#) ptesza válasza zoli_cso hozzászólására (») Feb 14, 2010 /
 
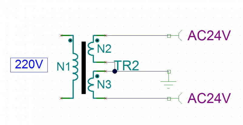
A tápegység végéröl kössed ki az erősítőt és a kép szerint kössed be a trafót. A rajzon a szekunder tekercsek mellett van egy pont az jelenti a tekercs kezdetét , nálad sztem a piros vezetékek lesznek .

Az ábra magáért beszél.

Ha jól működik akkor a tápegység végén a műszerrel mérve kell találnod egyszer +35 V és egyszer -35V tápfeszt , akkor ha műszer fekete zsinórja középpen van. Ha a két szélsőt méred akkor közel 70V lesz!

Csak akkor haladjunk tovább ha ez így van!


Berajzoltam mit hogyan kötnék ,és mit hol mérnék!
(#) djgombi válasza ptesza hozzászólására (») Feb 14, 2010 /
 
Basszus ez nekem fel se tűnt
(#) zoli_cso válasza ptesza hozzászólására (») Feb 14, 2010 /
 
Koszi a rajzot.Na bekotottem ahogy rajzoltad a ket kozepso szalat egybe.a puffereles utan egyszer +35 V és egyszer -35V es a ket szelso ahogy mondtad 70 volt.De megjegyzem nem stimmel mert a vegfok teljesitmenye ugyan akkora amekkora volt.Eddig puffereles utan a ket szelso 35 v volt.
(#) zoli_cso válasza ptesza hozzászólására (») Feb 14, 2010 /
 
igy kotottem be.

CIMG9681.JPG
    
(#) ODU hozzászólása Feb 14, 2010 /
 
Hali
megcsináltam az erősítőt, búgásmentesítettem. Először is a csillagpontos földeléssel próbálkoztam, ettől csak jobban zúgott mint alapból, majd a nyákon vezetékekkel kibővítettem a GND vonalakat, ez akkora sikert hozott hogy teljesen megszűnt a búgás mind 2 oldali hangszórón.
(#) ptesza válasza zoli_cso hozzászólására (») Feb 14, 2010 /
 
Azt nem tudom ,hogy eddig mekkora volt a teljesítménye , de azon csodálkozom ,hogy egyáltalában működött.


A mostani bekötés biztosan jó. Ha a búgás még nem szűnt meg akkor segítek átkábelezni. De szerintem mindenképp célszerű lenne.

Folytatjuk?

Következő: »»   152 / 611
Bejelentkezés

Belépés

Hirdetés
XDT.hu
Az oldalon sütiket használunk a helyes működéshez. Bővebb információt az adatvédelmi szabályzatban olvashatsz. Megértettem