Fórum témák
» Több friss téma |
Ha az elektronika jó, akkor szerintem a cső kilehelhte az utolsó villanást is (ha az elektródáknál kormos akkor valószínüleg a cső a ludas)
Hello.Szeretnék még egy csövet kötni a strobimhoz.Van egy rajz.Az alapot megépítettem tökéletesen működik.A plussz kapcsolást a dióda és az ellenállás közé kell bekötni.?Olyan olvastam valahol hogy a diódát is ki kell cserélni.Most 1N4007-es van benne.Milyen legyen ha egyáltalán cserélni kell.A gyújtó és a katód pedig közös.
Most kicseréltem a diódát 3 amperesre.Még arra várok hogy haverom hozzon forrasztó ónt mivel elfogytam.Utána meglátjuk hogy elfüstöl-e vagy mind a két cső villan-e.
A cső még teljesen új, nem kormos sehol azzal talán nincs gond. Megvárom a gyári trafót, hátha azzal működni fog. Pufferkondinak 10 µF-os elektrolitkondit használtam, a cső 250W-os. Találtam itthon 14µF-es motorindító fóliakondit, ki is cseréltem rá az elektrolitot de azzal se gyújtott be. Ha ezt a motorindítót használom nem lesz baja a csőnek? Vegyek inkább 10µF-ost?
Na sikerült.Diódának 3 amper elég.És mindent a rajz szerint.Bátran ajánlom mindenkinek.Mind a két cső szépen kisüti szemét az embernek
Akkor tényleg a trafó lesz a ludas. Nem ne vegyél kissebb értékű motorindítót kondit, hagyd csak szépen benne ezt.
Az elektrolit kondikat meg ne nagyon használd a stroboszkóp pufferéhez. Egyébként mikor ezt a kapcsolást megépítettem nekem még 16µF-al kicsit villant. Olyan 100-120Ws-nak megfelelőt. Felmentem teljesen 40µF-ig és ott már kellő teljesítmény/fényhatást értem el. Egyébként ezek a csövek nem szeretik a 320V-ot és a nagy áramokat. Hamarabb tönkremennek. 640V és kb 10-12µF-al sok hosszú bulit kibír.
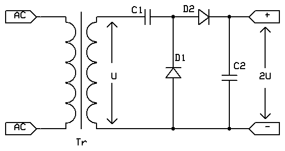
Köszönöm mindenkinek az infót, megvárom a trafót remélem azzal működni fog. Építek hozzá feszültség kétszerezőt is. Tudnátok kapcsolási rajzot és nyáktervet hozzá? Goggle-ban rákerestem, de sok hasznosat nem találtam
Helló.
Kapcsolási rajzot tudok adni, a nyákot én csináltam hozzá. Nem nehéz összerakni. Csak vigyázz, itt már a kondik feszültségét is emelni kell mert eldurran.(Én sorba kötöttem egy 500v 50µF-ot és egy 450V 20µF-ot puffernek,) De a legfontosabb NAGYON VIGYÁZZ MAGADRA, mert 640V-már földhöz vág. Tapasztalat. Szóval mielőtt belepiszkálsz a kapcsolásba, süsd ki az összes kondenzátort. Itt a fesz. kétszerező:
Sziasztok! Egy vakut szeretnék úgy átalakítani ,hogy sűrűn egymás után el tudjon villanni néhány tizedtől pár másodpercenként. Mit javasoltok?
1. Tegyek egy nagyobb kondit bele majd egy fojtót még egy kisebb mondjuk 22µF os kondit és úgy a csőre 2. Tegyek töb kisebb kondit bele és egyenként süssemrá a csőre. Ebben az esetben felmerül még egy kérdés. Milyen kapcsolóeszközt használjak a kondik és a cső közzé? Triak Fet vagy Igbt?
Hello! Találsz nem egy stroboszkóp rajzot, arra alapozd a vakut
Georgee nem egy stroboszkóról kérdeztem általában hanem egy konkrét kérdéssel fordultam hozzátok. Te mivel kapcsolád a pufferkondit a csőre? Ja és ugye hozdozhatónak kell lennie. Amúgy egy Sunpak auto 200-as és 3V-ról megy szóval elég kis kicsike de nem is kell erőset erőset villannia majd valamikor szétszedem és visszafelytem a kapcsolását hátha hasznos lesz valakinek
A vaku az vaku, nem arra van tervezve, hogy túl sűrűn villogjon, pár másodpercenkénti villanást még bírja.
Hiába tuningolod a táp áramkörét, mert akkor a cső nem fogja bírni. A cső és a kondi közé semmiféle alkatrészt nem szabad tenni, mert ott súlyos áramimpulzusok folynak, tehát ez a táp kondik kapcsolgatása halva született ötlet! A nagyobb kondit pedig nem fogja tudni feltölteni időre az áramkör, és a 3voltos akkut is pillanatok alatt megenné. Ha kell a másodpercenkénti 10 villanás oda vagy 230 V, vagy rendes akksi kell, valami kissebb 6-12 voltos ólom akksi amit a szünetmentesekben is használnak. Ehhez egy combos inverter, ami legalább 10-20 ampert nyakalna befele ( pesze csak a kodi töltésének idején ), és egy rendes cső dukál. Tehát az elképzelésed olyan mintha trabiból kellene F1-es verdát építeni .
Köszi minden segítséget mindenkinek a strobi nagyon nagy siker volt az osztály bulin.
Sziasztok!
Aztmondták a boltban, hogy nemtudnak már hozatni gyújtótrafót, mert kifutott termék. Ez a házilag tekert trafó szerintem átüt (kattog) azért csak ritkán gyújt be a cső. Honnan lehetne bontani ilyen trafót? A gázgyújtókban van hasonló, de az nemtudom, hogy bírna e ekkora feszültséget, mert 1,5Vos elemmel működik. Autó gyújtótrafót lehetne használni? Ha van valami ötletetek írjatok. Előre is köszönöm
Tettem bele gázgyújtó trafót. de csak halványan villog vele a cső. Szereztem autógyújtót is. Nem fogja kiütni a csövet? Mert úgytudom, hogy a stroboszkópba 5-6kV-os trafó kell az autógyújtótrafó meg 10-20 kV-os. Még mindig erről a kapcsolásról van szó.
Szia!
Hasonló kapcsolást építettem én is még anno a középiskola közepetáján/ kb 93-ban /,annyi különbséggel,hogy az egy feszültség kétszerezővel kezdődött,így a cső / IFK 120 / 600V-t kapott.A kistrafót simán megtekertem,a szekundert soronként szigetelve.A menetszámokra sajnos már nem emlékszem,de nem volt vele problémám sohasem.Ellenben az elkók mindig maguk alá piszkítottak egy egy kiadós buli után.Meg időnként a cső égve maradt.Volt egy IFK 500 típusú csövem,az 1200 V-on ment.Egy bulit bírt ki,a gyújtáshoz rátekert zománcszigetelésű huzalról leégett a zománc,olyan módon meg lett hajtva szegény.Ez egy 500Ws-os cső volt.RIP. István
Heló!
A feszültség kétszerezőt az egész kapcsolás elé kell kötni, vagy csak csak a cső elé? Az alakatrészeknek milyenek az értékei?
Ha otthon leszek,lerajzolom.Az egész kapcsolás a 600V-ról ment.Meg valami 2*100µF volt a kondik értéke.
Pár nap,és feltolom ide. István
Csaba 88. Én tudok neked postázni vadonat új ztr200-as (az ami ebbe a kapcsolásba kell) gújtótrafót.
Ha érdekel írj. Közben én is előkerestem az én stobim rajzát. Tessék:
Köszönöm a rajzot így már összeállt az egész. énis hasonlóan gondoltam a dolgot. Már csak a diódák típusát nem tudom. Írtam egy e-mailt a trafóval kapcsolatban.
Én 2db 3A-es mezei diódával csináltam. Azt hiszem hogy IN5408 vagy hasonló. Nem kell bele 10A-es, hisz nem nagy áramok folynak ott. E-mail ment.
Tudom hogy a vaku nem arra lett tervezve hogy sűrűn villogjon. ezért akarok inkább kb öt darab ötöd akkora kondit rákötni külön külön kapcsolva. Ja néztem egy kis infót triak ügyben. BTA41
csúcs áram (Non repetitive surge peak on-state current) t=16.7 ms Itsm 420A Még ez is kevés szerinted? Már csak azért is mertem megkérdezni mert szinte minden "coilgun" ban a kondikat amik nem néhányszor tíz hanem inkább száz sőt ezer mikrós bankok, triakkal vannak a tekercsre kapcsolva.
És azt is tudod, hogy ha egy villanócső végére feszültséget kapcsolsz attól még nem fog villanni ??
Ötöd akkora kondival ötöd-akkora lesz a fényerő, az elég neked?? nemtudom mi a sz@rért kell valamit agyonbonyolítani, azon kívül hogy egy alkatrésztemető lesz, nem fogy többet tudni mint egy jól méretezett hagyományos strobi Már elmondta más is mi az ajánlott, egyszerű, és célravezető út, de ha neked az nem tetszik, akkor járd a magad útját. Majd ha lesz tapasztalatod rájössz, hogy igazunk volt.
Hellósztok.
Ez a kapcsolás működhet 50w-os os villanócsővel? vagy mit cseréljek ki benne és mire? Bocs hogy most kicsit értetlen vagyok, de ez lesz az első "magasfeszültségű" projektem, és nem szeretném hogy a fényjelenséget hangjelenség is kövesse. és akkor az a kínai gázgyújtóba való tekercs jó bele? Mennyire megbízható ez? (kihagyhat-e, melegedhet-e, stb) A válaszokat köszi.
Igen, ha a 10u/350V-os kondit kisebbre cseréled kisebb lesz a fényerő. Egyébként 10u-val is működne csak nagyon melegedne a cső és hamar tönkre menne.
De mekkorára? nem írja, hogy mekkora csőhöz készítették, ezáltal még találgatni sem tudok sajna.
Ma megérkezett a ZTR200 as gyújtótrafó, de ezzel sem működik rendesen a stroboszkópom. A 47nF-os kondi helyett mostis be kellett tennem a 150 nF-ost, mert a 47-essel halvány villanások sem voltak. A cső csak ritkán gyújt be. Mi lehet a probléma? Feszültség kétszerezőhöz nemsikerült kondit szerezni, a boltban aztmondták, hogy nem biztos hogy tudnak hozni 650V 16µF-es kondikat, és ha tudnak akkor is több ezer Ft lehet. Tudna valaki még ehez tanácsot adni, vagy küldeni egy másik kapcsolási rajzot amihez van nyákterv is?
Helló.
Milyen csöved van? Esetleg nem tudnál mutatni képet róla. Múlt héten egy techno party-n 10 órán át nyomattuk a stobim ugyan ezze a kapcsolással és kibírta, semmi baja és most hétvégére megint kérték. A fesz kétszerezőt úgy csináltam hogy a puffer kondi egy 16µF 450V és egy 50µF 500V-sorosan kötve. Esetleg csináld 2db 16µF 450V-os kondival, (sorba kötve) már azzal is szépet villan. Egyébként megérkeztek egyben a gyújtótrafók? Akinek a másikat küldtem neki sem működik rendesen?
Dehogynem. Orosz IFK120-as csőhöz, szerintem ez 120Ws-ot akar jelenteni. Én úgy csináltam az 1500Ws-os csőhöz a kondipakkot, hogy addig növeltem az értéket amíg el nem kezdett izzani az egyik elektród, majd addig csökkentettem mihelyt megszűnt az izzás. Ki is lehet számolni, valahol írják is a topicban.
Igen az 120 az 120Ws-ot jelöl
. Az 1500-as csövön lévő kondipakknak mekkora az eredő kapacitása, és mekkora a maximum villanási frekvencia? Mert az enyém most problémázik, és lehet, hogy én is igy oldom meg. |
Bejelentkezés
Hirdetés |












