Fórum témák
» Több friss téma |
Fórum » Muzeális készülékek-alkatrészek restaurálása
Témaindító: Kutyuli, idő: Márc 29, 2008
Témakörök:
Szervusztok!Érdeklődnék,hogy lenne-e valakinél Mechlabor magnó eladó,avagy tud-e valaki valakit akinél van,lehet?Mindenféle típus érdekelne,ha hibás az se kizáró ok...csak tudjuk valahogy betuszkolni a szobába
.Van egy STM-310 -em,és nagyon megtetszett,elférne még egy/pár/ a magnó gyűjteményemben.Azonban kicsit kopottak a fejek benne,kéne hozzá tartalék is.Esetleg milyen egyéb fejtípusokkal lehetne még érdemes kisérletezni?
Van nékem új fejem hozzá + tudok is beszerezni,ha kell.
Én nekem is STM 310-esem van,meg egy 1956-os EHR11
Sziasztok érdeklődnék,hogy egy Akkord 201 Cmereo lemezjátszóhoz valakinek van-e lejátszó kar és fej alkatrésznek.
Sziasztok!
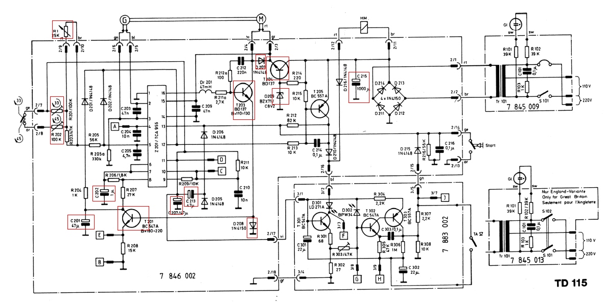
Nem annyira muzeális, de hátha tudtok segíteni. Egy THORENS TD-115 lemezjátszó fordulatszám-szabályzójával küzdök egy ideje. A hiba, hogy 10-15 perc üzem alatt a tányér szép fokozatosan felgyorsul. "Csak" 2-3%-ot, de az már meghallatszik. - Először az elkókra és a potikra gyanakodtam, ezért a mellékelt rajzon bekeretezett alkatrészeket mind cseréltem. - Próbáltam az áteresztő tranzisztoros stabilizátor helyett 7808-at használni. A hiba maradt, viszont a stabkocka szépen felfűtötte a környező levegőt, így maradt az eredeti megoldás. - A motor sarkain a feszültség is megnő, így a hiba a szabályzóban lesz. - Kézzel melegedést sehol nem érzek. Van-e ötletetek, mi okozhatja a hibát, mit volna érdemes megnézni? Lehet, hogy maga a szabályzó IC "öregedett meg"? Csak végső esetben cserélném, mert nem olcsó. Segítségetek előre is köszönöm! Gábor
Szervusztok!
Újonc reparátor vagyok még. A birtokomba kerül egy Terta T 528H rádió. Ilyen Sajnos felújításra vár, már ránézésre is. Amúgy jó állapotban van, viszonylag. Még nem szedtem szét (az elektronikával még elboldogulnék), mert még nincs nálam, csak képen láttam. A hangszóróselyem cserére szorul és a rajta levő réz díszek (a varázsszem és a hangszín gomb körül) hiányoznak. Egyéb hiányt még nem láthattam. Kérdésem, hogy ilyen díszeket honnan tudnék szerezni (netán valakinek van ilyen?), esetleg lemásolni? Illetve hangszóróselyem ilyen hol kapható, ki hol szerzi be? A segítséget, jótanácsot előre is köszönöm! Üdv!
Megvan a rádió!
(A Terta T 528H)Meglepően jó állapotú. Csak iszonyúan poros belül. A fenéklemez és az egyik gumiláb hiányzik. Meg a réz díszek elölről. A csövek látszólag épek, láthatóan nem használták őket sokat. Mérni később fogom őket. A skálahúrozást újra kell építeni, mert el van szakadva, de a huzal megvan. Valakinek van skálahúrozási infója erről a készülékről? A ferritrúd megvan, bár leesett a tartójáról. De csak egy tekercsnek kell rajta lenni? Annak a mozgatórésze is javítandó lesz. Szakadt a húrja annak is, de megvan. A hullámváltót kell nagyon szétkapni, mert szorul, koszos, nem vált. Ugyanígy a hangszínkiválasztó gombsort. Egyszóval nem olyan rossz, de bekapcsolni még nem szabad. Üdv!
Sziasztok!
Rég jártam erre, de most segítségre lenne szükségem. Van egy t 422-esem új szerzeményként, és optikailag elég ramaty állapotban van (törött volt a skála üveg azt ragasztottam, ja ha valakinek akad elfekvőben ilyen vevő vagyok rá) De a legborzasztóbb az ami a képen van megvan sérülve a doboz -felülete- erre várnék ötleteket, hogyan orvosolhatom. Van egy olyan elképzelésem, hogy leszedem az egészről ezt a funért vagy mi az istent, csiszolom, réseket javítom glettel, lefest és lakkoz, de asztalos haver azt mondja nem tapad meg rajta majd a festék a gletten. Erről mi a véleményetek? Valamint a szövetet, hogy tudom ki tisztítani? Egyenlőre ennyi, ja és még egy kép egy szovjet csodáról börzén szereztem 1500pénzért vált meg tőle a tulaj, hiánytalan, működik, (a potméter be van állva de az megoldható) zöld fa dobozban, eredeti szovjet leírással. Ha valaki ért ilyenhez egy kérdés: van benne 4 db picivel kisebb mint a béby elem "akumlátor", hogy ezeket mérés közben tölti? Köszönök mindent! Majd még jönnek az új szerzeményekről a képek. üdv:petya
A dobozt politúrozni kell. Ha az asztalos haverod régi szakember, majd elmeséli hogyan. Ha csak lekaparod és csiszolod, lakkozod az is lehet szép, de teljesen más minőségű felület lesz mint az eredeti. Az orosz műszerben szerintem elemek vannak.
Köszönöm mind kettőtök válaszát! és most ez a politúrozás mibe fájna nekem úgy kb?
mert lehet meg sem éri át tolni az egészet
Ha veszed a bátorságot, és megcsinálod magadnak, nem olyan rettentő drága. Itt egy leírás hogyan is készül a dolog:Bővebben: Link
Ha nincs hozzá kedved, türelmed, időd (a megfelelő szabadon választott) akkor egy idősebb asztalos tán rávehető. A fiatalabbak már nem is ismerik a technikát. Az ára nagyon attól függ hol laksz és milyen jó ismerős a mester.
Ha elfogadtok egy két apró hozzászólást akkor írom: A doboz eredeti felületkezelése valamilyen műgyanta alapú vastag lakk, ezt csiszolással, kaparással(citlingelés) teljesen el kell távolítani, a hiányzó faréteget szinben hozzáillő intarzia lapok beszabásával és ragasztásával lehet pótolni.Ahol az oldalak szétnyíltak ott fagitt(műfa) segíthet persze csak akkor ha ez a szétnyílás nemtöbb 1-1.5 mm-nél. Ezután csiszolás és politurozás következhet, erről sokmindent megtudhatsz ha neten utánanézel az Ezermester lap intarzia és politurozás témájú cikkeiben. A politúrozás összességben nem sokkal drágább az ecsetes vagy fújt lakkozásnál de az esztétikája messze jobb.
Bővebben: Link Úgy látom zolika60 megelőzött! Bővebben: Link
Egyszer már volt szó erről. Ezek a készülékek nem politúrozottak voltak. :no:
Az '50 -es évektől gyártott rádiók fa dobozait börtön asztalosműhelyben készítették, és volt ott egy művezető, aki ma is él, és ismerősöm. Ő mondta, hogy kétkomponenses poliészter lakkal voltak lakkozva a dobozok. (Ő meg ebből a lakkból csinált mindenféle kütyüt.) Petya! A sérült furnért cseréld ki, - ahogy Köbüki mondta, - ezt kell majd csiszolni, pácolni, megint csiszolni, aztán lakk... Amúgy jobban jársz a lakkozással. A polítúrozás igen munka és gyakorlatigényes. Nem a kedvedet akarom elvenni tőle!
Köszönöm a további válaszokat. Azt hiszem értem, ezt beszélte asztalos haver is, hogy furnért csíkban végig vágva le szedni és cserélni. Talán ő tud adni ilyen csíkot ami színben hasonló. De így lényegesebben több munka lesz vele mint terveztem. Mert én tényleg úgy gondoltam, hogy áthúzom az egészet glettel (persze a furnért le szedem) ezt csiszolom-polírozom, erre rákennék egy sötét barna festéket valamint nálunk a suliba csináltak festő srácok olyat, hogy gipszkartont lekenték és valami szivacs szerű anyagot húztak végig a száradó festéken és fa hatást adott neki, szereznék egy ilyet majd száradás után lakkozás. Egyforma színe lenne az oldalainak, mert ugye egy festék, a csillogás is meg marad a lakrétegtől, valamint ki javítva is ki lenne a rések. Valaki tud ennek az elképzelésnek ellent mondani?
úgy látom ma regény írós hangulatom van üdv!
Tudok. Festékkel csúnya lesz.
![]() Hidd el, a teljes felső furnér réteg cseréjével új dobozt tudsz varázsolni! És nem egy nagy kunszt megcsinálni.
Értem. Közben olvasgattam az általatok linkelt cikkeket. Furnér csere: oldalt is cserére szorul akkor, de ez már lényegtelen ha csinálva lesz mindegy, hogy csak a teteje vagy az oldala, és ha azt csinálom amit haver mondott, hogy csak csíkban kicserélni a furnért? Csak mert most így hirtelen azt sem tudom honnét tudnék furnért be szerezni
Üdv Petya ! Van egy 422 üvegem . És másoknak ha kell: VT R4901R , MELODIA M-16 , VT R-646 , Orion AR 205 , MISKOLC , VT R 4400 , RC4621 LYRA , 5187 ,és még sok kisrádió hoz . Öreg T
Na, üveged már lesz, látom.
A "csíkban csere" szerintem nehezebb. Az már olyan, mint az intarziázás. Össze kell dolgozni látszó felületen egymás mellé a két furnért. (A régit ás újat.) Furnért amúgy lehet kapni asztalosipari üzletekben.
Szóval egyben csere. Akkor körbe nézek a környéken hátha. A furnért pedig ugye csak lakkoznom kell? vagy még azt sem?
Vehetsz olyan színű (tölgy, bükk stb) anyagot, amilyet szeretnél, és pácolhatod is a megfelelő színre lakkozás előtt. (Lehet kapni pácot is...)
Na akkor azt hiszem minden világos, ha nem akkor úgy is kiáltok
Köszönöm mindenkinek a segítségét! Az új szerzeményekről meg majd még jönnek a képek!
Cső! Frankón meg vannak csinálva
Elférne itthon Csak az itthoniak ne lássák, mert már véres szemmel néztekrám, hogy 2napig birtokoltam a konyha asztalt. :hide: üdv:petya
Sziasztok! Van egy új szerzeményem.. mégpedig egy "szögletes" Pacsirta. Nem csináltam még ilyen nagy restaurálási munkát.. épp ezért egyenlőre nem is szedném darabokra.. pontosan utána akarok nézni a dolgoknak
Lakhatnál közelebb!
![]() Öt Pacsirtám van, ezekből egy szögletes, és restaurálásra várnak szintén. (De akkor is az 520A -val kezdek...)
[OFF]A Zoli biztos másra gondolt !Szerintem valami hasonlóra [OFF]
A búbosbankából alakította a bugos pacsirtát?
Sziasztok. Örököltünk egy Telefunken super 2T65 VGR tipusu csöves rádiót. Szemlátomást kiváló állapotban van. Bekapcsolni még nem mertem, majd csak korlátolt tápfesszel. A gramofon része szemlátomást sose volt használva, erről árulkodik a doboz tű és az eredeti kar rögzítés.
Sziasztok!
Hagyatékból maradt egy nagy adag múzeális cucc, könyv, mérőeszköz, régi "computer" stb. min olyan ami ténylegesen múzeális érték, nem cak régi, ami "snassz régi volt" vagy nagyon rossz állapotú, az kuka lett. Tulajdonos, ha csak pár ezer Ft-ért is de szeretné eladni őket. A teljesség igénye nélkül: régi fadobozos csöves rádiók, lemezjátszók, rádió+lemezjátszó, oszcilloszkóp, robbantásokhoz katonai tekerős indító, szalagos (hordozható magnó), régi katonai hordozható V/A mérő, stb. Aki meghalt, katonaságnál volt sokminden, pl. robbantó, elektronikai szaki stb. Egyébként híradástechnikai cuccokat szerelt, több doboz elektroncsöve is volt, sajnos nagy része ki lett dobva, csak néhány különlegesebbnek tűnőt hagytak meg... Ha érdekel belőle valakit portéka, jelezzen privátban nekem, mert sajna határidős a dolog a ház átépítés miatt ... Hátha valakinek pont ilyesmi a szive vágya... |
Bejelentkezés
Hirdetés |




.Van egy STM-310 -em,és nagyon megtetszett,elférne még egy/pár/ a magnó gyűjteményemben.Azonban kicsit kopottak a fejek benne,kéne hozzá tartalék is.Esetleg milyen egyéb fejtípusokkal lehetne még érdemes kisérletezni?





mert lehet meg sem éri át tolni az egészet
úgy látom ma regény írós hangulatom van 
Csak az itthoniak ne lássák, mert már véres szemmel néztekrám, hogy 2napig birtokoltam a konyha asztalt. :hide: 







