Fórum témák
» Több friss téma |
Ok, inkább addig nem csinálok semmi ilyesmit míg enm tudom meg hogy mi is biztosan a baja, de szerintem elég érdekes ez a fordított elembeletéttel lejebbvivés olyan kondenzátor vagy akkumulátor hatás vagy minek nevezzem
Na, szétszedtem és lefényképeztem a belselyét (a nagyobb panel) több ilyen izé is van benn amibe belevan rakva egy két alkatrész remélem látszik a képen a IC-k típusai
Melyik a rossz szerintetek?
Van még egy igen vad ötletem, azzal gyógyítom amivel megöltem? Nem lehet hogy valami csoda fojtán helyrejönne? De szerintem jobban tönkremenne...
![]()
Üdv mindenkinek...szerintem ha nem akarsz nagyobb bajt, akkor soha többet ne rakjad rá fordítva az elemet...pár éve már több gyártó is ellátta ilyen jellegű védelemmel is a műszereit, hogy fordított tápfeszt ne tudjon kapni szinte semmi félvezető, de a Metexet nem ismerem, nem tudom, abba van-e ilyen védelem. A feszültség-impulzussal meg csak olajat öntenél a tűzre...Nem bántásból mondom, csak szeretném megelőzni a nagyobb bajt...de ha még az alapoknál vagy,(már pedig ott vagy, vagy ott sem...) azt javaslom, hogy szegjél össze valami Tecsó gazdaságos, 600 ft-os gagyi multimétert, mert ha az ledöglik, azért nem kár, tanulni viszont alkalmas...az első műszerem nekem is olyan tecsó gazdaságos kaliberű volt...csak akkor a legolcsóbb multiméter 2500 ft körül volt a környéken, azt hiszem...de ma már tényleg lehet 600 ft-ért olyan fröccsöntött szart venni, ami alkalmas egyenfesz, váltakozó fesz, egyenáram, ellenállás mérésére, meg diódatesztre...meg talán tranzisztor-viszgálatra...ez a Metex meg ha még menthető, akkor ráér, miután már tudod, mire figyelni...amúgy ha megdöglött a procija, akkor már mindegy neki, szerintem...mostanában nem nagyon hallottam olyanról, hogy elfogadható áron be tudtak volna szerezni ilyesmit....akkor lesz esélyed, ha a proci túlélte...nelem valami Somogyi-technikás műszerem volt az első, azt hiszem 94-ben...annak az volt a baja, hogy nem tudtam áramerősséget mérni...mindig nullán maradt...de félvezető csak egy-kettő van benne, és azok jók, másik műszerrel kimértem műveleti erősítő, ilyesmi nincs benne, csak a proci, vagy micsoda, és úgy döntöttem, hogy akkor az kuka, mert az akkor 2500 ft-os műszerbe 15000 ft-ért akartak nekem procit adni, annyiért meg nekem nem kellett...vettem egy másikat...de az ilyen műveleti erősitők szerintem nem vészesek, de...olyan embernek kéne javítani, akinek nem ez az első...meg az sem utolsó, hogy milyen eszközeid vannak, mert láttam már olyan műszerészt, aki gázpisztollyal szedte ki az alkatrészeket a tévéből...bár annak is van előnye...azt a tévét többet nem kell javítani
![]()
Szevasz. Az ugyanilyen tipusú multim is nagyfesztől ment időlegesen tönkre. Az MTA-nak van javitással folalkozó részlege, ott cseréltek ellenállásosztót benne, és azóta nincs gondom vele.
Pedig nem is méregettem vele, csak be volt kapcsolva, de a zsinórok összeszedtek az asztalon működő gyújtótrafó több tiz kV feszültségéből annyit, hogy az osztó átütött, és nekem is valótlan értékeket mutatott.
Megértjük az elkeseredésedet, hogy a műszered ilyen szerencsétlen módon romlott el, és most bármit megcsinálnál hogy megjavuljon, de az ilyen kutyaharapást szőrével megoldások nem segítenek. Tuti. Lehet, hogy már nem segíthetsz rajta, vagy nem lesz "gazdaságos" max. tanulságos a javítás, de ha pici esélyt szeretnél adni neki, akkor hallgass Gére és tedd félre későbbre. Innen a képekről nem látszik, hogy mi a baj, egyszer majd egy másik műszerrel pontról pontra végig kell menned rajta (itt lenne hasznos egy kapcsolási rajz), de ami talán egy pici reményt jelenthet, hogy a kijelzőn értelmes számok vannak és nem valami ákombákom. Ha nincs másik műszered, akkor előbb utóbb úgyis kell venned egy másikat, de ha komolyan belelendülsz úgyis kelleni fog több is. (Kényelmetlen egy műszerrel több mindent mérni, főleg ha egy vagy több áramra is kíváncsi vagy). Nézz szét, vannak egyszerűbb, olcsóbb műszerek azok is használhatók, ill használtakat is lehet nézni. Ha megkímélt állapotú, akkor kifoghatsz valami jót olcsón.
a kép alapján tényleg nem lehet rajta látni semmi hibát, és a kapcsolási rajz nagyon sokat segíthet annak, aki javítani fogja Rajz nélkül...sokszor esélytelen...ha találsz rajzot róla, azt mentsd el,vagy nyomtasd ki, mert nincs rá garancia, hogy egy-két év múlva is megtalálod...én is kinyomtattam az MY-64-es műszerem rajzát...jól tettem,azóta megszűnt az az oldal, ahonnan leszedtem...azt hiszem...
A Metex topicban van rajz a 3650-eshez.
szerk.: mindezt persze sonynak címezve, csak rád sikerült kattintanom.
Mindenkinek köszi a segítséget, annyi vigasztal hogy a diódamérő (az a sipoló) működik igaz a szám akkor is az a 268 körüli szám de sipolni rendesen sipol. És még egy érdekesség hogy amikor bekapcsolom akkor egy nagyon kicsit csippanás szerőség van és negyed másodpercig végetelent mutat és akkor lép át arra a 268ra (ami néha 265, 270 stb)
és mégegy kis érdekesség hogy amikor sipol a szakadásmérő akkor 264-ről lemegy 258ra
Vagy inkább haggyam? Nem lehet hogy valami egyszerű baja van?
Hagyd inkább... Ezekkel a módszerekkel biztosan nem fogod tudni megjavítani, akármi is legyen a baja. Rakd el jól egy fiók mélyére, és majd akkor szedd elő, amikor már legalább részeiben érted és átlátod a működését. Legalább az elméleti alapokat ismerned kellene egy ilyen műszer használatához, a javításához meg aztán pláne! Hangsúlyozom, hogy a CPU lábainak ujjal taperolása, illetve az elem polaritásának megfordítása nem javítás, hanem kontárkodás. Nagyjából olyan, mintha svájci bicskával akarnál (sikeres) szemműtétet végrehajtani (lásd még: Mikszáth K. 'A hályogkovács' című novelláját - pont idevág, több szempontból is).
Addig is pedig vegyél valami olcsó (piacos) multimétert, amiért nem nagy kár; az egyelőre úgy tűnik hogy - tudását tekintve - jó darabig elég lesz neked, amennyiben vigyázol rá. De legfőképp olvass nagyon sokat a témában, hogy máskor ne kerülj ilyen helyzetbe.
Csak az a baj hogy ez a műszer igazából nem is az enyém... hol és mennyiért tudnák ilyet venni?
![]()
Ha a Google-n rákeresel (
![]() Két linket azért néztem neked: Egyik a gyártó, a másik pedig műszerjavítással is foglalkozik. (Ha nem a tied, akkor szerintem először beszéld meg a tulajjal, hogy mit akar. Lehet, hogy nem ragaszkodik a konkrét típushoz. Ha pedig úgyis venne jobb műszert, akkor talán valami különbözettel is beéri)
Ezért csúnyán harapnak a moderátorok, és joggal. Egy szakadt smiley-nál többel is megtisztelhetnéd az ittenieket.. Ráadásul ha nem válaszolnak azonnal, nem kell óránként betenni egy hozzászólást, hogy lássuk hogy írt valaki a topikba - erre való az ún. Figyelő.
Egyébként meg Rascalt annyival egészíteném ki, hogy az Árwillnál lehet kapni ilyen műszert. Mivel Metex, ezért feltételezem, hogy nem lesz olcsó. Innentől Google a barátod.
Idézet: Ezt egyből sejtettem, már az első kérdésednél. Gondolom, nem vigasztal, de anno' az első ismerkedésem a multiméterrel nekem is rosszul végződött, de legalább volt annyi eszem, hogy szét sem szedtem, mivel a tudásom nulla volt a javításához. Szépen visszacsomagoltam a gyári dobozába, és eltettem későbbre. Még most is ott pihen a komód alján, idő hiányában. Jó lesz az még, ha a másik Metexem végelgyengülésben elhalálozik.„ez a műszer igazából nem is az enyém...” Remélem, értesz a szóból, és Te is összerakod, nem okozol szándékosan még nagyobb kárt benne! Azt tanácsolom, böcsülettel valld be a tulajdonosnak, miket műveltél vele. Részletesen, az elejétől a végéig. Ebben az esetben hagyd meg neki a döntési jogot, hogyan kártalanítsd. Ha ez derogál, Vegyél Neki helyette egy azonos típusú, esetleg nagyobb tudású, szintén Metex műszert. Bárhogyan is döntesz, a legfontosabb mindkét esetben a felelősség vállalása és az anyagi helytállás. Az időt meg nem érdemes húznod, hiszen kis hazánkban a Metex forgalmazása megszűnt, némely szegényes elfekvő készletekből lehet csupán válogatni. Ha igaz, hogy az Árvillnél még beszerezhető, késedelem nélkül rohanj megvenni! Magadnak meg szerezz be tanulás céljából egy egyszerű digit multit, azért nem lesz kár. Ne felejtsd el szegény beteg műszerből az elemet kivenni, mert a későbbiekben az is tudna szép kis roncsolást rendezni a gépben. ![]()
meggggaaaakkaaarooomm ccccssssiiiinnnnáálllnnniiii
![]() ![]() ![]()
Szisztok! Lakatfogóm megadta magát(leszívja az elemet, nem jelez ki) egyébként kár érte, mert szép darab.Neve DM-6055c. Doksi kellene-eddig nem találtam.Kösz a segítség!
Basssssszzzzus lefaqgyott gyott ott tt aaaa topik
![]()
A fórumszabályzat VIII. pontját ajánlanám figyelmedbe!
Egyébként pedig feltételezem, hogy a kérdés feltevésekor nem csak én néztem utána a problémádnak, de te most komolyan azt várod, hogy mindenki beírja neked: "én nem tudom a választ" ?
Először is kössz mkinek aki utánanézett a témámnak.
![]() A műszert szétszedve szerencsére diszkrét alkatrészek és alap IC-ből áll-így van esélyem doksi nélkül is a jav.-ra.(csak idő) VIII.fejezet.........bevallom, ez kimaradt az életemből.
Szia!
Idézet: „VIII.fejezet.........bevallom, ez kimaradt az életemből.” Sebaj - épp ezért hívtam fel rá a figyelmed ![]() Remélem sikerül megjavítanod - viszont szervízdoksira szerintem nem sok esélyed van..én legalábbis nem találtam sehol sem ilyesmit a neten, pedig a szándék megvolt.. Mindenesetre ha tényleg 'mezei' alkatrészekből van, akkor jó eséllyel meg lehet műteni - sok sikert hozzá!
Sziasztok !
Ismerősömnek van egy Mastech 830-as multimétere. Állítólag kicsit "megázott"..és azóta nem működik. A hibajelenség az hogy bekapcsol rendesen, csak bármely állásban és üzemmódban - egyen és váltófeszültséget próbáltam - túlcsordulást jelez. Mi lehet a hiba ? Kuka ? A panelon nincs látható jele a beázásnak. Köszi előre is !
Lehet hogy a kapcsoló nem száradt ki. Ha lehet szét kell szedni és kiszárítani.
Az amit az első képen látsz - a kör alakú fólia labirintus - az maga a kapcsoló. Az az összekötő érintkezők a burkolatban látható kapcsolóban vannak. Az látszólag rendben van. Alkohollal megtisztítottam.
hy!
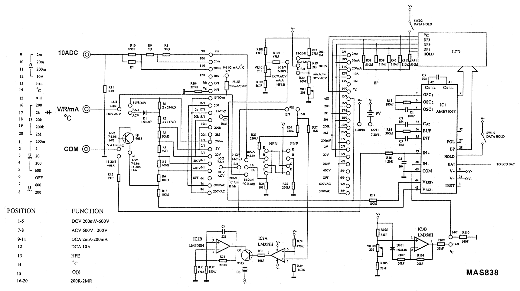
Van egy MA838 típusú műszerem, amivel villanypásztort mértem.Az inverteres pásztor egyenirányított feszültségét, ami kb 200V.Valószínű, hogy a nagyfesz tette tönkre, bár nem azt mértem.Talán valahogy áthúzott a nagyfesz(20000V), vagy a trafón keresztül jött vissza. Na mindegy mostmár.Van hozzá kapcsolási rajzom, ami szerint végigmértem az ellenállásokat, 3 db-ot ki is cseréltem.Nem lett jó. Van benne egy LM358 IC, azt is cseréltem, így sem jó, vagyis most mér, csak 230V helyett 106V-ot, 6,2kOhm helyett 20kohmot.Kérdésem, hogy a kondik vagy a potméterek tönkremehetnek (valószínűleg) nagyfeszültségű impulzusoktól?Esetleg a fő IC-nek lehet baja? hegusp
hy!
Megmértem az összes potit, 3db, meg az összes kondit, 6db, mind jó.Van még 2 dióda, és egy tranyó.Ezek is jók,ha elég nyitófeszt mérni a tranyón.Itt a rajza, ha segít valakinek.Az IC2 és környezete nincs benne a műszerben, csak a zümmer. Tudom, hogy nem egy nagy összeg egy ilyen műszer, de van egy másik is ,9205B, ami így járt,ahhoz meg nincs rajzom sem. hegusp |
Bejelentkezés
Hirdetés |