Fórum témák

» Több friss téma
Fórum » Elektronikában kezdők kérdései
- Ez a felület kizárólag, az elektronikában kezdők kérdéseinek van fenntartva és nem elfelejtve, hogy hobbielektronika a fórumunk!
- Ami tehát azt jelenti, hogy a nagymama bevásárlását nem itt beszéljük meg, ill. ez nem üzenőfal!
- Kerülendő az olyan kérdés, amit egy másik meglévő (több mint 17000 van), témában kellene kitárgyalni!
- És végül büntetés terhe mellett kerülendő az MSN és egyéb szleng, a magyar helyesírás mellőzése, beleértve a mondateleji nagybetűket is!
Lapozás: OK   834 / 4059
(#) proli007 válasza SKY hozzászólására (») Ápr 7, 2010 /
 
Hello!
- A számlálónak 10 kimenete van. a 9. után, újból a 0 lesz aktív. Tehát ha egy kimenetet nézünk, akkor a jel/szünet aránya is ilyen lesz.
- Szerintem Te frekimérőt (vagy fordulatmérőt) akarsz építeni. A 4511-nek van egy LE bemenete és ez a belső tárolóját vezérli. Ha ennek állapota alacsony, akkor a "átlátszik" a tároló, azaz pörög a számláláskor. Ha az állapota magas, akkor megőrzi (kijelzi) az utolsó állapotot.
Tehát törlöd a számlálót, és az LE lábat magas szinten tartod. Amikor kész a számlálás, az LE lábat egy pillanatra alacsony szintre húzod. Ekkor bemásolja a számláló állapotát. Majd újra törölheted a számlálót. A következő LE impulzusig, az utolsó számjegyet látod és nem pörög.

De láttam már itt valahol ilyen fordulatmérőt, ahol pont egy 4017-et használtak ennek vezérlésére. Csak elő kell keresni.. (ha erről lenne szó)
üdv! proli007
(#) gabi20 válasza proli007 hozzászólására (») Ápr 7, 2010 /
 
A 4017 - nek van olyan kivezetése ahol 10 szer van leosztva az órajel és 50% a duty cycle. Ez a 12. láb
(#) proli007 válasza gabi20 hozzászólására (») Ápr 7, 2010 /
 
Hello!
Igazad van, rosszul emlékeztem..
üdv! proli007
(#) SKY válasza proli007 hozzászólására (») Ápr 7, 2010 /
 
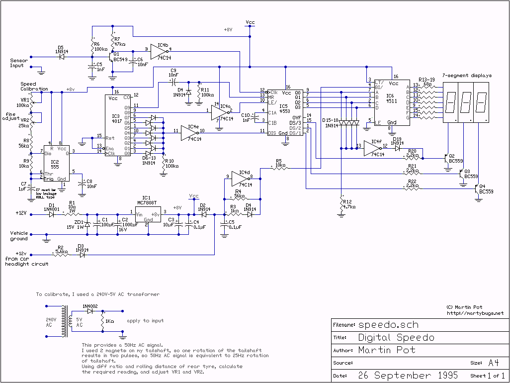
Igen, sebességmérő lesz, a frekvencia alapján, a LE lábak össze lehet kötni a resettel, vagy mindenképp késleltetni kell a jelet? A késleltetésnek elég annyi idő, mint pl. 1-2 inverter sorosan kötve? Én úgy gondoltam, hogy lenne a jel és a tízszeresen leosztott frekvenciája az egyesek és tizesek kijelzéséhez, és egy referencia jel, ami resetel, viszont én a resetelést a 4518-asban gondoltam, de akkor az had fusson folyamatosan, és a resetelés a 4511-esben történjen? Így egyszerűbb multiplexálni a két kijelzőt, vagy maradjon a resetelés is a4518-asban és akkor független frekvenciával, lehetne kapcsolgatni a két kijelzőt?
(#) Johnny1030 hozzászólása Ápr 7, 2010 /
 
Sziasztok!
Újvagyok a fórumba, így a gyermeteg kérdésért előre is bocsi. Egy olyan "szabályzó" áramkört keresek, amivel halogén izzó fényerejét tudom szabályozni. A dolog szépséghibálya, hogy 24V-ra kellene. és kb 4-4,5A kellene tudnia. Az, hogy a bemenet trafóról, vagy akkumlátorról van, gyakorlatilag mind egy, az a része megy.
(#) kadarist válasza Johnny1030 hozzászólására (») Ápr 7, 2010 /
 
Szia!
Egy impulzusszélesség-modulációt használó kapcsolással (PWM) jó hatásfokú fényerőszabályzást lehet elérni.
Egy példa: Bővebben: Link. A motor helyére izzót is lehet kötni.
PWM-es topic, sok ötlettel: Bővebben: Link
(#) jdani hozzászólása Ápr 8, 2010 /
 
Helló. Azt szeretném kérdezni, hogy 555ös ic kapcsolást hogy hogyan lehetne megoldani hogy egyenesen 230ra menjen. Az ic egy 12V relet kapcsolna tehat az ic is 12ot kapna. Én ugytudom hogy oda elé valami kondenzátor kell. Tudnatok segiteni?
(#) jdani hozzászólása Ápr 8, 2010 /
 
Helló. Azt szeretném kérdezni, hogy 555ös ic kapcsolást hogy hogyan lehetne megoldani hogy egyenesen 230ra menjen. Az ic egy 12V relet kapcsolna tehat az ic is 12ot kapna. Én ugytudom hogy oda elé valami kondenzátor kell. Tudnatok segiteni?
(#) moltam válasza jdani hozzászólására (») Ápr 8, 2010 /
 
Egy kis nyáktrafóval szerintem biztonságosabb megoldani, de így is meglehet.Max. 20mA
(#) nagy_david1 válasza jdani hozzászólására (») Ápr 8, 2010 /
 
Szia!
Ez a te topikod ha nem transzformátorral akarod megoldani És ha jól emlékszem van még egy téma ami ilyen problémáról szól. Persze én is azért egy kis paneltrafót ajánlanék inkább (1VA-s paneltrafó elég parányi)
(#) nurbsuga hozzászólása Ápr 8, 2010 /
 
Sziasztok!

Tranzisztorral kapcsolatban lenne elméleti kérdésem a nagytudásúakhoz.

Egy tankönyvben így áll:
Egy közös emitterű kapcsolás karakterisztikájáról lenne szó. Ube függvenyeben ábrázolják Ib-t. (bazis-emitter fesz. az x, bazis aram az y tengelyen).
Uce (kollektor-emitter fesz.)-vel parameterezik a görbéket. (minél nagyobb Uce, annal inkébb jobbra tolódik a gorbe) Uce ugyanis visszahat a bemenetre.

Kérdésem pedig az, hogy mi módon hat vissza a bemenetre Uce. A tranyónal ugyanis elmeletben két diódára bontom a szerkezetet, es a bazis-emitter es a bázis-kollektor "diódákra" teszek megállapításokat. Nyitó ill. záró fesz. áramok, stb.

Ha jól gondolom Ube és Ucb nyilván meghatározza Uce-t. (konkrétan Uce=Ube+Ucb). Ucb (ami záróirányban van előfeszítve) visszahat Ib-re, hiszen kis záróirányú áram folyik, és ez módosítja Ib-t. De ha így közvetlenül Ucb befolyásolja Ib-t, akkor miert Uce-vel parameterezik az Ube-Ib függvényt?

Miért tolodik jobbra a görbe nagyobb Uce paramétereknél?

Köszi!
(#) tormak hozzászólása Ápr 8, 2010 /
 
hali
egy napelemes kerti lámpából hogyan tudnék fénykapcsolót építeni
előre is köszi a válaszokat
(#) kendre256 válasza nurbsuga hozzászólására (») Ápr 8, 2010 /
 
"A tranyónal ugyanis elmeletben két diódára bontom a szerkezetet, es a bazis-emitter es a bázis-kollektor "diódákra" teszek megállapításokat. Nyitó ill. záró fesz. áramok, stb."
Nem helyes két diódára bontani a tranzisztort, mert nem egyszerűen csak két dióda! A tranzisztor attól tranzisztor, hogy a bázisrétege vékony, és emiatt a két P-N átmenet közel van egymáshoz. Ha ez nem így lenne, nem is tudna tranzisztorként működni. A kis távolságok miatt hat egymásra a két átmenet. Az Uce növelése (és ezzel az Ucb növelése) növeli a C-B átmenet kiürített rétegét például, ami csökkenti a töltéshordozók számát a B-E átmenetben is a kis távolság miatt. Ez befolyásolja a B-E átmeneten folyó áramot is.
(Ezeket "első felindulásban" írtam, utána kellene nézni pontosan.)
Szerintem azért paraméterezik Uce-vel a karakterisztikát, mert az Uce tipikusan kimeneti jellemző, míg az Ucb nem az. Ezzel a visszahatásra lehet következtetni, bár a klasszikus visszahatás paraméter zéró bemeneti áram mellett kell számolni.
(#) Action2K válasza tormak hozzászólására (») Ápr 8, 2010 /
 
Úgy érted, hogy alkonykapcsolót? Igazábol van benne egy kis fényérzékelő, ami kibontható belőle, meg esetleg egy tranyó is. Vagy a Napcelláját használod fényérzékelőnek. Mindezek mellett, kell egy relé is, ami kapcsolja a nagyobb izzókat.
De ezért a filléres alkatrészekért kár szétbelezni egy működőt.
(#) moltam válasza tormak hozzászólására (») Ápr 8, 2010 /
 
A napelemet rákötöd egy optóra és az optó tranzisztorával kapcsolsz egy olyan tranzisztort, ami képes egy relé áramát elviselni. A relével ezután akár 230V ot is kapcsolhatsz.
(#) proli007 válasza SKY hozzászólására (») Ápr 8, 2010 /
 
Hello!
Így nem lehet elképzelni, hogy mit is szeretnél csinálni. De szerintem rossz úton jársz.
- A sebesség (vagy frekvencia) egy időegység alatt beérkezett impulzusszám. Tehát kell egy időalap ami a mérés idejét adja. A számlálót nullázni kell, és egyben elindítani az időalapot (vagy fordítva). Amikor az idő letelt, a számláló tartamát át kell másolni a kijelzőre és újra indítani a mérést (persze a számlálót törölni).
- Ha multiplexer vezérlést készítesz, akkor már érdemesebb olyan IC-t alkalmazni amit erre készítettek. (vagy az egész kóceráj helyett mikroprocit).
De megtaláltam a rajzot, hogy lásd miről van szó. (A frekvencia-sebesség-fordulat között csak annyi a különbség, hogy a kijelezendő számoktól és a jeladóról beérkező impulzusszám szerint kell a időalapot megválasztani.)
üdv! proli007
(#) B.I hozzászólása Ápr 8, 2010 /
 
Sziasztok.
Azt szeretném megkérdezni, hogy a modell helikopterekben lévő elektromotor mitől olyan erős? A mágnes nagyon erős vagy valami más?
(#) proli007 válasza nagy_david1 hozzászólására (») Ápr 8, 2010 /
 
Hello!
Ha jól látom, nem válaszoltak..
Természetesen a TL431-et lehet használni zéner helyett. Mert tulajdonképpen ez egy szabályozható zéner, pontosabban shunt stabilizátor (de a zénert is általában ennek használják). A "zéner" könyökfeszültségét egy feszültség osztóval lehet beállítani.
Viszont ami eltérő lehet, hogy ez egy IC, aminek szüksége van, a működéséhez áramra. Tehát kb. 1mA-ert, mindenképpen felvesz katód-anód között. Hiszen ebből lesz a belső 2,5V-os referencia feszültsége.
De miért nem nézed meg az adatlapját. Ott minden le van írva, és alapkapcsolások is, működési magyarázattal. Vagy jobb lett volna, ha konkrét alkalmazási példát teszed fel kérdésként.. (ez a "engedjen át" elég bénán hangzik)
üdv! proli007
(#) nagy_david1 válasza proli007 hozzászólására (») Ápr 8, 2010 /
 
Szia!
Nagyon örülök, hogy észrevetted a kérdésem. Konkrét kérdésként akartam feltenni, de ezek szerint nem úgy jött össze, na de sebaj. Mellékelem a rajzot, és úgy kéne funkcionálnia a tl431-nek is mint a zenernek, de nem vagyok biztos abban, hogy most a referencia feszültséget a táp, közös, kijövet vagy mihez viszonyítva állítsam. Köszönöm.

tl431.jpg
    
(#) proli007 válasza nagy_david1 hozzászólására (») Ápr 8, 2010 /
 
Hello!
A Gate és anód közötti feszültséget hasonlítja össze, a belső referenciával. Így ha a Gate-et egyből a katódra kötöd, akkor a katód-anód között 2,5V lesz. Ha leosztva kötöd a katódra, akkor az osztás arányában nő. (pld. 1:1 arányú ellenállás esetén, 5V lesz)
De elolvasnád végre az adatlapot?
üdv! proli007
(#) zenetom hozzászólása Ápr 8, 2010 /
 
Hali!
Ha tegyük fel egyforma feszültségű és kapacitású kondikat (elko) párhuzamba kapcsolok, akkor a maximális fesz amit rájuk kapcsolhatok ugyanannyi lesz mint 1 db kondinak?
(#) moltam válasza zenetom hozzászólására (») Ápr 8, 2010 /
 
Ha egyforma feszültségű a két kondi akkor igen. Ha különböző akkor a kisebb feszültségű kondi feszültségére lehet feltölteni a kondikat.
(#) nurbsuga válasza kendre256 hozzászólására (») Ápr 8, 2010 /
 
Koszi a valaszt!

"Szerintem azért paraméterezik Uce-vel a karakterisztikát, mert az Uce tipikusan kimeneti jellemző, míg az Ucb nem az. "

Ez ertheto, koszi.

A dupla diodas egyszerusites persze csak bizonyos szempontbol jatszik.
Kiegesziteskent annyit, (hatha en is mondhatok v.mi okosat), hogy a bazis nem csupan vekony, hanem igen gyengen szennyezett is. Egyebkent a bazis szelessege kisebb, mint a diffuzios hossz, a rekombinacio minimalizalasa erdekeben.
Megegyszer: Kosz.
(#) zenetom válasza moltam hozzászólására (») Ápr 8, 2010 /
 
Köszi.
(#) nagy_david1 válasza proli007 hozzászólására (») Ápr 8, 2010 /
 
Hello!
Az adatlapban olyan tesztkapcsolást nem találtam ami az én kérdésemre adna választ, de ezt leszámítva amit írtál megértettem. Köszönöm.
(#) kadarist válasza nagy_david1 hozzászólására (») Ápr 8, 2010 /
 
Szia!
Nézd meg a 18. ábrán látható söntszabályzót. A feszültség az ellenállásosztóval állítható.
Bővebben: Link
(#) SKY hozzászólása Ápr 8, 2010 /
 
Maximum mekkora frekvencián használható teljesítményátvitelre egy kimenőtrafó? (magas szilicium ötvözetű vas, ha jól gondolom, ezek hangfrekit vittek át)
(#) nagy_david1 válasza kadarist hozzászólására (») Ápr 8, 2010 /
 
Szia!
Ezt jól tudom, de nekem a kérdésem nem ez volt. Láttad a kapcsolási rajzot amit fennebb proli007-nek rajzoltam? Nekem most nem az lenne a lényeg, hogy egy adott feszültségszintet tartson hanem az, hogy egy adott feszültség szint felett engedjen át.
(#) kadarist válasza nagy_david1 hozzászólására (») Ápr 8, 2010 /
 
Talán így jó lesz.
(#) Macsek71 hozzászólása Ápr 8, 2010 /
 
Hello !

Van egy ezeréves orosz "csodám" ami két tekercs segítségével kapcsolgat két, párhuzamos váltókapcsolót . (jelfogó ?) Ezzel szeretnék olyasmi kapcsolót kialakítani, mint a régi wartburgok fényváltója volt- meghúzod a kapcsolót refi, meghúzod tompitott...

Működhet, ha egy feltöltött kondival válttatom a relét, közben a kapcsolója átvált a másik tekercsre ?

köszi M
Következő: »»   834 / 4059
Bejelentkezés

Belépés

Hirdetés
XDT.hu
Az oldalon sütiket használunk a helyes működéshez. Bővebb információt az adatvédelmi szabályzatban olvashatsz. Megértettem