Fórum témák
» Több friss téma |
Mielőtt kérdezel, a következő két dolgot ellenőrizd!
I. A helyes tápfeszültségek megléte.
II. A kimeneten van-e egyenfeszültség.
Élesztés.
Én pl. azért nem építettem meg (még) mert nem elég egyértelmű nekem ez az egész. Az elején még csak 2 ic és 4 ellenállás volt benne, most meg még hozzárajzolsz mindenfélét, plusz még ahhoz is még hozzámondasz mindenfélét. Ezt így szerintem nem sokan értik meg, pl. én sem. Akkor most az eredeti hip-hop vég jó vagy nem ?
Erre gondolok Idézet: „személy szerint a hangminőség az ami nem jött be” Pedig gyönyörű munka. (Elnézve a munkáidat te inkább profinak tűnsz,mint hobbistának.)Lehet ki kéne próbálnod MJ-vel (mert a kapcsi rajzon az van) és úgy meghallgatni.
Már kiprobálni nem tudom mert ez az egy erősítő amitől megváltam , nem volt szivem szétszedni ezért még akkor más gazdára talált ! Lehet más tranzisztor más hang de ha a 2N3055 - el nem tetszett akkor szerintem mással sem tetszet volna ?
Idézet: Hát pedig csak egy mezei amatőr lennék , semmi más igaz már a kőkorszakban is erősítőt épitettem !„inkább profinak tűnsz,mint hobbistának” ![]() köbzoli: Bővebben: Link
Inkább akkor én is "hapro" Szörny-ét építem majd meg vagy ezt.
Ez gyakorlatilag ugyan az amit én is elkövettem csak ez egy áramgenerátoros .
Igen az.Gondoltam akkor a hangzás is más lehet.Lehet ez tetszetősebb.
Idézet: Nem lessz más a hangzás ! Akkor kiprobáltam ,az én példányomból ki iktatam a második áramgenerátort és a hangzás szinte semmit nem változott ,ez lejátszott történet sajnos . „.Gondoltam akkor a hangzás”
Akkor sajna maradnak még a fiókba a jó kis Tungsram tranyák.Elszórakozom Hapro Hiragájával.
Üdv!
Hogy lehetne összehozni egy végfokot egy BD249 És egy BD250 végtranzisztorokkal? Úgy hogy a bemenetére egy 5Wos erősítő kimenetét kötöm és azt erősítse tovább.
Akkor már miért nem egyből a megépítendő amp.-ra adod annak az 5w-os erősítőnek a bemenő jelét
Azt is lehetne de az 5 wattos már készvan (igaz még nem volt kipróbálva). Egyébként mindedj hova rakoma bemenő jelet csak az erősítő rajza érdekel.
Idézet: „a bemenetére egy 5Wos erősítő kimenetét kötöm és azt erősítse tovább.” Csak azért mondtam mert ebből nem sok jó sül ki (de szó szerint).
Sziasztok szakik !
Szerintetek érdemes ezt az erősítőt megépíteni? Lehet haszálni hangosítás céljára?
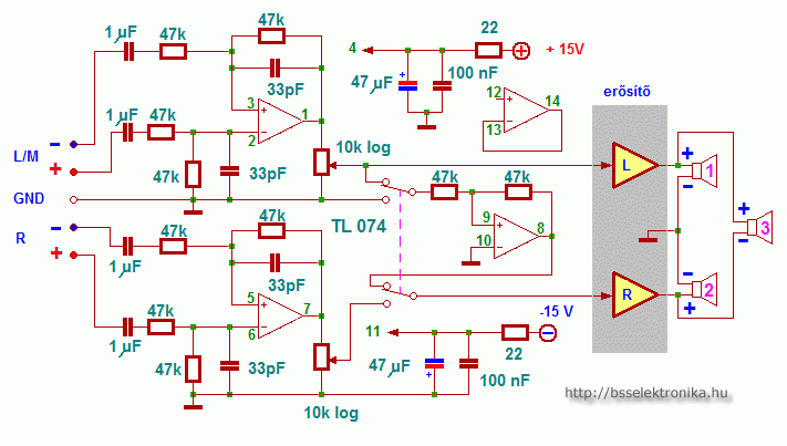
Szia! Mint láthatod, az eredeti hip-hop, az a TEXAS által közölt elvi kapcsolás 1977-ből azt hiszem. Többek között azért elvi, mert ideális feszültséggenerátort tartalmaz a bemeneten és ideális IC-re vonatkozik.
Az én rajzomon a realizált megépített kikísérletezett megvalósítás látható, ami simán potméterről is járatható, hiszen az illesztéseket külön IC-k végzik. Ettől még az elmélete teljesen ugyanaz, és a gyakorlatban elképesztően másképpen szól, mint a sima TDA-s kapcsolás. Szerintem, sokkal-sokkal jobb, dehát tudod, lehet hogy másnak éppen ez lesz a rosszabb.
Na összedobtam próbapanelon először is a sztereo változatot. Hát kicsit elszomorodtam, mert a 4bontott IC-böl csak 1működik.
Aztán a működő IC-t kipróbáltam hidalt változatban fázisfordító nélkül, de úgy nem volt jó a hang, szóval biztos kell neki. Más. Mivel csak 1db IC jó, ezért az lesz a méllyé, és a sztereonak találtam itthon egy TDA8946-ot. Adatlap mellékelve. Na most a problémám/kérdésem a következő. Az lm icknek megvan a tápja ami egy 22V váltóáramú toroid, ami ha jól számolom kb 29VDC-t fog egyenirányítva leadni. A TDA adatlapja Vcc max-ra 25V-ot ír. Egy ilyen IC elbírná szerinted/szerintetek a 29V-ot vajon, vagy ne próbálkozzak? (gondoltam még arra hogy 3diódát sorosan berakok de nem is tudom....)
Jobbnál jobb IC-ket találsz.
Szerintem ne menj 25V fölé semmiképpen.Járasd inkább 18V-ról így még kb:10W teljesítményen élvezhető lesz a hangja. Ennél az IC-nél nem érdemes ilyennel próbálkozni mert gyorsan tönkremegy és hamar elkezd már torzítani. THD = 10%; RL = 8Ohm; VCC = 18 V 13 -15 W
Hozott anyagbol dolgozok.
Értem. Akkor még gondolkozok, hogy és mivel fogom megoldani. Köszi a segítséget.
Használj LT1083-as stab-IC-t és a brumm elnyomásnak köszönhetően, csak 1000µF is elég lesz tápszűrésnek, és így be tudod állítani a tápot bármilyen IC-hez 10A-ig.
Vagy ha elég 3A akkor LM350T 1,25V-tól 35V-ig szabályozható, a "brumm" elnyomás 86 dB (!)
Sziasztok!
Végfokot szeretnék építeni. Ami adott: 1200VA-es toroid, ami egyenirányítás után +/-50V-ot ad le, illetve a hangfalak, amiket hajtani szeretnék vele 220W RMS/8 ohm. Olyan kapcsolás érdekelne, amiről tudjátok hogy megépült, és jól is működik. Igazából a tápfesz szabja a határt a teljesítménynek és +-50V-ból olyan nagy teljesítményt nem lehet kihúzni, úgyhogy akár hídkapcsolású erősítő is jöhet. A hangfalak jól bírják, egyszer egy egész éjszakát mentek 200W RMS teljesítményen és semmi bajuk nem volt, szóval a 220W rms-t tényleg tudják! Előre is köszi mindenkinek a segítséget!
Hali!
Az a trafó lazán jólenne akár 6 csatorna Quad 405-höz is, vagy valami hasonlóhoz. A +/-50V -os táppal pedig jócskán 300W fölé lehetne menni hídkapcsolással. Afelől sajnos nincs tapasztalatom, hogy milyen eredménnyel lehet a Quad-ot hídban használni, de érdemes lenne kipróbálni, pl egy invertáló kapcsolással az elején. :yes:
Hello!
A trafó az tényleg bírná simán, és az is igaz, hogy a quad az bevált kapcsolás, de a hídkapcsolást csak az utolsó megoldásként szeretném használni, bár valószínű nem tudom elkerülni. Attól félek hogy hídba baromi nagy lesz a torzítás... Egyébként csatolok, egy kapcsolást amivel elvileg hídba lehet kapcsolni a végfokokat. Ja és amit elfelejtettem leírni, hogy minél kevesebb alkatrészből lenne jó építeni...
Mért nőne meg a torzítás ha hídba kapcsolsz két végfokot?
Azért ennél egyszerűbb kapcsolással is meg lehet oldani a dolgot. Jó táppal és jól beállított szimmetriával nem lesz nagy a torzítás. Valami izmos végtranyóból lenne érdemes Quad-hidat csinálni. Nem BD 249C-ből, hanem inább MJL 21194-ből. Jócskán dupla ára van, de az asztán bírná :yes: Itt van egyszerűbb "híd-adapter".
Heló
Én egy hídba kapcsolt 200W-os Quad405-öt csináltam. Semmit nem módosítottam az eredeti rajzon, elég sok bulit végigvitt. Egy egyszerű fázisfordító van az egyik előtt, nem kell ilyen bonyolult kapcsolásra gondolni, sima műveleti erősítő invertálóként bekötve. +-55V-ról jár, igaz, hogy szub erősítő, de semmivel sem zajosabb, mint nem hídban. Hűtésen nem szabad spórolni. És semmiképp se az olcsó MJ15003-at vedd, mert az nem bírja. Én a helyedben mégis mást építenék, pontosan ezt: Link Kicsit drágábban jössz ki a több végtranzisztor miatt, de sokkal strapabíróbb is. Ebből kettőt megépítesz, hidalod, és lesz kb 350W-os erősítőd. Neked kell döntened, hogy mennyit áldozol rá. Mindkettő megoldás kipróbált, biztosan működnek.
Hali!
Én is nézegettem már ezt a kapcsolást, csak ugye +-60V van megadva tápfesznek. Igazából nem akarok vagyonokat költeni rá, de szeretnék olyat építeni, ami nem megy tönkre 2 éjszaka után, mert volt ilyen is! BD249/BD250-es végtranyókkal építettem végfokot és 2 éjszaka után tönkrementek a végtranyók. Mondjuk az is igaz, hogy a 2 végfokpanel alkatrészköltsége összesen 6000Ft volt. Visszatérve a kapcsolásra, amit mondál... Szóval szerinted bírja a hídkapcsolást? Mert annyit tudok, hogy a hidalható végfokokban a végtranyók jóval túl vannak méretezve, mint ami a stereo módhoz kell (értehető módón).
Hídban a torzítás kisebb általában, mert a tápfeszek terhelése szimmetrikus, és ezért a tápvezeték által szórt térerősségből a páros harmónikusok hiányoznak.
Szerény véleményem szerint minden kapcsolás jobban szólt hídban, amit eddig próbáltam.
Szerintem bírná a hidalást, de abban az esetben már nem nagyon kéne +/-60V-ot adni neki, bőven elég lenne +/-45-50 is.
Miért nem építesz két ST151-et és kötöd hídba igaz az ekkora tápfeszen 400watt lenne 8ohmon.
Én a helyedben hídüzemben a Quadot elfelejteném.
Na most jöttem meg a suliból. Gyorsan körbenéztem a kapcsolásaim között... Mit szólnátok ehhez?
|
Bejelentkezés
Hirdetés |




(Elnézve a munkáidat te inkább profinak tűnsz,mint hobbistának.)

Aztán a működő IC-t kipróbáltam hidalt változatban fázisfordító nélkül, de úgy nem volt jó a hang, szóval biztos kell neki.







