Fórum témák
» Több friss téma |
Fórum » Csöves erősítő készítése
Ne feledd betartani a fórum viselkedési szabályait, és a topik megmaradásának feltételeit. [link]
A téma átmenetileg fagyasztva lett, hozzászólni nem tudsz!
Hát hogyne. Szertnék 6 csatornányi egyszerű meghajtófokozatot a DSP-m és a végfokaim közé.
(Aktív váltású multiamplifikált sztereo 3 utas rendszer) Három dolog a fő cél: - erősítsen valamennyit, de ne túl sokat - egy triódás legyen csatornánként - kicsit "melegítsen" a hangon.
Üdv!
Szkópod nincs? Az segítene, van-e gerjedés? A tápfeszűltség szűrő elektrolit kondenzátora mellé tettél 100 nF-os kondenzátort?
Köszi!
Ez visszacsatolt? Azért tud ennyi lenni az erősítés?
Nem akartam senki lelkivilágába gyalogolni, de:
1. A JJ csövekről mindenki azt mond amit akar. 2. A legegyszerűbb egy iker triódát használni végcsövek meghajtásnak, csak más az elvárás az első és a második csővel szemben. Én pl első, feszültségerősítőnek ECC83-at tennék, a második,katodin fokozatba ECC82-t vagy E88CC-t, vagy még erősebb csövet, de két EL84-hez fentiek elegendők. 3. Nem véletlenül gyártja a JJ (nem J-J) az ECC832-őt, ami egy tokban egy 82 és 83-as cső. 4. Amúgy a régi RFT cső jobb, és olcsóbb is. Cső
Ekkora tápfesz mellet (200 V) jobb választás az ECC88.
Amúgy a katód kondi hiánya miatt az átblokkolatlan katódellenállás miatt van helyi, fokozaton belüli visszacsatolás. MAGÁNVÉLEMÉNYEM szerint inkább ez a jobb megoldás, mint 1-2 dB erősítéstöbblet miatt kiadni egy vagyont katódkondira, meg évekig tesztelni a nüanszokat..
Igazából nekem már 3-4 szeres erősítés is elég. Nem rontanám a linearitást katódkondival....
Egyébként mi a véleményetek az SRPP-ről mint vonalerősítőről? Én építettem már E88CC-ől és hát tetszik, csak két trióda (csőfél) kell hozzá.
Jó, de van 2 hibája:
1. Kétszeres csövet igényel, amit kisebb jelszinten 1 csőfél is simán tud. 2. Nagy jelszintnél majdnem tökéletes, de a lezáró impedanciára érzékeny, és pont nem a legjobb lezárással használják. Holnap tudok mellékelni egy igen tanulságos diagrammot.
A VT rádiók egy részében "visszaköszön" egy rugós spirál, ami a csövet teljesen leárnyékolja. Arra is figyelni kell, hogy a két csőfelet elválasztó lemez a pentóda katódjára van kötve (nincs arra külön láb, hogy ezt testre lehetne kötni).
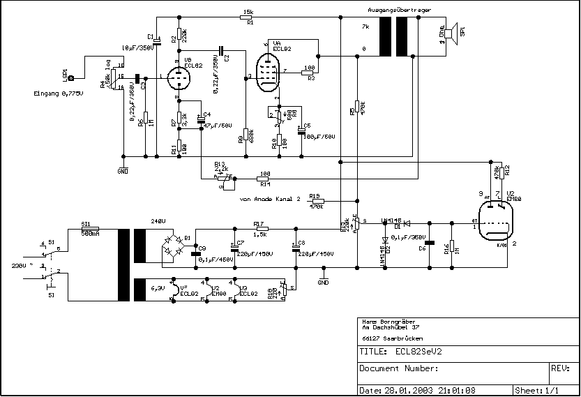
Sziasztok.Van-e valakinek eggy egyszerű kapcsolása EM 80-az csővel mint vu meter és hogyan tudnám beilleszteni az el 84-es se be .Rádióból szedtem ki a tápot amiben eredetileg is volt ez a cső szóval a tápnak birnia kellene és szerintem jól mutatna.
A hangolásjelző csövek szinte semmit sem fogyasztanak, ez nem okoz problémát.
Talán - ahogy a rajzon van:
Köszi.Első változat eggyszerűbb majd kipróbálom
Köszi. Nem rossz majd elbibölődöm vele sajnos kevés az időm megyek melózni.
Sziasztok!
Semmiképpen sem szeretnék itt elméletszagú szőrszálhasogatásokba belemenni, de az átblokkolatlan katódellenállással szemben lenne két ellenvéleményem: 1. A cső látszólagos belsőellenállását erősen megnöveli, ez már esetleg kis kapacitív terhelés esetén is magasveszteséget okozhat 2. A fűtés-katód átmeneten sajnos a hálózat felől fokozottabb lesz a zavarérzékenység Ez persze DC fűtéssel elvileg leküzdhető, bár a fűtőtáp rossz esetben újabb zavarok forrása lehet...Abban viszont teljesen egyetértek hgy kollégával, hogy a katódkondi rettentő kényes alkatrész... Üdv: 6C4C Ui: Nehéz megoldani, hogy egy csöves vonalerősítő, néhányszoros feszültségerősítés mellett még fázist se fordítson... Szerintem valami nagyáramú differenciálerősítős elrendezés lenne, ami viszonylag kevés kompromisszummal alkalmas lehetne a feladatra...
Igazad van, valószínűleg ezért volt brummos az ARC VT50 első csöve az egyenfűtés előtt, bármit is próbáltunk.
Szerintem 5687, E88CC, E182CC. Nagy árammal. A vonalszinthez meg 300 V tápfesz bőven elég. A csöves differenciál erősítő jó ötlet, de ne továbbb! (aktiv munkaellenálás, áramgenerátor, ne adj isten fojtó már csak ronthat...)
Közben megbékéltem a két triódás vonalerősítővel. Van is két Tungi ECC82-m. SRPP és hagyományos kétfokozatú közt tipródom.
![]() Pl egy nagyon szép hagyományos kétfokozatú!
DC-be csatolva kicsit kisebb a kivezérelhetőség, de vonalszintnél szerintem nem számít. - 1 kondi.
Ja! és az SRPP is kétfokozatú...
A fojtót nem csak az anódkörbe lehetne tenni... Jelen esetben oda ellenállásokat tennék...
A nagyáramú differősítő katódkörébe, áramgenerátor "helyett" viszont... :yes: Ráadásul lehetőség lenne szimmetrikus kimenet kialakítására is
Tényleg nagyon szép, de .....
Vitrinbe jól mutatna
Az RFT csöveket hol lehet beszerezni?
A J-J nem rossz, miattam lehet JJ is, nem helyesírás gyakorlat, ha javítani akarsz a fórumon van rá lehetőség, sokkal nagyobb hibákra sem reagáltak a többiek. Szerintem nem is ez a téma. A többivel egyetértek, de azt nem én kérdeztem , hanem dragon073.
Bocs.
RFT csöveket vagy az elektroncso.hu oldalon, vagy olcsóbban ha véletlenül valahol rábukkansz. Az Ebay sem feltétlenül drágább, mint a fenti forrás, csak a járulékos költségeket utólag vesszük észre. Amúgy a JJ szerintem sem rossz, de nem akarok lavinát indítani a különböző hívők között. Ha mág ráadásul tudnánk, hogy melyik csőgyártó, melyik másiknak, milyen licenc, és milyen felirattal gyártott oda-vissza csöveket...Sokan meglepődnének. És most nem a jelenlegi gyártókról beszélek, hanem régi márkanevekről.
Köszönöm!
Igen a mai világban sok a hamisítvány. Nekem azt a gyártmányt kell előnyben részesítenem, amelyik megfizethetőbb, de nem gagyi. Nehéz eligazodni. A félvezető gyártásban igen gyakoriak a hamis gyártásúak, vajon a csöveknél is ez a helyzet? (Az ár erre ösztönözhet.) Üdv!
Ha olcsót és jót akarsz akkor ott vannak az orosz csövek.
Én még nem találkoztam hamis csővel, mert már régóta a saját készletemet használom csak. De sajnos hallani már hallottam róla. Volt, aki a NOS csövek 80%-át hamisnak nevezte, szerintem ez azért túlzás
Az orosz csövek sem rosszak, de mint említettem, nem akarok lavinát indítani. De mondjuk az Ebay-on keress rá az E182CC-re. Kidob vagy 80 találalatot, De mindnek a címe az alábbi: 6N6=EEC99=E182CC eladó. Ez még a jobbik eset, mert legalább leírják, hogy mit árulnak valójában. Egyszerűen nem találtam eredeti NOS csövet, hogy a sajátom reális árát be tudjam lőni....
Kösz!
Az tényleg jó ár érték arányban van, abból is használok 3 db-ot. Nem rosszak!
Nyugodj meg, mert régebben 30-40éve is ment a kalózkodás
Anno ember hozta a RIM elektroniktól Münchenből a 6L6 GC-ét súlyosért, mert neki nem kellett a Szu. Mivel kiváncsi voltam mit hozott, elötte kihúztam a dobozból az ugyanolyan Szut mint amit kináltam Baromi szerencsém volt, mert az isten nem mosta volna le rólam, hogy eloptam a csöveit Van itt egy garnitura Fender Made in USA 6L6-os valahol. Ezüstel felirt halvány (Csak az üveggel lehet lecsiszolni ) USSR látszik ! Egy fényképet fel kellenne dobni,hogy a pótlolag felragasztott foglalat kiegészités látszodjon. Ha meglelem lehet, hogy felteszem
Azért olyan durva különbségek még nem voltak az akkori csöves piacon, mert sokkal többen értettek hozzá!!
Most meg kérdezzél egy tranzisztorról egy hozzáértőt... De (ez sem idevaló) azért vannak kiváló tranyók, és kapcsolások is. Csak hát valaki mutason két aktív elemmel működő jó hangú RIAA-t, vagy előfokot félvezetővel... |
Bejelentkezés
Hirdetés |



Ez persze DC fűtéssel elvileg leküzdhető, bár a fűtőtáp rossz esetben újabb zavarok forrása lehet...

