Fórum témák

» Több friss téma
Fórum » Inverter készítése
 
Témaindító: Tomy666, idő: Máj 24, 2006
Témakörök:
Lapozás: OK   14 / 63
(#) pimi9 válasza SKY hozzászólására (») Ápr 5, 2010 /
 
Idézet:
„A csatornaellenállástól a nyitás zárás sebességétől és a párhuzamos dióda trr idejétől.”
Meg még hatvannyolc más dologtól.

Visszatérve a menetekre:
Kezdjük ott, hogy zárt mágneskörű alkalmazásban fél menet nem létezik.
Toroidnál azt nevezzük 1 menetnek, ami egyszer megkerüli a mágneskört (magot). Ahoz hogy megkerülje át kell mennie a mag közepén, ebből értelemszerűen következik hogy ha átmegy, akkor 1 menet, ha nem megy át, akkor pedig nem számít menetnek.

Több mágneskört tartalmazó trafóknál, az az 1 menet, ami a fő oszlopot (EE, EI, ETD magok...) megkerüli egyszer.
Fél menetnek azt szokták nevezni, ami csak az egyik mágneskört kerüli meg egyszer.
Ezzel csak az a baj hogy teljesen máshogy viselkedik, mint ahogy elvárnánk.

T300-52D: Szép nagy porvas. Az a baj vele hogy nem teljesítmény átvitelre találták ki. Vegyél ferritet.

24V felett én már elfelejteném a push-pull elrendezést.
48V-ra már 55V-os fetekből raknák teljeshidat.

Mc___Elek: Vegyél egy 48V-os DC motort
(#) Mc__Elek válasza pimi9 hozzászólására (») Ápr 5, 2010 /
 
„Mc___Elek: Vegyél egy 48V-os DC motort „

Egyéb butaság?
Vagy te egy „laposelemből”, hivatalosan zsebtelepből szeretnél néhány Kw-ot „kicsalogatni?
A villanymotorral a hullámformára utaltam.
(#) ShadeW hozzászólása Ápr 5, 2010 /
 
Találtam a lomok között Ferroxcube EI35/24/10 magot 0,75mm körüli légréssel, csévetesttel. Ez alkalmas lenne kb 150W (rövid időre 240W 10sec.) átvitelére 12V tápról?
Cimo Boost convertert ajánlott de tartok tőle hogy ez nem lenne a leghatékonyabb. Én inkább 2-switch Flyback ,Forvard vagy Push-Pull ra gondoltam a kimentenek 220 és 440 DC közt állíthatőnak kellene lennie. A légrés nagyon problémás?
Esetleg ehhez maghoz és teljesítményhez tudtok jó hatásfokú topológiát ajánlani? Ha gobancos a légrés miatt akkor leköszörülöm.

Előre is köszi minden infót!
(#) mex válasza ShadeW hozzászólására (») Ápr 5, 2010 /
 
Flyback-hez elengedhetetlen a légrés.
(#) pimi9 válasza ShadeW hozzászólására (») Ápr 5, 2010 /
 
Csiszold fenőkövön víz alatt síkba a két szélső oszlopot. (0.75mm még nem vészes)

Bár, én 220-400V DC-re tápot két pc-táp trafóval építenék.
Primérnek a 2x5V-ot fognám be párhuzamosan kötve, szekundernek az eredeti priméreket sorba.
Az egészet magasabb frekin járatnám, hogy ne telítődjenek a magok.
(#) ShadeW válasza pimi9 hozzászólására (») Ápr 5, 2010 /
 
150-250 kHz-körölre gondoltam. Primer tekercshez van 0.1x16.5mm-es illetve 0.1*10mm-es szalagom ,hogy frankón megtudjam csinálni a tekercset a szekunderhez pedig tudok elég litze huzalt csinálni 0.1-es huzalból.
12v-os akksiról menne Bővebben
(#) pimi9 válasza ShadeW hozzászólására (») Ápr 5, 2010 /
 
Max 100kHz körül járasd. Bőven elég.
Szalagból primért érdekes lesz csinálni, bifilárisan kell őket tekerned.

A többit a TL494 adatlapjában megtalálod, meg keress vissza az autótápos topicban, hogyan van bekötve a vezérlése push-pull kapcsoláshoz.
Fetnek 2db IRF3205-t ajánlok.
Kimenetre SF28 graetz, némi fojtóval, snubberel, meg egy 100u-s 450V-os kondit.
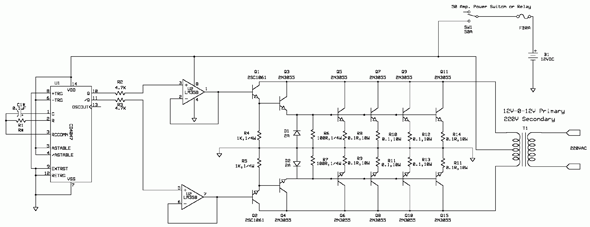
(#) jocki17 hozzászólása Ápr 9, 2010 /
 
Üdv!

Megépítettem az alábbi képen levő invertert.
De a cd 4047 oszcillátor része nagyon instabil 50 Hz-en, és ezért nem akar indulni! Nagyobb frekvencián könnyebben indulna?
Pl:. 150-200 Hz-en?

Üdv!
(#) otto54 válasza jocki17 hozzászólására (») Ápr 9, 2010 /
 
Szia!
Olyan felbontású képet tegyél fel,amelyiken az alkatrészek értéke is olvasható,mert akkor talán többen tudnak segíteni.
Üdv. Ottó
(#) jocki17 hozzászólása Ápr 9, 2010 /
 
Üdv! Így megfelel?
(#) otto54 válasza jocki17 hozzászólására (») Ápr 9, 2010 /
 
Igen,így már jobban látom!
Én a CD4047 (7)(14) láb közzé tennék be egy 100nF kerámia kondenzátort. Bár milyen hihetetlen sok esetben csodát tud művelni. Egy próbát megér!
(#) jocki17 válasza otto54 hozzászólására (») Ápr 9, 2010 /
 
Üdv!
Kössz!
Már próbáltam és 2-szer enymás után el is indult, működött frankón (100W izzóval) de utána semmi. Megnéztem a tranyókat de semmi bajuk. Próbáltam ic-t cserélni de csak annyit csinál a mássikkal (is) hogy kattanik egyet a tranzformátor.
Egyébként amíg nem tettem oda a 100nF-et addig is kattant egyet.
(#) otto54 válasza jocki17 hozzászólására (») Ápr 9, 2010 /
 
Az LM358 nem adta meg magát?
Szkóppal nézted a jeleket?
(#) jocki17 válasza otto54 hozzászólására (») Ápr 9, 2010 /
 
A cd4047-tel együtt cseréltem őket.
Nem néztem de eléggé felmelegedtek amikor 2 szer beindult. Ezért is cseréltem őket.
(#) Flashhun válasza gabo007 hozzászólására (») Ápr 12, 2010 /
 
gabo007!

PCB Tervet tudnál adni a kapcsolási rajzhoz amit linkeltél?
(#) Flashhun válasza jocki17 hozzászólására (») Ápr 12, 2010 /
 
Illetve jocki17 Ugyanarról a rajzról beszélsz te is
Ha valaki megtudna segíteni egy nyáktervvel, hálás lennék
(#) ShadeW hozzászólása Ápr 13, 2010 /
 
Találtam egy nagyon érdekes oldalt Itt e!
Továbbra is kérdéses a számomra ,hogy milyen kapcs.üzemü tápot építsek. A linkelt oldal alapján hatékonyságban a következők:
Push-Pull Q79.91%
Full Bridge Q81.03%
ZVS Phase Bridge 81.77%

Van valakinek tapasztalata ezekről a kapcsolásokról?
(#) pimi9 válasza ShadeW hozzászólására (») Ápr 14, 2010 /
 
Push-pullt építs, alacsony bemenő feszültséghez az az eggyik legegyszerűbb és legjobb.

Full Bridge-t csak olyan 48V-tól érdemes használni.

ZVS Phase Bridge-t meg kW fölött.
(De ezt kezdőként nem tudnád pontosan méretezni)
(#) SKY válasza cimopata hozzászólására (») Ápr 18, 2010 /
 
A trafó primer induktivitásából adódó üresjárási teljesítményfelvétel mindig veszteségként lesz jelen, vagy hozzáadódik a kimeneti teljesítményhez terheléskor?
Ha a kitöltés 50% alatti, akkor két primer tekercs esetén a mag szempontjából kétszeres frekvencia lesz jelen?
(#) cimopata válasza SKY hozzászólására (») Ápr 18, 2010 /
 
Idézet:
„A trafó primer induktivitásából adódó üresjárási teljesítményfelvétel mindig veszteségként lesz jelen, vagy hozzáadódik a kimeneti teljesítményhez terheléskor?”


Üresjáratban a mágnesező áram egy része az örvényáramok miatt hővé alakul, másik része pedig visszafolyik a tápba (12V)

A trafóra jutó frekvencia az amivel a fetek kapcsolgatnak.
(#) (Felhasználó 46585) válasza cimopata hozzászólására (») Ápr 18, 2010 /
 
A harmadik rész szintén hővé alakul, mert van vasveszteség is...
(#) SKY válasza cimopata hozzászólására (») Ápr 18, 2010 /
 
Tehát ha nekem 5A-t vesz fel üresjárásban a trafó, mert olyan alacsony a primer induktivitás (ez nem csak a mágnesező áram!), akkor az mind veszteség terheléskor is? Ez olyan, mint pl. egy mikrótrafó, ami üresben is felvesz 2A-t, akkor terheléskon az sem adódik hozzá a kimeneti teljesítményhez?

A dupla frekvenciát kétprimeres trafóhoz értettem, aminél ha pl. 30KHz 25% kitöltést mérhetünk az egyik primeren, akkor 60KHz 50% lesz a szekunderen nézve?

Működni fog az a trafó, aminek 5A-t kell leadnia 180V-on, de a szekunder Xl -je 1500ohm körüli?
(#) cimopata válasza SKY hozzászólására (») Ápr 19, 2010 /
 
5A reálisnak tűnik, de mint írtam nem mindből lesz veszteség.

Ha az egyik primeren 30kHz-et mérsz akkor a főtrafó frekvenciája is annyi.

Xl-re azt az 1500 Ohmot nem tudom hogy mérted, ez relatív dolog.
Inkább induktivítást mérj.
(#) SKY válasza cimopata hozzászólására (») Ápr 19, 2010 /
 
Az elektromos bicikli tápjához pc táp trafómagokat tennék össze, és légrés nélkül el tudnák érni 420-648uH induktivitást a primeren [8menet] (hogy minél kisebb áramot vegyen fel=>takarékosság), de így a szekunder (180V 5A) 2000-6000uH-is tartományba esik, ha ilyen nagy a működési frekvencián az ellenállása akkor ez hogy befolyásolja a szekunderen leadható teljesítményt és a hatásfokot?
(#) tothadam hozzászólása Ápr 28, 2010 /
 
Helóztok.
Bocsi hogy belevágok.. valaki tudja hogy hogy lehetne 12v-ból 30 volot körüli feszültséget csinálni. Előre is köszi
(#) GyurikaBx válasza tothadam hozzászólására (») Ápr 28, 2010 /
 
Szia!
Pont ma néztem egy ilyen kapcsolást, bár azt nem írtad, hogy milyen áramerősséget szeretnél a 30voltos oldalon
ez 6.5ampert tud!
Csatolom a rajzot!

Üdv:Gyuri

up.gif
    
(#) (Felhasználó 46585) válasza GyurikaBx hozzászólására (») Ápr 28, 2010 /
 
Azért ezt ne építsd meg, teljesen hibás... mit csinál benne a jobb oldali FEt páros?

Sajnos, sok szemetet lehet találni a neten...
(#) kisedison hozzászólása Máj 28, 2010 /
 
Hello!

Van egy 2x12V-os toroid trafóm. És meg van a rajzon látható bekeretezett rész. Mijen meghajtó fokozatot építsek hozzá?

A trafó adatai: Pri: 220V
Sec: 2x12V
Telj.: 200VA
Frek.: 50Hz

inv.JPG
    
(#) kadarist válasza kisedison hozzászólására (») Máj 28, 2010 /
 
A rajzon ott van minden. Építsd hozzá a tranzisztoros végfokozatot, és már készen is van az invertered.
(#) kisedison válasza kisedison hozzászólására (») Máj 28, 2010 /
 
Még annyi hogy fetekkel szeretném. Tranzisztorost nem szeretnék mert az áram vezérelt, a fet megy fesz. vezérelt.
Következő: »»   14 / 63
Bejelentkezés

Belépés

Hirdetés
XDT.hu
Az oldalon sütiket használunk a helyes működéshez. Bővebb információt az adatvédelmi szabályzatban olvashatsz. Megértettem