Fórum témák
» Több friss téma |
Fórum » Oszcilloszkóp készítése házilag képcsőből, TV-szkóp
Témaindító: SD, idő: Aug 31, 2006
Témakörök:
A forumon volt már róla szó...
Max kilóhertz-es tartományban müködik!
sziasztok énis olvasgatok a forum bol de megtecet nagyon a tv böl szkop szerváltamis egy monitort fehér fekete kinai gyártmánu idézem : fei ang - n16 70 képergyös14x20 átmérö lehet valami kamerának lehete használni ha tutok segitsetek hogy kezek neki eböl mit lehet csinálni én szeretnék erösitök mérésére használni. ha tutok valamiben segiteni akor szoljatok hozá és elnézésetek kérem az irásomé köszi
az lene akérdésem hogy fügöleges eltéritöre kele szerkeszteni a panelt csak és egyiböl ál vagy a sorvék fokhozis kel vátoztatni valamit:
Ha valakit esetleg érdekel van egy nem túl bonyolult rajz az "Amatőr mérőkészülékek építése" című könyvben. A szkóp 3,5MHz-es és 20db tranyó van benne, DG7-113F csővel.
Van egy ilyen csövem, új, 1500Ft-ért megválnék tőle.
Hello, attól függ, hogy milyen rendszerűt akarsz, lehet úgy is, hogy az egyik irány szabadonfutó a sorvégfok szerint, s erősítő csak a másikon van, de lehet ugy is, hogy a sorvégfokozat csak a képcső feszültségeit állítja elő, és az eltérítéseket ettől függetlenül végzed két erősítővel. Az utóbbi korrektebb dolog.
csak aza baj, hogy nem müküdik először,megkéne javitanom, és nemkapok rajzot hozá már neten kerestem,de nem jártam eredményel, hatutok segiteni,egy rajzal,az joljöne idézem . fei ang. márka ,saszi számja nincs.
Sziasztok!
Nos, szert tettem egy ilyen, DG 7 113F (3KP1), csőre. Azt kérdezném, hogy ennél egyszerűbb kapcsolása nincs valakinek hozzá? Vagy esetleg az említett kapcsoláshoz valakinek nyák terve? Lehetséges mondjuk próbanyákon elkészíteni a kapcsolást hozzá, vagy mindenképpen rendes terv kell a jó működéshez?
Szia!
Ha kezdő vagy, ne szkópépítéssel kezdd. A ks-cső elégé nagy feszültségről jár. Veszélyes is lehet. Nameg különleges hálózati trafó is kell hozzá, amit nem lehet üzletben megkapni.
Kösz a figyelmeztetést, megszívlelem. A trafó annyira nem gond, mert van rokon, aki rádiótechnikus, az építésben is segít, meg a trafót is megtekerjük. Tapasztalatom igaz, nincs sok. Most építettem 2 csöves erősítőt (meg már pár IC-st, tranzisztorost) és gondoltam, jó lenne hozzá egy ilyen szkóp itthonra is, valamilyen egyszerűbb. Az építés meg azért jutott eszembe, mert olcsón hozzájutottam a csőhöz és nem is szeretnék valami bonyolult dolgot, de hátha tanulok vele.
Kezdésképpen egy ilyet ajánlok: Bővebben: Link
Az oldal alján egy csöves verzió is van. Ahogy elnézem a leírásban is hasonló feszültségigényű cső van, mint amilyen a Tiéd is. Ha van türelmed, holnapra kereshetek még amatőr építésű szkópépítési leírásokat.
Köszönöm a linket. Megpróbálom összehozni, ha lesz rá időm.
Természetesen ha van több kapcsolás, azokat is szívesen veszem. Türelmem az tengernyi, mivel az építéshez nincs időm...
Nem tudom hogy ez miért bonyolult. 20 tranyó van benne nem 120. Láttam néhány tranyós kapcsolást is működni, de az tényleg csak arra jó hogy valamit láss az ernyőn, mérésre alkalmatlan. Ami kritikus az a bemeneti osztó, azt kell jól árnyékolni és kompenzálni. A tápot sem kell egy trafóval megoldani, lehet benne 2 vagy 3 kisebb ezáltal olcsóbb lesz, de szerintem a Skori féle kapcsitáppal is menne az pedig majdnem elférne egy tenyérnyi nyákon.
Én arra gondoltam a bonyolultságra utalva, hogy rendes nyákot kell-e hozzá tervezni, mert abban elég gyakorlatlan vagyok. Sprint Layout-ban alkottam már, de csak néhány alkatrészes szösszenetet. Amit említettél (árnyékolás) okozza a fejtörést, hogy mely részeit érdemes/kell és hogyan (gondolom olyan megoldás is elég, mint a tv tunereknél, zárt doboz a panelen.). Amúgy meg fogom a rózsa könyvében lévőt építeni, nem árt ha van benne felfelé tartalék, csak most nem akartam a nyáktervezésre napokat elszöszölni, ezért kérdeztem, hátha valaki már csinált hozzá...
Gondolom, egy rosszul felépített nyák is elbaltázhatja a dolgot... A cső meghajtását mindenképpen külön trafóra raknám, mert annak nem kell nagy teljesítmény és így máshol is felhasználható lenne.
Hali!
Hozott a nyuszi egy tungsram oszcilloszkóp csövet. (DP7-178, egy kézzel írott 30 éves adatlap megvan beszkennelve, akinek kell szóljon ) A terv, persze oszcilloszkópot varázsolni belőle.Amire gondoltam: A vízszintes eltérítést egy fűrészjel generátorral oldanám meg, aminek a frekvenciája változtatható, valamint a jel amplitúdóját úgy állítanám be hogy az ernyő elejétől a végéig tartson a vonal. (Fűrészjel generátort azt hiszem lehet csinálni 555-össel is, de nyilván jobb lenne valami precízebb darab.) A függőleges ill. vízsintes eltérítést hangfrekis FETekkel oldanám meg, PN ill. NP átmenetesekkel amelyek Gate lába közös, a Source az eltérítő lemez max. feszültsége, (Illetve potméterrl szabályozható) a drain pedig maga a lemez. így mindíg megfelelő feszültség jutna az eltérítő lemezekre. A hangfrekis feteknek kicsi a torzításuk a hangfrekvencián belül, így elé kéne építeni egy frekvenciaosztót, amire ha megfelelő kivezetéseket csinálok tulajdonképpen 1Hz tól több gHz-ig működne a szkóp. Ha pedig a fűrészjelgenerátor frekijét le tudom mérni, ki tudom számolni a bemenő jel frekijét ![]() Gondolom a zavarok miatt az egészet földelt fémházba kéne tenni, amiben persze nincsenek benne a trafók stb... Szerintetek működne?
Na még valami amire jutottam kb fél óra agyalás alatt: A fűrészjel generátor jele folytonos, olyan mint egy háromszögjel csak nem egyenlő szárú háromszögjel
így a vízszintes vonal egy kicsit elindulna visszafelé is, ami elég zavaró lenne hogyha függőlegesen is el van térítve. Ezt hogy tudnám kiküszöbölni? Olyan jel lenne az ideális ami lineáris függvényekből áll, és a maximum és minimum értékei egyazon X koordinátán vannak (Különben ki kellene kapcsolni az elektronsugarat hogy jel hiányában ne ugorjon be középre), és a minimuma Y=0. Ha valakinek van ötlete, ne tartsa magában
Hello, agyaljál még rajta!
-Fűrészjel generátornak én nem meglepő módon olyat ajánlanék, amelyeket az oszcilloszkópokban szoktak használni, indítottat, lineárisat (!), koltójellel, ami minimum 1MHZ-ig működik. Hogy a jelnek "farka" ne legyen, azt az elektronsugár kioltásával tudod elérni a visszafutás alatt. -A szkópoknál a frekvenciaosztó alkalmazása nem megszokott, hacsaknem frekvenciamérés a célod csupán. -Árnyékolni inkáb a csövet kell, de azt nagyon! Milyen határfrekvenciájú szkópot szeretnél? fűrészgenerátor
Köszi a rajzot, szerintem még sok más hasznos infót is találok az oldalon. A frekimérés jó lenne, mert érdekel a rádiózás és ha a frekvenciát le tudom mérni akkor kondenzátor kapacitást és induktivitást is tudok mérni a szkóppal.
A szkóppal kondenzátort, induktivitást mérni közvetlen módon nem lehet. Ahhoz kell egy generátor is, ami a szkóp működéséhez nem igazán kell, kivéve az eltérítő generátort, aminek a fűrész feszültség linearitása a mérés pontossága miatt alapvető fontosságú. Ezért ilyen bonyolultak szkópok fűrészgenerátorai. Frekvenciát sem igazán mérnek oszcilloszkóppal, mert egy frekvenciamérő egyszerűbb, és sokkal pontosabb is, kristálypontosságú időalappal rendelkezik, a szkóp meg nem.
Szóval az LC, és frekvencia mérésre inkább ajánlanék, egy erre való áramkört, itt a fórumon is találsz ilyeneket. A szkópot alapvetően jelalak időbeni változásának vizsgálatra lehet használni, ha más fizikai jellemzőket akarsz megjeleníteni vele, akkor kiegészítő műszereket kell építeni, és megfelelő módon hozzákapcsolni. Először építs egy jól használható szkópot, és a többit majd azután. Remélem, a katódsugárcsővel egyidőben a hozzá való "ágyúcsövéhez" is hozzájutottál, mert ez árnyékolja megfelelően a külső elektromos, és mágneses zavarokat. Enélkül a cső az érzékenysége miatt szinte használhatatlan.
Szóval ha jól értem, akkor a szkópcső árnyékolása kritikus.
Nos, amit n szereztem az egy viszonylag hosszú cső és nincs hozzá árnyékolásom. Az mondjuk megfelelne, ha tekernék alumíniumlemezből egy ráhúzható csövet, amit utána leföldelnék, vagy inkább vaslemez használata célszerű a mágneses árnyékolás miatt?
Ahogy mondod, lágyvas cső, sasszival rövid úton összekötve
Persze persze hossszú távú projektnek indul ez, majd meglátom mi hogylesz. A frekiméréssel kapcsolatban igazad van, viszont az iduktivitás méréshez láttam valahol egy nagyon egyszerű kiegészítő áramkört, lehet hogy itt a HE-n... Majd meglátom. Egyenlőre az előbbi link rajzaiból kiindulva fogok tervezni egy tranyós vezérlést, és majd meglátom mire jutok, meg hogy hol fogy el a cérna...
"Ágyúcsö" nincs hozzá, majd hajlítok egyet valami vaslemezből.
Szia!
Ágyúcsőnek konzerves doboz nagyon jó, két rétegben.
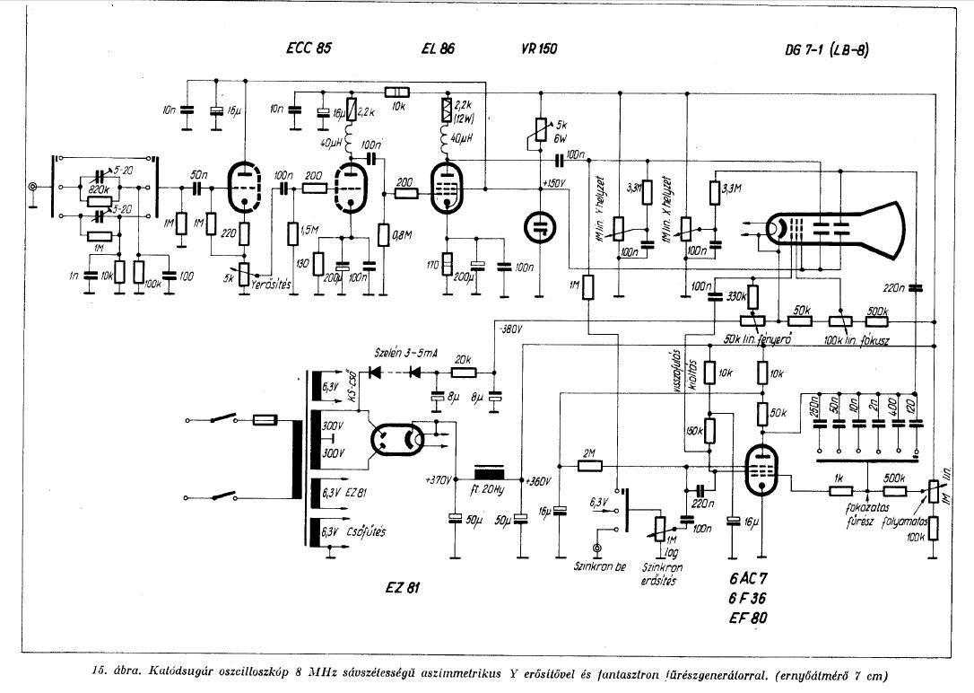
Sziasztok! Ma találtam egy rajzot az 1969-es RT ÉK-ben, bár nem képcsővel, hanem szkópcsővel van, de mivel nem találtam másik szkóp építés témát, ide írtam. Milyen cső a DG 7-1? DG 7-2-ről találtam infót, de 1-ről nem.. És szerintetek érdemes megépíteni? (Azért csöves, mert csöveim vannak bele, kivéve EL86-ot, meg EZ81-et, de azt könnyű szerezni.) És mindegyik potit tegyem majd az előlapra, vagy csak párat közülük?
Üdv!
Szia!
Először is az a kérdés, hogy milyen szkópcsöved van. Amilyen van, vagy amilyet be tudsz szerezni, ahhoz érdemes kapcsolást keresni. Ha van konkrét ks-csöved, akkor írd meg a típusát. Amatőr körülmények között 7cm-nél nagyobb ernyőátmérőjű csővel nem érdemes kísérletezni. Ajánlott topic: Analóg oszcilloszkóp
DG 7-131 csövem van, nem tudom, mennyire különböznek, de az lenne a legjobb, ha csak a képcső részeit kéne átvenni egy másik rajzból hozzá, mert ez a rajz nagyon megtetszett most. ECC85-öm, EF80-am, meg VR150-em is lenne bele, de azt is meg lehetne csinálni, hogy félvezetővel egyenirányítok, így az EZ81-et kiváltanám, és építenék egy kis relés késleltetős áramkört bele. Az EL86-ot meg megnézem a Puskás börzén.
Az EL 86 helyett nyugodtan rakhatsz EL84 -et, a diódákkal kiválthatod az EZ 81 et, nem kell semmi kunszt.
Oké, EL84-em van is egy, aminek nincs párja. Meg majd veszek a Börzén. Valamit állítani is kell, vagy csak úgy egyszerűen mehet bele az EL84? Meg még annyi, hogy szerinted DG7-131 cső jó-e bele, vagy ha nem, mit kellene állítani?
Jobb lenne ide a EL83 (ismertebb - börzei nevén - 6P15P), mivel ennek a 3. rácsa külön ki van vezetve, evvel remek fantasztron oszcillátort tudsz építeni, még rajz is van hozzá. Ráadásul olcsóbb is, mint az EL84 (alias: 6P14P), 300HUF-ért már hozzád vágják.
Szimmetrikus végfokozatnak is olcsóbb.
Hali mindenkinek!
Hali Mindenkinek! Oszcilloszkóp javítása ügyben, és nem tv képcsőből, hanem eredeti alkatrészekkel. Ez egy 1959-es évjáratú Orion oszcilloszkóp: "TR/3 Tv hangoló oszcilloszkóp Orion Műszer Osztály" A teljes szkóp megvan darabokban, brutális méretekkel, 13 cm-es ernyővel, csövekkel. Sehol semmilyen műszaki rajzot nem találtam eddig, még a gugliban sem, mint ha ez a készülék nem is lett volna olyan híres az Orion műszerek közül. Akitől szereztem, már elég idős, nem emlékszik semmire, ráadásul 30 évvel ezelőtt ő szedte szét, majd kirakta a pecuba... Rajza neki sem volt, vagy ha mégis már nincs meg...
Sanyi! Miért írsz be több helyre? Válaszoltam a másik topikban.
|
Bejelentkezés
Hirdetés |





) A terv, persze oszcilloszkópot varázsolni belőle.
így a vízszintes vonal egy kicsit elindulna visszafelé is, ami elég zavaró lenne hogyha függőlegesen is el van térítve. Ezt hogy tudnám kiküszöbölni? Olyan jel lenne az ideális ami lineáris függvényekből áll, és a maximum és minimum értékei egyazon X koordinátán vannak (Különben ki kellene kapcsolni az elektronsugarat hogy jel hiányában ne ugorjon be középre), és a minimuma Y=0. 






