Fórum témák
» Több friss téma |
- Ez a felület kizárólag, az elektronikában kezdők kérdéseinek van fenntartva és nem elfelejtve, hogy hobbielektronika a fórumunk!
- Ami tehát azt jelenti, hogy a nagymama bevásárlását nem itt beszéljük meg, ill. ez nem üzenőfal! - Kerülendő az olyan kérdés, amit egy másik meglévő (több mint 17000 van), témában kellene kitárgyalni! - És végül büntetés terhe mellett kerülendő az MSN és egyéb szleng, a magyar helyesírás mellőzése, beleértve a mondateleji nagybetűket is!
Szia!
Hát ott a nyákterv. tükrözd meg, és lehet is rajzolni. De csinálhatod fúrás nélkül is, felületszerelve. Akkor úgy csináld meg a nyákot, ahogy a képen látod.
azt látom hogy ott van de én kiakarom maratni és ahoz nem kellenek az alkatrészrajzok csak a nyákrajz , azokat meg sajna nem ment még eltübtetni
Kézzel rajzold meg a nyákot, filctollal. A tekercs megrajzolásához viszont pontos méretadatok kellenének.
Próbálkozz inkább egy hagyományos tekercset használó típussal. Keresés: fm bug A fórumban van több, ezzel a témával foglalkozó topic. Például:Poloska avagy vezetéknélküli mikrofon
Köszi szépen én is kerestem de csak olyat találtam amihez picet kel programozni én meg ahhoz
vagyok.
Itt van ha nagyon akarodBővebben: Link
Hello!
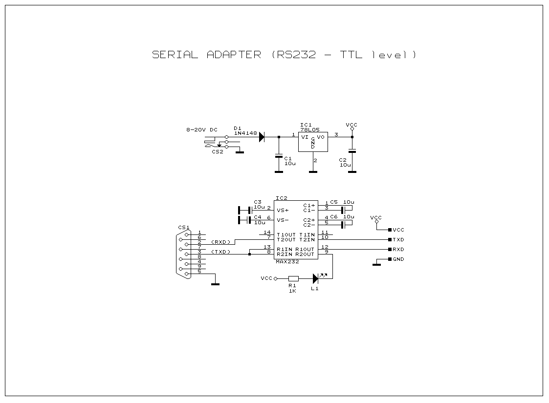
OBD-1 (ALDL) autódiagnosztikát akarok csinálni egy szerzett rs232-es soros interfésszel(MAX232) és egy megfelelő Palm OS-ra írt programmal. De az autóból csak egy ADAT egy FÖLD meg egy DIAG kábel jön amit földre kell kötni hogy diagnosztikai módba kapcsoljon a motorvezérlő. Tehát csak egy ADAT megy egy FÖLD. Hová vagy hogy kössem az adat szálat hogy jó legyen(TXD,RXD)? A neten talált kapcsolás + a szerzett interfész kapcsolása a mellékletben. Meg tudom csinálni a szerzett interfésszel? Előre is köszönök minden segítséget!
Jó csak mikor én először ezt raktam össze akkor nekiálltam paint-el és fél óra alatt megcsináltam de az már nincs meg.
Hello!
Elég egyszerű a helyzet, ez kapcsolóüzem. - A relé számára ezek szerint 100mA áram szükéges, mely megegyezik a tranyó kollektor áram értékével. - A minimális bázisáram értékét, Ib=Ic/béta összefüggés adja. (Az áramerősítés értékét, a katalógusból kell meghatározni, az ominózus 100mA kollektoráram mellett.) - Ennél a tényleges bázisáramot, célszerű 2..5-ször nagyobbra választani. Részben a tranyó gyártási szórósára miatt, illetve az alacsony kollektor-emitter szaturációs-feszültség elérése céljából. (Természetesen egy jó tranyó adatlapján találhatunk szaturációs görbéket, adott kollektoráram és bázisáram függvényében.) - Most már ismert a szükséges bázisáram értéke, az ellenállás meghatározásához, már csak az ellenállásra jutó feszültséget kell ismerni. - Az AVR adatlapjában meg kell nézni, (hogy ha a kimeneti portot, a bázisáram értékével terheljük), mekkora kimeneti feszültségre lehet minimálisan számítani a porton. Ebből még le kell vonni, a tranzisztor bázis-emitter nyitófeszültségét. (Természetesen a katalógus adatnál, az AVR tápfeszültségét is figyelembe kell venni.) - Így az ellenállásra jutó feszültség, URb=Uavr-Ube - Most már a maximális bázis ellenállás értéke kiszámítható. Rb=URb/Ib A számított értékhez legközelebb eső (de kisebb) szabványos ellenállás értéket választjuk. üdv! proli007
Szia! Alakul a strobi! Ha bekapcsolom felvillan... Remélem, hogy ez jó jel. Holnap fogom kipróbálni, szerintem működni fog! Most már jól van benne a tranyó.
Üdv!
Beirtam a :google: be hogy SMOVP és ott volt az első 3 képközött
üdv,
előzmény: nem tudok egy csatlakozt kioldani, leirást meg videóra linket, hogy elvileg hogy kéne a (#698741)-ban találtok. Csináltam egy makró fotót a csatiról ezt mellékelem. Elvileg csak megkéne valahol pöccenteni és felnyílik és ki is dobja a kábelt, de nekem nem adta még magát könnyen, eltörni meg nem szeretném.
Köszönöm a kimerítő választ!
Az áramerősítéssel kapcsolatban még kérdezném, hogy a BC182 katalógusában a "Figure 1" grafikonról olvastam le az értéket ami béta=63 körül lehet ha jól értelmeztem. Továbbá láttam egy olyan adatot is a "maximum ratings"címszó alatt ami szerint a maximális tartós kollektoráram ("Collector Current — Continuous") 100 mA lehet. Ettől még elbírja a tranzisztor a 100mA-es áramot a relé meghúzásakor?
hali!
Van itthon 380-as hálózatunk.. láttam dogy discotechnikábal 380-ból csinálnak 220-at... gondolom a nagy áramfelvétel miatt... 380-ból hogylehet 220-at/kötni/csinálni?... segítséget előre is köszi!
Hello!
A tranzisztorokat nem célszerű a végparaméterein járatni, ha csak ez el nem kerülhető. Ráadásul a relé, még rugdoshat is. A "Figura 1. grafikonon is láthatod, hogy 50mA felett lényegesen "zuhan" a béta lefelé. Így sokkal célszerűbb, másik tranyót használni, aminek kollektor árama 300mA vagy ez felett van. (pld. BC639) üdv! proli007
Szia!
Transzformátorral lehet 400V-ból 230V-ot csinálni.
vagyis akkor a több fázis bármeike és a föld között 220-230-van?... fázisceruzával itt lehet keresni a fázist?
.. vagy nemajánlott? ...
Ezen a verzión csak túl van már a kérdező, de ki tudja?
Otthon a konnektorban mi van? 230V! Az nem jó?
szakemberre bízom csak tájékozódásbol irtamide
... ha mindejólmegy egyszer vmikor belőlem is szakember lesz etéren
Sziasztok.
Mi a különbség a szinkron és aszinkron áramfejlesztő között?
nem a 230 nemjó.. discotechnikázom és oda kevés... és ha egy komplett szekrényt veszke ami mobil és változtatható ami 380-as rendszer akkor az 100 ropi.. és inkább kérdezek...
Na, de akkor semmi gáz. Ahol 400V (380) van, ott 230V is. Akár szerényből veszed ki az áramot, akár másból.
380- ból kötött 230 jobban terhelhető mint a sima 230-as rendszerek egy házban nem?... na ez az amiért nekem 380-230 kell mert egy erősebb lámpaszett ahol teszemfel van 12 lámpa ott 2-4 lámpa 12-16 amper környékén van áramfelvétel terén...
A sima otthoni 230 is 380-ból "van kötve".
Olvasnivaló:háromfázisú rendszer
Szia!
A szinkront használják az erőművek (vizerőmű,gözerőmű). A szinkron lehet generátor és motor is. Motorként nem nagyon használják mert fel kell pörgetni először legtöbb esetben 3000fordulatra és csak utána lehet terhelni, de ha jobban bele gondolsz akkor ennek semmi értelme. Valaki kitalálta az aszinkront. Ezt használják pl. köszörűben. Ennek kicsi az inditó nyomatéka és ahogy fékezed úgy lassul. Ezért olyan helyen alkalmazzák őket amiben nem számottevő a fordulatszám csökkenés. Viszont ha nagy indító nyomatékra van szükség akkor a DC motor a legjobb ezt használják a villanymozdonyokban, villamosokban, stb. Ennek az inditó nyomatékát is lehet "állítani" gerjesztéssel, na de ez már se nem szinkron se nem aszinkron Remélem kicsit tudtam segíteni, ha valamibe hülyeséget írtam javítsatok.Szerk: Azt kifelejtettem, hogy aszinkron generátor nincs. Aszinkronba csak motor van. Üdv. Roland0327.
de akkor nagy áramfelvételű rendszereknél miért használnak mégis 380-ból kötött 230-at?.. mert akkor egy egy fázis külön külön leterhelhető akár 16 amperel is?...
|
Bejelentkezés
Hirdetés |




vagyok.



Üdv!

.. vagy nemajánlott?
Remélem kicsit tudtam segíteni, ha valamibe hülyeséget írtam javítsatok.




