Fórum témák
» Több friss téma |
Fórum » Nagyfeszültség sorkimenő trafóval
Témaindító: (Felhasználó 1306), idő: Márc 1, 2006
Idézet: „Épp tegnap én is összedobtam egy együtemű rendszert a rovar csabdámhoz,most a tápfesszel 16V-nál tartok,de le fogom csökkenteni mert már Igy is megvan a 25kV.” Légyszíves rakj már fel rajzot és képeket a trafóról és az elektronikáról is! Egy gyári rovarcsapdában megfeküdt a nagyfesz rész és amit eddig csináltam gyenge volt, csak kínozta a bogarakat, az eredeti meg csattant és kilőtte őket... Kössz. Üdv Inhouse
Azért csattant, mert volt egy kondi bekötve a kimenettel párhuzamosan. Így egy gyenge meghajtóval is lazán hatalmas kisülési áramot el lehet érni.
Javaslok junoszt tv ből kitermelt sokszorozó kondikból felépitreni. . Így pár kilovolt is csatan mert van a kondiban energia. Annó kidobott junosztokból kitermeltem vagy 10 db-ot. Azért kéretik vigyázni, mert az a 100 pF alkalmasint feltöltve már kellemetlen tud lenni.
Kettőt sorba, és 2 ilyen soros tagot párhuzamosan. de 15 kV fölé ne menjetek. Kezd veszélyes lenni.
Hát, igen a nagyfeszültségű kondi a gyenge pontja beszerzésileg...
Köszönöm. Hodinka! Azért még érdekel a megvalósításod! Üdv Inhouse
Manapság egyre kevesebb a kidobott junoszty televízió, de amit érdemes volt kitermelni belőle, azt kitermeltem. Amiről tudtam, hogy nem, vagy nehezen beszerezhető.
Köszi szépen a tippet, ki is próbálok egy BU508-ast még ma. Izgatottan várom
Szia!
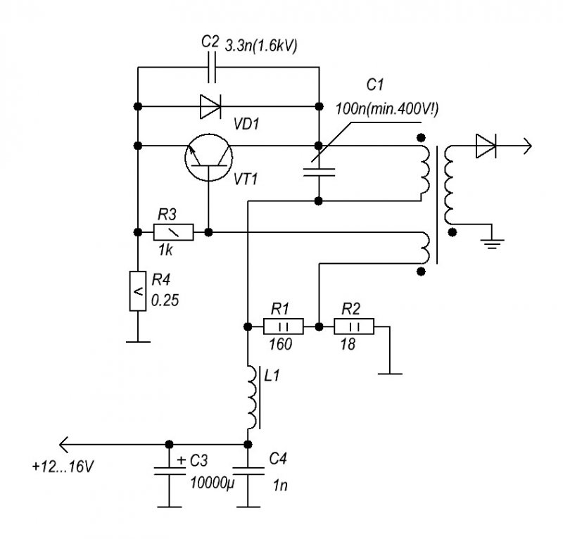
Hát még nincs teljesen kész,de nagyjából felvázoltam a kapcsrajzot(csatolt képen látható),hát én Igy oldottam meg,de ez saját kialakItás,mondjuk megteszi bármilyen neten található kapcsolás is,lényeg hogy eőálItson legalább 4-5kV-ot. Szóval ami főbb dolgot tudni kell a szerkentyűről,hogy VT1-nek én KT825Б-t használok(egyrészt mert ez volt itthon),de a kapcsolás nyugodtan átvariálható npn átmenetűre is,úgy például meghajthatod 2N3055-el is,magam is kipróbáltam vele,de jóval gyengébbnek bizonyult ezért maradtam a KT825-nél,védő diódát mindenképp használj még a beépItett diódás tranyóknál is(rosszat nem okozol neki),célszerű nagyobb frekvenciájú diódát használni,a C1-et egyfajta rezonáns kondi ként is felfoghatjuk,és ezáltal egyben kevesebb tüskét is kell elviselnie a VT1-nek,bár igaz a frekit picit lejjebb tolja,ezért 2200pf-nál ne nagyon használj nagyobbat,ugyanis megőrülsz majd a sIpolástól ,még az L1-ről annyit,hogy kissebb ferritgyűrűre feltekersz 4 menetet vastagabb huzalból (mondjuk 2,5mm2).Egyébként én egyenirányItott sorkimenőt használok,ezért figyelni kell a primer polaritásokra is a VT1-el szemben.Idézet: „Azért még érdekel a megvalósításod! ” Magát a rácsszerkezetet én úgy tervezem,hogy háromszög formájúra lesz elkészItve,és a háromszög közepén pedig lesz egy kissebb UV-lámpa(kb25W-ra gondoltam),ami majd vonzani fogja a szúnyogokat és más állatkákat(többnyire repülő rovarok ellen készül),a rácsot v.mi vasdrótból gondoltam elkészIteni,de még ki kellesz kIsérletezni ugyanis mem túl sok időm van vele foglalkozni,a rács müködési elvével meg gondolom tisztában vagy te is,ezért nem is ecsetelem tovább. ![]() A generátor jelenlegi állapotáról nemtudom hogy mennyire hasznos képeket tudnék feltenni a számodra,ugyanis szerteszét álló drótkupacról van szó,de ha érdekel a dolog feldobhatok egy-két képet müködés közben. (Ja,és remélem itt a srácok el nézik nekünk,és nem tolnak le ezért,mert van ám erre egy külön téma):hide: Üdv!
Köszönöm a választ. Megnézem. Nekem a mechanika/rács gyári, ahhoz kell igazítani...
Nem alszol éjszaka? Üdv Inhouse
Ok,akkor majd teszek fel képeket(pillanatnyilag sajna nem tudok)
![]() Szoktam aludni. ![]() (valamiért duplázódott a kapcsrajz,fura )Üdv!
Szervusz!
Ma volt egy kis időm foglalkozni a rovarölő nagyfesz generátorral,igértem képeket ezért egyuttal csináltam videót is működés közben,Bővebben: Link (A videó minőségéért előre is elnézést kérek,de most nem volt kéznél csak egy mobiltelefon.) A videó első felében 15-16V körüli tápfeszt kap a szerkezet ,a jákob létrás résznél kb fele annyit,ha kész lesz hozzá a rácsszerkezet,nagyjából azt is ekkora fesszel tervezem hajtani,csak még a sípolással kéne valamit kezdeni. ![]() Üdv!
Sziasztok lenne egy olyan kérdésem hogy van egy nagyfesz tranyóm ami 1500V-os de mindössze 12,5W a teljesitménye, hogy ebből lehetne csinálni egy nagyfeszgenerátort vagy kevés a teljesitménye?
Véletlenül nem a KT838A-ról van szó? Legalábbis a paraméterek megeggyeznek amit megadtál.
De igen. Csak elfelejtettem hogy már tettem fel ezt a kérdést igy most bocsánatot kérek.
12,5W az nagyon kevés,és nem elég ha egy tranzisztor csak szimplán nagyfeszültségű,ha a disszipációs teljesítménye elenyészően kicsi,ugyanis a döntő szerepet többnyire ez vívja meg.Ha valami komolyabbat akarsz elérni 100W-nál alább bele sem érdemes kezdeni,én csak több kudarcot és problémát megelőzendően figyelmesztetlek,ugyanis régebben én is sokat bajlódtam többekközt a KT838A-val is,és hát lassan össze is gyűlt belőle egy fél szatyornyi rossz.
![]() Egyébként meg kicsit módosítottam a fentebb írott kapcsolásomon,átrendeztem „npn” átmenetűre az egészet,így kipróbáltam két db KT827A típusu tranyóval,a primerkörben lévő kondit 2,2nf-ról,680nf-ra cseréltem,és ezzel egyuttal a tápfesszel is felmentem 21V-ra,hogy a frekit viszonylag egy szinten tartsam,így már 4-5cm-es ívet is gond nélkül produkál,(csak ezzel v.hogy egyre messzebb kerülök a tervezett rovarcsapdámtól,ha így haladok tovább,albatroszok gyilkolására lesz majd jó nem szúnyogokéra. )Szóval ha azt a 838-ast annyira kiszeretnéd próbálni,próbaképp összedobhatod mondjuk az én rajzom alapján,úgy még valameddig talán kitart,csak lényeg,hogy át kell variálni „npn”módba,és ami fontos,hogy nagy primer kapacitást kell tenned hozzá,de fél cm-től nagyobb ívet sz.ntem nevárj tőle.(bár igaz még én sem próbáltam ez alapján a 838-ast). Üdv!
Köszönöm az okositást de lenne egy pár kárdásem a kapcsolásoddal kapcsolatban mert nem mindent értek. Milyen szrepet töltenek be a következő alkatrészek:C1,C2,R1,R2,R4. És még egy kérdés a disszipációs teljesitmény az a hőleadási képessége és miért ez vivja a döntő szerepet? A disszipációs teljesitmény van jelölve a tranzisztor adatlapján és ha igen akkor hogyan?http://www.hobbielektronika.hu/forum/wtopic.php?topic_id=804&ppid=7...pop=1#
Szia ujra én. Megépitettem a kapcsolást egy KT805AM-el és egy Yunost 406-os sorkimenővel az R1,R2 és L1 alkatrészek nélkül és olyan problémám adódott, hogy eggyáltalán nem tudtam üzemre birni. A tápon amelyikkel üzemeltettem nincs olyan ellenállás amely kikapcsolás után a pufferkondikat kisüti igy véletlenül egy kis 12V-os motor akadt a kezembe és avval sütöttem ki. Amikor rátetem a kismotrot egy pillanatig hallatszott a sorkimenő kb.15kHz-es sipolása. Ezt megpróbáltam bekapcsolt táp mellet és a sorkimenő végeire kötöttem egy glim lámpát. A glimlámpa világitott de ivet semmi féle képpen nem huz. De a 15kHz-es sipolás mellet hallatszik az 50Hz-es brumm. Megpróbáltam kismotor helyett ellenállással elinditani de ugy nem kezdett el sipolni. Ez miért lehet? Kérlek segits. És még mindig nem tudtam rájönni hogy miért kell oda az R1 és R2 ellenállás.
Nem lehet, hogy a motor rákötésekor keletkezett nagyfeszültségű tüske indította be az oszcit? Habár az nem tehette mert az őt létrehozó feszültséggel ellentétes polaritású. Vagy a forgó motor szolgált oszcillátorként?
Szervusz! Bocs,de nem volt időm írni hamarabb.
Furák a kérdéseid picit. (A C1-ről már beszámoltam egyszer) A C1 nélkülözhetetlen alkatrész,két szerepe is van: az egyik,hogy korlátozza a primerből visszaáramló nagyfeszültségű áramimpulzusokat, nélküle a tranyók 5 mp-ig sem bírják,azonnal felhevülnek,C1-el viszont jég hidegek még a szekunder rövidre való zárogatásakor is,a másik pedig az,hogy rezonanciában van a primerrel(többekközt nagyobb a szikra is),egyetlen hátránya,hogy picit letolja a frekvenciát,de ez korrigálható akár a tápfesszel is. C2: a C1-hez hasonlóan ez is egy védőkapacitást képez a„K”-„E”-csatornán áthaladó esetleges nagyfrekis tüskék ellen(szóval jobb,ha van) R1,R2: szimpla feszültségosztó. R4:esetleges túláramok ezen keresztül disszipálódnak. A tranzisztorok disszipációs teljesítménye alapvetően azt mutatja,hogy mennyi hasznos teljesítményt tudsz átvinni a „K”-„E” csatornán anélkül,hogy nagyobb mennyiségű áram disszipálódjon rajta. A második hsz-ban írott manőverrel nemtudom mit akartál elérni,de hogy az úgy nem fog menni az tuti,az R1,R2,fesz.osztó létfontosságú nélküle nem fog működni,másszor pedig a KT805AM alapvetően npn átmenetű a kapcsolás pedig pnp-re van tervezve,de ha gondolod és amint lesz rá időm megrajzolhatom az npn változatát,lényeg,hogy majd mindent rajz szerint kövess és ne legyenek benne holmi 12V-os motrok,meg glimlámpák mert az semmi jóhoz nem vezet. Üdv!
Szia. Megköszönném ha lerajzolnád az npn változatát. De az R1 és R2 ellenállás helyére nem lehetne más értéküt tenni mert ilyen nincs itthon?
Szevasz!
Itt van a rajz(csatolt kép „1”),lényegében ugyanaz az alapelv mint az előző pnp kapcsolás,csak némi módosítással,nameg az alkatrészek polaritásai felcserélődtek. Idézet: „De az R1 és R2 ellenállás helyére nem lehetne más értéküt tenni mert ilyen nincs itthon?” Hát a feszültségosztó ellenállásain v.mennyit lehet variálni,de nekem most így a leg effektívebb,szóval az R1,R2,ellenállásain úgy ą30%-nyi változtatás még beleférhet,viszont ez a kapcsolás KT827A-val van tervezve,ha gyengébb tranzisztorokat használsz (pl.KT805,KT808,KT838,stb...),akkor az R1 értékének valamivel nagyobbnak kell lennie mint 160 ohm,a KT805-nél például 320 ohm megfelelhet.(de mégegyszer szólok ezektől a tranyóktól ne várj sokat!). Ja,és egyuttal már teszek fel képet meg videot a kéttranyósról is ,Bővebben: Link Üdv!
Köszönöm a rajzodat. De lenne még egy pár fura kérdésem. Az mennyire baj hogy a C2 3.3nF helyére 4.7nF-ot rakok? Azt szeretném még megkérdezni ha lehet hogy te hol lakol?
Amugy nagyon szép amit a kéttranyós csinál. Gratula érte. Idézet: „Az mennyire baj hogy a C2 3.3nF helyére 4.7nF-ot rakok?” Mehet. Idézet: „Azt szeretném még megkérdezni ha lehet hogy te hol lakol?” Ukrajnában Ungvártól nemmesze. Idézet: „Amugy nagyon szép amit a kéttranyós csinál. Gratula érte.” Köszönöm.
Ma megépítettem a kapcsolást amit rajzoltál és nagyon jól müködik. Köszönöm a rajzot mégegyszer is. Igazad volt 30W-al nemsokra megyek de igy is 17V-ról hajtva max. 1cm ívet húz.
Én is Ukrajnában lakok Ungvártól 100km-re.
Nah,úgynézem többen is vagyunk határontúliak
![]() Amúgy 100km-re hol? Milyen tápról járatod,és milyen sorkimenőt használsz hozzá? Egyébként meg ha van több egyforma tranyód,beüzemelheted párba őket,én is így oldottam meg a kéttranyósnál. Üdv!
A Nagyszőlősi járásban Nagypaládon lakom. A tranyókat párhuzamosan kötötted? És neked a 18 ohmos ellenállás nem szokott füstölni? Én már egyet szét is égettem. A tápom egy юность 406-osból kiszedett trafó a diódákkal és a kondikkal egy kicsit de tényleg csak egy kicsit továbbfejleszve. A sorkimenő ugyanebből a TV-ből van. Próbáltam nagyobbal is de ugy a tranyó nagyon melegedett.
A kéttranzisztoros kapcsolás most így néz ki (csatolt kép)
Ha nembírja az ellenállás az azért lehet,mert túl nagy a bázisáram,nálam mondjuk a 2W(18 ohm)-os ellenállás még így két tranyó mellett is ép hogy csak langyos,szóval megpróbálhatod kicserélni nagyobb teljesítményüre mondjuk 5-10W-osra,de megvan rá az esély,hogy így a tranyó kezd majd el melegedni,ha így lesz,akkor a v.cs. tekercs meneteiből kell lejjebb venned (feltéve ha a tekercseket sajátkezüleg tekerted meg a sorvégtrafón,és nem a meglévőket kötötted be.) Amúgy meg ha tudsz,inkább szerezz be egy egyenirányított sorkimenőt,és ne bajlódj a „юность”–éval mert az eleve csak 8,5-9kV-ra van tervezve,az egyenirányított pedig már önmagába leadja a 25kV-ot nembeszélve arról,hogy jobb a hatásfoka is.
Most már kezdem elvesziteni a fonalat. Miért kell oda ar R5 poti és az 1μF-os kondik? És azt ugy nem lehetne hogy a meglévő kapcsolás tranzisztorára csak rákötök egy másik tranzisztort is(emitert az emiterhez és igy tovább)?
Az a potméter a kondival,a tranzisztorokra jutó áramkülönbség kiegyenlítésére szolgál,mert ha például az egyik tranyón nagyobb az átmeneti ellenállás,akkor az fog jobban melegedni,amúgy erre a célra a kapcsolásban lévő"R1",és"R2"-nek általában elégnek kellene lennie,de nálam túl nagy volt az áramkülömbség,ezért fokoztam a potméterrel.
Szia. Megcsináltam ugy hogy a két tranyót párhuzamosan kötöttem egymashoz a kapcsolásoddal egy nagy sorkimenővel és elég szép eredményt értem el 2-3cm ívet húz. A kapcsolásért pedig nem tudaok elég hálát mondani nagyon jó. Nekem a nagysorkimenő eggyáltalán nem sipol.
|
Bejelentkezés
Hirdetés |



















