Fórum témák
» Több friss téma |
Fórum » Feszültség- stabilizátor probléma
Számomra az első kapcsolás is szokatlan, a második meg biztos , hogy nem kapcsoló üzemü. Én igy kötném be...
Az 1mH az biztos nem légmagos.
Kipróbálom majd így is. Veszteni valóm nincs.
A másodiknál csak az adatlapot idéztem. Ha nem is kapcsolóüzemű, de talán jobb hatásfokú. Most, hogy keresgetek guglival, lehet, hogy igazad lesz: Bővebben: Link :yes: Köszi!
Teljesen normális, hogy nő. A 3 Ohm - os ellenálláson eső feszültség ( amit a 78xx árama ejt ) nyitja a soros áteresztőtranzisztort. Ha növeled a terhelést a 78xx árama is nő, ami jobban kinyitja az áteresztőt, mert a 3 Ohm - on nagyobb feszültség esik. Tegyél bele kisebb ellenállást. Ha jól eltalálod az értékét, akkor a kimenőfeszültséged nem fog változni.
Azért szokták imigyen PNP tranzisztorral csinálni mert így kisebb a Drop Out értéke. A másodikban az induktivitás szűrést valósít meg. A zenert akkorára kell választani, hogy a 78XX disszipációja elfogadható szintre csökkenjen . A 78XX bementén a kimenet + DropOut-nak mindíg meg kell lennie.
Jaa, így már értem.
Nem azért, de az adatlapban is feltüntethetének ilyen dolgokat, meg leírhatnák, hogy ez meg az a kapcsolás miért is jó... Na és az utóbbi hozzászólásomban lévő link? Az mégiscsak egyszerűbb. De működőképes is? Szóval tartani fogja az 5V-ot?
Nem igazán működik, mert a diódák fordítva vannak benne. És a negatív 5V - nál nagy lehet a disszipáció.
Pontosan mit akasrz építeni? Ha a 124388-as hsz.-ben lévő rajzra gondolsz. (szerintem)
Hát, akkor megfordítom, és olyan lesz, mint amit dcsabi rajzolt az előbb.
De akkor ezt leszámítva működőképes? Csak egy 5V-os stab kell nagy áramra, AA akksi töltőhöz (saját gyártmány lenne, ha végre nekikezdenék).
Üdv !
Én javasolnék 5V-ra 3A kimenetű stabot, ami neke nagyon jól bevált. Egyébként nem tudom, hogy jó ötlet -e egy 7805 stab után többezer mikros kondikat tenni. Ezt azért gondolom, mert a kisült mondjuk 2200µF kondi a bekapcsolás pillanatában egy pillanatra full zárlat a 7805-nek. Szerintem ez a pillanatnyi zárlat 25V-os bemenő fesznél könnyen kinyírhatja a stabot. De ez csak egy futó gondolat volt elnézve a rajzokat. A fönti ic-nek itt az adatlapja.
Sziasztok! Volna egy problémám vettem még régebb egy trafot 2X36 volt 8 amper. Presze egyenirányitás meg szűrés után mar +-50 voltot mérek. Eddig egy ic-t se találtam amivel lecsökkenethetném, hogy tudjam erre-arra használni is. Nem tudtok vmi tranzistorokból összerakott áramkört amivel ez lehetséges lenne, vagy ha nem akkor vmi ic-t erre a celra???
Üdv !
Hát 8 A-re nem is fogsz ic-t találni. Egyik megoldás a tranzisztoros, amit te is felvetettél, viszont hátránya, hogy nincs rövidzár védelmed és ha valamelyik tranyó zárlatos lesz, akkor átmehet rajta a teljes 50V. Ráadásul a hőveszteség is iszonyatos lesz. (50V-36V)*8A=112W Ettől jobb megoldás a PWM szabályzás, viszont ez bonyolultabb megoldást jelent. A legegyszerűbb egy másik trafót választani vagy letekerni a régiből. (bár gondolom, hogy toroid trafód van és nem olyan egyszerű a tekercselés).
Nem toroidális trafo. Nekem a tranzistoros ötlet tűnik a legjobbnak de nem talátam semmi hasonló áramkört. Ha tudsz vmilyet megköszönném!
Ok!
Nézek valamit. Egyébként nem tudom, hogy mihez kell neked +-36V, de ha netán valami végfokot akarsz hajtani róla akkor felejtsd el az összes ilyes fajta feszültségcsökkentési módszert, mert a stabilizált táp nem fogja tudni követni a végfok rángatásait. Ha netán ilyen célra kell, akkor nem marad más, mint új trafót keresni. ![]()
Hát arra akartam. Mindegy akkor azért ha találsz vmit jo volna. Akkor más trafo lesz belőle. Egyébként egy stk4171-es ic szerettem volna meghalytani vele. A legnagyobb feszültség amit elbir +-48 volt, az ötventől szerinted lesz baja???
Idézet: „Maximum supply voltage VCCmax ą49 V” STK4171 Rakj sorba 2 (nagy) diódát ą ágba. Esik az annyit... :yes: ...és, "meghajtani"
Üdv !
Biztos elmegy annyi villannyal, de szerintem csak addig amíg valami gerjedés fel nem lép. Jelenség: Faszául mőködik akár hosszú ideig is, majd egyszer csak rommáég és marad az stk-ból egy kis csoffadvány. ÉS ne felejtsd el, hogy a 230V-sem mindíg 230 ! Ha mondjuk kileng vagy 5-10V-ot (ez nem ritka jelenség) akkor tuti, hogy azonnal lesz még 1-2 lyuk az stk-n. Hidd el, bár tudom nem esik jól, de hosszútávra legjobb megoldás egy megfelelő trafó választása. Még ha drága mulatság is, tuti, hogy 1-2 stk csere után azt mondod majd, hogy annyi stk árából vehettél volna egy megfelelő trafót is. :yes:
Sziasztok!
Volt már valakinek dolga LT1070-es Ic vel? Nekem az a problémám, hogy ez ugye "regulátor" lenne, csak épp "regulálni" nem akar, azaz a bemenő feszültség változásait követi a kimenet is. Nagyszerűen csinál pl 3V-ból 12V-ot, de ha viszem a bemenő feszt, vele megy a kimenet is... Ha valakinek van ez ügyben tapasztalata, kérem írjon! Üdv.: Titilla
Hello!
A rajzot feltehetted volna, akkor talán... - A referencia feszültsége, 1,24V, tehát az FB láb és a GND közé visszavezetett visszacsatolásnak 1:9 arányú osztót kell alkalmazni. üdv! proli007
Köszi a segítséget! Ezt a vackot továbbra sem bírom működésre (szabályzásra) bírni, de rávilágítottál egy fontos tényre, amit egy másik tápnál fel is használtam, így eléggé leegyszerűsítve a méretezést... Ja! Kérdezted a rajzot. A gyári PDF első lapján lévő rajzot készítettem el. Ha gondolod csatolom legközelebb.
üdv: Titilla
Hello!
Pedig itt nagy csodák nincsenek. Meg kellett volna mérni az FB lábon a feszt. Az nem lehet több, mint 1,24V. Lehet az ellenállásaid nem megfelelő értékűek. Ha a VC lábat lehúzod a földre, akkor is le kell állni a tápnak. üdv! proli007
üdv. mindenkit az lenne a kérdésem, hogy van egy kapcsolás, (csatolva) amely alján azt írják hogy ne legyenek közös hűtőbordán! De miért nem lehetnek egy hűtőfelületen? A hőszabályzás miatt vagy miért?
A szabályzók hűtőfelülete elektromosan össze van kötve a középső lábukkal. Innen már világos?
de itt azt írja, hogy még galvanikus leválasztás után sem szabad, de ez a kérdés hogy miért? az alap hogy a 2 Földpontot nem kötöm rövidzárba (az van a hűtőzászlóra kötve)
Szerintem , ha melegítik egymást , akkor felborulhat a beállított "egyensúly" , hiába kompenzáltad ..
igazad van, mostmár inkább előbb gondolkodok, majd csak utána kérdezek, erre magamtól is rájöhettem volna
, de köszi a választ
Sziasztok!
Lenne 1 kérdésem...10V-os tápra (nullpontos)áganként 4700mikros kondi van 18Vos stabilizátorral tudnék abból 18V-ot csinálni?A gond az hogy nem tudom mennyi lesz a fesz. pufferelve. Eki tud.az legyenszíves...előre is köszi
Szia!
A 10 volt effektívből 14 volt csúcsfeszültség lesz, úgyhogy abból nem tudsz egyszerű eszközökkel 18 V-ot előállítani.
De mi az az áganként?
Mert ha azt jelenti hogy középcsapolásos trafóról megy akkor lehetséges. Mert akkor az egyik ágat minuszba a másikat pluszba egyenirányítva meglehet a kellő fesz. .
MUGAB!
Igen középmegcsapolásos a trafóm..csak azt nem tudom hogy a puffer ami felnyomja feszt az terheléskor is megmarad-e..vagy azt nem kell számításba venni?
Üdv!
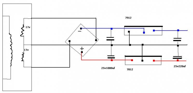
Tudna valaki segíteni abban hogy az alábbi rajzon normális hogy + 14-15 volt jön ki? a -12 oké, de a + az szerintem sok. És a műszer mutat még 17VAC-t is.. mindenből kb a 4. garnitúra van benne.
A negatívon -12V a kimenet, és nincs rajta váltófeszültség, még a pozitívon több van, valamint 17V ACis? Ha van váltóáramú kimenet is, akkor valamelyik kinyíródott. Nem raksz rá 100nFos kondikat?
Nem túl nagy a bemenő feszültség? |
Bejelentkezés
Hirdetés |







, de köszi a választ 





