Fórum témák
» Több friss téma |
- Ez a felület kizárólag, az elektronikában kezdők kérdéseinek van fenntartva és nem elfelejtve, hogy hobbielektronika a fórumunk!
- Ami tehát azt jelenti, hogy a nagymama bevásárlását nem itt beszéljük meg, ill. ez nem üzenőfal! - Kerülendő az olyan kérdés, amit egy másik meglévő (több mint 17000 van), témában kellene kitárgyalni! - És végül büntetés terhe mellett kerülendő az MSN és egyéb szleng, a magyar helyesírás mellőzése, beleértve a mondateleji nagybetűket is!
Hello!
"Ha ilyen nincs, akkor külső tápegység, de érdemes egy ULN2803-at, vagy egy kazal tranyót közbe iktatni." Ne csak írjál, olvassál is! üdv! proli007
Azokat az ellenállásokat ki lehet cserélni egy db potira ami a táp és a diódák közé van bekötve? Ez használható fényerő szabájzónak is?
A különböző számok kiírásához nem ugyanannyi diódát kell bekapcsolni, szóval ha kevesebb dióda van bekapcsolva azoknak több áram jut -> nagyobb fényerő, ha több dióda van bekapcsolva azoknak kevesebb áram jut -> kisebb fényerő. Ezt egy stabkocka megoldja? ( 78L12 / 78L05 )
A tranyó mire jó?
Ez nem túl sok láb egy tranyónak? Hogy kell bekötni?
Nagyobb teljesítményű lehet, az az 1 ohm eltérés meg nem számít. A 92Ohm 0.6Watt jó lesz.
Kukkants bele az adatlapjába:ULN2803A
Ok, mar csak azt mondd meg lecci, hogy mit jelent, hogy 33-91Ohm?
Bővebben: Link
Belenéztem az adatlapba. Hát, nem mondom hogy 100%osan megértettem...
A bemeneteit (I1-I8) az LPT (D0-D7) kimeneteire kell kötni, a ledkijelzőt meg O1-O8-ig? A 10. lába micsoda, Gnd? És még mindíg nem értem, hogy erre az alkatrészre mért van szükség.
Annyit jelent, hogy ebben a sorozatban 33 ohm-tól 91 ohm-ig válogathatsz az értékek között. A "view range"-nél választhatod ki a kívánt értékű ellenállást.
igazabol nem bannam, ha sokkal gyengebben vilagitana.
PC vizhutes tartalya moge lesz, es teljes fenyeron nagyon zavaro.
koszonom, huzok a boltba.
Sziasztok.
Egy olyan kérdésem lenne hogy vettem egy ilyet: Bővebben: Link Ennek van + és - fele? Mert nem igazán látom rajta. De végül nem is ilyen mert nincsen lába csak két forrasztás van rajta. Az egyik forrasztás csak egyből áll,a másik forrasztásnál 3 vékony szál megy. Ebből hogy tudom eldönteni hogy melyik a + és melyik a - ?. Végül is ebbe kellene: Bővebben: Link Van jelentősége hogy hogy forrasztom? Előre is köszöntem a választ.
Sziasztok!
Egy egyszerű kérdés: Ez a kapcsolás működőképes?
Szia!
Amelyik kivezetése kapcsolatban van a fémházával, az a negatív oldal.elektret mikrofon bekötés
Egy egyszeru valasz : nem.
Ezzel nagyon sok probléma van. Az első: a párh. port GND-jét a táp 0V-os kimenetével kell összekötni, vagy ha a -5V-tal kötöd be, akkor még köss sorba vele vagy 9db Si diódát, hogy a LED-eken ne folyjon áram, ha a port kimenetén 5V van. A másik hogy mivel csak egy potit alkalmaztál a sok LED-hez, ezért egy LED árama függ attól hogy egyszerre mennyit vezérelsz. (Áramosztó.) Megoldás: Minden LED-del sorosan köss be egy ellenállást. Egyébként ez a rajz ahogy most van akkor lenne jó ha 2 kivezetéses 2 színű LED-eket tennél be. (De akkor is LED-enként kell egy ellenállás.) És ami nagyon fontos nézd meg a párh. port terhelhetőségét. És inkább az alá méretezz.
A tápnak van 0V-os kimenete?
A táp stabilizátor IC-kből, és kondikból áll, 5/12V-ot ad le, + jön belőle egy Gnd kábel is. Lehet hogy csak én írtam hülyeséget: Pl egy 9V-s elem negatív pólusa nem -9V? Hogy tudom megnézni a port terhelhetőségét? Így már jó a rajz?
A feszültségek, mindig relatív értékek. A GND-t vesszük mindig 0V-nak és hozzá viszonyítunk. Ez PC tápoknál GND=fekete kábel. A fesz. értékek ehhez képest vannak megadva. A port terhelhetőségét keresd meg google-val. És a 9V-os elemnek ha a pozitív kimenetét GND-nek (0V-nak) veszed, akkor a negatív kimeneten -9 V van. (Ezt nevezzük fordított sorrendnek, mivel általában a legalacsonyabb pont a GND.) Tehát a 9V-os elem negatív pólusát tekintsd 0V-nak és hozzá képest a pozitív pólus az + 9V. (Tehát a feszültség az potenciálkülönbség.) Igen így már jó a rajz.
De most úgy fog működni, hogy amikor a port kimenete alacsony akkor világít a LED és ha magas akkor nem világít.
Ok köszi. Ez nem gond, csak a programot másképp kell megírni...
De ha van valami jó 5leted, írd meg!
Egyszerűbb szoftverrel, mint hardverrel.
vagy nem kell külső táp és közös katódos 7szegmensest használsz. Ekkor annyi a teendő, hogy a katódot (közös) a GND-re kötöd. Az anódokat pedig ugyanúgy ellenálláson keresztül a port kimeneteire.
Igen, olyat már csináltam ledekkel.
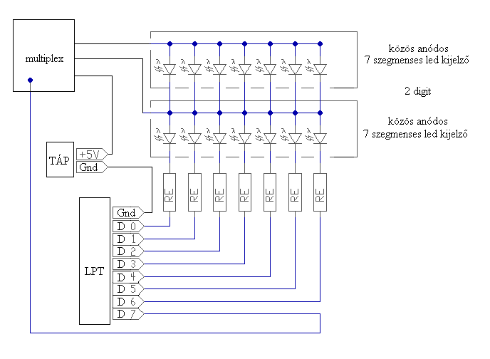
De most van egy kiforrasztott 2 digites közös anódos kijelzőm, és szeretnék vele kezdeni valamit. Az ellenállásoknak milyen értékűeknek kell lenniük? ( a kijelző piros színű )
Jah, és még valami:
Miért akkor világít a led, ha a port kimenete alacsony? Csak mert a táp legyen pl 5V, az LPT kimenet bekapcsolva meg 2V. Ebben az esetben a led világít nem?
Hali
Az ellenallasok pl 330 ohm lehetnek. Nem szukseges 14 ellenallas mivel mpx vezerlest hasznalsz. A portra csatlakoztatsz 7 ellenallast, es a megfelelo katodokat kozosited. Az anodokat pedig a mpx tranyokkal kapcsolgatod. Udv Vili
Nagyon köszi, sokat segítettél!
![]() Akkor kb így fog kinézni a dolog:
Hello.
Rajzoltam egy lehetséges megoldást paintban.
Üdv!
Kondenzátoroknál, kapacitáscsökkenés, kiszáradás, csak Elko-nál jelentkezhet, vagy akár kerámia kondenzátoroknál is? Kösz előre is!
Hello!
Egyikkel sem szimpatizálok. Moltam-nál a két kijelző fényereje esetleg nem lesz egyforma, a port feszültsége miatt. Nálad, meg "áthallásos" lesz a kijelző, a bázisáram miatt.. üdv! proli007
Hello!
Kerámia kondiknál nem jellemző, inkább a rossz hőfokfüggés, esetleg átvezetés. Kivétel, ha eltörik, vagy volt elvtársaink piros kondija.. üdv! proli007
Hali
A kapcsolas csak elvi. a bazisellenallast meg lehet novelni 2k2-re, es mar nem is problema. En ezzel csinaltam 16 LED-es szelrozsat. Igaz a meghajtas nem LPT, hanem PIC. Udv Vili |
Bejelentkezés
Hirdetés |







De most úgy fog működni, hogy amikor a port kimenete alacsony akkor világít a LED és ha magas akkor nem világít. 








