Fórum témák
» Több friss téma |
- Ez a felület kizárólag, az elektronikában kezdők kérdéseinek van fenntartva és nem elfelejtve, hogy hobbielektronika a fórumunk!
- Ami tehát azt jelenti, hogy a nagymama bevásárlását nem itt beszéljük meg, ill. ez nem üzenőfal! - Kerülendő az olyan kérdés, amit egy másik meglévő (több mint 17000 van), témában kellene kitárgyalni! - És végül büntetés terhe mellett kerülendő az MSN és egyéb szleng, a magyar helyesírás mellőzése, beleértve a mondateleji nagybetűket is!
Nagytöbbséggel mindíg elolvasom amit a haladók írnak.
De ha én mondom, hogy számomra felesleges az áramkorlát szabályozása akkor minek kell erőltetni? Szerk.: Én értem, hogy jó ha egy tápba van áramkorlát, de nekem NINCS rá szükségem sose használnám Idézet: „Én értem, hogy jó ha egy tápba van áramkorlát, de nekem NINCS rá szükségem sose használnám” Aztán majd fogod a fejed, ha elpattan a tápod áteresztő tranzisztora meg az IC egy véletlen rövidzárlattól. Ráadásul ilyenkor a trafó nyers feszültsége ki is jön a kimenetre, ami nem túl egészséges a táplált berendezésre nézve.
Azt tudom, hogy áramkorlát nélkül minden elszállhat, de elvileg ebbe a tápba is van áramkorlát csak így nem lehet szabályozni. Most akkor mi az igazság?
Meg azértse szeretném megépíteni, mert számomra túl bonyolult lenne megépíteni elsőre
Próbáltam de semmi. De régebben hallottam olyanról hogy egy elektromágnest váltakozó áramra kapcsolnak és azt közel teszik a monitorhoz és lassan elveszik tőle. Ez müködhet?
Én ugy általánosan szeretnék többet megtudni a FET-ek meghajtásáról, hogy mit szabad vele csinálni és mit nem. Egyébként egy sorkimenő trafót akarnák vele meghajtani de mindenféle IC nélkül.
Sziasztok!
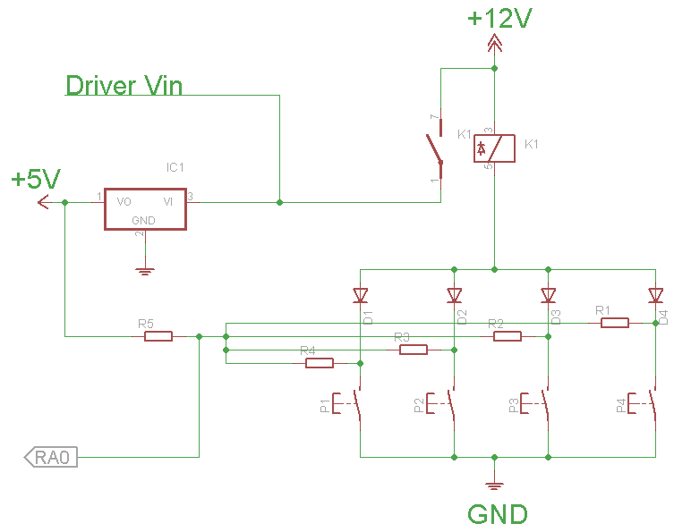
Búvárlámpa kapcsolásán agyalok. A lényeg, hogy adott 4 reed cső amikkel különböző állapotokat kapcsolok mágnessel a búvárlámpa házán kívülről. A csövek direktbe kapcsolnak egy kis relét ami ellátja majd a lámpát árammal, ill. a vezérlőjét (LED meghajtót) is 7805 stab után. A lényeg az lenne, hogy meg tudjam különböztetni, hogy melyik reed kapcsolta be a lámpát, ezáltal lehet ugyanis kiválasztani a fényerőt. A driverről tudni kell, hogy a kimenő áramát egy PIC12f683-al szabályozom PWM-mel a driver IC vezérlőlábán. Namost a PIC egy analóg bemenetére kötve ha minden reed egy-egy fesz-osztót kapcsolna akkor már A/D -vel kitalálható volna az állapot. Rajzoltam egy elképzelést. Szerintetek ez így működhet?
Szerintem igen, tulajdonképpen a monitor bekapcsolásakor is ez történik, váltakozóárammal lemágnesezi a képcsövet, vagy valami ilyesmi, sajna nem vagyok tv szerelő, így ennél többet nem tudok segíteni.
A te monitorod ezek szerint ezt nem tudja. üdv
Hello!
Elvileg működhet, csak nem biztos, hogy célszerű is. - Az osztó kikapcsolt állapotban is ad feszültséget a portára, ráadásul nagyobbat mint 5V. Ezért minimálisan a porta bemeneten egy zénert kell alkalmazni. - Az osztó, mindenképpen fogyaszt áramot. Lehet akkor ebből már sokkal célszerűbb, a procit táplálni. Az majd bekapcsolja a vezérlőt, lámpát.. amit kell. - Ha van vezérlő, amit a proci PWM-el vezet, akkor nem biztos, hogy szükséges még egy plusz relé alkalmazása, ami ismét fogyasztja az áramot. Ha a vezérlő IC-t nem lehet kikapcsolni, akkor legalább relé helyett egy Fet-el kellene kapcsolni. - Ettől még a Reed cső maradhat az AD-val.. üdv! proli007
Köszönöm megpróbálom szerintem rosszabb nem lessz amugy is egy ősrégi monitor.
Sziasztok lenne egy kérdésem a kapcsoláshoz ha 230v ról akarom használni milyen bittosítékot tegyek bele?Bővebben: Link
Idézet a cikkből:
Idézet: „mivel ez a típus 16A-t is elvisel (BTA16). A biztosíték megválasztását mindenkire rábízom, ez fogyasztótól függ.”
Sok igazság van abban amit mondasz.
FET-et nem tudom hogyan kellene beilleszteni a relé helyett. A relén amúgy ~4 Amper folyik át (40wattos lámpa). Egyébként bármilyen ötletet szívesen várok, hogy hogyan csinálnátok másképp. A lényeg ugye, hogy egy állapotban egy reed cső kapcsol kapcsol mindent.
Üdv!
1 µF-os kondenzátorra lenne szükségem (nem elko). Találtam fólia kondit, amelyikre 1000 van írva. Ez 1000 nano vagyis 1u? Kösz előre is!
Sziasztok.
Azt szeretném kérdezni hogy az alábbi IC-t mire és hogyan lehet használi?
Hali!
Conradban láttam többféle elektromos szúnyog riasztókat, az egyik például 9000 MHz-s hangot ad ki, és ez állítólag zavarja a vérszívókat. A kérdésem az lenne, hogy ezek tényleg hatásosak -e, valaki használt -e már ilyet? Az jutott még eszembe, hogy ilyet astabil multivibrátorból is lehetne csinálni kis kapacitású kondikkal nem (fogyasztónak egy dióda, és egy hangszóró) ?
Köszönöm.
Közben én is jobban utánanéztem és az alábbi kapcsolást találtam. Ez igy müködhet?
Ez egy abszolút minimál koncepció-alapkapcsolás. Egy ilyen komoly IC többet érdemel. Áramérzékelés a FET source-ről, snubber-kör a primer tekercsen, ezek mind hiányoznak.
Ezt egy kicsit érthetőbben is elmagyarázhatnád egy kezdő számára. Én csak egy sorkimenőt szeretnék meghajtani vele. FET-em az már van egy 2sk794 150W-os.
9GHz az nem hang hanem mikrohullám.
Hajtsd meg 555-el a FET-ed. Ez a vezérlő hálózati táplálásra és 40kHz feletti üzemre van tervezve. A sortrafó 20kHz-ig jó.
Én eddig azt hittem hogy a sorkimenő trafó tovább birja.
555-ös IC meg nincs és nem is tudok egykönnyen beszerezni alkatrészeket. Igy az alkatrészeim nagy része bontásból származik. De azért egy nagyon egyszerű kapcsolást nem tudnál adni mert kapcsoló üzemü tápot is bontottam igy trafóm az van.
Én nemrég csináltam egy ilyen IC vel. Csak én 3845 el az alacsonyabb tápfesz igénye miatt. Monitor sortrafót hajtottam vele. Az adatlap 4. oldalán található kapcsolást építettem meg.
Jó akkor ha egy sima állólámpát akarok vele szabályozni akkor egy 4 A elég lesz?
A monitortrafó jó nagyobb frekin is. Rendelj postán egy alkatrészkereskedésből, ha bontásból nem tudsz megfelelő alkatrészekhez jutni. Manapság az 555-ös IC olyan, mint a gyufa egy háztartásban.
Melyik adatlap volt az? Mert utólag találtam vagy 5 félét.
Vagyis?
Nem hangszóró kell, hanem valami más? |
Bejelentkezés
Hirdetés |




Meg azértse szeretném megépíteni, mert számomra túl bonyolult lenne megépíteni elsőre







